Введение
Двухканальный аудиоусилитель, построенный на мощных операционных усилителях (ОУ) LM3886, включённых в мостовом режиме, с использованием инструментального усилителя (ИУ) AD8295, описанный в статье [1], интенсивно эксплуатируется автором в домашних условиях уже более года. За прошедшее время некоторые компоненты аудиоусилителя претерпели достаточно существенные изменения.
Разработанный автором новый двуполярный источник питания (ИП) со сверхнизким уровнем пульсаций и защитой от превышения тока, описанный в статье [2], имеет уменьшенный в 4 раза размах пульсаций по сравнению с ИП, описанным ранее в [1] (не более 0,25 мВ против 1 мВ). Кроме того, конструкция нового ИП [2] существенно упрощена, т.к. теперь в каждом стабилизаторе используется только один мощный полевой транзистор.
Усовершенствованию подвергся и двухканальный пассивный тонкомпенсированный регулятор громкости (ТКРГ), описанный автором в [3], имеющий АЧХ, существенно приближённую к линиям равной громкости и более плавное регулирование громкости и НЧ-коррекции по сравнению с ТКРГ, описанным в [1].
Остальные компоненты УМЗЧ, а именно: предварительный усилитель на базе двух ИУ, пик-детектор на базе двух стандартных ОУ и, наконец, сам усилитель мощности на базе двух мощных ОУ, включённых в мостовом режиме, также подверглись существенной модернизации.
В статье будут рассмотрены принципиальные схемы указанных устройств с описанием их отличий от приведённых в [1], затем будут приведены разводка плат, фотографии реальных устройств и некоторая информация по их настройке.
Предварительный усилитель
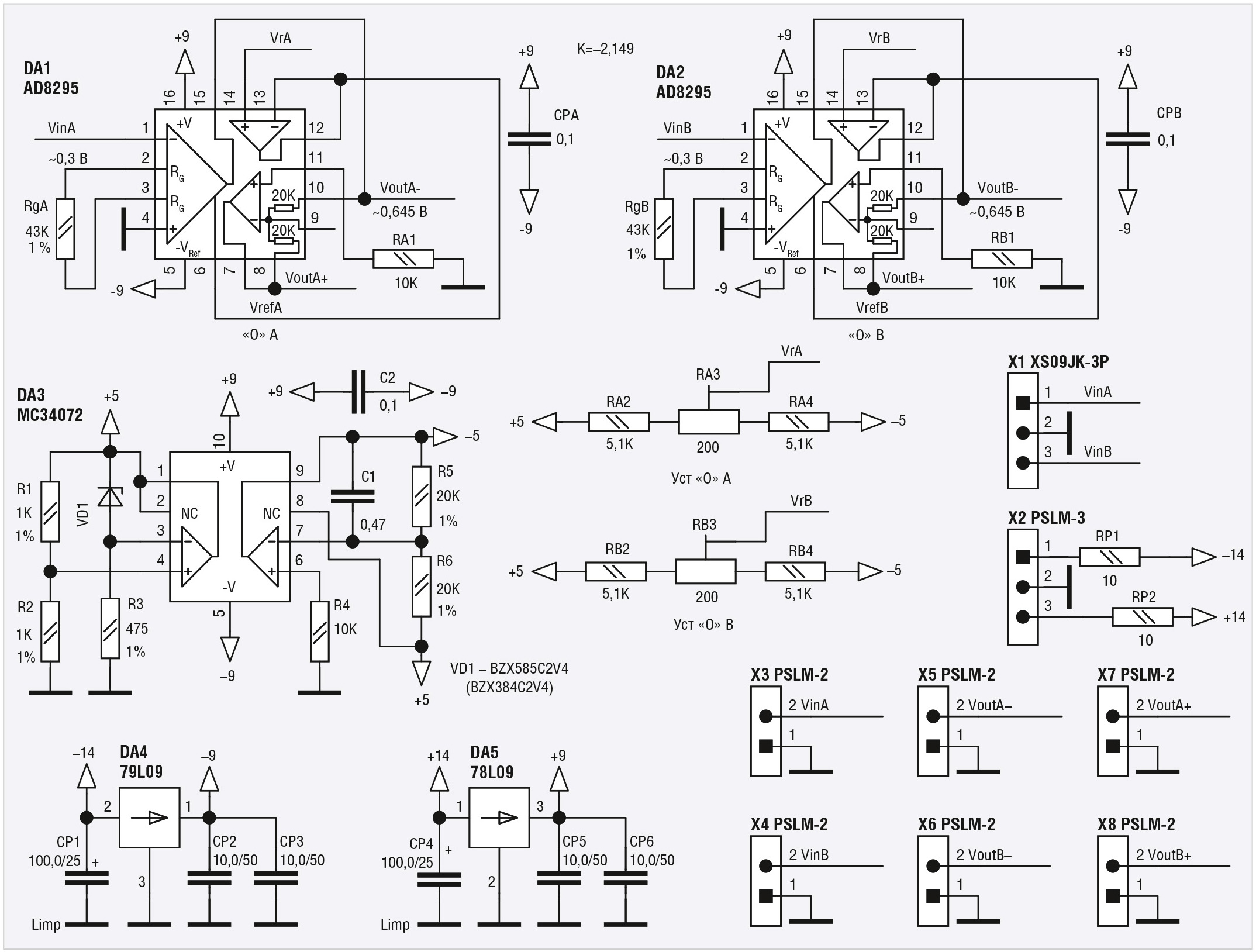
В схему предварительного усилителя (см. рис. 1) добавлен ещё один стандартный сдвоенный ОУ MC34072 (DA3).

Это было сделано по двум причинам. Во-первых, как следует из справочного листка на микросхему ИУ AD8295 (DA1, DA2), подача опорного напряжения на её вход REF (6-й вывод) должна осуществляться через повторитель на ОУ (см. рис. 2 справа), а не напрямую с потенциометра (см. рис. 2 слева).

Перечёркнутая схема не является абсолютно бесспорной, поскольку номиналы Ra и Rb (около 2,4 кОм в [1]) на порядок меньше входного сопротивления входа REF ИУ (около 20…40 кОм). В связи с этим, входное сопротивление ОУ не оказывает существенного влияния на входное напряжение Vref, снятое непосредственно с потенциометра. Тем не менее, схема, приведённая на рисунке 2 справа, является более предпочтительной, т.к. выходное сопротивление ОУ составляет единицы и даже десятые доли Ом, поскольку выход любого ОУ является низкоимпедансным.
В схеме на рисунке 1 в качестве упомянутых повторителей используются встроенные в DA1 и DA2 ОУ (13-й и 14-й выводы – инвертирующий и неинвертирующий входы, 12-й вывод – выход), на неинвертирующие входы которых поданы опорные напряжения VrA и VrB (для каналов A и B соответственно). Опорные напряжения снимаются с движков подстроечных резисторов RA3 и RB3. Эти резисторы, в свою очередь, подключены к опорным напряжениям +5 В и –5 В через резисторы RA2, RA4 и RB2, RB4, соответственно.
Вторая причина добавления сдвоенного ОУ заключается в следующем. Для формирования опорных напряжений используется дополнительный сдвоенный ОУ DA3 (вместо встроенных в DA1 и DA2 двух ОУ, как в [1]). Для формирования опорного напряжения +5 В используется левый по схеме ОУ DA3 (3-й и 4-й выводы – инвертирующий и неинвертирующий входы соответственно, 1-й вывод – выход). В отличие от схемы формирования положительного опорного напряжения, применённой в [1] (стабилитрон с резистором, подключённым к напряжению питания, и повторитель на ОУ), в схеме использован классический формирователь опорного напряжения +5 В [4]. Здесь стабилитрон VD1 с резистором R3 включён в отрицательную обратную связь (ООС) ОУ (точка соединения VD1 с R3 соединена с инвертирующим входом ОУ), а к неинвертирующему входу ОУ подключена точка соединения двух резисторов R1 и R2 (положительная обратная связь). Такая схема имеет коэффициент стабилизации не менее 10000 [4], а реальный коэффициент стабилизации, измеренный автором в работе [5], составил около 20000, что несоизмеримо больше, чем коэффициент стабилизации стабилитрона с резистором, подключённым к напряжению питания, как в [1]. Для формирования отрицательного опорного напряжения –5 В использован классический инвертор (на правом по схеме ОУ DA3) с двумя резисторами R5 и R6 и шумоподавляющим конденсатором C1, включённым в ООС.
Следует добавить, что сдвоенный ОУ DA3 в настоящее время выпускается в сверхминиатюрном корпусе WQFN10 размером 2,6×2,6 мм (MC34072AMTTBG). Этот недорогой ОУ выпускается уже довольно давно (правда, в более габаритных корпусах), он достаточно надёжный, имеет максимальное напряжение питания до 44 В и показал отличную работу в двуполярном стабилизаторе на мощных полевых транзисторах [2]. Его использование в предварительном усилителе не только не привело к увеличению площади платы, а наоборот, при усовершенствованной разводке (см. далее) площадь платы даже немного уменьшилась с 30 мм × 25 мм = 750 мм2 в [1] до 32 мм × 22 мм = 704 мм2.
Как видно из рисунка 1, номиналы резисторов RgA и RgB уменьшены до 43 кОм по сравнению с 51 кОм в [1]. Это привело к увеличению коэффициента усиления ИУ с 1,969 до 2,149 и соответственно к увеличению действующего значения выходного напряжения до 0,645 В (или амплитудного до ≈0,9 В). Если это значение усилить в 10 раз, то получим амплитудное значение 9 В, а в мостовом режиме 18 В, что приведёт к увеличению мощности до 40,5 Вт (против 32 Вт в предыдущей версии) на нагрузке 4 Ом. Для этого потребуется несколько увеличить площадь радиатора мощных ОУ (см. далее).
В остальном схема предварительного усилителя аналогична предыдущей версии [1], поэтому она не нуждается в подробном рассмотрении.
Пик-детектор
Для того чтобы объяснить отличие работы усовершенствованного пик-детектора от описанного в [1], напомним принцип его работы. На инвертирующие входы двух компараторов, сконструированных на базе двух стандартных ОУ, подаются два пороговых опорных напряжения: положительное (+0,85 В) и отрицательное (–0,85 В). На неинвертирующие входы этих же компараторов подаётся входной сигнал, снятый с предварительного усилителя, который затем усиливается в 10 раз (до 8,5 В) мощным ОУ (или удвоенный до 17 В при его работе в мостовом режиме). Выходной сигнал обоих компараторов через диоды подаётся далее на вход триггера Шмидта, который за счёт гистерезиса устраняет ложные срабатывания компараторов при нахождении уровня сигнала в районе порога (+0,85 В или –0,85 В). Выходным сигналом триггера Шмидта зажигаются светодиоды. В результате, если уровень сигнала какого-либо канала (А или B) выше порога +0,85 В или ниже порога –0,85 В, то зажигается соответствующий светодиод. Эта схема показала хорошую работу, однако и здесь представилась возможность для усовершенствования.
Предположим, что сигнал синусоидальный, а его амплитуда больше 0,85 В, например, 0,9 В. В этом случае сработает как компаратор, отслеживающий превышение порога +0,85 В, так и компаратор, отслеживающий превышение порога –0,85 В. Причём, при превышении порога +0,85 В в связи с синусоидальностью сигнала превышение порога –0,85 В будет всегда, а значит в его отслеживании нет необходимости, и в этом случае компаратор, отслеживающий превышение порога –0,85 В, можно исключить, оставив только компаратор, отслеживающий порог +0,85 В. А раз так, то можно исключить целый сдвоенный ОУ (с его обвязкой), а также цепочку резисторов вместе с подстроечным, предназначенную для формирования напряжения –0,85 В, т.к. каналов два. В этом случае схема существенно упрощается, т.к. для её функционирования требуется только один сдвоенный ОУ и один подстроечный резистор (см. рис. 3). Это справедливо для синусоидального сигнала.

А как обстоит дело, если сигнал не синусоидальный, а звуковой? К счастью, такой сигнал так же, как и синусоидальный, практически симметричен относительно оси времени (если не принимать во внимание небольшой сдвиг фаз). Это означает, что устройство с двумя компараторами и с одним компаратором (на канал) должны работать идентично. Эксперимент, проведённый автором с двумя устройствами, это подтвердил. За счёт упрощения схемы размер платы существенно уменьшен с 30×26 мм до 24×24 мм.
Как можно заметить из рисунка 3, порог увеличен с 0,85 В до 0,95 В, поскольку теперь максимальное амплитудное значение выходного сигнала каждого мощного ОУ составляет 9 В. В остальном схема пик-детектора повторяет аналогичную схему из [1].
Усилитель мощности
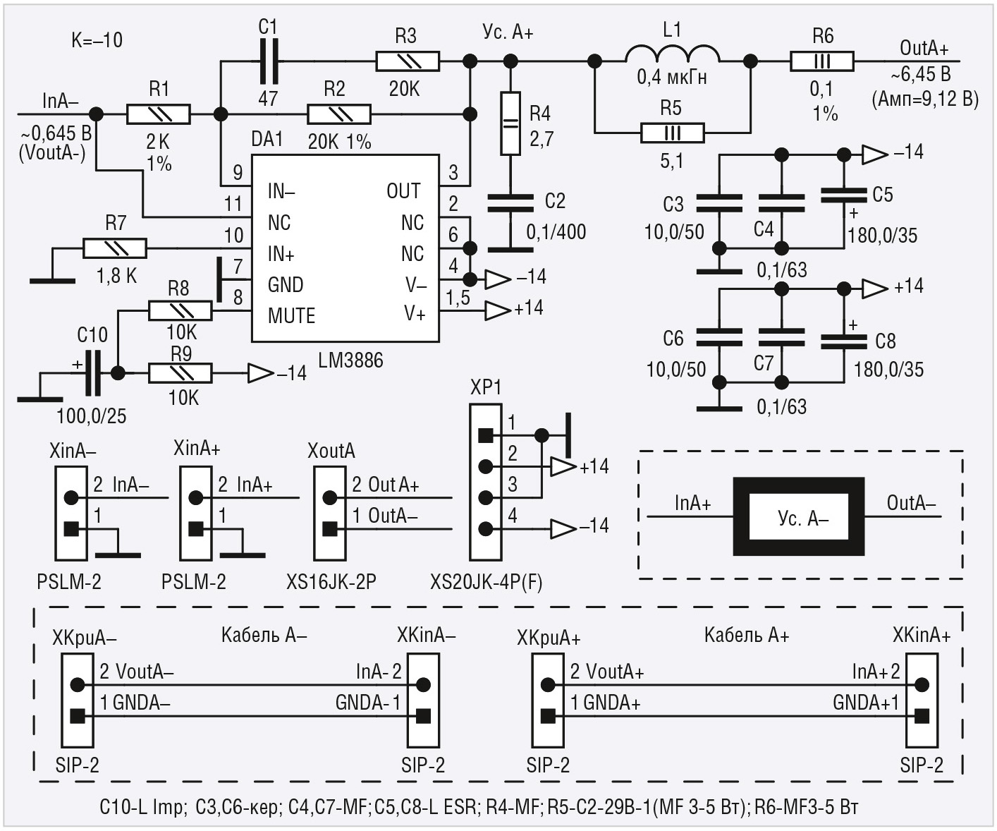
В новой схеме усилителя мощности (см. рис. 4), по сравнению с [1], введены два усовершенствования.

Первое связано с увеличением ёмкости конденсатора C10 в 2 раза – до 100 мкФ. Этот конденсатор определяет постоянную времени RC-цепочки R8C10, отвечающую за время нахождения сигнала MUTE DA1 в запрещающем состоянии при включении и выключении питания, что необходимо для исключения щелчков в АС в этих режимах работы. Если в [1] при включении питания щелчки в АС отсутствовали, то при выключении питания они иногда проявлялись. Это связано с тем, что при выключении питания электролитические конденсаторы ИП разряжаются достаточно долго, и сигнал MUTE возвращается в разрешающее состояние раньше, чем пропадёт питание. При увеличении номинала C10 в 2 раза упомянутые щелчки при выключении питания полностью исчезают.
Второе усовершенствование связано с добавлением в схему LR-цепочки L1R5 и резистора R6. В справочном листке на микросхему LM3886 в стандартном включении рекомендуется установка LR-цепочки (с номиналами L=0,7 мкГн и RL=10 Ом) при подключении выхода ОУ к АС. Причём, катушка индуктивности L и резистор RL включены параллельно (т.е. RL шунтирует L) или, другими словами, RL снижает добротность RL-цепочки. На высоких частотах эта цепочка за счёт сопротивления R ограничивает выходной ток ОУ при его работе на ёмкостную нагрузку и снижает добротность Q последовательного резонансного контура, возникающего в этом случае (т.е. для исключения автоколебаний на ВЧ). На низких частотах низкий импеданс индуктивности L «закорачивает» R и свободно пропускает весь звуковой сигнал в нагрузку.
Кроме того, в параллельном или мостовом включении для компенсации несколько отличающихся выходных сопротивлений двух экземпляров микросхем LM3886 рекомендуется дополнительная установка последовательно с нагрузкой (АС) компенсационного резистора RК номиналом 0,1 Ом.
В схеме, приведённой в [1], вместо трёх элементов L, RL и RK установлен один, а именно проволочный резистор номиналом 0,1 Ом, причём его индуктивность из-за относительно большого количества витков (7–8) составляет около 0,4…0,5 мкГн. Однако это не совсем то, что требуется, т.к. такая замена абсолютно не равнозначна установке L, RL и RK. В новой схеме вместо RL-цепочки с номиналами 0,7 мкГн и 10 Ом соответственно на выходе каждого из ОУ (как в справочном листке) установлена RL-цепочка L1R5 с номиналами в 2 раза меньшими: 0,35 мкГн и 5,1 Ом (при последовательном соединении индуктивности и сопротивления, как известно, складываются). Резистор RL должен быть безындукционным (металлоплёночным либо углеродистым). В качестве RL в данном случае использован отечественный прецизионный металлоплёночный резистор С2-29В-1 номиналом 5,11 Ом. На этом резисторе установлена катушка индуктивности, состоящая из 8 витков провода ПЭТВ-2 1,08. Расчётная индуктивность составила около 0,35 мкГн. Для намотки использовался хвостовик сверла диаметром 8,3 мм, а затем уже эта катушка была установлена на резистор С2-29В-1. Что касается резистора номиналом 0,1 Ом, то он также должен быть, по возможности, безындукционным (металлоплёночным или углеродистым), либо, если он проволочный, то количество витков проволоки в нём должно быть минимальным. В качестве такого резистора был установлен проволочный резистор KNP-300 мощностью 3 Вт номиналом 0,1 Ом (1%). Визуально на нём можно рассмотреть саму намотку, состоящую из 1,5–2 витков. Расчётная индуктивность составила около 22 нГн, что не оказывает сколько-нибудь значительного влияния на всю конструкцию.
В остальном новая схема повторяет аналогичную, приведённую в [1]. Поскольку мощность усилителя увеличена с 32 до 40,5 Вт, для охлаждения использован радиатор увеличенной площади из отрезка профиля RP-220-20Z размером 220×80×60 мм. Такой радиатор представляет собой алюминиевую пластину размером 220×60×18 мм с 17 квадратными рёбрами со стороной 60 мм и толщиной около 4,5 мм. К пластине были прикручены две платы усилителя мощности с использованием керамических прокладок и изолирующих втулок (т.е. по две микросхемы LM3886 на каждый усилитель). К этому же радиатору была прикручена плата стабилизатора ±14 В [2] также с использованием керамических прокладок и изолирующих втулок.
Разводка плат
Все платы были разведены в программе Sprint LayOut 6.0. Хотя разводка всех плат является односторонней и технология их изготовлении подробно описана в статье [6], платы предварительного усилителя (см. рис. 5) и пик-детектора (см. рис. 6) дополнительно могут иметь земляной контур, расположенный с обратной стороны платы.


Такой земляной контур представляет собой второй слой меди, который электрически соединён с земляным контуром, расположенным на стороне дорожек, с помощью выводов компонентов навесного монтажа (электролитических конденсаторов, штыревых разъёмов, микросхем стабилизаторов в корпусе ТО-92), которые пропаиваются с двух сторон. Выводы навесных компонентов, непосредственно не контактирующих с земляным контуром, окружены «прогалинами», размер которых несколько больше соответствующих контактных площадок, расположенных на слое дорожек. Технология изготовления подобных двусторонних печатных плат подробно описана в статье [7], где в качестве примера приведены фотографии обеих сторон платы предварительного усилителя. Второй земляной контур не является обязательным, но в плате предварительного усилителя его желательно реализовать.
Отличительная особенность разводки всех плат – полное отсутствие резисторов с нулевым сопротивлением (перемычек). На плате усилителя мощности скомпонованы сразу два усилителя на базе ОУ LM3886, включённых в мостовом режиме работы. Таким образом, вместо четырёх отдельных плат [1] в усовершенствованном варианте используются всего две платы (для каналов A и B). Это существенно снизило трудоёмкость подсоединения плат к ИП и выходным разъёмам, предназначенным для подключения к АС. На плате усилителя мощности (см. рис. 7) зелёным цветом показаны проводники, которые требуется распаять с обратной стороны платы. В качестве таких проводников следует использовать провод сечением не менее 1…1,5 мм2, например, МГТФ-1,5. Размер каждой из двух плат составляет 20×60 мм.

Компоненты для поверхностного монтажа, расположенные на стороне дорожек, обозначены синим цветом, компоненты навесного монтажа, расположенные с обратной стороны – коричневым. Платы предварительного усилителя и пик-детектора имеют крепёжные отверстия, через которые винтами M2 к платам прикручены пластмассовые шестигранные стойки с внутренней резьбой М2. Эти стойки, в свою очередь, прикручены к днищу корпуса также винтами М2. Платы усилителя мощности не имеют крепёжных отверстий, поскольку они достаточно прочно держатся на выводах двух микросхем LM3886, а сами микросхемы прикручены к радиаторам через керамические изоляционные теплопроводящие прокладки. В дополнительных материалах на сайте журнала приведён файл разводки всех плат в формате *.lay6.



После того как платы изготовлены, их необходимо покрыть 2–3 слоями цапонлака или любого другого нитролака со стороны дорожек. На рисунках 8–10 приведены фотографии всех плат до покрытия лаком, поэтому платы предварительного усилителя и пик-детектора показаны без крепёжных стоек, а плата усилителя мощности – без припаянных к ней проводов питания и выходных сигналов.
Настройка плат устройств
Сначала следует проверить работу предварительного усилителя. Для этого необходимо подать на него питание ±14 В с помощью ИП небольшой мощности (с максимальным током до 100 мА). В качестве такого ИП можно, например, использовать ИП, описанный в статье [8]. После этого следует подать на входы каждого канала синусоидальный сигнал с амплитудой 0,4 В и частотой 1 кГц. С помощью осциллографа проверить выходной сигнал, который должен быть также синусоидальным с амплитудой примерно в 2 раза больше. Далее установить частоту около 30 Гц и 20 кГц и также проверить выходные сигналы. В качестве генератора можно, например, использовать генератор, описанный в статье [9] или любой другой генератор звуковой частоты.
Далее необходимо к плате предварительного усилителя подключить плату усилителя мощности. В качестве нагрузки усилителя мощности следует использовать резистор номиналом 1,5 кОм мощностью 2 Вт, который необходимо подключить к выходным контактам (OutA+ и OutA– на рисунке 4). Затем подать питание ±14 В на генератор, плату предварительного усилителя и плату усилителя мощности, установив максимальный ток ИП около 200 мА. После включения генератора с помощью осциллографа проверить сигнал на выходе усилителя мощности, который по амплитуде должен быть в 20 раз больше входного сигнала. Сигнал следует проверять на частотах около 30 Гц, 1 кГц и 20 кГц.
После этого необходимо установить выходные нули на каждом из двух усилителей мощности. Для этого следует отключить питание, отключить от предварительного усилителя генератор и заземлить входной сигнал предварительного усилителя, установив на его входные контакты (VinA и VinB, X1, см. рис. 1) двухконтактную перемычку (джампер). К нагрузке усилителя мощности (1,5 К) подключить цифровой вольтметр. Далее, включив питание и вращая подстроечный резистор предварительного усилителя соответствующего канала (RA3, RB3 на рисунке 1), добиться напряжения на вольтметре около 1 мВ. Меньшее напряжение устанавливать не рекомендуется во избежание перекрытия прямого и инверсного сигналов. Применённые многооборотные резисторы позволяют устанавливать выходное напряжение с точностью около 0,1 мВ. На этом настройка предварительного усилителя и усилителей мощности заканчивается.
Для настройки платы пик-детектора сначала следует заземлить два его входных сигнала, установив трёхконтактную перемычку на его входы (разъём X1, InA и InB на рисунке 3). Далее к выводам 3 или 6 DA1 (и к земле), с которыми контактирует движок подстроечного резистора R6, необходимо подключить цифровой вольтметр. После этого, подав на плату питание ±14 В и вращая подстроечный резистор R6, добиться выходного напряжения на движке резистора, равного +0,95 В. Затем следует выключить питание, снять перемычку с разъёма X1 и подать на него синусоидальный сигнал частотой около 30 Гц и амплитудой 0,9 В. Включив питание, убедиться, что светодиоды не зажигаются. Далее, увеличив амплитуду до 1 В, убедиться, что светодиоды включаются и выключаются с частотой 30 Гц. На этом настройка пик-детектора заканчивается.
Заключение
Приведённые в статье усовершенствования УМЗЧ существенно повысили его надёжность, позволили уменьшить габариты плат, а также продемонстрировали его отличную работу и небольшой нагрев при максимальной мощности около 40 Вт с использованием описанного радиатора. В связи с этим автор рекомендует его для повторения.
Литература
- Кузьминов А. Применение инструментального усилителя для мостового включения двух мощных ОУ. Современная электроника. 2017. № 4–7.
- Кузьминов А. Двухполярный источник питания УМЗЧ со сверхнизким уровнем пульсаций и токовой защитой. Радио. 2018. № 8.
- Кузьминов А. Усовершенствованный тонкомпенсированный пассивный регулятор громкости с НЧ-коррекцией. Современная электроника. 2019. № 2.
- Рутковски Дж. Интегральные операционные усилители. – М.: Мир, 1978.
- Кузьминов А. Использование мощных полевых транзисторов и операционных усилителей в прецизионных регуляторах и стабилизаторах напряжения. Современная электроника. 2012. № 7.
- Кузьминов А. Технология изготовления печатных плат с высоким разрешением в любительских условиях. Радио. 2017. № 10.
- Кузьминов А. Как изготовить двустороннюю печатную плату своими силами. Радио. 2019. № 2.
- Кузьминов А. Регулируемый двуполярный блок питания с ограничением тока. Современная электроника. 2017. № 8.
- Кузьминов А. Звуковой генератор фиксированных частот. Радио. 2012. № 6.
Если вам понравился материал, кликните значок — вы поможете нам узнать, каким статьям и новостям следует отдавать предпочтение. Если вы хотите обсудить материал —не стесняйтесь оставлять свои комментарии : возможно, они будут полезны другим нашим читателям!

