К истории вопроса
В самом начале 1970-х на УЭХК было положено начало разработки первых систем автоматизации технологических процессов. Специфика атомного производства требовала создания мощных, скоростных и высоконадёжных автоматизированных систем управления технологическими процессами (далее – АСУ ТП).Для разработки, внедрения и дальнейшего обслуживания АСУ ТП была образована соответствующая лаборатория. Первые АСУ ТП на УЭХК были разработаны на базе мини-ЭВМ М-6000, затем стали применяться советские ЭВМ СМ-2М, СМ-1810 и ДВК-3, в самом начале 1990-х – ЭВМ типа IBM PC.
С началом использования IBM PC разработка прикладного ПО АСУ ТП велась в многозадачной операционной системе жёсткого реального времени QNX v.4.
Результат успешной работы лаборатории АСУ ТП – более 100 внедрений систем автоматизации на УЭХК, на других предприятиях атомной отрасли, а также на предприятиях КНР.
За столь длительный период существования лаборатории АСУ ТП на УЭХК накоплен богатый опыт и потенциал, позволяющий на высоком уровне решать любые задачи автоматизации. Одним из закономерных итогов развития прикладного ПО АСУ ТП, создаваемых лабораторией, явилась разработка универсальной программы автоматизации технологических процессов SCADA «7Б+».
Назначение SCADA «7Б+»
Универсальная программа предназначена для автоматизации проектирования прикладного ПО ЭВМ верхнего и нижнего уровней АСУ ТП с помощью средств конфигурирования функциональности ПО, настройки на требуемый технологический объект и заданные технические средства АСУ ТП.Эта программа может быть применена для создания АСУ ТП технологических процессов любых отраслей промышленности.
На программное обеспечение SCADA «7Б+» получено свидетельство о государственной регистрации программы для ЭВМ № 2023665326 от 14 июля 2023 г. Подана заявка на включение ПО SCADA «7Б+» в реестр российских программ для ЭВМ и БД Минцифры РФ.
Отличительные особенности
● SCADA «7Б+» – 100%-ный российский программный продукт;● масштабируемость – возможность создания одно- или многомашинных пунктов централизованного и местного управления различных технологических процессов;
● способность поэтапно наращивать функциональную и информационную мощность АСУ ТП;
● резервирование – возможность создания дублированных и резервированных систем (с автопереключением на резерв);
● универсальность – возможность взаимодействия практически с любыми контроллерами;
● модульность – возможность реализации требуемого набора функций АСУ ТП, задание необходимых функций для каждой ЭВМ;
● иерархичность – возможность создания одноуровневых и многоуровневых иерархических систем, соответствующих структуре технологического объекта и характеру управления им;
● функционирование под управлением российской защищённой операционной системы реального времени (ЗОСРВ) «QNX».
Функционал SCADA «7Б+»
Основные функции (функции традиционной SCADA):- сбор и обработка информации с контроллеров;
- отображение информации в виде мнемосхем, трендов, таблиц и на щите диспетчера (ЩД);
- управление технологическим оборудованием;
- вывод выходных документов (в том числе и автоматически, по регламенту);
- автоматизированное выполнение технологических операций (требуемой последовательности команд управления);
- регистрация, отображение и просмотр сигналов, событий и сообщений;
- архивация и отображение исторической информации по значениям параметров и состоянию оборудования;
- вывод выходных документов по запросу и автоматически, по регламенту;
- оперативное конфигурирование;
- контроль времени работы оборудования;
- автоматизация метрологической калибровки измерительных каналов;
- поддержка единого времени в системе;
- информационное взаимодействие со смежными АСУ ТП и АСУП;
- контроль состояния программно-технических средств АСУ ТП;
- разграничение прав доступа
Дополнительные функции (функции нижнего уровня):
- контроль значений параметров на выход за допустимые границы;
- система защит;
- система блокировок;
- контроль нештатных состояний оборудования;
- регулирование;
- автоматическое исполнение набора команд управления по временному регламенту.
Состав модулей ПО
Программное обеспечение АСУ ТП на базе SCADA «7Б+» состоит из типового ПО SCADA «7Б+» и типового или частного (при необходимости) ПО непосредственно АСУ ТП (драйверов контроллеров). ПО SCADA «7Б+» включает в свой состав 27 независимых программных модулей. В его составе имеются более десяти типовых (готовых) драйверов для контроллеров следующих видов: Adam-5000, ЕТ-87Р, ТРМ202, Ш-932, WB-MR6 и др. Линейка данных драйверов постоянно увеличивается. При необходимости применения в АСУ ТП оригинальных контроллеров по шаблону разрабатываются частные драйверы, которые учитывают все особенности обмена информацией с данными контроллерами (в нашей практике разрабатывались частные драйверы для низовых стоек, устройств ЭРУ, ПЧТ и СПЧС разработки ООО «НПО «Центротех»).В одной АСУ ТП могут применяться контроллеры разного вида. Для повышения надёжности каждый контроллер обслуживается отдельным экземпляром драйвера.
Комплекс технических средств (КТС)
Комплекс технических средств АСУ ТП на базе SCADA «7Б+» может быть реализован в виде одно- и многомашинного вариантов, в том числе и в виде двух независимых полукомплектов.В КТС может быть структурно (функционально) выделен сервер БД. Могут быть сконфигурированы «просмотровые» ЭВМ (без функций управления), серверы ввода-вывода с низового оборудования, ЭВМ обобщённой информации.
Требования к вычислительной мощности ЭВМ минимальны.
Технические характеристики
SCADA «7Б+» функционирует на ЭВМ архитектуры х86 под управлением операционной системы ЗОСРВ «QNX» (Россия) или QNX v. 4.х (Канада) с использованием интерфейсных функций СУБД Raima Data Manager v.4.5. Операционные системы QNX отличаются высокой скоростью, компактностью, наличием большого числа механизмов межзадачного обмена, отказоустойчивостью, отсутствием вирусов и т.д.Говоря о других параметрах SCADA «7Б+», стоит отметить:
- количество входных и выходных параметров – без ограничений (кроме ограничений по техническим средствам);
- минимальный период измерения параметров – 0,5 с;
- максимальное время передачи команд управления на исполнение – не более 1 с;
- точность регистрации событий – не более 0,1 с;
- объём сохраняемых событий в БД регистрации – 1 год;
- объём сохраняемых в БД значений параметров – не менее 45 суток;
- максимальное количество команд управления, состояний, режимов работы на одно устройство (контроллер, оборудование, сигнализатор, датчик и т.п.) – по 16;
- максимальное количество сигналов неисправности на одно устройство (контроллер, оборудование, сигнализатор, датчик и т.п.) – 32;
- максимальное количество графических объектов мнемосхемы (символ, показание, обозначение и т.п.) на одно устройство – 5;
- количество уставок на один параметр – 8;
- дискретность синхронизации таймеров технических средств АСУ ТП – 0,1 с;
- графическое разрешение дисплеев ЭВМ – 1280×1024;
- максимальное количество ЭВМ АСУ ТП в ЛВС – 50.
Выгодные особенности SCADA «7Б+»
Для разработки мнемосхем используется стандартный QNX редактор Photon Application Builder. Мнемосхемы создаются, как правило, на основе имеющихся шаблонов. Графические элементы мнемосхем можно использовать готовые из библиотеки или создать новые. Меню вызова мнемосхем формируется автоматически по информации в базе данных (БД). Предусмотрено два уровня вложенности мнемосхем: установка и объект установки. Отображение структуры и состояния технических средств АСУ ТП организовано также в виде мнемосхемы.Реализовано отображение интегральных аварийных и предупредительных сигналов (тревог) для оборудования выбранной мнемосхемы, а также и для АСУ ТП в целом. Выполняется отображение индивидуальных сигналов – тревог устройств. По запросу также может быть отображён список действующих сигналов тревог выбранного вида.
Меню команд управления формируются автоматически, по информации, хранящейся в базе данных.
Возможно «управление» (ручное определение состояния) устройствами без функций управления и сигнализаторов положения (например, ручных клапанов без сигнализаторов конечного положения). Есть опыт применения пультов управления (специализированных и типовых).
Оперативное отображение сообщений регистрации выполняется в двух режимах:
- полная регистрация (отображаются все сообщения);
- основная регистрация (отображаются только аварийные сигналы, сигналы неисправности, неисполнение команд).
В SCADA «7Б+» реализовано периодическое накопление в базе данных значений технологических параметров. Дополнительно здесь могут периодически накапливаться значения состояний технологического оборудования и сигнализаторов. Накопление значений в БД выполняется по кольцевому принципу для исключения переполнения. На одном графике (тренде) могут быть отображены накопленные параметры с разными шкалами. АСУ ТП на базе SCADA «7Б+» имеет в своём составе программные средства эмуляции входных (аналоговых и дискретных) и выходных значений параметров (команд) контроллеров, необходимые для выполнения отладки или обучения персонала. Имеются готовые эмуляторы для более чем 10 видов контроллеров. Разработка эмуляторов для оригинальных контроллеров выполняется по шаблону.
АСУ ТП на базе SCADA «7Б+» выполняет постоянный контроль целостности ПО (работоспособность всех программных модулей) на всех ЭВМ АСУ ТП. Контроль состояния технических средств АСУ ТП и линий связи также выполняется непрерывно с отображением неисправного устройства (с точностью до модуля контроллера).
Коммуникационные возможности
Для приёма/передачи информации из АСУ ТП на базе SCADA «7Б+» в смежные АСУ ТП разработан отдельный программный модуль и описан протокол обмена. Для получения необходимых данных от смежных АСУ ТП потребуется разработка по шаблону соответствующего драйвера (аналог драйвера контроллера). Интеграция с АСУП, как правило, осуществляется путём организации односторонней связи (от АСУ ТП к АСУП) с помощью отдельного программного модуля или путём записи необходимой информации в БД АСУП (коннектор).Информационная безопасность
Разграничение прав доступа организовано путём отнесения каждого пользователя к определённой группе, наделённой соответствующими правами. Предусмотрены следующие группы пользователей: наблюдатель, технолог, оператор, приборист, администратор информационной безопасности, администратор АСУ ТП.Определена минимальная длина пароля. Возможно назначение срока действия пароля. Выполняется регистрация попыток несанкционированного доступа к АСУ ТП.
Средства конфигурирования
Мощный графический редактор SCADA «7Б+» позволяет сформировать для АСУ ТП описание всего около 50 элементов и более 1350 параметров:- АСУ ТП в целом (функционал и параметры);
- технологические устройства (установки, объекты, датчики оборудования, сигнализаторы и др.);
- технологические таблицы (защиты, блокировки, регулирования, операции, нештатные состояния, команды по регламенту);
- устройства КИПиА (ЭВМ, контроллеры);
- графика (мнемосхемы, графические элементы);
- пользователи;
- выходные документы;
- процессы (модули) ПО;
- сообщения регистрации;
- виды технологических устройств;
- виды устройств КИПиА;
- классификаторы (состояния, режимы, команды управления, неисправности и др.).
Реальные внедрения
На базе SCADA «7Б+» на Уральском электрохимическом комбинате внедрены в эксплуатацию семь АСУ ТП на технологических объектах различной информационной мощности. Например: АСУ ТП 1 – это 2 независимых полукомплекта, 6 ЭВМ, 33 низовые стойки, 700 аналоговых параметров, 2000 дискретных входных параметров, 1000 дискретных выходных параметров. Также АСУ ТП 2 – виртуальная машина на существующей ЭВМ, 30 дискретных входных параметров, 30 дискретных выходных параметров. На базе SCADA «7Б+» ведётся разработка (конфигурирование) ещё шести АСУ ТП для различных технологических объектов УЭХК. И всё это смело можно внедрять на других предприятиях!Лицензирование и стоимость
SCADA «7Б+» поставляется, как правило, в виде отдельного («коробочного») ПО, для чего необходимо приобрести соответствующую лицензию. В состав поставляемого ПО входят требуемые программные модули,редактор и типовые драйверы контроллеров. Стоимость поставляемого ПО зависит от требуемого набора функциональных программных модулей и типовых драйверов.
Возможна разработка силами специалистов УЭХК частных драйверов контроллеров АСУ ТП, а также разработка АСУ ТП в целом.
Стоимость этих работ рассчитывается индивидуально, для уточнения необходимо направить официальный запрос на УЭХК.
Обучение и техническая поддержка
Инженеры УЭХК готовы обучить специалистов по работе и конфигурированию АСУ ТП на базе SCADA «7Б+» на базе отраслевого центра компетенций «Промышленная автоматика» в Новоуральске. По запросу возможно проведение ознакомительного вебинара по SCADA «7Б+».Всегда доступен через Интернет демонстрационный стенд SCADA «7Б+» (параметры доступа – по отдельному запросу).
Техническую поддержку SCADA «7Б+» выполняют специалисты УЭХК с помощью службы технической поддержки (Service Desk), которая работает 24×7 (на регистрацию обращения).
Демоверсия и связь
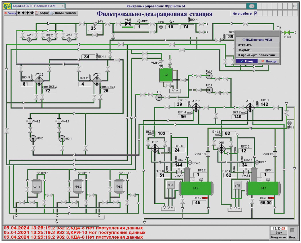
Для более детального ознакомления со SCADA «7Б+» в состав дистрибутива комплекса дополнительно включаются конфигурационные файлы и база данных демоверсии АСУ ТП, разработанной на основе SCADA «7Б+» АСУ ТП ФДС.На рис. 1 представлен вид мнемосхемы демонстрационной АСУ ТП ФДС с раскрытым окном управления клапаном, на рис. 2 представлен вид редактора базы данных описания демонстрационной АСУ ТП ФДС.


Полнофункциональную демоверсию можно скачать сайте www.ueip.ru.
В демоверсии обмен данными с низовыми типовыми контроллерами заменён на аналогичный обмен данными с программными эмуляторами контроллеров.
Также на сайте можно ознакомиться с документацией на SCADA «7Б+». ●
Получить дополнительную информацию и задать вопросы можно по телефонам и e-mail:
+7 (34370) 5-70-42 или +7 (982) 719-38-92;
AMRodionov@rosatom.ru Родионов Александр Михайлович, начальник лаборатории АТП;
+7 (34370) 5-41-54 или +7 (919) 368-46-01;
RoIKuznetsov@rosatom.ru Кузнецов Роман Игоревич, руководитель направления внедрения АСУ ТП.
© СТА-ПРЕСС, 2024
Если вам понравился материал, кликните значок — вы поможете нам узнать, каким статьям и новостям следует отдавать предпочтение. Если вы хотите обсудить материал —не стесняйтесь оставлять свои комментарии : возможно, они будут полезны другим нашим читателям!

