Применение стандарта Ethernet в промышленных сетях передачи данных становится всё более массовым и постепенно теснит популярные решения на основе полевых шин, таких как PROFIBUS. Этот процесс подстёгивают параллельное развитие беспроводных сетей WiFi и тенденция AlloverIP, согласно которой, кроме передачи сетевых данных, обеспечивается также видео и голосовая связь. Практика установки множества конечных устройств (IPкамеры, IPтелефоны, точки доступа WiFi и т.д.) сопряжена с подводкой как сигнального, так и питающего кабеля к местам их монтажа. Для сокращения затрат на сами кабели и их прокладку в 2003 году был разработан стандарт IEEE 802.3af, позволяющий подавать питание по сигнальному кабелю (витая пара). Этот стандарт, более известный как "Power over Ethernet" (сокращённо PoE), является надстройкой для семейства протоколов IEEE 802.3 Ethernet и определяет оборудование, позволяющее питать и питаться по сигнальному кабелю, а также порядок его взаимодействия. Стандарт уже активно применяется в офисной среде, и лишь недавно он начал поддерживаться в Ethernetоборудовании промышленного класса.
Наиболее широкий спектр устройств с поддержкой PoE сейчас представлен у немецкого производителя промышленного сетевого оборудования компании Hirschmann — одного из признанных мировых лидеров в данной отрасли. В 2008 году появились многопортовые стоечные и защищённые (степень защиты IP67) модели с поддержкой питания по Ethernet. С начала 2009 года их номенклатура начала активно пополняться компактными моделями, монтируемыми на DINрейку.
Далее будут рассмотрены базовые принципы стандарта PoE и оборудование с его поддержкой.
Базовые принципы стандарта PoE
Смысл технологии PoE, согласно стандарту IEEE 802.3af, заключается в возможности питания конечного устройства непосредственно по Ethernetкабелю (витая пара) категории 5/5е. При этом источник, как правило, коммутатор, питается не от стандартного блока питания 24 В, а от специального с напряжением +48 В. За счёт увеличенного напряжения при отдаваемом токе в 350 мА достигается максимальная мощность 15,4 Вт.
Преимуществ у такого решения множество:
-
один провод для подключения конечного устройства — экономия трудозатрат на прокладку и монтаж кабеля, а также за счёт стоимости самого кабеля питания;
-
повышение надёжности — сбой в питающей сети может быть нивелирован источником бесперебойного питания (UPS), обслуживающим стойку или шкаф с PoEкоммутаторами;
-
упрощение администрирования сети — PoE совместимое оборудование (коммутаторы) обычно представлено управляемыми устройствами, поддерживающими протокол SNMP, что позволяет удалённо контролировать параметры питания PoEустройств и при необходимости перезагружать их путём сброса питания;
-
независимость от электрических сетей, в том числе от графика работы обслуживающего персонала, занимающегося их прокладкой и монтажом;
-
простое перемещение PoE совместимых конечных устройств, повышение мобильности сети (особенно актуально для точек доступа WiFi), повышение гибкости сети в плане расширения;
-
повышение безопасности за счёт сокращения точек подключения сети переменного тока и уменьшения количества цепей, находящихся под соответствующим этой сети напряжением.
Есть также некоторые ограничения, актуальные в промышленных сетях. Вопервых, конечное устройство должно поддерживать стандарт IEEE 802.3af, жёстко лимитирующий его потребляемую мощность. Также надо учитывать, что может использоваться только витая пара, длина которой не превышает 100 метров. Этот медный кабель восприимчив к ЭМИпомехам, что также традиционно ограничивает его применение в промышленных условиях. И последнее существенное условие: поддерживается только соединение точкаточка, что не позволяет использовать какиелибо промежуточные коммутаторы, повторители и прочие устройства.
Питание может передаваться как по кабелю с двумя парами медных жил, так и по 8жильному кабелю. Стандарт IEEE 802.3af различает два типа устройств: PSE (Power Sourcing Equipment) — устройство/оборудование, фактически выполняющее функции источника питания (как правило, коммутатор Ethernet); PD (Powered Device) — устройство, питаемое по витой паре. Устройство второго типа определяется сетью автоматически. Специальная процедура инициализации с помощью подачи малых напряжений помогает предотвратить повреждение несовместимых с IEEE 802.3af устройств. Процедура инициализации устройства, показанная на рис. 1, направлена на определение величины сопротивления приёмника, которая должна быть около 25 кОм.

Для определения величины сопротивления проводится двойное измерение тока с двумя разными уровнями напряжения. После идентификации устройства как PoE совместимого оно классифицируется, исходя из потребляемой мощности (табл. 1).

Стоит учесть также падение напряжения в кабеле (с 44 до 37 В) и сопротивление кабеля, составляющее здесь 20 Ом. Таким образом, порядка 2,45 Вт теряется при передаче, и до приёмника может дойти максимально 12,95 Вт мощности.
Стандарт IEEE 802.3af также предусматривает автоматическое отключение питающего напряжения, если сопротивление приёмника или отдаваемый ток резко изменятся.
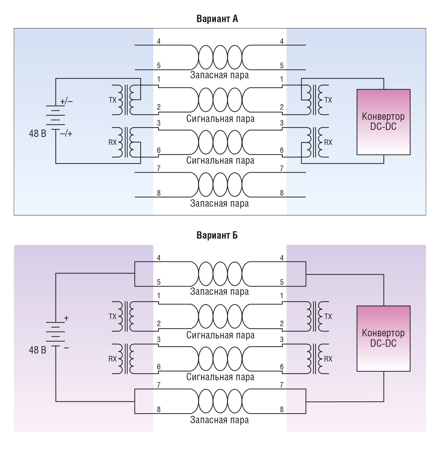
Технология передачи энергии по витой паре
Кабель Ethernet категории 5 (САТ5) имеет четыре пары медных жил, но лишь две пары задействованы при передаче сигнала на скорости до 100 Мбит/с, а остальные две зарезервированы для Gigabit Ethernet. Спецификация PoE предполагает два возможных способа передачи питания по ним.
-
Передача по сигнальным парам (рис. 2, вариант А).

Данный способ возможен благодаря трансформаторному подключению спаренных жил в источнике и приёмнике. Источник постоянного тока и потребитель подключаются к средним точкам обмоток сигнальных трансформаторов. Используются парные жилы 1, 2 и 3, 6. -
Передача по зарезервированным парам. Способ показан на рис. 2 (вариант Б). Жилы 4, 5 и 7, 8 соединяются попарно и используются для подключения положительного и отрицательного полюсов источника питания соответственно. Полярность источника также может быть противоположной.
Как можно заметить, спецификация IEEE 802.3af позволяет использовать только одну из двух пар для подачи питания. При этом потребитель должен автоматически распознавать, какой из вариантов (А или Б) используется.
Особенности применения стандарта «Power over Ethernet» в промышленности
Применение технологии PoE в промышленном сетевом оборудовании связано с рядом специфических вопросов, которые требуют рассмотрения.
Первый, наиболее очевидный, — это надёжность. В данном случае две традиционно различные сети (информационная и питающая) объединены в одну инфраструктуру, следовательно, сбой в питании может серьёзнее сказаться на информационной сети, чем при раздельном питании узлов. Ведь питающее устройство, в частности PoEкоммутатор, питает сразу несколько конечных устройств и является узким местом. Поэтому внимание при выборе оборудования следует уделять не только самому коммутатору, но и блоку питания (БП), подключённому к нему. Помимо этого для питания PoEкоммутатора, конечно, рекомендуется использовать блок бесперебойного питания (UPS). Промышленный коммутатор с технологией PoE традиционно должен выдерживать неблагоприятные условия внешней среды: перепады температуры (в том числе, работать при её отрицательных значениях), вибрации, плохую вентиляцию, влажность и даже сырость. Далее будут рассмотрены примеры оборудования для различных внешних условий.
Коммутаторы с поддержкой PoE бывают как управляемые, так и неуправляемые. По надёжности первый тип, безусловно, предпочтительнее: можно удалённо управлять питанием конечных устройств, получать информацию об ошибках, интегрировать PoEустройства в SCADAсистему.
Второй вопрос связан с питанием системы PSE (источника) + PD (конечного устройства). Большинство компактных промышленных устройств использует питание +24 В постоянного тока. Это связано с соображениями безопасности и актуально на транспорте при питании от аккумулятора. Стандарт IEEE 802.3af регламентирует диапазон 44…57 В, что требует дополнительного источника питания с выходом +48 В. Такие источники есть в номенклатуре уже упоминавшейся компании Hirschmann, они позволяют получить необходимый выходной номинал как из сети переменного тока 220 В, так и постоянного напряжения в диапазоне 18…60 В.
Третий вопрос заключается в управлении источником питания PoE, то есть коммутатором. Мониторинг параметров и удалённое управление особенно важны в промышленной среде в плане повышения отказоустойчивости, так как они позволяют максимально быстро локализовать неисправность и восстановить работоспособность сети. В этой связи в промышленных коммутаторах с поддержкой PoE развиты средства мониторинга потребляемого тока. Устанавливаются минимальные и максимальные значения потребляемого тока для каждого порта, а также приоритеты по портам. Установка минимальных значений служит для автоматического прекращения питания отключившихся устройств, этот же параметр помогает предотвратить отключение устройств, перешедших в спящий режим. Установка максимальных значений позволяет предотвратить повреждение коммутатора при коротком замыкании или подключении устройства, не значащегося в спецификации. В том и другом случае управляемое устройство может, исходя из настроек, подавать сигнал тревоги через SNMPпротокол, инициировать событие через собственный Webинтерфейс и размыкать специальное «тревожное» реле, соединённое с контроллером.
Ещё одна важная функция управляемого PoEкоммутатора — автоматическая проверка подключённых устройств с помощью прерываний. Коммутатор регулярно посылает прерывания на все питаемые устройства, и если одно из устройств не ответило, коммутатор перезагружает его путем кратковременного отключения питания.
Оборудование Industrial Ethernet с поддержкой PoE
Как было сказано в начале статьи, на сегодняшний день самый разнообразный по функциям и сферам применения модельный ряд устройств с поддержкой PoE имеет компания Hirschmann. Вопервых, это промышленные беспроводные точки доступа WiFi, питающиеся по технологии PoE; вовторых, это целый класс PoEкоммутаторов Ethernet, представители которого будут рассмотрены далее.
Одной из первых новинок на рынке промышленных коммутаторов с поддержкой стандарта IEEE 802.11af стал модульный коммутатор Hirschmann серии MICE с РоЕмодулем ММ22. Коммутаторы серии MICE существуют на рынке давно и востребованы, в первую очередь, у военных заказчиков, в энергетике и ряде других отраслей, где предъявляются исключительные требования к гибкости и надёжности решения. Дело в том, что модульная конструкция коммутатора несёт в себе множество плюсов, как то: большая свобода в подборе разных интерфейсных модулей в рамках одного коммутатора, «горячая» замена модулей, простое расширение и перестроение сети без остановки её работы. Архитектура коммутаторов MICE такова, что процессорный (логический) блок образует базовый модуль со слотами расширения, а все интерфейсы вынесены в отдельные сменные модули. Один коммутатор может иметь до 6 модулей MM22, что даёт до 24 портов RJ45 с возможностью питания конечных устройств, причём в отличие от других интерфейсных модулей каждый модуль ММ22 питается от собственного источника питания, повышая тем самым отказоустойчивость системы.

Типичный пример применения коммутатора MICE с модулями ММ22 показан на рис. 3. Коммутаторы объединены в резервированное оптическое кольцо стандарта 1000BaseFX, а к каждому из них подключено необходимое количество модулей ММ22 для питания и обслуживания IPкамер, WiFiстанций, IPтелефонов. Устройства серии MICE обладают развитыми функциями удалённого управления и диагностики 2го и 3го уровней OSI, поддерживают как уникальные, так и распространённые функции резервирования сетей. Коммутаторы MICE имеют европейские сертификаты для применения на морских объектах, транспорте, железных дорогах, электрических подстанциях.
Ещё одна самобытная серия коммутаторов с поддержкой PoE — Hirschmann OCTOPUS. Эти Ethernetкоммутаторы интересны тем, что обладают степенью защиты IP67, означающей 100процентную защиту от пыли и от влаги вплоть до возможности полного кратковременного погружения в неё. Коммутаторы OCTOPUS имеют литой корпус из прочного сплава и специальные герметичные винтовые разъёмы, благодаря чему могут устанавливаться прямо на стену или любую поверхность вне помещений. Внешний вид коммутатора OCTOPUS показан на рис. 4.

В этой серии представлены модели с 8, 16, 24 портами, до восьми из которых поддерживают питание по Ethernet. Остальные порты предназначены для медного и оптического кабеля без поддержки РоЕ. Блоки питания также имеют герметичное исполнение. OCTOPUS уже применяется на железных дорогах в Германии: коммутаторы установлены в подвижных составах междугородних поездов и обслуживают систему видеонаблюдения, информационную систему (табло), внутреннюю связь и беспроводной Internet.
В конце 2008 года была реализована поддержка РоЕ в стоечных коммутаторах серии МАСН1000. Эти модели высотой 1U были спроектированы для установки на удалённых необслуживаемых объектах, например электрических подстанциях. Коммутаторы вмещают до 28 портов Fast и Gigabit Ethenet разных типов (рис. 5), 4 из которых поддерживают IEEE 802.11af.

MACH1000 не требует отдельного БП для реализации функции питания по Ethernet и облегчает решение таких задач, как организация видеонаблюдения и экстренной голосовой связи на различных объектах, связанных с единым центром обработки информации. МАСН1000 поддерживает стандарт IEC 61850 для электрических подстанций, включающий в себя протокол GOOSE для связи с электронным оборудованием контроля и учёта электроэнергии. Кроме электромагнитных полей и наводок, коммутаторы невосприимчивы к перепадам температур от –40 до +85°C и имеют конформное покрытие платы для защиты от агрессивных летучих соединений.
Самой последней разработкой Hirschmann является расширение большой серии компактных коммутаторов OpenRail моделями с поддержкой PoE. Сама серия OpenRail появилась около двух лет назад и состоит из множества миниатюрных моделей, предназначенных для крепления на DINрейку. Преимущество этой популярной серии в том, что количество и тип портов, условия питания и условия применения коммутаторов OpenRail выбираются заказчиком в специальном конфигураторе. Заказная форма производства очень удобна в экономическом плане: она позволяет получить модель, где есть только необходимые, заранее определённые функции. Коммутаторы с поддержкой РоЕ представлены сериями RS22 и RS32 с магистральными портами стандартов Fast и Gigabit Ethernet соответственно.
Компактные коммутаторы RS22 и RS32 имеют от 4 до 25 портов, 4 из которых поддерживают PoE. Эти устройства универсальны в применении: они рассчитаны на работу при температурах от –40 до +60°C, выдерживают электромагнитные помехи и вибрации, что подтверждается европейскими сертификатами на применение в железнодорожном и колёсном транспорте, на электроподстанциях и морских объектах.
Все модели из перечисленных в статье серий являются управляемыми устройствами, позволяющими удалённо устанавливать и контролировать параметры питания подключённых по технологии PoE устройств. Коммутаторы разных серий совместимы между собой, что позволяет создавать единые информационные сети в открытых, закрытых, офисных и производственных зонах промышленных предприятий.
Дальнейшее развитие стандарта PoE
Дальнейшее развитие стандарта IEEE 802.11af диктуется производителями конечного оборудования и направлено на увеличение максимальной предоставляемой мощности. Очевидно, что далеко не все беспроводные точки доступа стандарта IEEE 802.11b/g могут потреблять менее 12,95 Вт. Кроме того, готовится к выпуску WiFiоборудование стандарта IEEE 802.11n, который предполагает бо́льшую дальность передачи и существенное увеличение пропускной способности. Оборудование этого стандарта в плане потребления не укладывается в диапазон до 15 Вт, как и различные IPкамеры высокого разрешения с функциями поворота или оптического увеличения.
Для регламентации вопросов организации питания по Ethernet более мощного оборудования во втором квартале 2008 года принят стандарт IEEE 802.11at PoEPlus, согласно которому на каждый порт отводится мощность до 29,95 Вт. Это стало возможным благодаря увеличению питающего напряжения до 50 В и тока до 720 мА. Также обсуждается возможность задействования всех восьми медных жил витой пары 5й категории, что в принципе позволит питать устройства мощностью до 60 Вт.
Очевидно также, что с распространением Ethernet технологию PoE будут поддерживать всё больше разнообразных технических средств. На очереди информационные терминалы и табло, средства автоматизации контроля доступа и безопасности, аппаратное обеспечение «умных» домов и многое другое. ●
Автор — сотрудник фирмы ПРОСОФТ
Телефон: (495) 234-0636
E-mail: info@prosoft.ru
Если вам понравился материал, кликните значок — вы поможете нам узнать, каким статьям и новостям следует отдавать предпочтение. Если вы хотите обсудить материал —не стесняйтесь оставлять свои комментарии : возможно, они будут полезны другим нашим читателям!

