Вступление
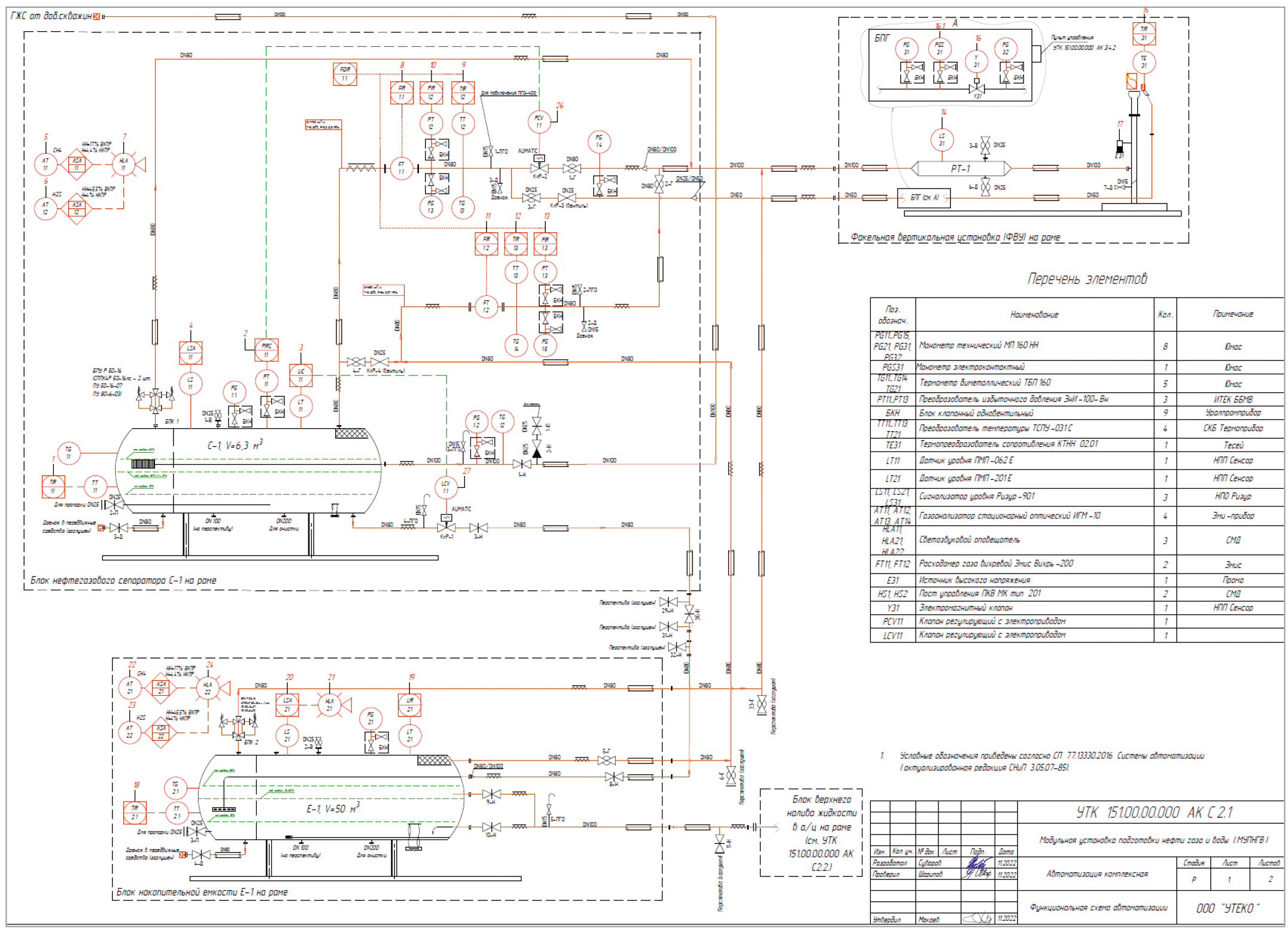
В данной статье мы предлагаем провести объективную оценку архитектурных подходов на базе открытых стандартов APL (Advanced Physical Layer) и IEC 61499 именно с этой, прагматичной точки зрения. Мы намеренно избегаем голословных утверждений о «революционной» экономии, предлагая вместо этого предметный сравнительный анализ с традиционными системами на базе IEC 61131-3, основанный на конкретных цифрах и инженерном опыте.В качестве сравнительного полигона выбран типовой объект средней сложности – блочно-модульная установка подготовки нефти (УПН) (рис. 1). Такой выбор позволяет перейти от абстрактных дискуссий о «цифровизации» к предметному сравнению капитальных (CAPEX) и операционных (OPEX) затрат. Важно подчеркнуть, что предложенная методология носит универсальный характер и применима для анализа абсолютно любых технологических процессов – от конвейерной сборки до металлургических переделов. Общий принцип остаётся неизменным: технологическая цепочка сегментируется на функционально завершённые модули с целью максимальной локализации управления и данных.

Архитектурное сравнение: от кабельных эстакад к сетевым «гирляндам»
Классическая архитектура автоматизации подобного объекта – это монолитная, кабельно-центричная система. Её сердцевину составляют протяжённые эстакады с сотнями контрольных кабелей, сходящихся в операторную, отдельные щиты управления двигателями и исполнительными механизмами, центральный контроллерный шкаф и интеграция в АСУ ТП верхнего уровня.Архитектура на основе APL меняет эту парадигму кардинально. Вместо паутины индивидуальных кабелей развёртывается единая, отказоустойчивая Ethernet-сеть. В основе её структуры полевой коммутатор с несколькими «гирляндами» – сегментами, каждый из которых обслуживает ключевой технологический модуль (насосная, ТФС, печь). Каждая такая «гирлянда» обладает заложенной расширяемостью, при условии использования соответствующего оборудования. Совместим данную гирлянду с генеральным планом нашей УПН и сравним кабельные потоки классического и APL решения (рис. 2).
Анализ капитальных затрат (CAPEX): первое тактическое преимущество
Первичные расчёты для типовой УПН демонстрируют ощутимое сокращение материальной части: экономия на кабельной продукции достигает 34%, а на оборудовании автоматизации – 15%. Рассмотрим детально структуру CAPEX:- затраты на проектирование: объём проектной документации и количество спецификаций сокращаются, однако разницей в стоимости этой статьи на первом этапе можно пренебречь;
- затраты на закуп и СМР: экономия на закупке оборудования составляет около 15%, а на общестроительных работах, связанных с прокладкой и монтажом кабелей, – те самые 35%;
- затраты на ПНР: затраты здесь сопоставимы, а в варианте с APL, учитывая работы по настройке наружных (уличных) сегментов, могут быть даже несколько выше.
Главная экономия: не CAPEX, а стоимость изменений и гибкость
Однако возникает резонный вопрос: в чём принципиальная новизна? Распределённый ввод-вывод предлагали и раньше (Siemens, Emerson). Физика интерфейсов, безусловно, ушла вперёд, но суть – локализация управления – осталась прежней.Ключевое отличие и источник стратегической, долгосрочной экономии раскрывается на этапе модернизации и расширения. Представим оптимистичный сценарий: требуется увеличить нагрузку на площадку из-за новых скважин или роста цен на конечную продукцию (как в той рекламе про «мечты сбываются»). В традиционной архитектуре, где редко закладывают избыточные кабельные трассы, расширение неминуемо ведёт к дорогостоящему «допнику», сложным работам по нарядам-допускам на действующем объекте. Фактически часто проще построить новую параллельную площадку.
В этом сценарии первоначальная экономия меркнет. Затраты на расширение умножаются на коэффициент N (где N – количество новых технологических единиц), а цикл всего проекта от ТЭО до выхода на рассчитанную мощность растягивается на 1,5–2 года – срок, за который рыночная конъюнктура может измениться кардинально.
Архитектура APL и IEC 61499 меняет правила игры. Добавление нового оборудования зачастую сводится к его подключению к ближайшему полевому коммутатору в существующей «гирлянде». Пропускная способность Ethernet и резерв портов изначально заложены как дешёвый и гибкий ресурс. Основная экономия – это радикальное снижение стоимости и сроков любых будущих изменений, что в условиях нестабильности является критическим конкурентным преимуществом.
Третья статья экономии: операционные расходы (OPEX) и человеческий капитал
Наиболее весомая, но часто упускаемая из виду статья экономии – это стоимость обслуживания (OPEX). Корпоративный Интернет сегодня доступен на большинстве даже удалённых объектов. Возможность удалённой диагностики датчика через веб-интерфейс или подключения к контроллеру из офиса для заказчика становится не роскошью, а нормой. Вместо многодневной командировки специалиста в «места, где волки бегать боятся» – сеанс удалённого подключения. В условиях вечного дефицита квалифицированных кадров это огромная экономия как финансовых, так и человеческих ресурсов. Мы можем подтвердить это практикой: ПНР нескольких площадок были успешно выполнены нашей командой без выезда из офиса. Стоимость человеко-часа в условиях офиса и на технологической площадке отличается кратно. Вопросы информационной безопасности при этом решаемы на организационном, а не на системном уровне.Вызовы и реалии внедрения: взгляд изнутри
Безусловно, у любого решения есть две стороны. У APL есть свои технические и организационные сложности: недостаточное количество вендоров, предлагающих законченные аппаратно-программные комплексы, как на мировом, так и на российском рынке.Наша команда в прошлом году проделала значительную работу для преодоления этих барьеров. Были адаптированы программные средства, разработано и произведено сетевое оборудование (коммутаторы, повторители интерфейса, медиаконвертеры). Особой гордостью является разработанный и успешно испытанный кабель Ethernet-APL с сечением жилы 1 мм², стабильно работающий на длине до 1200 метров. Его производство уже налажено на территории РФ (рис. 3). Если хотите исключить «оптику» на ваших объектах (от систем видеонаблюдения до телефонии), заменив их системами, монтируемыми одной отвёрткой – звоните.

В ближайших планах – решение задачи резервирования APL-сегментов.
Заключение: APL как стратегический ответ на вызовы времени
В период «планового охлаждения» предприятия, нацеленные на выживание и развитие, вынуждены искать не просто источники сокращения затрат, а стратегические решения, повышающие гибкость и устойчивость.Балансировать между необходимостью технологической независимости (избегая «халтурной русификации» случайных вендоров) и жёстким давлением на OPEX – сложная задача. Архитектура на основе APL и IEC 61499 предлагает именно такой стратегический ответ. Это не просто замена «железа» или протокола. Это смена парадигмы – переход от жёсткой, кабельно-центричной системы к гибкой, сетевой и программно-определяемой экосистеме. Она обеспечивает:
- ощутимую экономию CAPEX за счёт радикального сокращения кабельной инфраструктуры;
- стратегическую экономию на изменениях, снижая стоимость и сроки модернизации в разы;
- значительное снижение OPEX через удалённое обслуживание и диагностику;
- фундамент для технологической независимости, основанный на открытых стандартах и возможности интеграции оборудования различных производителей.
© СТА-ПРЕСС, 2026
Если вам понравился материал, кликните значок — вы поможете нам узнать, каким статьям и новостям следует отдавать предпочтение. Если вы хотите обсудить материал —не стесняйтесь оставлять свои комментарии : возможно, они будут полезны другим нашим читателям!

