Измерения и их значение в современных технологиях производства
Современные производственные процессы используют широкий спектр методов измерений, каждый из которых решает конкретные задачи и обеспечивает бесперебойную работу оборудования. Все виды измерений можно условно разделить на две большие группы: физические и химико-аналитические.Физические измерения включают оценку таких показателей, как давление, температура, скорость потока жидкости или газа, сила, вибрация, масса и плотность. Эти измерения играют важную роль в обеспечении эффективного функционирования оборудования и поддержании стабильных режимов работы производств.
Например, точное измерение давления внутри трубопроводов помогает предотвратить аварии, вызванные превышением предельных значений. Регистрация колебаний температуры позволяет своевременно выявлять перегрев деталей и узлов машин, снижая риск выхода оборудования из строя. Измерение скорости потоков жидкостей и газов даёт возможность поддерживать оптимальный режим подачи сырья и обеспечивать эффективное использование ресурсов.
Химико-аналитические измерения направлены на определение состава продуктов и реагентов, участвующих в производстве. Сюда относятся измерения уровня кислотности (pH), электропроводности растворов, содержания конкретных компонентов в смеси и многое другое.
Как пример, оценка концентрации примесей в воде или топливе, отслеживание изменения кислотности растворов в химической промышленности, проверка чистоты воздуха в рабочих помещениях. Без точной регистрации этих параметров сложно гарантировать соблюдение экологических норм и стандартов качества выпускаемых товаров. В свою очередь, разнообразие областей применения промышленных измерений подчёркивает их важность не только для безопасности и надёжности производственных процессов, но и для современной экономики. Можно выделить наиболее распространённые направления.
- Измерения для индикации – служат исключительно для визуализации текущего состояния процесса. Хотя они редко влияют на управление оборудованием напрямую, они позволяют специалистам получать наглядную картину происходящего и оперативно предпринимать необходимые действия.
- Управляющие измерения – применяются для автоматического регулирования основных параметров технологического процесса. Их цель – обеспечение оптимальной производительности, безопасности и соблюдения нормативных требований. Они интегрируются в замкнутые контуры управления, гарантирующие своевременную реакцию на любые отклонения (рис. 1).

- Коммерческие измерения – выполняются для точного учёта материальных ценностей и финансовых расчётов между предприятиями. Они фиксируются с высокой точностью и устойчивостью, поскольку оказывают непосредственное влияние на экономику компаний. Для таких измерений устанавливаются строгие правила калибровки и проверки соответствия стандартам.
- Измерения параметров окружающей среды – современные законодательства требуют постоянного мониторинга выбросов вредных веществ и отходов, образующихся в результате производственной деятельности. Специальные измерительные комплексы регистрируют концентрацию загрязняющих веществ в воздухе, почве и водоёмах, позволяя предприятиям соблюдать государственные стандарты экологической безопасности.
- Измерения для обеспечения безопасности – это отдельная категория измерений, предназначенных специально для защиты персонала и оборудования от аварийных ситуаций. Система аварийного отключения мгновенно реагирует на возникновение опасной обстановки, останавливая производство и защищая сотрудников от риска травмирования или гибели.

Под термином «поле» понимается зона размещения основного технологического оборудования, осуществляющего изготовление продукции или реализацию технологического процесса. Обычно эта область характеризуется жёсткими условиями эксплуатации: экстремальные температуры, влажность, воздействие агрессивных сред, механические нагрузки и сильные электромагнитные помехи. Именно в полевых условиях располагаются датчики и первичные преобразователи, принимающие на себя основной удар неблагоприятных воздействий внешней среды. Поскольку точные показания зависят от исправности аппаратуры, находящейся в поле, особое внимание уделяется защите приборов от негативных влияний. Электрооборудование, используемое в поле, должно выдерживать резкие колебания напряжения, удары молний, вибрацию, высокие уровни шума и воздействия загрязнений, включая пыль, влагу и химические вещества. От устойчивости техники в полевых условиях зависит надёжность всей системы управления процессом. «Управляющая система» располагается чаще всего в специальных помещениях («центральный пульт, операторская»). Здесь сосредоточены компьютеры, панели управления и серверы, обрабатывающие поступающие данные и выдающие команды исполнительным механизмам. Отличительными чертами помещений управляющей системы являются контролируемые климатические условия, низкая влажность, отсутствие сильных электромагнитных излучений и пыли.
Несмотря на относительную комфортность условий, в подобных помещениях всё равно имеются риски ухудшения качества сигнала. Связано это с наличием множества компьютеров, силовых трансформаторов и других источников помех.
Передача сигналов от полевых устройств к центру управления осуществляется посредством «специальной проводки», предназначенной для эффективной транспортировки информации. Проводка должна обладать высокой степенью экранирования и стойкостью к внешним воздействиям. Зачастую используется специальная конструкция кабеля с защитным покрытием, дополнительно изолирующая сигнал от влияния внешних факторов. Стоимость прокладки проводки может составлять значительную долю расходов на создание и обслуживание системы управления предприятием. Особенно велики затраты на прокладку кабелей в зонах с высоким риском возгорания или взрыва, где приходится применять специальные методы защиты.
Учитывая огромную значимость систем измерения и управления в современном производстве, высокую сложность их разработки и внедрения, а также влияние множества факторов на надёжность функционирования, стабильное и своевременное получение точных сигналов приобретает решающее значение. Поэтому нормирующие преобразователи и изоляторы сигналов превращаются в важнейшие элементы данных систем. Качественное преобразование сигнала заключается не только в сохранении точности исходных измерений, минимизации потери данных и искажении сигналов, возникающих вследствие воздействия электромагнитных полей, температурных колебаний, влаги, коррозии и т.д., но и включать такие функции, как усиление слабых сигналов, фильтрация шумов, коррекция ошибок и передача данных на центральные узлы обработки информации. Правильное выполнение этих операций гарантирует высокую точность полученных данных, что позволяет быстро реагировать на отклонения, повышая общую производительность, обеспечивая стабильность и безопасность производства.
Обработка сигналов: датчик или преобразователь
Термины «датчик» и «преобразователь» часто воспринимаются как синонимы, однако между ними существуют важные различия. Датчик – это устройство, которое преобразует физическое явление (например, температуру, давление или свет) в электрическое или механическое представление, пригодное для дальнейшего анализа или управления системой. Сигнал, генерируемый датчиком, может представлять собой простое напряжение, ток или даже механические изменения (например, смещение стрелки манометра). Преобразователь, напротив, добавляет дополнительный уровень функциональности, обрабатывая исходный сигнал датчика. Такая обработка включает усиление слабых сигналов, фильтрацию шумов, изоляцию электрических цепей или цифровое кодирование аналоговых значений. Ключевое отличие состоит в том, что преобразователь обрабатывает сигнал именно там, где он формируется, обеспечивая передачу качественного сигнала высокого уровня в основную систему контроля или мониторинга. Идеально было бы разместить устройство обработки прямо рядом с каждым датчиком, передавая высокостабильный сигнал в центральную систему. Такое решение уменьшает влияние электромагнитных помех и улучшает качество передачи данных. Тем не менее экономическая целесообразность ограничивает реализацию подобного подхода повсеместно, ведь размещение множества специализированных устройств требует значительных затрат. Следовательно, выбор оптимального решения предполагает баланс между качеством сигнала и общей стоимостью проекта. Реальные датчики редко обеспечивают идеально линейную зависимость между физическим воздействием и выходом сигнала (рис. 3). Типичный пример – большинство термопар показывают нелинейную характеристику: одно и то же изменение температуры вызывает разные изменения напряжения в разных частях рабочего диапазона. Для компенсации такой нелинейности применяются специальные методы линеаризации. Вместо сложной программы расчёта некоторые устройства, такие как серия модулей SCM5B, оснащены встроенными средствами аппаратной линеаризации. Эти средства реализуют кусочно-линейный метод: задают несколько контрольных точек («точек излома») на графике нелинейности, путём равномерного распределения положительных и отрицательных отклонений достигается минимальная суммарная ошибка соответствия, известная как «error match», в свою очередь выравнивая общую характеристику до линейной формы.
Модуль оснащён несколькими сегментами для линеаризации, каждый из которых характеризуется точкой начала и конца. Чем больше количество таких сегментов, тем точнее приближается итоговая характеристика к идеальной линейной форме. Стандартные модули предлагают до девяти точек излома, обеспечивая точность линеаризации примерно в диапазоне ±0,015%. График нормальной нелинейности датчика и результата аппаратной линеаризации наглядно отображены на рис. 4, показывающем упрощённую версию процесса с тремя точками излома. Важно отметить, что увеличение числа таких точек ведёт к улучшению качества коррекции и снижению суммарной ошибки. Эффективность аппаратной линеаризации базируется на определении минимальной и максимальной границ входящего сигнала. Пока входящий сигнал находится в пределах указанных ограничений, выход модуля будет отражать точно линейное соотношение. Когда же величина сигнала выходит за рамки установленного диапазона, работа модуля нарушается, и выходной сигнал перестаёт соответствовать ожидаемой точной линейной картине. Это положение дополнительно подчёркнуто на иллюстрациях. Однако важно помнить, что использование вне пределов указанного диапазона входа приведёт к нарушению точности и увеличению ошибок преобразования. Если специфика системы требует специфического входного диапазона, лучше, конечно же, использовать соответствующий модуль. Таким образом, сочетание качественных датчиков и эффективных методов линеаризации позволяет значительно повысить точность измерений и надёжность автоматизированных систем.
Существует несколько способов классификации датчиков. Одним из наиболее важных критериев является разделение датчиков на две группы в зависимости от того, вырабатывают они выходной сигнал самостоятельно или нуждаются во внешнем источнике энергии для формирования полезного сигнала.

Самовозбуждающиеся датчики: способны выдавать собственное выходное напряжение или ток без дополнительного внешнего воздействия. Примером служат фотодиоды и пьезодатчики.
Датчики с внешним возбуждением: требуют подачи внешнего напряжения или тока для генерации сигнала. Сюда относятся ёмкостные, индуктивные и резистивные датчики.
Различия между этими группами могут показаться небольшими, однако большинство современных датчиков нуждается именно во внешнем возбуждении, причём качество подаваемого питания непосредственно влияет на точность и стабильность выходных сигналов.
Ещё одним важным критерием разделения датчиков является основной физический параметр, который они измеряют. Большинство датчиков предназначены для конкретных измерений, таких как температура, влажность или давление, хотя существуют и многофункциональные устройства. Простейший пример – тензорезистор, представляющий собой обычный переменный резистор, который может применяться для оценки напряжённости, деформаций, весовых нагрузок, давления и даже ускорений. Однако среди промышленного оборудования наибольшей популярностью пользуется измерение температуры. Именно температурные сенсоры занимают лидирующее положение благодаря своей важности в различных технологических процессах.
Сигналы термодатчиков
Температура – ключевой показатель, определяющий условия эксплуатации многих производственных процессов. Сегодня существует три основных типа датчиков температуры, широко применяемых в промышленности:- термопары;
- терморезисторы (RTD);
- термисторы.
Термопара представляет собой простой, недорогой и надёжный датчик, способный охватывать широкий диапазон температур. Основным преимуществом термопар является способность генерировать собственный электрический сигнал, не нуждаясь во внешнем питании. Благодаря этому они стали самыми популярными устройствами для мониторинга температуры в промышленности.
Принцип работы термопар основан на двух физических явлениях:
- эффект Томсона (возникающее напряжение при неравномерном распределении тепла вдоль металлической проволоки);
- эффект Пельтье (разность потенциалов при контакте двух разных металлов).

Однако термопары обладают несколькими существенными ограничениями:
- замена одной термопары на другую того же типа может вызвать небольшие изменения выходного напряжения, что требует перенастройки или повторной калибровки сигнального преобразователя для сохранения высокой точности;
- окружающая среда может негативно влиять на характеристики датчика, вызывая загрязнение контактов и ухудшение качества сигнала.
Необходимо подчеркнуть важный аспект функционирования термопар: они фиксируют именно разность температур между двумя своими концами (спаями). Нас интересует значение температуры непосредственно на измерительном конце, тогда как второй конец (называемый опорным спаем) удерживается при определённой эталонной температуре (чаще всего это 0°С), либо данная ситуация воспроизводится искусственно с использованием электронных схем. Физически поддерживать постоянную температуру опорного спая крайне сложно и неудобно в производственных условиях, поэтому применяется иной подход: провода термопары подводятся к специальному устройству – усилителю, подключаются к специальной клеммной коробке, называемой изоблоком (или изотермическим соединением). Благодаря хорошей теплопроводности материала термопары обеспечивается равномерность температуры контактов. Современные модули серии SCM5B применяют метод измерения падения напряжения на кремниевом диоде для точного воспроизведения условий поддержания опорного спая при температуре ледяной ванны (0°С). Данный процесс носит название компенсации холодного спая, а соответствующая электроника именуется компенсатором холодного спая (КХС).
Несмотря на кажущуюся сложность этой технологии, реализация электронной компенсации достаточно проста и широко распространена. Представленная на рис. 5 блок-схема наглядно демонстрирует принцип действия системы КХС. Такая система обеспечивает повышение точности приборов примерно в два-три раза по сравнению с точностью самой термопары. Таким образом, современные высокоточные устройства способны давать надёжные показания температуры даже при значительных изменениях температуры окружающей среды, характерных для промышленного сектора.

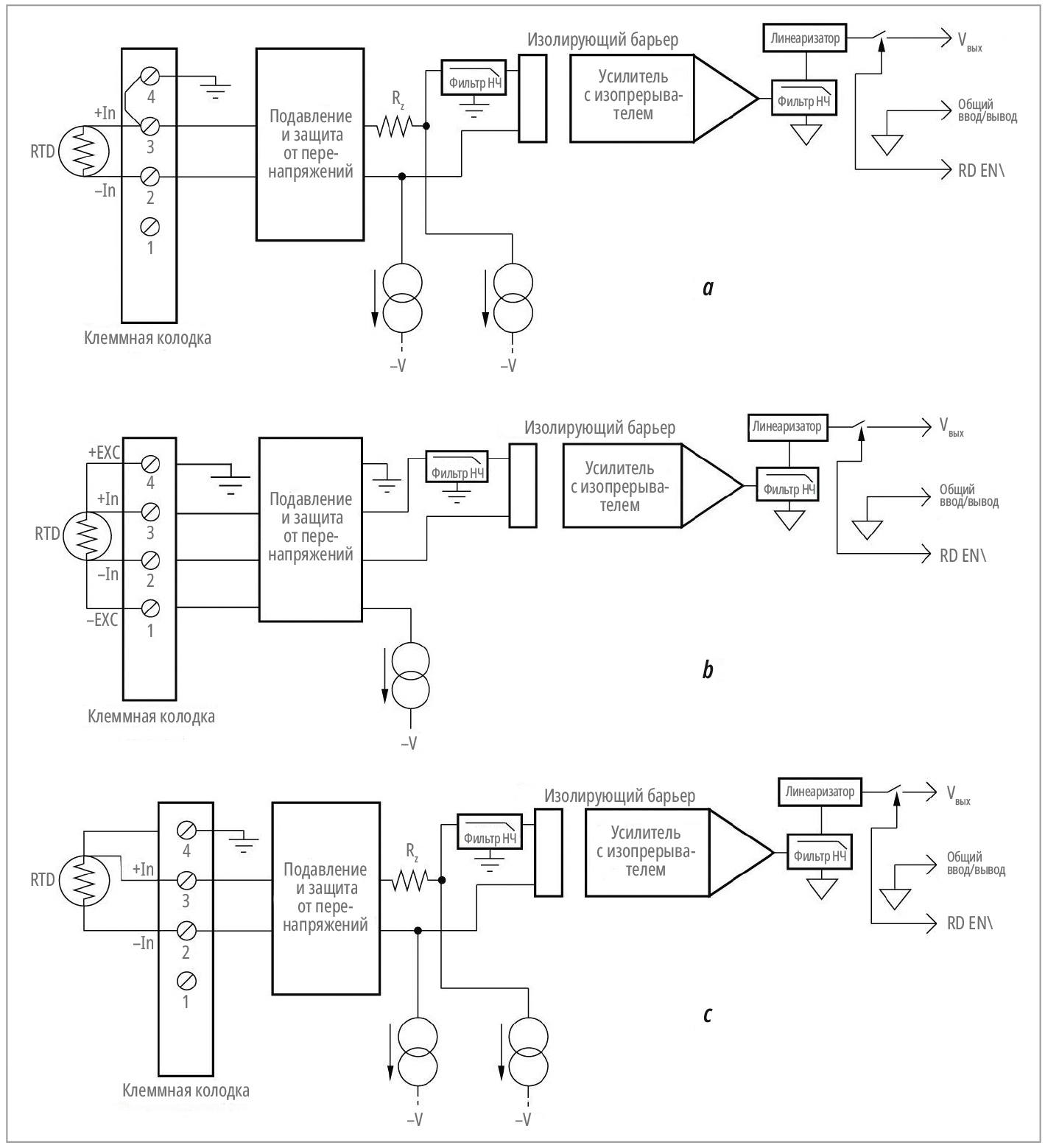
Термометры сопротивления (RTD) относятся к числу наиболее надёжных и точных устройств для измерения температуры, используемых в промышленности. RTD представляют собой прецизионные резисторы с чёткой зависимостью изменения сопротивления от температуры. Классификация RTD осуществляется по материалу изготовления и характеру изменения сопротивления с температурой (коэффициент α). Наибольшее распространение получили медные, никелевые и платиновые датчики, причём именно платиновые RTD стали стандартом де-факто для современных промышленных решений благодаря своей исключительной точности, широкому рабочему диапазону и химической устойчивости даже в жёстких эксплуатационных условиях. Наиболее популярной среди RTD является кривая PT100, демонстрирующая сопротивление 100 Ом при температуре замерзания воды. Эта кривая соответствует европейским стандартам и поддержана Международной электротехнической комиссией (IEC). Появившиеся позже PT200, PT500 и PT1000 сохраняют пропорциональность с PT100: например, датчик PT500 при одинаковой температуре покажет пятикратное увеличение сопротивления относительно PT100. Высокое номинальное сопротивление позволяет уменьшить массу чувствительного элемента и сократить расходы материалов, однако при работе с миниатюрными датчиками важно контролировать уровень тока возбуждения, поскольку чрезмерный ток вызывает саморазогрев устройства и снижает точность показаний. Для предотвращения этого эффекта модули преобразователей сигналов серии SCM5B34 и SCM5B35 оснащены током возбуждения всего 0,25 мА. Конфигурация подключения RTD зависит от конкретных требований проекта: соотношения затрат и необходимой точности. Стандартные схемы включают двух-, трёх- и четырёхпроводное соединение (рис. 6). Двухпроводная схема применяется там, где длина соединительных линий невелика, а погрешность менее критична, чем экономия средств. Из-за наличия паразитного сопротивления в проводниках возникают ошибки измерения, обусловленные изменением сопротивления проводов при изменении температуры окружающей среды.

Самый надёжный метод подключения предусматривает подачу питания на RTD двумя отдельными линиями и измерение выходного напряжения на отдельной паре высокочувствительных выводов. Данная методика представлена модулем SCM5B35/8B35 и идеально подходит для лабораторий и прочих приложений, требующих максимальной точности. Промежуточным вариантом служит трёхпроводная схема, сочетающая приемлемый баланс цены и качества измерений. Этот режим широко востребован в производственной среде, обеспечивая достаточную точность и разумную стоимость монтажа. Равномерность тока достигается использованием симметричных источников питания модуля SCM5B34 и специальной разводки проводов, позволяющей компенсировать разницу потенциалов.
Один из ключевых факторов ограничения применения RTD – незначительная нелинейность характеристики их сопротивления с ростом температуры. Например, датчик PT100 демонстрирует ошибку около 2% в диапазоне от 0 до 450°C. Тем не менее эта проблема легко решается применением специальных модулей коррекции, таких как серия SCM5B, обеспечивающих коррекцию нелинейности на уровне порядка 0,015%. Именно сочетание высоких показателей точности, стабильности и взаимозаменяемости сделало термометры сопротивления предпочтительными приборами для большинства высокоточных технологических процессов.
Термисторы представляют собой доступные и эффективные сенсоры, характеризующиеся высокими изменениями сопротивления при минимальных колебаниях температуры (около 4…6% на градус Цельсия). Так, стандартный термистор способен демонстрировать сопротивление 30 кОм при комнатной температуре (25°C), снижаясь до 2,5 кОм при нагревании до 85°C. Благодаря таким существенным изменениям сопротивления влияние длины соединительных проводов становится несущественным фактором ошибок, позволяя отказаться от сложных схем подключения, таких как трёх- и четырёхпроводные конфигурации, используемые для термометров сопротивления (RTD). Исторически термисторы отличались низкой степенью взаимозаменяемости. После калибровки прибора для конкретного термистора замена на новый элемент требовала значительной перенастройки оборудования. Даже внутри одной партии датчики могли существенно отличаться по соотношению температура/сопротивление. Современные бюджетные модели продолжают сохранять этот недостаток, тогда как ведущие производители предлагают термисторы с заметно улучшенными показателями взаимозаменяемости. Несмотря на улучшение, существуют ограничения: взаимозаменяемость гарантируется лишь в ограниченных участках полного рабочего диапазона, обычно охватывая интервал от 50°C до 100°C. Производители способны обеспечивать точность взаимозаменяемости вплоть до ±0,1°C, но лишь в определённых интервалах, таких как от 0°C до 70°C или от 120°C до 180°C. Полный рабочий диапазон термисторов находится в пределах от −100°C до +450°C, что сужает область их применения в ряде промышленных задач, одновременно делая их оптимальным выбором для точного и экономичного контроля температуры в заданных рамках.
Одной из особенностей термисторов является их ярко выраженная нелинейность. График на рис. 7, иллюстрирующий зависимость сопротивления от температуры, ясно отражает характерные особенности поведения термистора. Впрочем, термисторы могут встраиваться в специальные резисторные цепи (рис. 8), которые демонстрируют значительную линейность в рабочей области. На рис. 9 приведена диаграмма, отображающая характеристику простой резисторной цепи с термистором, обладающую достаточно линейным поведением в узком рабочем диапазоне.



Следует отметить, что сопротивление подобной схемы приближается к уровню сопротивления стандартных платиновых датчиков температуры (RTD), следовательно, для достижения максимальной точности могут понадобиться трёх- или четырёхпроводные подключения, аналогичные применяемым для RTD-датчиков.
Главное преимущество термисторов заключается в их компактных размерах, что способствует исключительно быстрому реагированию на изменения температуры – некоторые модели способны регистрировать колебания за считаные миллисекунды. Вместе с тем малая масса создаёт проблему теплового самовоздействия: протекание больших токов возбуждения может привести к локальному перегреву и ошибкам измерения. Важно учитывать рекомендации производителя касательно выбора оптимального уровня тока для конкретной модели термистора.
Сигналы датчиков перемещения
Датчики перемещения находят применение в большом количестве областей. Среди них два популярных типа, основанных на принципе изменения сопротивления: реохорд и тензодатчик. Ещё одним распространённым устройством является акселерометр, предназначенный для регистрации быстрых изменений положения. Мы рассмотрим данные типы датчиков преимущественно с точки зрения интерфейсных решений и методик обработки сигналов, оставляя детальное обсуждение конкретных измерений за рамками нашего обзора.Для отслеживания перемещений широко применяют вращающиеся либо линейные переменные резисторы. Перемещения могут включать небольшие деформации мембран, ход поршня гидросистемы или угол поворота оси вращения. Подключив постоянный источник напряжения (5…10 В DC) и используя потенциометр, мы получаем выходное напряжение, соответствующее части подаваемого напряжения. Такой способ измерения называют реохордовым методом. Обычно подобные системы выдают сигналы в диапазоне 0…5 В или 0…10 В постоянного тока. Когда исследуемое перемещение характеризуется нелинейностью, пропорция между смещением и сопротивлением должна быть скорректирована для формирования линейного выхода. Постоянный ток позволяет удобно настраивать шкалу измерения. Допустим, имеется линейный потенциометр длиной от 1 до 20 дюймов с фиксированным сопротивлением, скажем, 1 кОм на дюйм. Применяя ток возбуждения 0,25 мА, мы можем получать точные замеры расстояния от 1 до 20 дюймов, сохраняя постоянную чувствительность 0,25 В постоянного тока на каждый дюйм, вне зависимости от общей длины потенциометра. Решения на основе реохордов привлекательны своей простотой и невысокой стоимостью. Но имеются и недостатки: механические контакты вносят помехи, а также подвержены износу резистивных дорожек. Маленькие отклонения перемещения приводят к нестабильной работе контактов. Примером такого недостатка служат датчики давления с реохордовыми элементами, ресурс которых определяется числом рабочих циклов. Специальные модули семейства SCM5B36, SCM7B36, 8B36, DSCA36 и DSCT36 предоставляют эффективное решение данной проблемы путём фильтрации низкочастотных шумов и поддержки режима постоянного тока. Однако физический износ устраняется только полной заменой датчика.
Тензорезистор – специализированный вариант резистивного датчика, предназначенного для регистрации механических воздействий посредством изменения своего сопротивления. В отличие от обычных реохордов, где подвижный контакт перемещается вдоль дорожки, тензорезистор меняет свою длину и площадь поперечного сечения. Согласно закону Ома сопротивление прямо пропорционально удельному сопротивлению материала и длине проводника и обратно пропорционально его площади. Растягивая или сжимая проводник, изменяем его геометрическую форму, что ведёт к увеличению или уменьшению сопротивления.
Например, при растяжении проволочного тензорезистора его длина возрастает, а диаметр уменьшается, оба фактора усиливают рост сопротивления. При сокращении длины обратная ситуация приведёт к падению сопротивления. Данный эффект позволяет точно определять степень растяжения или сжатия объекта, к которому крепится тензорезистор. Такие элементы активно применяются для мониторинга нагрузок на строительные конструкции, крыло самолёта, космическую технику, а также регистрируют давление, силу, вес и ускорение. Широко распространены мостовые схемы для считывания малых изменений сопротивления тензорезисторов. Поскольку изменение сопротивления тензорезистора сравнительно незначительно, для повышения точности используется мостовая схема. Классическим примером является четвертьмостовая схема (рис. 15), где тензорезистор включён в одно плечо моста Уитстона. Изначально мост настроен на равновесие (нулевое выходное напряжение), но при воздействии механической нагрузки сопротивление тензорезистора меняется, вызывая дисбаланс моста. Выходной сигнал, измеренный чувствительным вольтметром, коррелирует с силой или давлением, приложенными к устройству. Чем больше активных плеч моста задействовано, тем выше точность и амплитуда выходного сигнала. Поэтому чаще используются полумостовые и полномостовые схемы, позволяющие добиться лучшей линейности и чувствительности (рис. 10).

Тензорезисторы представлены несколькими технологиями исполнения.
- Проволочные. Исторически первые тензорезисторы, редко встречаемые сегодня ввиду устаревших технологий.
- Наклеиваемые. Металлоплёночные элементы, закрепляемые на основании специальным клеем. Обладают хорошими характеристиками, но склонны к появлению дрейфа («ползучесть») вследствие несовершенства адгезии. Требуют повышенного напряжения питания (до 10 В постоянного тока).
- Кремниевые. Монолитные структуры, объединяющие силовой элемент и резистивный слой. Отличаются высоким выходом мощности, малым энергопотреблением и хорошей линейностью. Главный минус – сильная температурная зависимость и необходимость защиты от агрессивных сред.
- Осаждённые плёночные. Композитные элементы, формируемые методом вакуумного напыления металла на поверхность основания. Подобная технология совмещает преимущества обоих подходов: устойчивость к температурам и линейность характеристик, аналогичную кремнию, при меньшей цене.
Акселерометры подразделяются на две ключевые категории. Первая группа основана на применении тензорезистивной технологии. Здесь небольшая масса присоединяется к упругому элементу, создающему усилие, пропорциональное воздействию ускорения. Далее тензорезистор преобразует данное воздействие в электрический сигнал. Сигнал обрабатывается аналогичным образом, как и при измерении давления или усилий. Датчики подобного типа могут регистрировать минимальные значения скоростей изменения ускорения, однако их рабочая частота зачастую ограничена пределами до 25 кГц.
Вторая категория акселерометров построена на основе сильного пьезоэффекта, проявляющегося в определённых видах кристаллов и керамических материалов. При деформации такие материалы генерируют электрические заряды, пропорциональные силе, создаваемой массой, подвергшейся ускорению. Поскольку сами материалы характеризуются низким уровнем электропроводимости, электрически они действуют подобно последовательному включению конденсатора, пропускающего ничтожные или вовсе отсутствующие токи без снижения точности измерений. Наличие длинных кабелей может негативно сказываться на параметрах этих устройств, увеличивая общую ёмкость тракта передачи сигнала. По этой причине пьезоакселерометры оснащаются встроенными предусилителями непосредственно рядом с местом расположения самого датчика. Данные усилители предназначены для согласовывания высокого внутреннего импеданса датчика с нагрузкой внешнего оборудования, обеспечивая надёжную передачу сигнала на длинные дистанции.
Представленный на рис. 11 усилитель заряда может применяться для мониторинга вибраций подшипников и сейсмостойкости сооружений. Пьезоакселерометры достигают чрезвычайно высоких частот измерений (100…300 кГц), однако их показатели на низких частотах обычно оставляют желать лучшего. Всегда обращайте внимание на спецификацию изделия перед покупкой, так как технологии непрерывно развиваются и улучшаются.

Измерительные контуры: конфигурации и подключение
Датчики интегрируются в комплексы для преобразования сигналов, подсистем сбора данных и управляющих устройств, образуя систему, известную в профессиональной сфере как измерительный контур. Классификация контуров производится исходя из характера проводимых измерений, назначения системы или формата электрического сигнала, связывающего датчик с остальными компонентами комплекса. Исключением являются цифровые системы, такие как Fieldbus, остальные контуры используют сигналы напряжения, тока или частоты. Чаще всего предпочтение отдаётся напряжению или току. Потребляемая мощность играет ключевую роль при выборе топологии контура. Газовый хроматограф, применяемый для химического анализа, требует большего количества энергии, чем стандартные контуры с сигналом 4…20 мА, и обычно подключается по четырёхпроводной схеме с питанием от электросети. Напротив, автономные датчики или приборы с минимальным энергопотреблением прекрасно работают с двухпроводной схемой, позволяющей экономить на прокладке кабелей и поддерживать взрывобезопасность, что выгодно с финансовой точки зрения.Измерительные контуры реализуются тремя способами: двухпроводные, трёхпроводные и четырёхпроводные. Отдельные датчики могут функционировать самостоятельно или интегрироваться напрямую в систему сбора данных без дополнительного преобразования сигнала. Примером первой группы выступают термопары, а второй – потенциометры, управляемые датчиками давления. Большинство измерительных контуров нуждается в предварительном возбуждении и обработке сигнала. Выбор подходящей конфигурации зависит от специфики задачи и финансовых ограничений.
Четырёхпроводные контуры отличаются наибольшей универсальностью, так как питание и возврат сигнала организованы раздельно, что снимает ограничения по потребляемой мощности и устраняет возможные ошибки, вызванные замыканиями на землю. Именно поэтому данная конфигурация является приоритетной для большинства приложений. Основной недостаток – повышение издержек на монтаж, усложнённость реализации искробезопасных решений и дополнительные расходы на кабельную инфраструктуру. Тем не менее в отдельных случаях, например при работе с энергоёмкими датчиками и системами анализа, четырёхпроводная система остаётся единственным возможным вариантом.
Трёхпроводные контуры занимают промежуточное положение между четырьмя и двумя проводами, предлагая некоторую свободу выбора, характерную для четырёхпроводных цепей, при одновременном снижении расходов на монтаж за счёт сокращения числа проводов. Основным недостатком данной конфигурации является совмещение земляного и сигнального проводников, что влечёт за собой риск возникновения значительных потерь напряжения (IRDROP) на общем заземляющем проводе при высоком токе потребления или увеличенной длине линии. Этот фактор отрицательно сказывается на точности передачи сигнала в режиме напряжения. Проблему удаётся обойти при работе в режиме токового или частотного сигнала (рис. 12).

При упоминании двухпроводных контуров многие сразу вспоминают схему с сигналом 4…20 мА, однако сюда входят и другие типы измерений, такие как работа с термопарами, датчиками рН и окислительно-восстановительного потенциала (ОВП). Эти устройства вырабатывают собственные сигналы, обычно имеющие небольшой размах (от 0 до 500 мВ), и сильно зависят от влияния электромагнитных помех. Дополнительно их функционирование ограничено факторами, связанными с сопротивлением изоляции и параметрами входных каскадов усилителей. Двухпроводная конфигурация с токовым сигналом решает многие из перечисленных проблем. Локальная обработка сигнала позволяет минимизировать негативное воздействие посторонних помех, сделав её стандартом для большинства жизненно важных измерений в автоматизированных системах управления производством. Экономичность обусловлена снижением расходов на проводку и лёгким внедрением методов взрывозащиты. Ограниченность подхода связана с необходимостью соблюдения строгих лимитов по энергоснабжению.
Передатчик обязан выполнять все операции в рамках ограниченного ресурса питания. Источник возбуждения, усиление и преобразование сигнала обязаны укладываться в рамки 4 мА тока и 12–36 В напряжения. Получатель сигнала обычно вынужден сначала преобразовывать ток в напряжение и сдвигать уровень сигнала в нулевую точку, чтобы полноценно задействовать весь диапазон аналого-цифровых преобразований. Неправильно спроектированная схема способна вносить дополнительные ошибки как в нулевой отметке, так и в диапазоне измерений.
Контуры напряжения передают системе сбора данных величину напряжения, пропорциональную измеряемым физическим параметрам. Факторы, определяющие качество сигнала, включают природу источника напряжения, внутренний импеданс, длину линии и характеристики приёмного оборудования. Принцип построения такой цепи представлен на рис. 13, где изображены важные моменты, подлежащие учёту при проектировании контура напряжения. Схема универсальна и применима ко всем видам контуров (двух-, трёх- и четырёхпроводным).

Источником напряжения может выступать как самостоятельный генератор сигнала (термопара), так и внешний усилитель-кондиционер. Любой источник напряжения обладает внутренним сопротивлением, подключённым последовательно с самим сигналом. Провода линии также вносят своё сопротивление, а приёмник воспринимает сигнал как нагрузку. Совместно эти элементы формируют делитель напряжения, влияющий на точность измерения. По этой причине импеданс приёмника стараются сделать максимальным. Для сигналов от термопар, терморезисторов (RTD) или тензодатчиков (примерно 10…300 мВ) рекомендуемый импеданс достигает 100 МОм. Для измерения значений рН, ОВП, акселерометров или фотодиодов импеданс должен превышать 200 МОм. Значительное влияние оказывают влажность воздуха и целостность изоляции кабеля, из-за чего целесообразно размещать средства обработки сигнала вблизи места измерения.
Высокий импеданс повышает восприимчивость контуров напряжения к внешним электромагнитным помехам и межземельным потенциалам. Электромагнитные поля создаются близко расположенными энергетическими установками или импульсными источниками питания. Повышение уровня подавления синфазных сигналов и правильное экранирование кабельных трасс помогают справиться с этими проблемами. Трансформаторная гальваническая развязка считается наилучшим способом преодоления последствий разности потенциалов земли.
Главным достоинством контуров напряжения является возможность их простого объединения в единые мультиплексируемые системы. Одно дорогостоящее устройство обработки сигнала способно обслуживать несколько контуров, снижая совокупные расходы на единицу измерения. В большинстве случаев подобные контуры не требуют отдельного смещения нуля и точного подбора резисторов для преобразования тока в напряжение.
Петли с передачей тока известны своей повышенной устойчивостью к электростатическим помехам, однако уязвимы к негативному воздействию магнитных полей. Эффективным способом борьбы с подобными искажениями является использование скрученных пар проводов для передачи сигналов и соблюдение изоляции от силовых кабелей, линий управления реле и иных источников магнитного излучения. Аналогично контурам напряжения токовые петли тоже сталкиваются с проблемой разнородности потенциалов земли, и лучшим решением опять выступает трансформаторная развязка.
Несмотря на лучшее противодействие шумам, токовые петли предъявляют повышенные требования к приёмнику: необходим дополнительный этап преобразования тока в напряжение, а также часто требуется операция сдвига уровня сигнала для возвращения исходного нулевого уровня. Особенно проблематичной оказывается прямая мультиплексировка двухпроводных петель 4…20 мА, поскольку необходимо поддерживать постоянное питание контура для избегания задержек восстановления сигнала усилителем. Показательная схема типичной токовой петли приведена на рис. 14. Большинство существующих мультиплексоров испытывают затруднения с совместимым напряжением питания, поэтому процедуры преобразования и выравнивания уровней проводятся заранее, что добавляет издержки на стороне приёмника. Тем не менее именно токовые петли завоевали статус стандарта для множества важнейших задач автоматизации благодаря своему надёжному иммунитету к помехам.

Частотные сигналы уступают по популярности аналоговым сигналам напряжения и тока, но имеют очевидные достоинства. Фиксированные по частоте сигналы обладают цифровой природой и показывают высокий уровень устойчивости к постороннему шуму и помехам извне. Используются они иногда просто потому, что иной тип сигнала оказался неэффективным. Есть также классы датчиков, естественным образом продуцирующих периодические последовательности импульсов, такие как турбинные расходомеры или расходомеры, основанные на эффекте вихревого следа. Модули приёма частотных сигналов серий SCM5B45, 8B45, DSCA45 и MAQ20-FREQ принимают как сигналы уровня ТТЛ, так и переменного тока, конвертируя их частоту в пропорциональный выходной сигнал напряжения (0…5 В или 0…10 В постоянного тока). Входные частоты могут доходить до 100 кГц.
Критерии выбора уровня сигнала, помехи и воздействия
Отсутствует универсальный рецепт выбора оптимального типа и уровня сигнала для приёмного оборудования, но существуют весомые аргументы, касающиеся массовых измерений. Прежде всего, затраты на прокладку кабельной инфраструктуры и трудозатраты играют важную роль в общей экономике владения оборудованием. Во-вторых, важна способность системы оперативно выявлять неисправности, такие как обрыв или короткое замыкание в кабеле. Наконец, убытки предприятий от аварийного останова производства оцениваются от десятков тысяч до полумиллиона долларов в час, поэтому целесообразнее заменить отказавший прибор временно рабочим экземпляром, а затем произвести полноценный ремонт отдельно. Возможность быстрой замены обеспечивается наличием резервных комплектующих, что оправдывает стандартизацию на один-два стандартных типа входных сигналов. Список распространённых стандартов представлен в табл. 2.
Кабельные трассы и помещения производственного цеха заполнены оборудованием, которое может вызвать помехи в передаваемых измерительных сигналах. Эти приборы вместе с искусственными и природными источниками шума создают условия, опасные для электрооборудования. Устранить внешние шумы и сбои нельзя, но можно минимизировать их влияние на измерительные системы, понимая механизмы проникновения помех и предпринимая необходимые меры профилактики или исправления. Основные источники ошибок и способы их устранения описаны в табл. 3.

Каждый из указанных ниже факторов способен существенно ухудшать качество измерительных сигналов. Способы их предупреждения или минимизации изложены далее.
Ёмкостная связь. Практически любое промышленное оборудование способно накапливать электрический заряд. Пока этот заряд стабилен, его влияние на работу измерительной системы незначительно. Однако каждое работающее устройство неизбежно испытывает изменения напряжения или заряда, которые могут происходить постепенно или резко (скачком). В процессе изменения напряжение порождает вокруг себя меняющееся электрическое поле, способное взаимодействовать с датчиком средствами предварительной обработки сигнала или сигнальным кабелем. Эффект ёмкостной связи становится особо ощутимым при разрядах статического электричества или ударах молний, которые наносят серьёзный ущерб приборам.
Магнитная связь. Протекание электрического тока сопровождается образованием магнитного поля. Любое движение проводника в таком поле провоцирует возникновение электродвижущей силы, вызывающей появление тока в самом проводнике. Аналогично изменение тока в одном проводнике индуцирует ток в соседних проводящих линиях. Индукционные токи способны нарушать стабильность измерений или провоцировать нежелательные напряжения на концах проводника. Основная причина появления магнитной связи в измерительных системах кроется в близости проводов к мощному силовому оборудованию.
Контуры заземления. Проблематика правильного понимания термина «заземление» носит хронический характер в электротехнике. Название «земля» ассоциируется с поверхностью планеты, куда стекаются все токи и напряжения. Действительно, система электроснабжения использует заземляющие штыри или металлические трубы, погружённые в грунт, обозначая их термином «земля». Однако реальность сложнее. Потенциал местной «земли» под ногами оператора может существенно отличаться от ближайшей постройки или технического узла на несколько вольт. В экстремальных ситуациях, например, при попадании молнии, различия достигают сотен или даже тысяч вольт (рис. 15). Исследования энергетических компаний зафиксировали всплески напряжения до 2000 В при включении бытовых приборов вроде масляных обогревателей.

Само по себе напряжение не единственная угроза измерительному процессу. Токи, вызвавшие его образование, также индуцируют нежелательные возмущения в ближайших сигнальных проводах. Подобные токи могут носить как временный, так и регулярный характер.
Один из примеров – наличие замкнутых контуров заземления, образуемых линиями переменного тока (50 или 60 Гц). Если цепь заземления включена в измерительный тракт, появляются побочные переменные токи, которые воспринимаются как ошибка измерения или в виде синфазного сигнала на входе системы. Правильно организованное заземление и подбор соответствующего преобразователя сигнала с высоким коэффициентом подавления синфазных помех становятся ключевыми инструментами поддержания чистоты сигнала.
Высокие напряжения в сигнальных проводах могут появляться помимо колебаний земных потенциалов. Причинами служат ёмкости, индуктивные эффекты, случайные статические разряды или близость мощных высоковольтных аппаратов, таких как сварочное оборудование. В реальных условиях современные промышленные объекты нередко размещают контрольные устройства рядом с силовыми линиями, несмотря на потенциальные риски. Случаи непреднамеренного попадания в измерительную цепь напряжения бытовой сети (110 или 240 В AC) далеко не уникальны.
Наводки или ЭМП и РЧП
Электромагнитные помехи (ЭМП) обобщают группу явлений, провоцирующих появление посторонних сигналов в измерительных трактах. Традиционно это относится к проблемам, рассмотренным ранее, но в современном оборудовании термин чаще употребляется в узком смысле – радиочастотные помехи (РЧП). Распространённым источником сильных помех являются радиостанции. Если неподалёку расположена радиостанция или телецентр, такие помехи легко выявить. Гораздо чаще помехи носят спорадический характер и маскируются под случайные изменения сигнала. Источниками обычно оказываются мобильные устройства, рации или прочие беспроводные системы, действующие на территории предприятия. Прямого усиления радиосигнала большинством измерительных блоков не происходит, так как их рабочие частоты гораздо выше. Однако слабые радиочастотные сигналы могут приводить к некорректному поведению чувствительных компонентов электроники (например, выпрямляются аналогично примитивным детекторным приёмникам прошлого века), создавая видимость дрейфа или резкого смещения показаний. При выборе преобразователя показатель «менее 0,5%-го смещения при интенсивности поля 10 В/м» является хорошим индикатором качества.Феномен наложения спектров возникает при переходе от аналоговых измерений к цифровому представлению данных. Многие специалисты неправильно понимают суть вопроса. Суть проблемы состоит в особенностях процесса аналого-цифрового преобразования. Рассмотрим ситуацию подробнее. Предположим, у нас есть система, состоящая из генератора синусоидального сигнала и последующего цифрового преобразователя (рис. 16). На входе присутствует сигнал, состоящий из двух составляющих с разными частотами (f₁ и f₂). Система осуществляет выборку сигнала с частотой fs. При восстановлении сигнала на выходе наблюдается картина, похожая на оригинал, но с появлением артефактов. Новая составляющая появляется зеркально на частоте ниже частоты дискретизации (fs/2). Это явление получило название «алиасинг» (ложная репрезентация или искажение сигнала) и характерно для любых систем, осуществляющих дискретизацию аналоговых сигналов. Важно подчеркнуть, что максимальная воспроизводимая частота сигнала без искажений ограничивается половиной частоты дискретизации (так называемая частота Найквиста). Сигналы, чья частота превышает этот порог, восстанавливаются некорректно и приобретают ложные низкие частоты. Такой дефект серьёзно нарушает достоверность результатов измерений и требует тщательного планирования процедуры выборки и фильтрации сигнала.

Защита и сохранение целостности сигналов
Поддержание качественной передачи измерительного сигнала базируется на сочетании грамотного проектирования системы, высококачественных инструментов измерения и правильной организации инсталляции оборудования. Даже самые продвинутые инструменты могут оказаться бессильны против дефектов, допущенных при установке или несоблюдении рекомендаций по монтажу. Особое внимание уделяется вопросам экранирования кабелей и выбору правильных методов коммутации. Помимо технических аспектов, важными являются архитектурные решения самой системы.Экранирование. Главная цель экранирования – снижение влияния ёмкостных связей и устранение ошибок, вызванных радиочастотными помехами. Вопросы заземления экрана являются предметом постоянных дискуссий среди инженеров. Одни утверждают, что экран необходимо заземлить в обеих точках подключения, другие настаивают на единственном контакте заземления. Оптимальным решением считается заземление экрана на стороне приёмника сигнала. Бывает и так, что рекомендации производителя порой вводят путаницу, предлагая варианты, противоречащие теории. Главное правило – избегать множественности точек заземления, иначе образуется незапланированный контур заземления, чреватый возникновением токов и сопутствующих проблем. Экранирование выполняется путём размещения металлических оболочек поверх сигнальных жил. Идея заключается в создании поверхностного слоя с однородным потенциалом, поглощающим электромагнитные волны и направляющим их к «земле», не допуская взаимодействия с внутренними проводами. Присутствие второго заземляющего контакта вынуждает токи проходить через экран, вызывая новые помехи. Строго соблюдая принцип однократного заземления, удаётся свести к минимуму негативные последствия.
Витые пары. Простейший способ улучшения качества сигнала – применение витых пар проводов. Эта мера эффективна как для экранированных, так и для открытых кабелей, снижая влияние магнитных полей. Скрутка минимизирует площадь контура, подверженного действию магнитного поля, тем самым снижая индуцированную разность потенциалов. Дополнительным плюсом является компенсация индуцированного напряжения соседними участками провода, чьи вектора напряжения направлены противоположно.
Прокладка кабелей. Ошибка начинающих инженеров – попытка сэкономить пространство, прокладывая кабели приборов и силовой проводки в одном канале. Связь между ними неизбежна, что непременно приводит к возникновению перекрёстных помех. Силовую проводку и линию данных необходимо располагать отдельно, соблюдая достаточное расстояние между ними.
Изоляция. Применение электронной изоляции – универсальный способ избавления от негативных эффектов контуров заземления. Путём разрывания непрерывности путей прохождения токов изоляции решаются многие проблемы, связанные с разницей потенциалов между удалёнными частями системы. Применение специализированных устройств развязки (изолирующих барьеров) гарантирует сохранность сигнала с минимальной деградацией точности. Практически все модули серии SCM5B оборудованы встроенной изоляцией.
Фильтрация сигналов. Высокая частота входящего сигнала может создать дополнительную полосу в спектре выходного сигнала, нарушающую первоначальную картину. Фильтры нижних частот эффективно удаляют высокочастотные составляющие, предотвращая подобное наложение. Чем сильнее спад характеристики фильтра, тем эффективнее подавление ненужных сигналов. Серия фильтров серии SCM5B зарекомендовала себя отличным инструментом подавления спектральных искажений.
Ещё один важный фактор – частота дискретизации. Она должна значительно превышать верхнюю границу полезных частот сигнала, минимум в три-десять раз. Степень превышения зависит от крутизны среза фильтра. Необходимо помнить, что наложение спектра не подлежит восстановлению и сохраняется в дальнейшем цифровом сигнале.
Теория измерений на практике
Приведённые ниже примеры наглядно демонстрируют типичные проблемы, возникающие при проектировании систем преобразования сигналов и последующей установке оборудования, а также иллюстрируют оптимальные подходы к их решению. Описываемые случаи соответствуют реальным ситуациям, в которых успешное устранение неполадок стало возможным благодаря применению продуктов линейки SCM5B и проверенных инженерных практик.Автоматизированный производитель оборудования использовал сигналы напряжения 0–10 В постоянного тока для передачи команд управления и получения обратной связи между управляющим центром и двигателями сервосистемы. Монтаж оборудования проводился на обычном производственном участке, где кабельная трасса составляла около 76 метров. Проектировщики приняли меры предосторожности при укладке сигнальных кабелей, стараясь защитить их от сторонних воздействий. Однако установка являлась ключевым элементом технологического цикла, где малейшие нарушения точности позиционирования объектов приводили к большому количеству брака и финансовым убыткам.
На рис. 17 представлена оригинальная схема системы, выделяющая очаги возникновения проблем. Основными причинами неудовлетворительного функционирования оказались электромагнитные наводки от смежного оборудования и наличие паразитного контура заземления. Решением проблемы стало введение преобразователей сигналов и выполнение оптимальной компоновки кабелей. Модуль SCM5B39 преобразовывал сигнал 0…10 В в токовый сигнал 4…20 мА, защищая его от помех и снимая проблему синфазных напряжений. Витая экранированная пара кабелей позволяла минимизировать электромагнитные влияния. На другом конце цепи установлен модуль SCM5B32, восстанавливающий исходный сигнал 0…10 В и завершивший цикл управления двигателем. Он также защищал вход от помех и заземления. Дополнительно настройки полосы пропускания модулей адаптированы под динамику контура управления, что позволило увеличить устойчивость к высокочастотным шумам, сохранив при этом быстродействие и точность системы. Особенностью таких контуров является требование сверхмалого масштаба изменения управляющего сигнала, что ставит жёсткие ограничения на качество обработки сигнала. Некорректно выполненные узлы изоляции могут добавить существенные шумы, разрушающие полезные сигналы. Продукция Dataforth специально разрабатывалась с учётом минимизации собственного шума и гарантировала сохранение отношения сигнал-шум на требуемом уровне.

Ещё один пример: производство алюминия, основанное на процессах электролиза в специальных ваннах (электролизёрах). Современный алюминиевый завод может содержать тысячи таких ванн, каждая из которых оснащена стальным корпусом с внутренней угольной облицовкой. Аноды, подвешенные на шинах, снабжаются электричеством для осуществления реакции выделения чистого алюминия из руды. Процесс электролиза управляется подачей напряжения и мониторингом износа анодов. Ключевой задачей является точное измерение падения напряжения на каждом электролизёре. При прохождении большого тока (десятки тысяч ампер) наблюдаются колебания напряжения, достигающие нескольких вольт. Замена отработавших анодов является дорогостоящей операцией, поэтому правильный мониторинг состояния электролизёра позволяет повысить производительность и снизить затраты. Типичные проблемы данной задачи включают наличие сильных электромагнитных полей, влияние которых трудно игнорировать, и потребность выдерживать синфазные напряжения до 1500 В. Решение лежит в применении модуля с активным подавлением синфазных помех, низким собственным шумом и достаточной разрешающей способностью (1 мВ). Применение модулей SCM5B31 оказалось достаточно успешным решением (рис. 18).

Как вариант успешного решения, можно рассмотреть следующий пример. Некоторые типы термопар, используемых в системах управления технологическими процессами, имеют особую конструкцию. Материалы из разнородных металлов собираются концентрическим образом, причём они разделяются керамическим изолятором. Контакты спаяны для увеличения прочности, однако подобная конструкция требует особого способа установки – в термометрическую гильзу, которая непосредственно монтируется на ёмкости. Важно отметить, что сама термометрическая гильза всегда заземлена, что ведёт и к заземлению подобного типа термопар. Как уже было отмечено ранее, экранирование и правильное заземление – одни из самых сложных задач, с которыми приходится сталкиваться. Термопара формирует слабый электрический сигнал, чувствительный к различным видам помех, поэтому требует обязательного экранирования для предотвращения наводок. При этом ситуация осложняется тем, что система предварительной обработки сигнала (усилитель, фильтрующий модуль и др.), как и отдельно сама термопара, также имеет собственную точку заземления. Это порождает проблему образования контуров заземления («ground loops»), что приводит к появлению паразитных напряжений и токов. Для данного типа термопар это явление является одной из главных причин возникновения значительных погрешностей и нестабильной работы. Оптимальным решением данной проблемы является внедрение этапа гальванической развязки между термопарой и основной измерительной системой. В данном случае изолирующий путь можно подключить к экрану сигнального кабеля, не создавая паразитного контура заземления. Модуль обработки сигналов для термопар SCM5B47 идеально подходит для данного сценария, обладая необходимыми свойствами линеаризации и фильтрации, что сохраняет целостность сигнала.
Заключение
Промышленные измерения остаются критически важным элементом современного производства, обеспечивая не только контроль технологических процессов, но и безопасность персонала, экономическую эффективность предприятия и соответствие экологическим нормам. Несмотря на стремительное развитие цифровых технологий и появление «умных» приборов, аналоговые датчики и правильное преобразование их сигналов остаются фундаментом всех измерительных систем. От термопары, измеряющей температуру в печи, до тензодатчика, контролирующего нагрузку на конструкцию, – все эти устройства требуют грамотного подхода к обработке их сигналов. Успешная реализация системы промышленных измерений требует комплексного подхода. Необходимо учитывать не только технические характеристики датчиков и преобразователей, но и условия их эксплуатации, методы монтажа, защиту от помех. Правильный выбор между двух-, трёх- и четырёхпроводными схемами, между токовыми и потенциальными сигналами, между аппаратной и программной линеаризацией может существенно повлиять на точность, надёжность и стоимость всей системы.Опыт решения реальных проблем на производстве показывает, что часто именно детали – правильное заземление экрана, использование витой пары, грамотная изоляция – определяют разницу между работающей и неработающей системой. Инвестиции в качественное оборудование для преобразования сигналов и соблюдение правил монтажа окупаются многократно за счёт повышения надёжности измерений и снижения времени простоев.
В конечном счёте ключ к успеху лежит в балансе между техническими требованиями и экономической целесообразностью, между точностью измерений и устойчивостью к помехам, между сложностью системы и простотой её обслуживания. Только комплексный подход, учитывающий все аспекты – от выбора типа датчика до методов прокладки кабелей – обеспечивает создание эффективной и надёжной системы промышленных измерений, способной работать в самых сложных условиях современного производства. ●
Автор – сотрудник фирмы ПРОСОФТ
Телефон: (495) 234-0636
E-mail: info@prosoft.ru
© СТА-ПРЕСС, 2025
Если вам понравился материал, кликните значок — вы поможете нам узнать, каким статьям и новостям следует отдавать предпочтение. Если вы хотите обсудить материал —не стесняйтесь оставлять свои комментарии : возможно, они будут полезны другим нашим читателям!

