Производство продукции высокого качества немыслимо без контроля параметров технологических процессов. Знание технологических параметров является базой для любых технологических улучшений.
Контроль над технологическим процессом подразумевает, что его параметры измеряются, измеренные значения регистрируются на самописцы или в системе сбора данных, формируются сигналы сигнализации в тех случаях, когда параметры принимают недопустимые значения, фиксируются прочие особенности протекания процесса.
Немаловажную роль играет регистрация различных нештатных ситуаций, событий и действий персонала.
Указанную задачу контроля и регистрации параметров призваны решать самописцы и регистраторы.
На современном рынке автоматизации технологических процессов представлен широкий ассортимент таких приборов. Их можно разделить на два больших класса: бумажные регистраторы, на которых регистрация ведётся на бумажном носителе, и видеографические, на которых отображение результатов происходит на электронном дисплее, а регистрация осуществляется в электронном виде в памяти приборов.
Несмотря на то что регистрация непосредственно на бумаге имеет ряд достоинств, популярность безбумажных электронных видеографических регистраторов возрастает. Видеографические регистраторы активно развиваются, при их разработке производители стараются учесть все нюансы применения.
О наличии какого-либо единого стандартного подхода к регистраторам говорить не приходится, для каждой конкретной задачи можно подобрать наиболее подходящее решение.
В данной статье речь пойдёт о видеографическом многоканальном безбумажном регистраторе технологических параметров с распределённой архитектурой ИНТЕГРАФ-1100, разработанном научно-производственной фирмой «КонтрАвт».
Распределённый видеографический безбумажный регистратор параметров ИНТЕГРАФ-1100 представляет собой электронный регистратор аналоговых и дискретных сигналов, поступающих от технологических объектов, предназначен для их математической обработки, визуализации и архивирования, а также для выдачи дискретных сигналов на внешние устройства.
Применение видеографического регистратора ИНТЕГРАФ-1100 обеспечивает:
Внешний вид регистратора ИНТЕГРАФ-1100 вместе с модулями ввода-вывода и блоком питания приведён на рис. 1.

Ввод и вывод сигналов осуществляется внешними модулями удалённого ввода-вывода (они входят в состав регистратора), которые могут быть пространственно разнесены на удаление до 1200 м или сосредоточены в одном шкафу управления.
Связь панели с модулями осуществляется по интерфейсу RS-485. Все данные хранятся в электронном виде. Передача данных может производиться с помощью USB flash-носителей (8 Гбайт) либо передаваться в системы верхнего уровня по интерфейсам RS-485 (протокол MODBUS RTU) или Ethernet (протокол FTP или MODBUS TCP).
С точки зрения обмена данными с рабочими станциями очень интересной является возможность обмена данными с помощью протокола VNC. На экране персонального компьютера видно дубликат изображения панели, управление также может осуществляться, но не касанием сенсорного экрана, а с помощью мыши.
Распределённая модульная архитектура регистраторов имеет ряд преимуществ.
Обмен данными с модулями ввода-вывода осуществляется по интерфейсу RS-485 с применением протокола ModBus RTU. Скорость обмена данными составляет 38 400 бит/с. На данной скорости сбор всех аналоговых и дискретных сигналов может осуществляться с периодом 1…600 с. Электропитание станции осуществляется от сети переменного напряжения 220 В с помощью отдельного блока питания PSM-36-24, обеспечивающего питанием 24 В все компоненты регистратора (входит в комплект).
В регистраторе ИНТЕГРАФ-1100 модули ввода-вывода имеют универсальные входы, которые допускают подключение как температурных датчиков (термопар и термометров сопротивления), так и унифицированных сигналов тока и напряжения. Кроме того, дискретные входы принимают импульсные сигналы, частота которых может рассматриваться как аналоговый информационный сигнал.
ИНТЕГРАФ-1100 способен измерять, проводить математическую обработку и регистрировать аналоговые сигналы (4/8/16 каналов) следующих типов:
Кроме того, ИНТЕГРАФ-1100 способен:
Здесь стоит отметить, что входящие в состав регистраторов ИНТЕГРАФ устройства ввода-вывода сами являются средствами измерения. Поэтому в зависимости от предъявляемых требований можно проводить поверку как отдельных модулей (что значительно проще и дешевле), так и всего ИВК ИНТЕГРАФ-1100 в комплексе.
Уставки для компараторов задаёт персонал с видеографической панели. Выходные сигналы компараторов поступают на блок выходной логики.
Можно задать 4 вида функции компаратора («Прямая», «Обратная», «Попадание в интервал», «Попадание вне интервала»), а также режим отложенной сигнализации (блокировка первого срабатывания), время задержки срабатывания компаратора и гистерезис.
Блок аварийной сигнализации формирует дискретный сигнал высокого уровня при обнаружении любой из следующих ситуаций: обрыв (замыкание) датчика (в любом аналоговом канале), выход аналогового сигнала за верхний и нижний диапазон измерения (в любом аналоговом канале), потеря связи с модулями ввода-вывода (с любым из модулей).
Преобразование осуществляется в соответствии с заданной логической функцией (доступно 6 логических функций).
Выбор сигналов, которые обрабатываются блоком выходной логики, осуществляется пользователем при настройке путём задания соответствующей маски.
Функция и маска задаются при конфигурировании регистратора.
Все зарегистрированные данные можно просмотреть в виде архива. Журнал событий всегда доступен к просмотру.
С помощью интерфейсов верхнего уровня (RS-485, протокол ModBus RTU и Ethernet, протокол ModBus TCP) текущие данные можно передавать в смежные системы верхнего уровня. Кроме того, данные можно перенести с помощью USB Flash-носителя на персональный компьютер для записи и дальнейшей обработки.
Доступно групповое отображение сигналов (12 групп по 4 сигнала, свободный выбор сигналов в составе группы), а также просмотр архивных данных в виде графиков (трендов).
Для измеренных сигналов доступны следующие типы отображения.

ИНТЕГРАФ-1100-<1>-<2>-<3>-<4>-<5>
<1> Размер экрана:
07 – 7 дюймов
10 – 10 дюймов
<2> Число каналов ввода-вывода:
04 – 4 (AI + DI + DO)
08 – 8 (AI + DI + DO)
16 – 16 (AI + DI + DO)
<3> Интерфейс верхнего уровня:
1 – RS-485 / Modbus RTU, Ethernet / Modbus TCP
<4> Климатическое исполнение модулей ввода-вывода по ГОСТ Р 52931:
С4 – температура (–40…+60)°С, влажность 95% при 35°С
<5> Модификация:
М0 – стандартное исполнение
МХ – модификация на заказ
Пример обозначения: ИНТЕГРАФ-1100-07-16-1-С4-М0 – видеографический безбумажный регистратор ИНТЕГРАФ-1100, диагональ экрана 7 дюймов, 16 аналоговых канала ввода, 16 дискретных каналов ввода, 16 дискретных каналов вывода, с интерфейсом связи с верхним уровнем, группа климатического исполнения модулей ввода-вывода C4, стандартное исполнение. ●
Автор – Алексей Костерин,
генеральный директор НПФ «КонтрАвт», г. Нижний Новгород
Тел.: +7 (831) 260-1308 www.contravt.ru
e-mail: sales@contravt.ru
© СТА-ПРЕСС, 2025
Контроль над технологическим процессом подразумевает, что его параметры измеряются, измеренные значения регистрируются на самописцы или в системе сбора данных, формируются сигналы сигнализации в тех случаях, когда параметры принимают недопустимые значения, фиксируются прочие особенности протекания процесса.
Немаловажную роль играет регистрация различных нештатных ситуаций, событий и действий персонала.
Указанную задачу контроля и регистрации параметров призваны решать самописцы и регистраторы.
На современном рынке автоматизации технологических процессов представлен широкий ассортимент таких приборов. Их можно разделить на два больших класса: бумажные регистраторы, на которых регистрация ведётся на бумажном носителе, и видеографические, на которых отображение результатов происходит на электронном дисплее, а регистрация осуществляется в электронном виде в памяти приборов.
Несмотря на то что регистрация непосредственно на бумаге имеет ряд достоинств, популярность безбумажных электронных видеографических регистраторов возрастает. Видеографические регистраторы активно развиваются, при их разработке производители стараются учесть все нюансы применения.
О наличии какого-либо единого стандартного подхода к регистраторам говорить не приходится, для каждой конкретной задачи можно подобрать наиболее подходящее решение.
В данной статье речь пойдёт о видеографическом многоканальном безбумажном регистраторе технологических параметров с распределённой архитектурой ИНТЕГРАФ-1100, разработанном научно-производственной фирмой «КонтрАвт».
Распределённый видеографический безбумажный регистратор параметров ИНТЕГРАФ-1100 представляет собой электронный регистратор аналоговых и дискретных сигналов, поступающих от технологических объектов, предназначен для их математической обработки, визуализации и архивирования, а также для выдачи дискретных сигналов на внешние устройства.
Применение видеографического регистратора ИНТЕГРАФ-1100 обеспечивает:
- формирование протоколов о протекании технологических процессов как свидетельства качества изготовления продукции;
- формирование протоколов событий (аварийные ситуации, действия операторов, срабатывания сигнализаций и проч.);
- контроль действий оперативного персонала, повышение технологической дисциплины;
- возможность анализа технологических процессов, совершенствование технологии производства продукции;
- защиту данных от несанкционированных изменений.
Внешний вид регистратора ИНТЕГРАФ-1100 вместе с модулями ввода-вывода и блоком питания приведён на рис. 1.
Особенности распределённой модульной архитектуры
Распределённая модульная архитектура регистратора ИНТЕГРАФ-1100 (рис. 2) подразумевает, что головным устройством является сенсорная видеографическая панель, на которой собираются, обрабатываются, отображаются и архивируются все данные, формируются сигналы управления и сигнализации.
Ввод и вывод сигналов осуществляется внешними модулями удалённого ввода-вывода (они входят в состав регистратора), которые могут быть пространственно разнесены на удаление до 1200 м или сосредоточены в одном шкафу управления.
Связь панели с модулями осуществляется по интерфейсу RS-485. Все данные хранятся в электронном виде. Передача данных может производиться с помощью USB flash-носителей (8 Гбайт) либо передаваться в системы верхнего уровня по интерфейсам RS-485 (протокол MODBUS RTU) или Ethernet (протокол FTP или MODBUS TCP).
С точки зрения обмена данными с рабочими станциями очень интересной является возможность обмена данными с помощью протокола VNC. На экране персонального компьютера видно дубликат изображения панели, управление также может осуществляться, но не касанием сенсорного экрана, а с помощью мыши.
Распределённая модульная архитектура регистраторов имеет ряд преимуществ.
- В случае пространственно-распределённых технологических объектов модули можно размещать в непосредственной близости от объектов вдали от видеографической панели оператора. Это позволяет сокращать затраты на кабельно-проводниковую продукцию и её прокладку, упрощает монтаж, повышает качество сигналов за счёт снижения влияния соединительных линий, электромагнитных помех, цифровой формы передачи данных.
В случае размещения модулей на объекте можно использовать модули в климатическом исполнении С4 (диапазон рабочих температур –40…+60°С, влажность 95%), в то время как для панели необходимы более мягкие условия 0…+50°С. - Eсли модули ввода-вывода размещаются в шкафу управления, то их можно расположить в объёме шкафа оптимальным образом, что сокращает габариты шкафа. Малая глубина видеографической панели оператора позволяет использовать шкафы управления небольшой глубины – всего 80 мм.
- Модульность видеографического регистратора ИНТЕГРАФ-1100 повышает его ремонтопригодность, сокращает расходы на обслуживание, поверку и ремонт.
- Выход из строя отдельных модулей не вызывает потерю работоспособности регистратора в целом, замена моделей не требует высокой квалификации персонала.
- Подключение сигнальных проводников к модулям ввода-вывода производится с помощью разъёмных клеммных соединителей, что упрощает монтаж-демонтаж модулей при их обслуживании и замене.
- Решение, построенное на такой распределённой основе, является экономичным как по стоимости приобретения, так и по стоимости эксплуатации.
Функции и характеристики видеографического регистратора ИНТЕГРАФ-1100
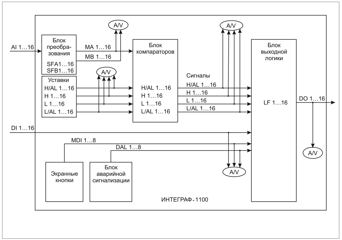
На рис. 3 приведена функциональная схема регистратора с указанием входящих в его состав основных блоков. Опишем далее выполняемые ими функции.
Модули удалённого ввода-вывода
Сбор и измерение аналоговых и дискретных сигналов производится комбинированными модулями ввода-вывода MDS AIO-4/4R. В состав регистратора в зависимости от модификации входит 1, 2 или 4 модуля, что обеспечивает ввод 4, 8 или 16 аналоговых входов, 4, 8 или 16 дискретных входов и 4, 8 или 16 дискретных выходов. Причём имеется в виду следующий состав одного канала – универсальный аналоговый вход, дискретный вход, дискретный выход. На каждый канал приходится 12 регистрируемых (архивируемых) параметров, глубина архива 60 суток. Таким образом регистратор обеспечивает запись 96 аналоговых и 112 дискретных сигналов.Обмен данными с модулями ввода-вывода осуществляется по интерфейсу RS-485 с применением протокола ModBus RTU. Скорость обмена данными составляет 38 400 бит/с. На данной скорости сбор всех аналоговых и дискретных сигналов может осуществляться с периодом 1…600 с. Электропитание станции осуществляется от сети переменного напряжения 220 В с помощью отдельного блока питания PSM-36-24, обеспечивающего питанием 24 В все компоненты регистратора (входит в комплект).
В регистраторе ИНТЕГРАФ-1100 модули ввода-вывода имеют универсальные входы, которые допускают подключение как температурных датчиков (термопар и термометров сопротивления), так и унифицированных сигналов тока и напряжения. Кроме того, дискретные входы принимают импульсные сигналы, частота которых может рассматриваться как аналоговый информационный сигнал.
ИНТЕГРАФ-1100 способен измерять, проводить математическую обработку и регистрировать аналоговые сигналы (4/8/16 каналов) следующих типов:
- термопары ХА(К), ХК(L), НН(N), ЖК(J), ПП(S), ПП(R), ПР(B), МК(Т), ХКн(E), ВР(А-1), ВР(A-2), ВР(А-3);
- термопреобразователи сопротивления ТСМ 100М, ТСМ 50М, ТСП 100П, ТСП 50П, ТСП Pt100;
- напряжение (–75…+75) мВ, (0…50) мВ, (0…1000) мВ;
- ток (0…5) мА, (0…20) мА, (4…20) мА;
- сопротивление (0…100 Ом), (0…250 Ом), (0…500 Ом);
- пирометры РК-15, РС-20;
- преобразователи манометрические термопарные ПМТ-2, ПМТ-4;
- влажность психрометрическим методом.
Кроме того, ИНТЕГРАФ-1100 способен:
- определять и регистрировать частоту дискретных входных сигналов (4/8/16 каналов) – функция тахометра;
- подсчитывать и регистрировать число импульсов по дискретным входам (4/8/16 каналов) – функция счётчика импульсов (32 разряда);
- регистрировать дискретные входные сигналы (4/8/16 каналов);
- регистрировать дискретные сигналы состояний «экранных» кнопок (8 каналов).
Здесь стоит отметить, что входящие в состав регистраторов ИНТЕГРАФ устройства ввода-вывода сами являются средствами измерения. Поэтому в зависимости от предъявляемых требований можно проводить поверку как отдельных модулей (что значительно проще и дешевле), так и всего ИВК ИНТЕГРАФ-1100 в комплексе.
Компараторы-сигнализаторы
Все аналоговые сигналы после математической обработки поступают на блок компараторов-сигнализаторов. Каждому аналоговому сигналу соответствует 4 компаратора, два из которых рассматриваются как предупредительные сигнализаторы, а два – как аварийные.Уставки для компараторов задаёт персонал с видеографической панели. Выходные сигналы компараторов поступают на блок выходной логики.
Можно задать 4 вида функции компаратора («Прямая», «Обратная», «Попадание в интервал», «Попадание вне интервала»), а также режим отложенной сигнализации (блокировка первого срабатывания), время задержки срабатывания компаратора и гистерезис.
Блок аварийной сигнализации формирует дискретный сигнал высокого уровня при обнаружении любой из следующих ситуаций: обрыв (замыкание) датчика (в любом аналоговом канале), выход аналогового сигнала за верхний и нижний диапазон измерения (в любом аналоговом канале), потеря связи с модулями ввода-вывода (с любым из модулей).
Блок выходной логики
Блок выходной логики (4/8/16 каналов) преобразует дискретные сигналы от различных источников (компараторов, входных дискретных сигналов, блока «экранных» кнопок, блока аварийной сигнализации) в дискретные выходные сигналы, поступающие на модули ввода-вывода MDS DIO 4/4R. Тип дискретных выходов – электромеханические реле ~250 В, 3 А; 24 В, 5 А с одной группой контактов на переключение.Преобразование осуществляется в соответствии с заданной логической функцией (доступно 6 логических функций).
Выбор сигналов, которые обрабатываются блоком выходной логики, осуществляется пользователем при настройке путём задания соответствующей маски.
Функция и маска задаются при конфигурировании регистратора.
Регистрация данных, просмотр архивов
Измеренные сигналы, уставки и все дискретные сигналы, включая выходные, регистрируются, то есть записываются в электронную память на USB Flash-носитель ёмкостью 8 Гбайт. Такой объём памяти позволяет регистрировать все указанные аналоговые и дискретные сигналы с периодом 1 с в течение 60 суток.Все зарегистрированные данные можно просмотреть в виде архива. Журнал событий всегда доступен к просмотру.
С помощью интерфейсов верхнего уровня (RS-485, протокол ModBus RTU и Ethernet, протокол ModBus TCP) текущие данные можно передавать в смежные системы верхнего уровня. Кроме того, данные можно перенести с помощью USB Flash-носителя на персональный компьютер для записи и дальнейшей обработки.
Визуализация данных
Все зарегистрированные аналоговые и дискретные сигналы визуализируются в реальном времени на дисплее панели оператора в виде графиков (трендов), цифровых индикаторов и барграфов.Доступно групповое отображение сигналов (12 групп по 4 сигнала, свободный выбор сигналов в составе группы), а также просмотр архивных данных в виде графиков (трендов).
Для измеренных сигналов доступны следующие типы отображения.
- Дисплей х16 – основной экран всех измеренных сигналов, состояния всех компараторов (рис. 4). На данном дисплее в цифровом виде отображаются все измеренные сигналы на одном экране, для каждого канала показывается состояние четырёх компараторов. К этому экрану возможен быстрый переход из любого другого экрана.

- Дисплей х4 – групповой 4-канальный дисплей (рис. 5). Отображаемая информация: значения четырёх измеренных сигналов, входящих в группу в цифровом виде, значения уставок для четырёх компараторов сигнализации для каждого сигнала, состояние всех четырёх компараторов сигнализации для каждого канала.

- Тренд х1 – одноканальный тренд измеренного аналогового сигнала и 4 уставок компараторов одного канала (рис. 6). Отображаемая информация: значение измеренного сигнала в цифровом виде, тренд (график) измеренного сигнала, тренд четырёх уставок, значения уставок для четырёх компараторов сигнализации, состояние всех четырёх компараторов сигнализации.

- Тренд х4 – групповой 4-канальный тренд аналоговых сигналов (рис. 7). Отображаемая информация: значения четырёх измеренных сигналов, входящих в группу, в цифровом виде, тренды (графики) четырёх измеренных сигналов, входящих в группу, состояние всех четырёх компараторов сигнализации для каждого канала.

- Барграф х4 – групповой 4-канальный барграф аналоговых сигналов (рис. 8). Отображаемая информация: значения четырёх измеренных сигналов, входящих в группу, в цифровом виде, барграф, значения уставок для четырёх компараторов сигнализации для каждого сигнала, состояние всех четырёх компараторов сигнализации для каждого канала.

- Табло – групповое табло всех дискретных сигналов и функциональных кнопок в виде единичных индикаторов на одном экране (рис. 9). Отображаемая информация: состояния дискретных сигналов, экранные кнопки.

- Диаграмма – групповая 8-канальная диаграмма дискретных выходов (рис. 10). Отображаемая информация: текущее время и дата, графики тренда дискретных сигналов группы, текущее состояние дискретных сигналов группы, состояние дискретных сигналов, соответствующее положению временно́го курсора (WatchLine).


Модификации видеографического регистратора ИНТЕГРАФ-1100
При выборе конкретной модификации регистратора необходимо определить значения 5 параметров (от 1 до 5):ИНТЕГРАФ-1100-<1>-<2>-<3>-<4>-<5>
<1> Размер экрана:
07 – 7 дюймов
10 – 10 дюймов
<2> Число каналов ввода-вывода:
04 – 4 (AI + DI + DO)
08 – 8 (AI + DI + DO)
16 – 16 (AI + DI + DO)
<3> Интерфейс верхнего уровня:
1 – RS-485 / Modbus RTU, Ethernet / Modbus TCP
<4> Климатическое исполнение модулей ввода-вывода по ГОСТ Р 52931:
С4 – температура (–40…+60)°С, влажность 95% при 35°С
<5> Модификация:
М0 – стандартное исполнение
МХ – модификация на заказ
Пример обозначения: ИНТЕГРАФ-1100-07-16-1-С4-М0 – видеографический безбумажный регистратор ИНТЕГРАФ-1100, диагональ экрана 7 дюймов, 16 аналоговых канала ввода, 16 дискретных каналов ввода, 16 дискретных каналов вывода, с интерфейсом связи с верхним уровнем, группа климатического исполнения модулей ввода-вывода C4, стандартное исполнение. ●
Автор – Алексей Костерин,
генеральный директор НПФ «КонтрАвт», г. Нижний Новгород
Тел.: +7 (831) 260-1308 www.contravt.ru
e-mail: sales@contravt.ru
© СТА-ПРЕСС, 2025
Если вам понравился материал, кликните значок — вы поможете нам узнать, каким статьям и новостям следует отдавать предпочтение. Если вы хотите обсудить материал —не стесняйтесь оставлять свои комментарии : возможно, они будут полезны другим нашим читателям!

