Радиация является главным фактором риска для бортовой электронной аппаратуры при эксплуатации в космическом пространстве и причиной преждевременных отказов в пределах срока эксплуатации спутника или космического корабля. Электронное оборудование, например преобразователи напряжения, будет оцениваться по их надёжности при таких последствиях воздействия радиации, как суммарная накопленная доза, одиночные эффекты и структурные повреждения в полупроводниковом материале в результате смещения атомов из устойчивых положений в кристаллической решётке под воздействием высокоэнергетических протонов и нейтронов.
В космических применениях обычно используются компоненты с предельным уровнем радиационной стойкости (rad-hard). Тем не менее существует популярная тенденция к применению коммерчески доступных электронных компонентов в космосе, обусловленная существенным уменьшением их стоимости и времени производственного цикла по сравнению с радиационно-стойкими аналогами.
Тенденция коммерциализации космоса проявляется в таких программах, как «NewSpace»: сочетание более короткого жизненного цикла программы и крупный масштаб развёртываний стимулируют необходимость оптимизации стоимости и более коротких сроков разработки. Баланс между стоимостью и надёжностью одинаково активно ищут космические агентства и изготовители комплексного оборудования для лучшего управления развивающимися космическими программами. Компания VPT отреагировала на эту проблему организацией внутренней программы по обеспечению радиационной стойкости (Radiation Hardness Assurance, RHA) для DC/DC-преобразователей серии VCS, достигнув баланса между стоимостью и временны́ми факторами задержки поставок компонентов с предельным уровнем радиационной стойкости и проблемами с надёжностью у неразбракованных коммерчески доступных компонентов без специфицированных показателей радиационной стойкости.
Воздействие радиации на электронное оборудование в космосе
Для того чтобы лучше понимать, что такое радиационная стойкость устройства, важно разобраться, каким образом радиация может воздействовать на электронную аппаратуру в космосе. Основными источниками высокоэнергетических частиц в порядке возрастания значений энергии частиц (МэВ) являются:
- протоны и ионы солнечных космических лучей;
- галактические космические лучи;
- радиация естественных поясов Земли (протоны и электроны).
За ними следуют источники с более низкими значениями энергий, такие как горячая плазма и ионосферная плазма, которые будут иметь менее критическое радиационное воздействие на электронную аппаратуру при эксплуатации.
Система показателей, таких как суммарная накопленная доза, одиночные эффекты и структурные повреждения, используется для определения разнообразных эффектов, которые возникают при воздействии радиации на электронную аппаратуру. Суммарная накопленная доза зависит от длительности воздействия ионизирующего излучения протонов или электронов, тогда как структурные повреждения являются результатом длительного воздействия неионизирующего радиационного воздействия, обусловленного протонами и нейтронами (обычно тестируется нейтронами). Одиночные эффекты классифицируются от небольших переходных состояний или нарушения целостности цифровых данных (обратимые эффекты) до деструктивных катастрофических эффектов (необратимые эффекты), которые вызываются одиночными заряженными частицами, такими как тяжёлые ионы или протоны. Эти различные системы показателей позволяют проектировщикам космического аппарата эффективно испытывать электронную аппаратуру, исходя из того, каким образом радиация ускоряет деградацию оборудования (полная накопленная доза и эффекты структурных повреждений), а также каким образом одиночные переходные явления могут вызывать изменения в ключевых компонентах, которые потенциально могут привести к общесистемному отказу от воздействия одиночных эффектов. Переходные ионизационные реакции от одиночных эффектов являются обычным результатом воздействия одиночной высокоэнергетической частицы, например галактических космических лучей, которая передаёт избыточный заряд в полупроводниковый материал.
Срок активного функционирования космического аппарата в радиационном окружении будет зависеть от нескольких факторов, включая следующие:
- время вывода космического аппарата на орбиту (во время максимума или минимума солнечной активности);
- высота орбиты космического аппарата (низкая орбита, средняя или геостационарная околоземная орбита);
- общее время работы космического аппарата на орбите (длительность проекта);
- дополнительные факторы (конструкционное экранирование, ориентация космического корабля на орбите и т.д.).
Более детально сведения по источникам ионизирующего излучения и доминирующим радиационным эффектам в полупроводниковых элементах приводятся в работах [1] и [2].
Изготовление всех электронных подсистем с сохранением работоспособности при самом неблагоприятном радиационном сценарии является непрактичным подходом для размещённых в космосе систем.
Вместо этого системотехники должны проявлять гибкость, чтобы соответствовать конечным срокам завершения проекта, а также любым бюджетным ограничениям. Стратегия может состоять в повышении стойкости компонентов, чувствительных к одиночным эффектам, которые должны оставаться в рабочем состоянии во время циклов интенсивной радиации в критических системах.
В большинстве случаев существует приемлемая степень неопределённости, основанная на анализе факторов риска. Естественно, чем большему тестированию подвергаются различные электронные подсистемы, тем меньше существует неопределённостей. Тем не менее высокая надёжность компонента с предельным уровнем радиационной стойкости обусловливает значительную стоимость и невероятно длительные сроки разработки. Проблема обостряется из-за сроков доступности компонентов, поскольку срок производственного цикла компонента должен быть соразмерным со сроком службы всей системы и её различных сборочных узлов, и это является более серьёзным беспокойством для коммерческих рынков.
Коммерциализация космоса и возникновение философии «NewSpace»
Производители сообщества «NewSpace» понимают необходимость баланса между бюджетом, ограниченным короткими сроками вывода изделия на рынок, и потенциальной избыточностью конструкции. Современная космическая промышленность нацелена на создание крупных спутниковых группировок, развёртывание систем связи и Интернета, мониторинг мореплавания, мировых лесных массивов, космический туризм, техническое обслуживание и ремонт спутников или космических кораблей, добычу полезных ископаемых на астероидах и многое другое. С 2020 года запущено более 8000 малых спутников. Множество применений в рамках «NewSpace» предполагают создание группировок компактных спутников, запущенных на низкие орбиты, с короткими сроками активного функционирования – от двух до пяти лет. Согласно данным Markets and Markets в 2023 году было потрачено на радиационно-стойкую электронику 1,7 млрд долларов США, и прогноз подразумевает рост до 2,1 млрд долларов США в 2029 году. Этот показатель включает в себя авиакосмический и оборонный рынок с учётом находящегося в процессе становления рынка «NewSpace». Ожидается повышение спроса на всю радиационно-стойкую электронику, включая контроллеры и процессоры, аналоговые/цифровые/цифро-аналоговые устройства, устройства управления электропитанием и память. Однако предполагается, что более всего будут востребованы устройства управления питанием. Специалисты по снабжению внутри этой отрасли должны свести требования к квалификационным испытаниям и риску до приемлемых уровней. В этой коммерциализации космоса неожиданно обнаруживается всё больше компаний, которые не требуют компоненты с наивысшими уровнями квалификационных испытаний, а именно компоненты, сертифицированные в соответствии с требованиями спецификации MIL-PRF-38534 Class K «Hybrid Microcircuits, General Specification For».
Сравнение изделий с предельным уровнем радиационной стойкости и изделий с повышенным уровнем радиационной стойкости
Компонент с предельным уровнем радиационной стойкости будет наиболее надёжным, а неквалифицированные компоненты коммерческого или промышленного применения окажутся наименее надёжными. Однако существует промежуточный уровень, попадающий под «радиационно-устойчивый». Изделие с предельным уровнем радиационной стойкости будет соответствовать программе обеспечения радиационной стойкости, утверждённой Управлением материально-логистического обеспечения Министерства Обороны США (Defense Logistics Agency, DLA).
Эта программа является процедурой, изначально установленной NASA и гарантирующей, что материалы и электроника, применяемые в космическом корабле, не подвергнут риску работоспособность системы при воздействии различных уровней радиации космического пространства. Процедура определяется исходя из установленных требований к программе полёта (например, срок активного функционирования), радиационных опасных факторов, оценки реакции схемы на радиационные воздействующие факторы и, в конечном счёте, классификации электронных компонентов, основанной на показателях стойкости к эффекту полной накопленной дозы, стойкости к эффектам структурных повреждений (эффектам смещения) и стойкости к одиночным эффектам. Программа обеспечения радиационной стойкости будет включать полную квалификацию преобразователя напряжения и его компонентов с анализом наихудшего случая и различные выполненные испытания на воздействие радиации в соответствии с требованиями многочисленных стандартов (например, Test Methods 1019 Conditions A, C и D Ionizing Radiation (Total Dose) Test Procedure; Test Method 1080 стандарта MIL-STD-750; Test Method 1017 Neutron Irradiation стандарта MIL-STD-750 «Test Methods for Semiconductor Devices» и MIL-STD-883 «Test Methods and Procedures for Microelectronics») с весьма жёсткими условиями отбраковки изделий.
Для изделий с предельным уровнем радиационной стойкости не допускается даже небольшой процент дефектов (0,01%). Естественно, этот уровень тестирования будет требовать значительного времени, чрезмерно увеличивая время выпуска изделий. Ещё один важный фактор, который следует учитывать, – это стоимость списка материалов; интегральная микросхема с предельным уровнем радиационной стойкости, закупленная для использования в новом радиационно-стойком преобразователе напряжения, будет иметь по крайней мере стократно бо́льшую стоимость. Изделие с повышенным уровнем радиационной стойкости будет находиться где-то посередине между совершенно непроверенным изделием коммерческого применения и изделием с предельным уровнем радиационной стойкости, и его приемлемые показатели стойкости к одиночным эффектам и другие радиационные параметры значительно варьируются в зависимости от применения.
Что означает предельный уровень радиационной стойкости для DC/DC-преобразователя
Стандарт MIL-PRF-38534 «Hybrid Microelectronics, General Specification For» Class K (уровень качества Space) для гибридных схем и многокристальных модулей гарантирует, что преобразователь и все внутренние компоненты приобретены и протестированы по наивысшим уровням надёжности. Кроме того, преобразователи, имеющие дополнительную оценку программы по гарантированию радиационной стойкости (RHA), утверждённой Управлением материально-логистического обеспечения Министерства Обороны США (Defense Logistics Agency, DLA), гарантируют, что изделие является достаточно качественным, чтобы соответствовать требованиям особых программ. Для гарантии предельного уровня радиационной стойкости преобразователя разработчики должны либо проектировать его «с нуля», обеспечивая стойкость внутренней схемы к повреждению воздействием ионизирующего излучения, либо приобретать и интегрировать радиационно-стойкие изделия. Этот подход обеспечивает преобразователю соответствие критерию компонента уровня качества Space.
Верификация этих изделий, выполняемая по одной или двум программам качества, в итоге позволяет производителю попасть в перечень квалифицированных производителей (Qualified Manufacturers Listing, QML). Основные военные подрядчики и OEM-изготовители могут иметь доступ к QML для гарантирования их изделиям соответствия требованиям к надёжности конечного применения. Многие заказчики изделий для космического применения часто будут требовать компоненты, квалифицированные по уровню Class K, однако это может значительно повысить стоимость и срок разработки системы.
Использование коммерческих компонентов широкого применения и компонентов для автомобильной промышленности в космосе
Требования к прохождению первичных радиационных испытаний были распространены даже на другие сферы, где компоненты могут сохранять работоспособность с уровнями стойкости к эффекту полной накопленной дозы ниже 2 крад (Si) и одиночным эффектам. Естественно, эти показатели значительно отличаются, например, в академическом проекте с запускаемым на низкую орбиту спутником формата CubeSat или же для команды исследователей крупного оборонного подрядчика при анализе и оценке радиационной устойчивости спутниковых подсистем. Всё зависит от уровня, который необходим в проекте. Это подобно степени требуемой безопасности к профессиональному гоночному автомобилю, чрезмерной по сравнению с автомобилем для повседневного использования; пятиточечный ремень безопасности и каркас безопасности могут быть необходимыми в болиде «Формулы-1», тогда как для обычного автомобиля будут достаточными ремни безопасности и подушки безопасности.
Всё чаще радиационная проверка, выполняемая для коммерческих компонентов широкого применения, публикует данные испытаний по радиации без позиционирования изделий как годные или дефектные. Существуют многочисленные программы по внедрению коммерческих изделий широкого применения и изделий для автомобильной промышленности в космические системы без подвергания риску успеха проекта. Некоторые американские компании, такие как VPT, принимают меры в этом направлении, публикуя отчёты по радиационной стойкости изделий коммерческого или промышленного назначения без доработки, позволяя заказчику самому определять, является ли изделие достаточно радиационно-стойким для интегрирования в их систему. Порой от заказчика требуется заказывать специализированные аналоговые сверхвысокочастотные компоненты, а также процессоры и многокристальные модули большими партиями, и проводить радиационные испытания для установления пригодности партии для применения в бортовой аппаратуре космического корабля. Некоторые OEM-компании оценили эту возможность для авиакосмической промышленности и работают с независимыми испытательными учреждениями для проведения радиационных испытаний для их собственных изделий, присваивая проверенным на воздействие радиации из существующей номенклатуры изделиям новые шифры.
Компромисс: преобразователь с повышенным уровнем радиационной стойкости по программе обеспечения радиационной стойкости
Естественно, этот очевидный переход от радиационной стойкости к радиационной устойчивости требовался для более дифференцированного представления об изделиях в аппаратуре космического корабля, где изделия, являющиеся критичными для успеха программы, могут требовать большей радиационной стойкости. DC/DC-преобразователи часто считаются базовым компонентом в бортовой космической аппаратуре, снабжающим стабилизированным напряжением постоянного тока основные и вспомогательные системы. Кроме того, всё ещё существует чёткое требование для компонентов управления электропитанием быть в некоторой степени радиационно-стойкими. DC/DC-преобразователь с предельным уровнем радиационной стойкости может не являться абсолютно необходимым, но хоть какая-то модель программы гарантирования радиационной стойкости для её обеспечения нужна.
Компания VPT нашла этот баланс, основанный на классических стандартах, утверждённых Управлением материально-логистического обеспечения Министерства Обороны США. Компания уверена в утверждённой программе, так как имеет опыт поставки гибридно-плёночных радиационно-стойких преобразователей уровня качества «Space» (Class K) c установившейся номенклатурой изделий. Информация о методике испытаний и результаты испытаний на радиационную стойкость гибридно-плёночных DC/DC-преобразователей компании изложена в статье [3].
DC/DC-преобразователи серии VSC для рынка «NewSpace»
Общая информация
Основные технические параметры DC/DC-преобразователей серии VSC
- Выходные мощности: 5, 15, 30 и 100 Вт.
- Одно- и двухканальные модели с выходными напряжениями 3,3; 5; 12; 15; ±12; ±15 В.
- Подстройка выходного напряжения в диапазоне +10%/–20% от номинального значения.
- Широкий диапазон входных напряжений 15…50 В с допустимым отклонением до 80 В в течение 1 с (для 5-, 15- и 30-ваттных моделей); для 100-ваттных моделей: 16…40 В с допустимым отклонением до 50 В длительностью 1 с.
- Длительная работа в диапазоне температур от –55ºC до +100ºC без понижения выходной мощности.
- Фиксированная высокая рабочая частота коммутации.
- Низкий уровень шума на выходе.
- Трансформаторная развязка в контуре обратной связи.
- Обширный набор сервисных и защитных функций.
Конструкция модулей представляет собой металлический корпус, внутри которого размещена печатная плата с элементами поверхностного монтажа, защищённая конформным покрытием и компаундом с теплопроводящим наполнителем. Заливка компонентов в корпусе эпоксидным компаундом защищает все компоненты модуля от влаги, вибраций и ударов, а также передаёт выделяемое в компонентах тепло на нижнюю и верхнюю поверхности корпуса. К тому же это уменьшает риск роста оловянных нитевидных кристаллов. Модули серии VSC подвергаются квалификационной процедуре подобно гибридно-плёночным преобразователям, включая термоциклирование (10 циклов), испытания на виброустойчивость, ударную прочность и кратковременные испытания на безотказность. Термоциклирование проводится по методу 1010.7 «Temperature Cycling» стандарта MIL-STD-883: температура окружающей среды меняется быстро и часто в диапазоне от –5°С до +125ºС с охлаждением в воздухе. Термоциклы позволяют ускорить проявление скрытых дефектов в конструкции схем. Электротермотренировка проводится в течение 96 часов при температуре +100ºС в динамическом режиме. Эта проверка позволяет отбраковать потенциально ненадёжные изделия. Тренировки считаются наиболее эффективным методом отбраковочных испытаний.
Для достижения соответствия требованиям применений в космической аппаратуре применяется краска и этикетки с низким уровнем газовыделения и потери массы при вакуумно-тепловом воздействии.
Модули DC/DC-преобразователей серии VSC разработаны для обеспечения приемлемого уровня радиационной устойчивости с более низкой стоимостью высоконадёжных преобразователей COTS. Модуль считается аттестованным для применения в бортовой космической аппаратуре, если он способен выдерживать воздействие ионизирующих излучений космического пространства. Естественные радиационные пояса Земли за пределами земной атмосферы состоят из ионизирующего электромагнитного излучения, а также заряженных частиц (протонов и ионов) солнечных и галактических космических лучей, которые захватываются магнитным полем Земли. Радиационные характеристики DC/DC-преобразователя основаны на стойкости к эффекту полной накопленной дозы, стойкости к эффектам структурных повреждений и стойкости к одиночным эффектам.
Преобразователи серии VSC характеризуются уровнем стойкости к эффекту полной накопленной дозы 30 крад (Si) и стойкостью к одиночным эффектам при воздействии заряженных частиц с пороговыми линейными потерями энергии (ЛПЭ) иона в полупроводнике 30 МэВ·см2/мг. Эти радиационные характеристики подтверждены сочетанием испытаний преобразователей для определения уровней стойкости к дозовым и одиночных эффектам и выбора полупроводниковых компонентов, соответствующих требованиям по стойкости к дозовым эффектам, а также проведением радиационной разбраковки по уровню накопленной дозы. Для экономии средств компоненты не приобретаются с детальной прослеживаемостью партии, как требуется стандартом MIL-PRF-38534. Вместо этого крупные партии каждого восприимчивого к радиации полупроводникового элемента приобретаются в одно и то же время, и образцы подвергаются радиационным испытаниям на стойкость к дозовым эффектам. Партии компонентов, аттестованные по результатам испытаний, затем отбираются для применения в преобразователях серии VSC.
Для гарантирования эксплуатационных характеристик изделий в условиях воздействия ионизирующих излучений космического пространства компания применяет консервативный подход к радиационным испытаниям, который успешно применялся при разработке экономичных гибридно-плёночных DC/DC-преобразователей. Внутренняя программа гарантирования радиационной стойкости изделий COTS для применения в космической аппаратуре документально подтверждает технологические процессы и методы для гарантирования технических характеристик изделий COTS для бортовой космической аппаратуры при влиянии различных факторов окружающей среды космического пространства, включая стойкость к эффекту полной накопленной дозы и одиночным эффектам. Кроме того, преобразователи испытывались облучением низкой интенсивности 50 мрад (Si)/c до накопленной дозы 30 крад (Si) для определения эффекта восприимчивости к длительному воздействию низкой мощности дозы (Enhanced Low Dose Rate Sensitivity – ELDRS). Радиационная стойкость подтверждалась сочетанием определения параметра на уровне модуля и тестированием образцов при воздействии облучения большой мощности отдельных партий всех чувствительных полупроводниковых элементов, используемых в модуле.
В таблицах 1 и 2 кратко представлены процедуры испытаний полупроводниковых элементов, модулей и краткое изложение программы гарантирования радиационной стойкости модулей серии VSC.


Подробнее с программой гарантирования радиационной стойкости DC/DC-преобразователям серии VSC можно ознакомиться в документе [4].
Модули серии VSC содержат полный комплект сервисных и защитных функций, необходимых для эксплуатации в составе оборудования.
Функцией дистанционного включения/выключения снабжены все преобразователи серии VSC. Она обеспечивает отключение выходного каскада от нагрузки и тем самым значительно снижает ток потребления. Вход управления также может использоваться для формирования определённой последовательности включения отдельных модулей в соответствии с необходимым алгоритмом решения той или иной задачи аппаратуры или при аварийном отключении нагрузки при возникновении внештатных ситуаций.
Для компенсации падения напряжения на проводах, соединяющих выход преобразователя с нагрузкой, расположенной на значительном удалении, служит выносная обратная связь по напряжению. Чтобы исключить влияние соединительных проводов, нагрузка подключается к выходу преобразователя с помощью четырёхпроводной линии. Измерительные провода подключаются к выводам +S и –S. Напряжение стабилизируется непосредственно на нагрузке. Этой функцией снабжены 30- и 100-ваттные одноканальные модели.
У одноканальных 15-, 30- и 100-ваттных моделей существует функция регулировки выходного напряжения при помощи резистора, подключаемого между выводом TRIM и +VOUT для уменьшения значения напряжения, и между выводом TRIM и OUT COM для повышения значения выходного напряжения. Максимальный диапазон регулировки составляет –20...+10% от номинального значения. Эта возможность существует и для двухканальных 100-ваттных моделей серии VSC100-2800D.
Для увеличения выходной мощности при построении систем вторичного электропитания с применением одноканальных 100-ваттных моделей VSC100-2800S имеется возможность параллельного соединения по выходу до 5 модулей с выравниванием выходных токов модулей с точностью 5%. Сервисная функция параллельного включения даёт следующие основные преимущества – увеличение мощности в нагрузке, уменьшение типономиналов модулей, повышение надёжности всей системы при параллельном соединении модулей с блокирующими диодами по схеме «ИЛИ» (N+1 – резервирование).
Наличие режима синхронизации частоты преобразования внешним синхросигналом (частота от 300 до 380 кГц) параллельно включённых модулей позволяет устранить выброс в пульсации выходного напряжения, когда выходные пульсации отдельных модулей оказываются в одной фазе. На отсутствие (за редким исключением) входа синхронизации в большинстве отечественных радиационно-стойких преобразователей, позволяющего каскадировать источники питания для получения необходимой выходной мощности, обращают внимание российские разработчики бортовой аппаратуры космических аппаратов [5]. Применение таких преобразователей напряжения в космической технике требует разработки дополнительных схем синхронизации и дополнительных обвязывающих элементов в металлокерамических корпусах, что также сказывается на массогабаритных характеристиках бортовой аппаратуры.
Функцией синхронизации рабочей частоты преобразования снабжены также 30-ваттные модули ряда VSC30.
Все модули снабжены следующим комплексом защит – от перегрузки, короткого замыкания, блокировкой при пониженном входном напряжении, плавным включением.
Защита от перегрузки по току. При неисправности в цепи нагрузки схема управления постоянным выходным током уменьшает коэффициент заполнения преобразователя для ограничения выходного тока примерно на уровне 135% его номинального значения. Преобразователь будет продолжать обеспечивать постоянный ток при любом режиме перегрузки или коротком замыкании. Эта функция позволяет преобразователю включаться при любой ёмкостной нагрузке. Восстановление происходит автоматически и немедленно после устранения неисправности. Длительная работа при коротком замыкании и перегрузки может вызвать чрезмерное рассеивание мощности. В этом режиме должны быть приняты меры для контроля за рабочей температурой преобразователя.
Защита от пониженного входного напряжения. При входных напряжениях ниже напряжения включения преобразователь будет находиться в выключенном состоянии, потребляя минимальный ток от первичного источника. Как только входное напряжение превысит напряжение включения, преобразователь включится. Схема блокировки разработана, чтобы выдерживать медленное нарастание входного напряжения.
Функция плавного запуска используется для быстрого линейного повышения выходного напряжения в управляемом режиме, исключения выброса выходного напряжения (перерегулирование) и ограничения пускового тока при запуске. Плавный режим формирования выходного напряжения обеспечивает целостность выходного напряжения независимо от изменений тока в нагрузке. Время установления выходного напряжения от 3 до 8 мс (зависит от конкретной модели). Функция плавного запуска активна, когда модуль включается при приложении входного напряжения или разблокировке входа дистанционного включения. При нормальных условиях ток, потребляемый от первичного источника во время включения, не будет превышать входной ток при полной нагрузке. Время задержки включения отсчитывается от подачи входного напряжения или разблокировки входа дистанционного управления до достижения выходным напряжением значения 90% его установившегося значения.
Обеспечение температурного режима
Преобразователи серии VSC обеспечивают полную мощность при температуре корпуса 100°С. Работа при температурах выше 100°C допускается при пониженной мощности. Более точно, выходная мощность должна быть снижена линейно от полной мощности при 100°С до половинной мощности при 105°С и до нулевой мощности при 110°С. Рабочая температура преобразователя измеряется на основании корпуса или крышке модуля. Преобразователи имеют пассивный отвод тепла за счёт теплопроводности от основания корпуса или крышки на установленный радиатор, шасси, печатную плату или другую теплоотводящую поверхность.
DC/DC-преобразователи содержат много полупроводниковых компонентов. Максимальная температура перегрева от перехода к корпусу составляет 9, 14 или 21°С (в зависимости от модели) при полной нагрузке.
Высоконадёжные фильтры электромагнитных помех
Фильтры электромагнитных помех VSCF1-28, VSC3-28, VSC10-28 и VCS20-28 разработаны для фильтрации кондуктивных помех нескольких DC/DC-преобразователей вплоть до их номинального тока, обеспечивая соответствие требованиям стандартов MIL-STD-461 редакции C–G к уровню генерируемых кондуктивных помех – категория CE03 и CE102 и обеспечивают снижение восприимчивости к кондуктивным помехам – категория CS101. Ознакомиться с требованиями к эмиссии и восприимчивости, методами испытаний оборудования на ЭМС, установленными стандартами MIL-STD-461, можно в статье [6].
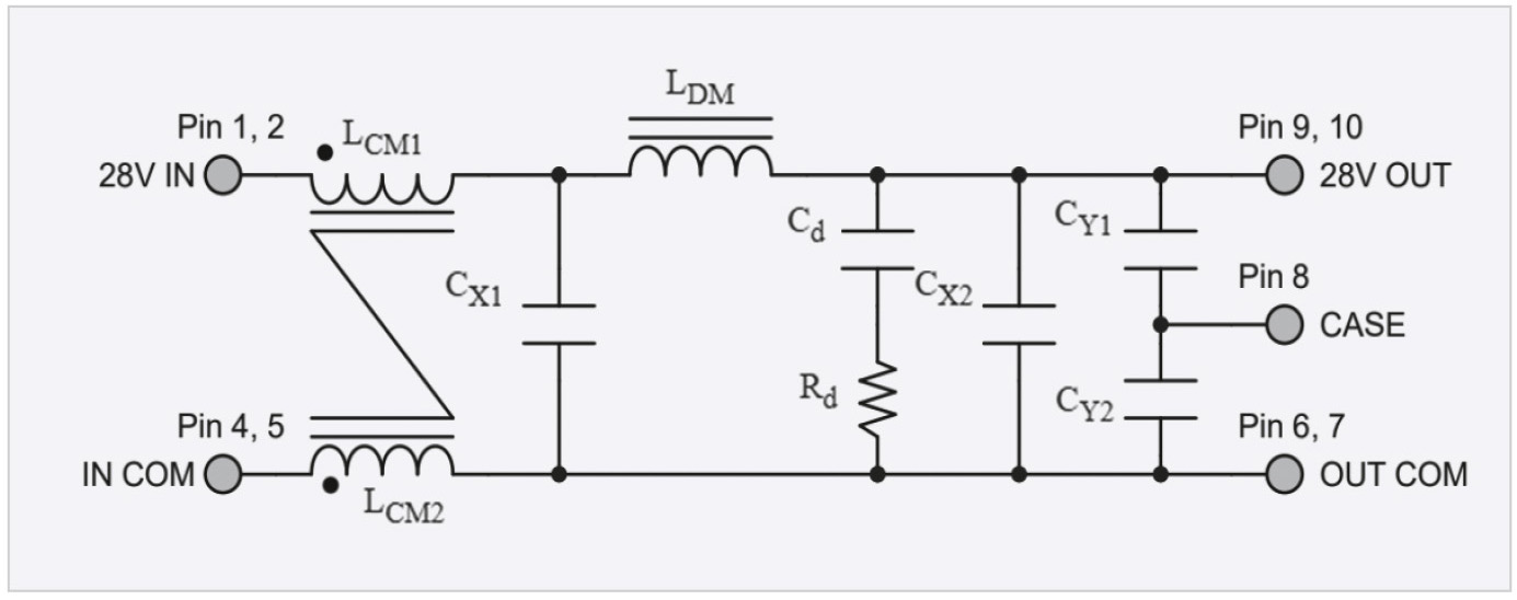
Фильтры отлично подходят для применения в космической аппаратуре, так как содержат только пассивные компоненты, устойчивые к радиационным эффектам. Конструкция корпуса обеспечивает отвод тепла на две стороны с очень низким газовыделением при вакуумно-тепловом воздействии. Внешние виды конструкций фильтров VSCF1-28, VSC3-28, VSC10-28 представлены на рис. 1. На рис. 2 показан внешний вид самого мощного фильтра с проходным током 20 A – VSC20-28.


Все фильтры имеют одинаковую схему и отличаются только номиналами элементов, габаритами, весом и расположением выводов. Схема фильтра ЭМП из ряда VSCF приведена на рис. 3.

Схема совмещает фильтры дифференциальных и синфазных помех. Дроссели LCМ представляют собой две магнитосвязанные обмотки на одном сердечнике. Токи синфазных (симметричных) помех в линиях 28V IN и IN COM текут в одном направлении, обмотки включены согласно, чтобы магнитные потоки от этих токов суммировались и индуктивность дросселя возрастала. Дроссель LDM подавляет дифференциальные (несимметричные) помехи. Конденсаторы CX1 и CX2 снижают дифференциальную составляющую помехи, а СY1 и СY2 предназначены для подавления синфазной составляющей помехи. Входной импеданс DC/DC-преобразователя должен быть намного выше, чем выходной импеданс фильтра, – это позволяет избежать возникновения автоколебаний и обеспечить устойчивость системы «входной фильтр – преобразователь». Выходной импеданс фильтра должен быть демпфирован, чтобы исключить увеличение его импеданса при резонансе. Демпфирование достигается использованием дополнительного конденсатора Сd и резистора Rd, включённых последовательно, что является достаточно эффективным подходом. Параметры фильтров рассчитаны таким образом, чтобы обеспечить уменьшение выходного сопротивления, увеличение затухания и устойчивую работу системы «входной фильтр – преобразователь» на низких, средних и высоких частотах.
5-, 15- и 30-ваттные DC/DC-преобразователи серии VSC
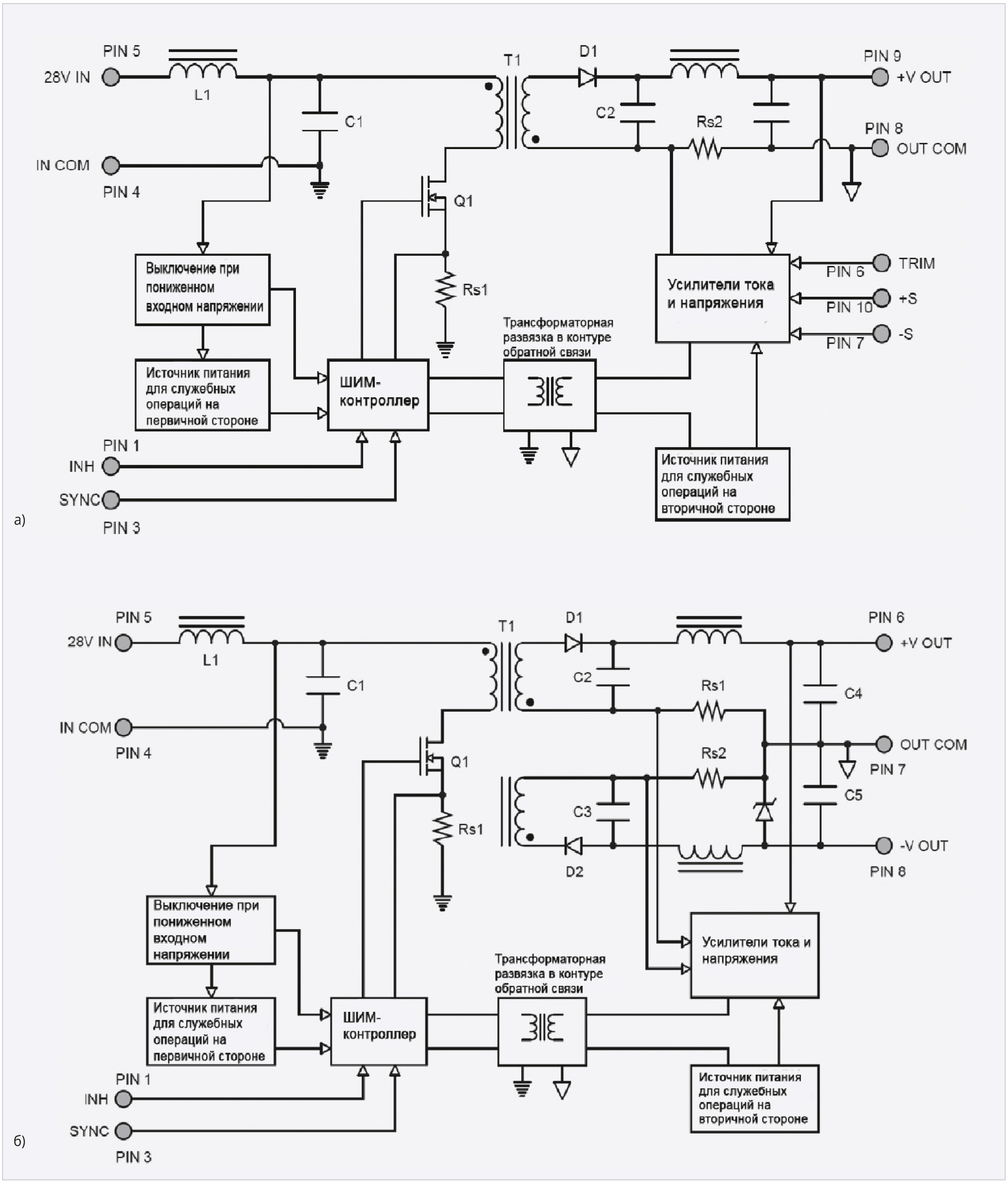
Серии состоят из одно- и двухканальных моделей, обеспечивающих на выходе номинальные напряжения 3,3; 5; 12; 15; ±12; ±15 В и предназначенных для работы в широком диапазоне входного напряжения 15…50 В, способных выдерживать переходное отклонение по входу до 50 В в течение 1 с. DC/DC-преобразователи выполнены по схеме обратноходового преобразователя с регулированием выходного напряжения методом широтно-импульсной модуляции с высокой постоянной рабочей частотой от 400 до 550 кГц (типовое значение 500 кГц) с двумя контурами регулирования: основной контур служит для стабилизации выходного напряжения в зависимости от уровня выходного напряжения, внутренний контур регулирования используется для прямого регулирования амплитуды тока дросселя посредством сигнала ошибки. Все модули выполнены по одной схеме, упрощённая структурная схема одноканальной версии представлена на рис. 4а, схема двухканального исполнения показана на рис. 4б.

Токовое управление позволяет увеличить рабочую частоту преобразователя без потери устойчивости и значительно улучшить переходную характеристику преобразователя при резких изменениях нагрузки или входного напряжения, а также обеспечить поцикловое ограничение тока, поскольку ток измеряется в каждом цикле переключения. Энергия первичного источника передаётся на вторичную сторону через трансформатор T1.
В контуре обратной связи применяется запатентованная трансформаторная развязка. В выходных каскадах преобразователей используется асинхронный метод выпрямления выходного напряжения с помощью диодов Шоттки.
В настоящее время для существенного повышения КПД в обратноходовых преобразователях, как правило, используются активные схемы ограничения напряжения на элементах схемы, для этого вводится дополнительная цепь, включающая дополнительный MOSFET-транзистор и резонансный конденсатор. Но применение дополнительного MOSFET, который является чувствительным к воздействию одиночных заряженных частиц и, открываясь при воздействии радиации, формирует короткозамкнутую цепь от первичного источника напряжения с низким выходным импедансом на землю, повышает риск отказа модуля при воздействии радиации. Для ограничения напряжения при отключении силового ключа в рассматриваемых обратноходовых преобразователях применяется интегрированный ограничитель напряжения без рассеяния энергии (на схеме не показан). Такой ограничитель позволяет существенно снизить потери на выключение силового ключа и обеспечить рекуперацию в сеть энергии, накопленной в ограничительном конденсаторе или индуктивности намагничивания трансформатора обратноходового преобразователя. Это решение позволяет обеспечить приличные энергетические показатели – 30-ваттный модуль с выходным напряжением 5 В VSC30-2805S характеризуется значением КПД 81% и удельной мощностью 1941 Вт/дм3. Внешний вид конструкций преобразователей показан на рис. 5.

15- и 30-ваттные модели выполнены в корпусах с вертикальным расположением выводов относительно плоскости основания для сквозного и объёмного монтажа. Гладкие втулки, размещённые по двум противоположным углам корпуса, служат для дополнительного крепления модуля, они позволяют притянуть основание корпуса модуля к радиатору. 5-ваттные модули предназначены для сквозного монтажа. Габаритные размеры 5-ваттных модулей 28,19×28,19×8,98 мм, вес 23 г; 15-ваттные модели имеют габариты 28,19×28,19×8,98 мм, вес 32 г; 30-ваттные: 47,88×33,66×8,98 мм, вес 48 г.
30-ваттные модули имеют функцию синхронизации частоты преобразования внешним синхросигналом (от 500 до 600 кГц). Частота синхронизации больше рабочей частоты ШИМ-контроллера (от 400 до 550 кГц) для обеспечения устойчивой работы преобразователя. Использование измерительных входов обратной связи +SENSE и –SENSE, соединённых с нагрузкой по четырёхпроводной схеме, позволяет обеспечить требуемое напряжение непосредственно на контактах нагрузки путём компенсации падения напряжения на проводниках.
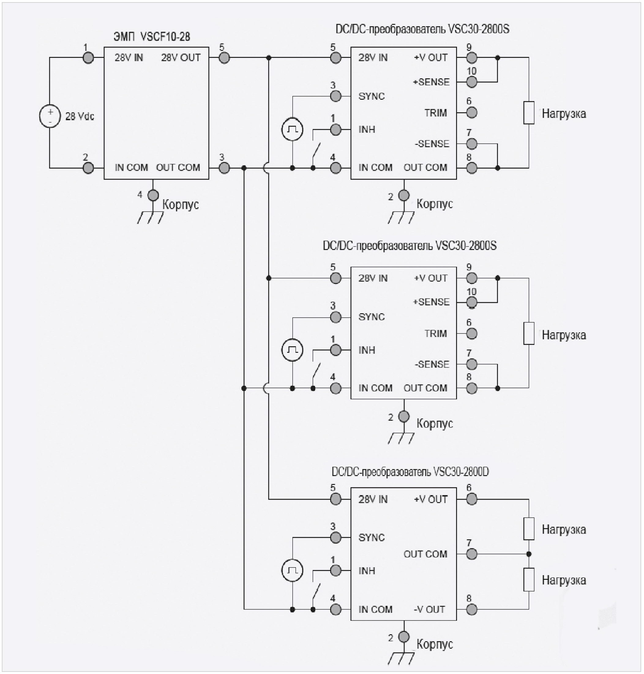
Схема включения трёх модулей VCS30, работающих на разные нагрузки с использованием выводов обратной связи и одним фильтром VSC10-28 на входе показана на рис. 6.

Выводы для подключения внешнего сигнала синхронизации используются при работе на заданной частоте. Эффективность работы фильтра ЭМП при совместной работе с тремя 30-ваттными преобразователями можно оценить по графикам, представленным на рис. 7.

Функция точной настройки выходного напряжения у 15- и 30-ваттных моделей допускает подстройку выходного напряжения у одноканальных моделей на величину –20…+10% от номинального значения выхода подключением подстроечного резистора между выводом TRIM и выходным напряжением или общим проводом, в зависимости от направления регулировки. Функция дистанционного управления включением/выключением 15- и 30-ваттных модулей позволяет организовать определённый алгоритм подачи питания к отдельным узлам, что повышает гибкость применения преобразователей в аппаратуре.
Микросхема широтно-импульсной модуляции (ШИМ) является основным узлом преобразователей напряжения и определяет эффективность импульсного преобразователя, обеспечивает режим с обратной связью по напряжению и дополнительной обратной связью по току дросселя. Но ШИМ-контроллер наряду с ключевым элементом (MOSFET) является наиболее чувствительным к одиночным ионизационным эффектам узлом. Предпочтительно применение ШИМ-контроллеров, выполненных по биполярной технологии, или реализация схемы управления на универсальных микросхемах среднего уровня интеграции (компараторах, операционных усилителях), выполненных по биполярной технологии в полимерном (композит) корпусе.
Зависимость КПД от выходной мощности для одноканальной модели VSC30-2805S для различных входных напряжениях показана на рис. 8.

Небольшое уменьшение КПД для режима с входным напряжением 16 В при максимальной выходной мощности объясняется ростом потерь в элементах модуля при подходе к их предельным энергетическим возможностям. Типовая зависимость КПД от выходной мощности позволяет выбрать оптимальный режим работы модуля в соответствии с условиями применения.
Модули могут работать в большинстве применений без использования внешних компонентов в соответствии с параметрами, приведёнными в спецификации. Встроенные на входе и выходе LC-фильтры обеспечивают низкий уровень пульсаций и помех. Для дополнительного уменьшения пульсаций выходного напряжения и шумов на выходе могут быть установлены небольшие керамические конденсаторы с ёмкостями от 1 до 10 мкФ. В некоторых особых применениях с повышенными требованиями к пульсациям необходимо установить дополнительную ёмкость. Значения максимальной ёмкости на выходе, например, для одноканальной 15- и 30-ваттной модели составляет 1000 мкФ.
Так как преобразователи изолированные, выход может быть сконфигурирован как с положительным, так и отрицательным напряжением. Выходы нескольких преобразователей могут быть соединены последовательно для обеспечения более высоких напряжений. Когда выходы нескольких модулей соединены последовательно, они, естественно, совместно используют нагрузку. Например, два преобразователя VSC30-2812S могут быть соединены последовательно для обеспечения напряжения 24 В при 60 Вт.
100-ваттные DC/DC-преобразователи ряда VSC100
Преобразователи предназначены для преобразования напряжения питания бортовой сети с диапазоном изменения от 16 до 40 В в стабилизированные напряжения 3,3; 5; 12; 15; ±12 и ±15 В. Для входного напряжения допустимо переходное отклонение до 50 В длительностью 1 с.
В настоящее время преобразователи напряжения с выходной мощностью 100 Вт для повышения КПД обычно выполняют по схеме прямоходового преобразователя с активным ограничением, мягким переключением силовых транзисторов и выходным синхронным выпрямителем. Для этого в схему вводится цепь восстановления из вспомогательного транзистора MOSFET и резонансного конденсатора.
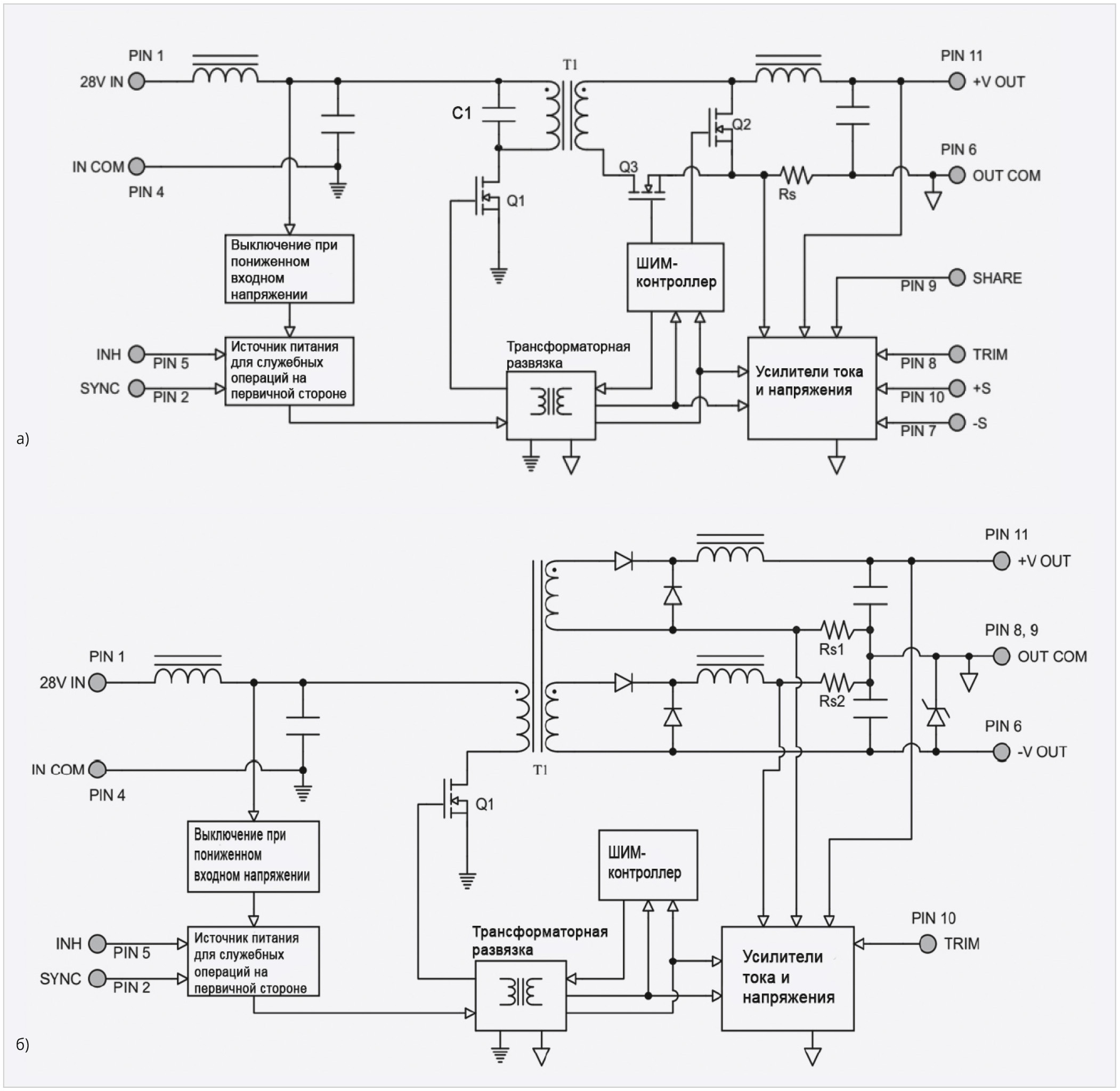
Для исключения из схемы критичного к воздействию радиации элемента – транзистора MOSFET, который при выходе из строя создаёт короткозамкнутый путь от источника входного напряжения с низким импедансом на землю, применяется структура прямоходового преобразователя с одним силовым ключом и резонансным размагничиванием сердечника трансформатора. Структурная схема одноканального преобразователя напряжения VSC100-2800S показана на рис. 9а, двухканальной модели – на рис. 9б.

Отсутствие размагничивающей обмотки упрощает конструкцию плоского трансформатора, а синусоидальная форма напряжения, формируемая резонансной цепью размагничивания, позволяет снизить уровень электромагнитных потерь.
Трансформатор перемагничивается симметрично в двух квадрантах практически с полным двойным размахом индукции. Эффект двухквадрантного перемагничивания трансформатора достигается включением конденсатора C1 к первичной или вторичной обмотке. Данный эффект подробно описан в статье [7]. Детальный пример разработки преобразователя с резонансным размагничиванием приведён в работе [8].
Для повышения КПД в схеме используется синхронное выпрямление с активным управлением. Микросхема ШИМ-контроллера со встроенным источником опорного напряжения размещена на вторичной стороне преобразователя. Этот контроллер передаёт через импульсный трансформатор ШИМ-сигналы на схему, расположенную на первичной стороне и обеспечивающую запуск преобразователя и управление силовым ключом. Сигналы управления транзисторами Q2 и Q3 поступают от цепей контроля первичного ключа Q1. Управление синхронным выпрямителем посредством контроллера позволяет исключить перекрытие зон открытого состояния двух ключей введением задержки между сигналами управления синхронных ключей, избежать сквозной проводимости транзисторов синхронного выпрямителя и не допустить короткого замыкания обмотки трансформатора. Перенос микросхемы ШИМ-контроллера на вторичную сторону преобразователя уменьшает длительность фронтов управляющих напряжений на затворах транзисторов синхронного выпрямителя, что также способствует увеличению КПД. Отсутствие обмотки размагничивания в преобразователе с резонансным размагничиванием позволяет легче выполнять трансформатор по планарной технологии, что обеспечивает уменьшение объёма, массы преобразователя (79 г) и повышение его КПД. Значение КПД модуля VSC100-2815S – 89%, удельная мощность – 4803 Вт/дм3.
Передача ШИМ-сигналов с выхода на вход через трансформатор не приводит к введению каких-либо полюсов или постоянных времени в цепь обратной связи контура регулирования. В результате достигается максимально возможное быстродействие контура регулирования и упрощается задача обеспечения его устойчивости независимо от уровня входного напряжения, тока нагрузки, времени работы или температуры.
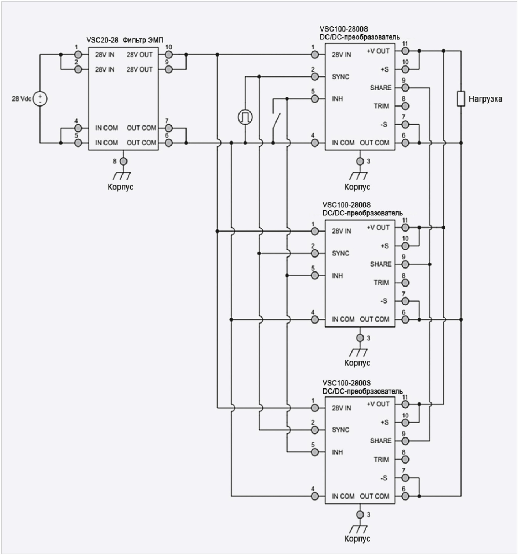
Функция регулировки выходного напряжения позволяет получить нестандартное значение питающего напряжения подключением резистора между специализированным выводом и выходом положительного напряжения или общим проводом, в зависимости от направления регулировки. Максимальный диапазон регулировки выходного напряжения –20…+10% относительно номинального значения. Этой функцией снабжены одно- и двухканальные модели. Для увеличения выходной мощности предусмотрена возможность параллельного соединения до 5 модулей с выравниванием выходных токов модулей с точностью 5% (рис. 10).

Синхронизация частоты параллельно включённых модулей внешним синхросигналом (частота от 240 до 325 кГц) позволяет уменьшить пульсации потребляемого тока и выброс в пульсации выходного напряжения, когда выходные пульсации отдельных модулей оказываются в одной фазе. Передача входного синхросигнала через развязывающий трансформатор на вход ШИМ-контроллера позволяет уровнять потенциал синхросигнала c «сигнальной землёй» ШИМ-контроллера, что исключает помехи от силовых цепей, уменьшается длительность фронтов управляющих напряжений на затворах транзисторов выпрямителя, что ещё больше увеличивает КПД.
Размеры корпуса с вертикальным расположением выводов относительно плоскости основания для сквозного и объёмного монтажа 50,8×39,37×10,41 мм, вес 79 г. Внешний вид конструкции преобразователя серии VSC100 показан на рис. 11.

Гладкие втулки, размещённые по углам корпуса, служат для дополнительного крепления модуля, они также позволяют притянуть основание корпуса модуля к радиатору.
Модули способны длительно стабильно работать при рабочих температурах от – 55°C до +100°С без понижения мощности. Среднее время наработки на отказ модулей серии VSC100-2800S, рассчитанное по военному справочнику MIL-HDBK-217F для условий орбитального полёта (Space Flight, SF) для температуры корпуса +55°С, составляет 12 200 000 ч.
Для обеспечения соответствия требованиям стандарта MIL-STD-461 к уровню излучаемых кондуктивных помех на входе преобразователей предлагаются радиационно-устойчивые пассивные фильтры электромагнитных помех VSCF10-28 и VSCF20-28 с проходными токами 10 и 20 A, обеспечивающие ослабление помех с коэффициентом 55 дБ на частоте 500 кГц.
Эффективность фильтра электромагнитных помех VSC20-28 можно оценить по графикам напряжения помех на входе одноканального модуля VSC100-2800S без применения фильтра (рис. 12а) и с установленным фильтром (рис. 12б).

При использовании фильтра на входе преобразователя уровни помех значительно ниже нормирующей кривой во всём диапазоне частот от 10 кГц до 10 МГц.
Заключение
Многочисленные программы «NewSpace» снижают барьеры в космос созданием шкалы приемлемой радиационной стойкости и риска, таким образом ускоряя принятие новой технологии и предоставляя возможность более многочисленным научным исследованиям и разработкам в космической промышленности.
Компания VPT специализируется в производстве преобразователей напряжения уровня качества Space с глубоким пониманием того, как это осуществить, сделать эти компоненты радиационно-устойчивыми на уровне элемента вплоть до законченного преобразователя.
Для того чтобы соответствовать изменяющимся запросам космической промышленности, компания предлагает радиационно-устойчивые преобразователи, которые обеспечивают оптимизированную по стоимости альтернативу преобразователям с предельным уровнем радиационной стойкости, наряду с этим также применяя фундаментальную программу гарантирования радиационной стойкости (Radiation Hardness Assurance) для обеспечения необходимого качества.
В России всё ещё сохраняется практика комплектации бортовой аппаратуры космических аппаратов для систем связи, использующих низкие орбиты, электронными компонентами c военной приёмкой общего назначения или индустриального уровня качества, проведения входного контроля и большого цикла дополнительных испытаний, затраты на которые во много раз превышают стоимость самих компонентов. Особенно это касается устойчивости к воздействию ионизирующих излучений космического пространства – по дозовым и единичным эффектам.
При этом приобретение новых партий требует проведения полного спектра необходимых испытаний. В результате всей этой работы вероятность отказа компонентов из выбранной партии лишь несколько снижается. Опыт эксплуатации КА на орбите подтверждает это. Отказов в аппаратуре, укомплектованной прошедшими отбор элементами, более чем достаточно. Сохранить работоспособность аппаратуры позволяет только многократное резервирование, снижающее удельные характеристики КА.
Структуры серийных преобразователей напряжения общего назначения, выпускаемых рядом отечественных предприятий, пригодны для изготовления их в варианте с повышенным уровнем радиационной стойкости для применения в перспективных спутниковых системах связи на базе целой плеяды (более 500 спутников до 2029 года и позднее) космических аппаратов, которые будут развёрнуты на низкой круговой орбите высотой 750 км. При этом перенос акцентов с крупных и тяжёлых КА на малогабаритные космические аппараты является одним из возможных направлений сокращения затрат на разработку, изготовление и эксплуатацию КА.
Заменив некоторые критичные полупроводниковые элементы компонентами с подтверждённой радиационной стойкостью, можно гарантировать необходимый уровень радиационной стойкости для законченного преобразователя напряжения.
Российская электронная промышленность выпускает для разработки и изготовления источников питания все необходимые элементы: MOSFET-транзисторы в малогабаритных корпусах для поверхностного монтажа, выполненные из композиционных полимерных материалов, микросхемы ШИМ-контроллеров, микросхемы драйверов затворов MOSFET-транзисторов, микросхемы источников опорного напряжения, быстродействующие диоды и диоды Шоттки, а также многое другое.
Необходимо только организовать совместную работу с производителями электронных компонентов в части проведения испытаний компонентов на радиационную стойкость и мелкосерийное производство источников питания с повышенным уровнем радиационной стойкости.
Использование изделий высокой надёжности со специфицированными показателями радиационной стойкости позволяет повысить удельные характеристики космического аппарата, его надёжность и снизить затраты на комплектацию при производстве космической аппаратуры.
Литература
- Чумаков А.И. Радиационные эффекты в интегральных схемах. М.: ТЕХНОСФЕРА, 2024. 384 с.
- Радиационная стойкость изделий ЭКБ: Научное издание / под ред. д-ра техн. наук, проф. А.И. Чумакова. М.: НИЯУ МИФИ, 2015.
- Сэйбл Д., Скатт Г., Лесли Л. Дж., Рейнуотер С.Л. Экономичные гибридные DC/DC-преобразователи. Характеристики устойчивости к радиационному воздействию // Компоненты и технологии. 2012. № 7.
- Witcher B. White Paper. Radiation Hardness Assurance: VPT’ Approach to NewSpace DC-DC Converter Reliability. The VSC Series: Balancing Affordability and Performance. URL: https://www.vptpower.com/resources/whitepapers/radiation-hardness-assurance-vpts-approach-to-newspac....
- Краснов М., Лукьянов Е., Авсюкевич Д., Надоров И. Специализированные источники вторичного электропитания для космической промышленности // Силовая электроника. 2023. № 2.
- Петит Г. Что нужно знать об испытаниях на выполнение требований ЭМС для изделий военного и аэрокосмического назначения. Краткий обзор // Компоненты и технологии. 2017. № 8.
- Гончаров А.Ю. Эффект двухквадрантного перемагничивания трансформатора классического прямоходового преобразователя // Электронные компоненты. 2007. № 3.
- Герасимов А.А., Кастров М.Ю. Разработка прямоходового преобразователя напряжения с одним силовым ключом и резонансным размагничиванием // Практическая силовая электроника. 2011. № 41.
© СТА-ПРЕСС, 2026
Если вам понравился материал, кликните значок — вы поможете нам узнать, каким статьям и новостям следует отдавать предпочтение. Если вы хотите обсудить материал —не стесняйтесь оставлять свои комментарии : возможно, они будут полезны другим нашим читателям!

