Режимы проверки
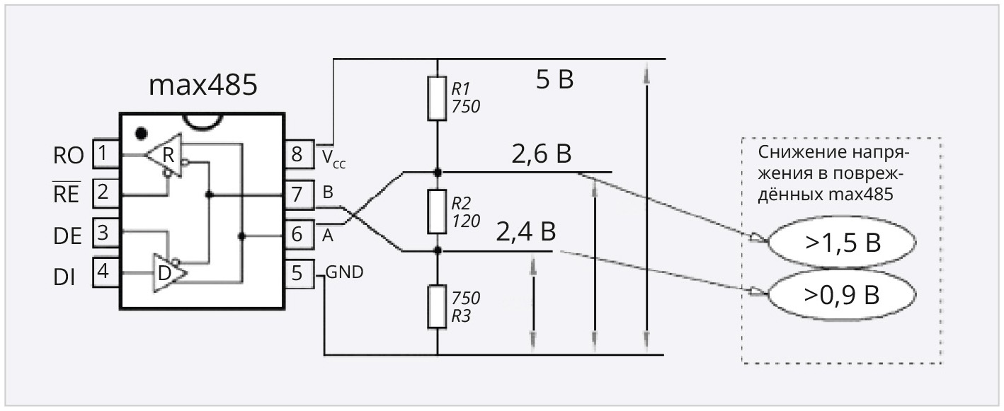
Первый режим – это проверка влияния внутренних сопротивлений микросхемы MAX485 [5] на устанавливаемое напряжение на входах А, B. На рис. 1 показано «задаваемое» напряжение с выбранными уровнями работы и уменьшение напряжения у неисправной микросхемы.

Практика автора показывает, что под действием атмосферного электричества (молний) наведённое напряжение вызывает повреждение, характеризуемое как «уменьшение входного сопротивления», но при этом сохраняется работоспособность для близких узлов MAX485, а для дальних узлов создаются помехи.
«Прозвонить» тестером такой тип неисправности не получается, так как нужно создать режимы работы MAX485.
Второй режим – это передача данных от входов А, B на выход RO. На входы управления RE, DE должен быть установлен уровень «нуля». Данные передаются в «парафазном» виде, то есть Ua > Ub и Ua < Ub, как это выполняется в линии RS-485.
Третий режим – это передача данных от входа DI на входы А, B, которые также имеют «парафазный» уровень при передаче.
Таким образом, проверив уровни напряжения в рабочем режиме, передав байт в обоих направлениях, можно принять решение об исправности или неисправности MAX485.
Принципиальная схема и конструкция
Схема тестера для MAX485 с фотографиями основных элементов представлена на рис. 2.

Схема построена по блочно-шинной структуре и содержит следующие элементы.
- Блок USB-UART подключается через разъём J1. Блок переводит интерфейс USB ПК в UART-сигналы. Передаются и принимаются команды для микроконтроллера (МК) U1(12F675). Этот МК доступен и широко распространён, имеет подробную техническую документацию [4].
- МК U1 работает в режиме внутреннего RC-генератора на частоте 4 мГц, что достаточно для работы UART на скорости 1200 бод, а также позволяет использовать все доступные выводы МК.
- Поскольку для проверки MAX485 требуется пять выводов, и, соответственно, у MК U1 остаётся только один вывод, обмен информацией с персональным компьютером (ПК) выполняется в режиме однопроводного стартстопного метода по одному проводу. При передаче от ПК сигнал TXD через диод D2 приходит на GP5 MK U1 и одновременно этот же сигнал возвращается на RXD и передаётся на ПК. МК принимает сигналы, дешифрует и выполняет команды, а программа на ПК учитывает особенность возвращения переданных данных.
- Передача данных в ПК выполняется всё тем же выводом GP5, который переводится из режима приёма в режим передачи программой МК. Уровни сигнала «нуля» не влияют на выход передачи TXD, поскольку установлен «разделительный» диод D2.
- Для автономной работы используется кнопка S1. При её нажатии формируется сигнал «нуля» на вывод GP5. Поскольку длительность нажатия значительно больше скоростей, используемых для связи с ПК, этот сигнал дешифруется как автономная работа, и, соответственно, выполняется процесс проверки.
- Индикация проверки выполняется также через вывод GP5, который устанавливает длительный сигнала «нуля» и тем самым вызывает заметное постоянное свечение светодиода.
- Все другие выводы от GP0 до GP4 «охватывают» тестируемую микросхему. Формируются различные варианты режимов выводов на «передачу–приём» и на измерение напряжения на выводах А, B для выполнения проверки.
- Питание МК и тестируемой микросхемы MAX485 с напряжением 5 вольт обеспечивает адаптер USB-UART. Потребляемый ток не превышает 10 миллиампер.
- Поскольку схема сравнительно проста и предназначена для ремонтных и учебных целей, она выполнена на монтажной «разъёмной» плате. Собранный вариант доступен для просмотра по адресу [7].
- Принципиальная схема (файл схема_теста_на_мк_12f675_v1.dch) подготовлена в редакторе DIP-TRACE и находится в каталоге [7] архива программы uart_MAX485_test_v1.exe. Файлы извлекаются из программы при старте по клавише «4». Эта команда извлекает все составляющие программного обеспечения и сопутствующую документацию конструкции.
Программное обеспечение
Программное обеспечение подготовлено на языке Forht [8], находится в одном файле uart_MAX485_test_v1.exe и содержит все составляющие для её развития или текущей работы. Первоначальный запуск программы вызовет стартовое меню, на котором необходимо выбрать требуемый режим работы и для этого нажать цифровые клавиши на выбор из четырёх: 1 – восстановить ини-файл uart_MAX485_test_v1.ini, 2 – открыть файл помощи, 3 – восстановить всю информацию для дальнейшей модернизации, 4 – восстановить и скомпилировать новую программу.
Запуск программы в каталоге с наличием файла инициализации выполняется по опциям данного файла. Это текстовый файл, и он доступен для редактирования. Программа подготовлена для вариантов отображения с разными МК: 12F675 и 16F676. Другой вариант МК аналогичен приведённому и отличается дополнительными индикаторами. Выбор МК определяется в консоли, как показано на рис. 3.

При нажатии цифровой клавиши «2» открывается окно тестирования MAX485 на МК 12f675. Выполняется общий тест, и отображаются результаты. Если выявлена ошибка в проверке, её тип индицируется на экране. На рис. 4 показаны окна отображения «с наложением» и на «нижних» окнах показаны варианты индикации разных неисправностей.

Дополнительно на ПК выдаются звуковые сигналы индикации ошибки.
В автономном режиме при нажатии на тестере кнопки S1 выполняются три варианта проверок, и при безошибочном выполнении выдаются три мигания светодиода с интервалом 2 секунды. При фиксации любой ошибки в любом тесте выдаются шесть миганий светодиода с интервалом 0,3 секунды. Визуально индикация ассоциируется с тем, что если мигание быстрое – это ошибка, а если размеренно и с длительностью более 5 секунд, то тест пройден. Увидеть индикацию ошибки можно при отсутствии тестируемой микросхемы.
В каталоге forth_assmb_pik12 находятся файлы на языке Forth-ассемблер программы работы МК. При компиляции общей программы они также компилируются, и в каталоге uart_12F675_test_MAX485 формируются файлы HEХ-кодов для записи в МК. Файлы для МК имеют расширение HEX и записываются в МК любым доступным программатором.
Работа с МК построена на структуре AT-команд. Например, для получения четырёх байт данных о напряжении на входах А, B MAX458 передаём код из четырёх байт:
«AT» (2 байта), x48 (код MAX485), x31 (режим чтения Ua, Ub)
В ответ получаем те же 4 байта, и к ним добавляются 4 байта, содержащих уровни напряжения Ua, Ub. Итого 8 байт данных, где используются для отображения последние четыре байта. Напряжения от тестера и от программы можно сравнить обычным мультиметром, чтобы проверить возможные ошибки.
Другие АТ-команды подробно приведены в файле uart_12F675_test_MAX485.f, так что возможно программировать и на других языках при обращении к МК.
Скорость обращения к МК выбрана в 1200 бод в стандарте 8N1.
Подробности методов тестирования микросхем приёмников-передатчиков MAX485 выходят за рамки данного изложения. При необходимости возможно дополнить свои тесты и свои проверки [6].
Выводы
Предлагаемый тестер уменьшает время поиска неисправности, а также может заменить достаточно дорогие универсальные тестеры микросхем [1–3].
Данная конструкция и метод проверки микросхем связи доступны для расширения и для других интерфейсов связи [6].
Возможно применение подобного тестирования и самой линии связи при наличии свободных вычислительных мощностей и технической необходимости, например, в условиях с высоким уровнем мощности электромагнитных излучений.
Литература
- IC тестер TSH-06F. URL: https://supereyes.ru/catalog/RLC_Meters/ic_tester/?ysclid=mec5nxn0p9230742356.
- Карманный тестер сетей RS-485 и RS-232. URL: https://cxem.net/comp/comp226.php.
- Цифровой IC тестер 74 серии. URL: https://lazon.ru/p/32949302969.
- Описание МК 12F675. URL: https://www.allelcoelec.ru/blog/introduction-to-the-pic12f675-microcontroller-for-beginners.html.
- Описание MAX485. URL: https://static.chipdip.ru/lib/634/DOC020634647.pdf.
- Отечественная организация по анализу отказов ЭКБ. URL: https://test.irz.ru/.
- Каталог программы. URL: http://90.189.213.191:4422/temp/uart_MAX485_test_v1/test/.
- Описание языка Форт spf4.exe, автор версии А. Черезов. URL: https://ru.wikipedia.org/wiki/SP-Forth.
© СТА-ПРЕСС, 2026
Если вам понравился материал, кликните значок — вы поможете нам узнать, каким статьям и новостям следует отдавать предпочтение. Если вы хотите обсудить материал —не стесняйтесь оставлять свои комментарии : возможно, они будут полезны другим нашим читателям!

