Введение
Автоматические регуляторы представляют собой большую группу автоматических управляющих устройств, которые вырабатывают регулирующее воздействие в системах автоматического регулирования, если регулируемая величина отклонится от заданного значения, или изменяют регулируемый параметр по заданной программе. Важнейшим свойством любого регулятора является алгоритм (закон) регулирования:
U = f (ε; t),
где: U – выходной сигнал регулятора, t – время, ε – сигнал рассогласования, ε = Р–Х, Р – уставка, Х – регулируемая величина.
В настоящее время находит применение большое разнообразие автоматических регуляторов, которые можно классифицировать по различным признакам. По числу фиксированных положений (позиций) различают: двух-, трёх- и многопозиционные регуляторы. Трёхпозиционные регуляторы обеспечивают хорошее качество регулирования для инерционных объектов с малыми запаздываниями. ТР применяются в системах управления уровнем различных веществ, в системах управления нагреванием-охлаждением различных тепловых процессов. Статическая характеристика трёхпозиционного регулятора без гистерезиса приведена на рис. 1.

Трёхпозиционный закон регулирования можно описать формулой:
|
|
Umax, если ɛ ˃ b; Г = 0б, если –и ˂ ɛ ˂ иж; –Umax, если ɛ ˂ –b. |
В закон регулирования вводится некоторый интервал регулируемой величины: зона нечувствительности 2b. За пределами данного интервала регулятор включает или верхнюю, или нижнюю позицию, или, внутри зоны нечувствительности, среднюю. Все четыре переменные (значения верхней, средней и нижней позиций, а также ширину зоны нечувствительности) можно менять в достаточно широких пределах. А значит, они могут быть использованы в качестве параметров настройки. На практике чаще всего находят применение регуляторы следующих типов:
- с фиксированными позициями и настройкой ширины зоны нечувствительности;
- с фиксированными верхней и нижней позициями и настройкой средней позиции и ширины зоны нечувствительности;
- с возможностью настройки всех трёх позиций и ширины зоны нечувствительности.
Структурная схема трёхпозиционной системы регулирования приведена на рис. 2,

где: ТР – трёхпозиционный регулятор, ОР – объект регулирования, SP – узел формирования заданной точки, E – рассогласование регулятора, PV = Х – регулируемая величина, сигналы Б (больше) и М (меньше) – управляющие воздействия, Z – возмущающее воздействие.
При трёхпозиционном регулировании на аппаратном уровне в устройстве управления подразумевается наличие двух выходных сигналов. Один сигнал управляет нагревателем, другой – охладителем. Три уровня воздействия на объект регулирования (три позиции) формируются путём включения либо нагревателя, либо холодильника, либо выключением обоих.
Статическая характеристика для трёхпозиционной системы регулирования без перекрытия с применением нагревателя и охладителя приведена на рис. 3.

На рис. 3а представлена статическая характеристика для нагревателя в составе системы, а на рис. 3б – для охладителя, где: А = 2DB – зона нечувствительности, Н – гистерезис для нагревателя, L – гистерезис для охладителя, SPH – уставка для нагревателя, SPL – уставка для холодильника.
Алгоритм трёхпозиционного регулятора выглядит следующим образом. Выходная величина YБ равна максимальному воздействию – нагреватель включен. Нагреватель первоначально включается, если Х ˂ SPH–H. Выходная величина YБ равна минимальному воздействию – нагреватель выключен. Нагреватель выключится, если Х ˃ SPH+H, и вновь включится при Х ˂ SPH–H.
Выходная величина YМ равна максимальному воздействию – охладитель включён. Охладитель первоначально включается, если Х ˃ SPL+L. Выходная величина YМ равна минимальному воздействию – охладитель выключен. Охладитель выключается, если Х ˂ SPL–L.
При управлении электродвигателем исполнительного механизма (запорно-регулирующего клапана) трёхпозиционный регулятор включает его при помощи переключательных элементов на правое вращение (1 позиция), останавливает (2 позиция) или включает на левое вращение (3 позиция).
Функция трёхпозиционного регулирования в измерителях-регуляторах (терморегуляторах)
Пожалуй, самые массовые приборы, где реализовано трёхпозиционное регулирование, – это микропроцессорные измерители-регуляторы (далее терморегуляторы). Они широко применяются в автоматизированных системах управления технологического процесса АСУ ТП, где решаются такие задачи, как выпекание хлеба, обжиг кирпича, закалка стальных деталей и пр.
Данные приборы предназначены для измерения и автоматического регулирования температуры (при использовании в качестве первичных преобразователей термопреобразователей сопротивления или термоэлектрических преобразователей), а также других физических параметров (давления, влажности, расхода, уровня и т.п.), значение которых первичными преобразователями (датчиками) может быть преобразовано в напряжение постоянного тока или унифицированный электрический сигнал силы постоянного тока в единицах измерения физической величины или в процентах от максимального значения диапазона измерений. Терморегулятор является средством автоматизации, главным функциональным узлом в локальной автоматизированной системе управления обогрева (или охлаждения) технологического процесса, вокруг которого строится сама система.
Решаемые при этом задачи:
- многоканальное или одноканальное регулирование температуры;
- регулирование разности температур между каналами;
- работа в режиме двух-, трёхпозиционного или ПИ-, ПИД-регулирования температуры;
- измерение, сигнализация, регулирование температуры в распределённых автоматизированных системах управления технологическими процессами и т.д.
Было бы расточительным и нецелесообразным наделять подобные приборы только функцией трёхпозиционного регулирования. Как правило, в терморегуляторах, кроме аппаратных и программных ресурсов, которые реализуют данную функцию, есть ещё отдельные каналы с ПИД-регулированием, сетевой интерфейс, сигнализация различных температурных режимов и многое другое. То есть трёхпозиционное регулирование – одна из многих функций, которыми наделены подобные приборы.
Основные отечественные производители терморегуляторов: компания ОВЕН (г. Москва), НПФ «КонтрАвт» (г. Нижний Новгород), ООО НПП «Системы контроля» г. Пермь и др.
Если в некоторых терморегуляторах и есть только функции двух- или трёхпозиционного регулирования, то их, как правило, выпускают многоканальными. Рассмотрим работу терморегулятора в режиме трёхпозиционного регулирования на примере прибора МЕТАКОН-532. Функциональная схема прибора с подключёнными исполнительными устройствами приведена на рис. 4, где БС – блок симисторный, К – ключ (в качестве ключа может быть задействовано твердотельное реле).

Рассмотрим работу МЕТАКОН-532 в режиме трёхпозиционного регулирования.
Прибор трёхканальный. В каждом канале можно реализовать независимое трёхпозиционное регулирование. На рис. 5 представлены функции компараторов Н и L, которые реализуют функции регулирования и/или сигнализации.

Работа компараторов программируется конфигурацией их параметров. В качестве параметров компараторов, которые необходимо задать для работы в трёхпозиционном регулировании, выступают:
- функция компаратора Н (задаётся при конфигурировании);
- параметры H и h (относятся к компаратору Н, задаются при работе);
- функция компаратора L (задаётся при конфигурировании);
- параметры L и l (относятся к компаратору L, задаются при работе).
Параметры H, h, L, l (уставки) имеют различное определение в зависимости от установленной при конфигурировании функции компаратора. Эти параметры относятся к оперативным и предназначены для внесения оператором в ходе работы (раздельно для каждого канала и компаратора). Более подробно работа и технические характеристики данного терморегулятора приведены в [1].
Новичкам кажется, что терморегуляторы – приборы очень «навороченные», со сложными интерфейсами управления. В этой части у разных производителей есть определённые отличия. А между тем разобраться в их работе совсем несложно. В МЕТАКОН-532 есть три основных режима работы:
- режим РАБОТА – основной рабочий режим, который устанавливается при включении питания. В этом режиме возможно задание оперативных параметров (уставок) компараторов. Компараторы работают в соответствии с заданной функцией и уставками. При этом отслеживаются аварийные ситуации;
- режим КОНФИГУРИРОВАНИЕ предназначен для задания конфигурационных параметров прибора и получения некоторой дополнительной информации о приборе. В режиме конфигурирования вся основная работа приостанавливается, выходы переходят в закрытое (разомкнутое, непроводящее) состояние;
- режим ПОВЕРКА (входит в режим конфигурирования) предназначен для проверки метрологических свойств прибора и его работоспособности.
Реализация трёхпозиционного регулятора на компонентах релейной автоматики
Принципиальная схема блока управления на базе термореле ТР-М02 (производства ООО «МЕАНДР», г. Санкт-Петербург), реализующего трёхпозиционное регулирование, приведена на рис. 6.

Термореле ТР-М02 (далее ТР-М02) предназначено для контроля и поддержания заданного температурного режима по сигналам датчика температуры на базе микросхемы DS 18B20 Dallas Semiconductor (Maxim). Они выпускаются в унифицированном пластмассовом корпусе с передним присоединением проводов питания и коммутируемых электрических цепей. Крепление осуществляется на DIN-рейку шириной 35 мм (ГОСТ Р МЭК 60715-2003) или на ровную поверхность.
На лицевой панели ТР-М02 расположены: трёхразрядный индикатор, кнопки «+» и «–» для установки параметров работы, жёлтый индикатор срабатывания встроенного реле. ТР-М02 может работать в двух режимах – «нагрев» или «охлаждение» – и имеет две диаграммы работы. «Нагрев» – режим, при котором встроенное реле включено, если контролируемая температура ниже установленной (нагреватель). «Охлаждение» – режим, при котором встроенное реле включено, если контролируемая температура выше установленной (холодильник). На трёхразрядном индикаторе отображается значение текущей измеряемой температуры. Если нарушена полярность подключённого датчика или датчик не исправен, на индикаторе отображается ошибка «Err». При нажатии кнопки «+» на индикаторе отображается значение температуры порога ON. При нажатии кнопки «–» на индикаторе отображается значение температуры порога OFF. Срабатывание встроенного реле индицируется жёлтым индикатором на лицевой панели. Если реле сработало, горит жёлтый индикатор, при этом замыкаются контакты 11–14 (рис. 6). Диаграмма работы выбирается автоматически, в зависимости от установленных температур порога ON и порога OFF. Если OFF > ON – режим «нагрев», в обратном случае – «охлаждение». Установка температуры включения реле (порог ON) – нажать и удерживать в течение 5 секунд кнопку «+». Значение температуры на индикаторе начнёт мигать с периодом 1 секунда. Кнопками «+» и «–» установить значение параметра. Сохранение значения и выход в рабочий режим произойдёт через 5 секунд, если не нажимать кнопки. Установка температуры выключения реле (порог OFF) – нажать и удерживать в течение 5 секунд кнопку «–». Значение температуры на индикаторе начнёт мигать с периодом 1 с. Кнопками «+» и «–» установить значение параметра. Сохранение значения и выход в рабочий режим произойдёт через 5 с, если не нажимать кнопки. В табл. 1 представлены основные технические характеристики ТР-М02 для модификаций с питающими напряжениями ACDC36-265В и ACDC10-30В.

Более подробно работа и технические характеристики ТР-М02 приведены в [2]. Временна́я диаграмма ТР-М02 в рабочих режимах приведена на рис. 7.

ТР-М02 поставляются в комплекте с датчиками температуры ТД-2 или ТД-3 (необходимо указать при заказе) на базе микросхемы DS 18B20 Dallas Semiconductor (Maxim). ТД2 отличается от ТД3 только конструктивным исполнением. Статическая характеристика для трёхпозиционной системы регулирования с применением двух ТР-М02 приведена на рис. 8.

Рассмотрим работу принципиальной схемы блока управления, представленной на рис. 6. ТР-М03 АВ1 управляет нагревателем, который подключается к соединителю ХS1. ТР-М02 АВ2 управляет холодильником, который подключается к соединителю ХS2. Для термореле АВ1 необходимо задать температурные пороги ON1 и OFF1. Так как АВ2 работает в режиме «нагрев», то OFF1 ˃ ON1. Для термореле АВ2 необходимо задать температурные пороги ON2 и OFF2. Так как АВ2 работает в режиме «охлаждение», то ON2 ˃ OFF2.
Реализация трёхпозиционного регулятора в программируемом реле
Устройство выполнено на базе программируемого реле ОВЕН ПР205-24.1211.02.2.0 (далее программируемое реле или ПР205).
ПР205 предназначено для построения простых автоматизированных систем управления технологическим оборудованием и программируется в среде Owen Logic на языке FBD (а также на языке ST). Пользовательская программа записывается в энергонезависимую Flash-память прибора.
Прибор поддерживает следующие функции:
- работа по программе, записанной в память;
- отображение данных и мнемосхем на графическом цветном экране;
- ввод и редактирование данных с помощью кнопок на лицевой панели;
- работа в сети RS-485 по протоколам Modbus RTU/Modbus ASCII в режиме Master или Slave;
- работа в сети Ethernet по протоколу Modbus TCP в режиме Slave;
- обработка входных сигналов от датчиков;
- управление подключёнными устройствами с помощью дискретных или аналоговых сигналов.
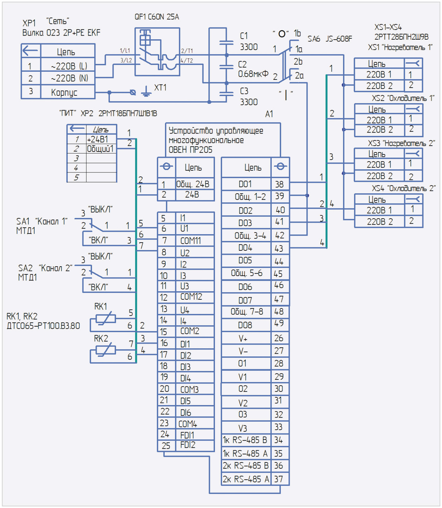
Более подробно работа ПР205 приведена в [3]. На рис. 9 приведена принципиальная схема блока управления двухканального трёхпозиционного регулятора на базе ПР205.

В табл. 2 приведено функциональное назначение дискретных и аналоговых входов ПР205.

В табл. 3 приведено функциональное назначение дискретных выходов реле ПР205 в устройстве.

В устройстве к соединителям XS1 и XS2 подключаются соответственно нагреватель и охладитель канала № 1. К соединителям XS3 и XS4 подключаются соответственно нагреватель и охладитель канала № 2. Программные и аппаратные ресурсы позволяют реализовать на одном ПР205 четыре независимых трёхпозиционных регулятора (четыре канала). Скриншот управляющей программы, реализующей трёхпозиционное регулирование в среде OWEN Logic (два независимых канала), приведён на рис. 10.

Трёхпозиционный регулятор канала № 1 выполнен на базе макроса 2PosHisReg1 (нагреватель) и макроса 2PosHisReg2 (охладитель). Канал измерения температуры выполнен на макросе (Pt100)1. При проведении пусконаладочных работ в режиме КОНФИГУРИРОВАНИЕ необходимо задать следующие параметры: уставку H1, гистерезис h1, уставку L1, гистерезис l1. После установки данных параметров необходимо перевести тумблер SA1 «Канал 1» в положение «ВКЛ». Логика работы канала № 2 аналогична логике работы канала № 1. Статическая характеристика для трёхпозиционного регулятора (канал № 1) приведена на рис. 11.

На рис. 12 приведён скриншот управляющей программы и менеджера экранов в среде OWEN Logic в режиме симуляции.

На рис. 12 смоделированы следующие режимы работ устройства:
- канал № 1 трёхпозиционного регулятора функционирует в режиме «Нагрев»;
- канал № 2 трёхпозиционного регулятора функционирует в режиме «Охлаждение».
Заключение
Трёхпозиционное регулирование представляет собой современную технологию, позволяющую эффективно управлять работой промышленного оборудования. Применение готовых решений для устройств управления, реализующих трёхпозиционное регулирование, значительно упрощает разработку и внедрение в производство автоматизированных систем управления технологических процессов АСУ ТП.
Необходимо отметить, что успешная реализация готовых решений в конкретной АСУ ТП зависит от правильного подбора компонентов системы. Необходимо учитывать такие параметры, как мощность исполнительных устройств, диапазон рабочих температур, уровень защиты оборудования и специфика технологического процесса. В условиях растущих требований к автоматизации производственных процессов эта система становится незаменимым инструментом для достижения оптимальной производительности. На практике трёхпозиционное управление успешно применяется во многих отраслях промышленности и науки.
Литература
- МЕТАКОН 5х2. Руководство по эксплуатации ПИМФ.421243.058 РЭ.
- Термореле ТР-М02 ТУ 3425−003−31928807−2014. Руководство по эксплуатации.
- Руководство по эксплуатации. Устройства управляющее многофункциональное ПР205.
- URL: https://www.owen.ru.
- URL: https://www.сontravt.ru.
- URL: https://www.termodat.ru.
- URL: https://www.meandr.ru.
© СТА-ПРЕСС, 2025
Если вам понравился материал, кликните значок - вы поможете нам узнать, каким статьям и новостям следует отдавать предпочтение. Если вы хотите обсудить материал - не стесняйтесь оставлять свои комментарии : возможно, они будут полезны другим нашим читателям!

