Предпосылки развития СЭМПЛ в России
СЭМПЛ активно и уже много лет применяют в Израиле, США, Великобритании, Финляндии, Испании и многих других странах. В России при фактически многолетнем наличии уголовно-исполнительных инспекций (УИИ) в исправительной системе под управлением Федеральной службы исполнения наказаний (ФСИН РФ) СЭМПЛ начали применять относительно недавно: примерно 13 лет назад. Эта возможность открылась по нескольким причинам. Во-первых, была проблема перенасыщения тюрем, и осуждённых по статьям небольшой тяжести или на заключительных сроках отбывания наказаний старались переводить на более мягкий режим. Во-вторых, среди отбывающих наказание всегда были разные категории осуждённых. Сложно поставить рядом уголовника-рецидивиста и мать пятерых несовершеннолетних детей, совершившую преступление по неосторожности. Поэтому возникла необходимость дифференцировать в части условий реализации наказания и следственной изоляции разные категории осуждённых и подозреваемых. В-третьих, с развитием устойчивой беспроводной связи появилась возможность технического осуществления дистанционного контроля за местонахождением и даже занятиями осуждённых к ограничению свободы подконтрольных лиц, в том числе при избранной мере пресечения «домашний арест». Все эти факторы так или иначе взаимосвязаны между собой. В результате было усовершенствовано и правовое поле: в поправках к Уголовно-исполнительному кодексу с 1 января 2010 года регламентировали такие понятия, как «домашний арест» для гражданских лиц и сопутствующие правовые нормы [2, 10]. На рис. 1 представлена схема элементов в СЭПМЛ.

Как правило, браслет – как контрольный элемент – фиксируется на ноге (рис. 2).

На рис. 3 представлен вид действующей системы СЭМПЛ-36.

Из открытых статистических данных понятно, что в 2023 году под контролем СЭМПЛ в Росси и находились 22,5 тыс. осуждённых на ограничение свободы и 32,2 тыс. лиц, которым суд назначил домашний арест или запрет определённых действий. За один только год с помощью СЭМПЛ выявлено более 7 тыс. нарушений порядка и условий отбывания наказания и исполнения мер пресечения [1]. За более ранний период времени, кроме прочего, есть статистика, представленная в научной (рецензируемой ВАК РФ) работе [2]. В этой связи может быть интересен график роста применения электронных браслетов и СЭМПЛ в целом в последние 10 лет в России, представленный на рис. 4.

Эта тенденция ещё более увеличилась в последние годы, статистики по которым ещё нет.
При внедрении СЭМПЛ ФСИН России использовала передовой опыт своих зарубежных коллег [12]. В частности, были заимствованы отдельные технические решения при производстве электронных браслетов, стационарных контролирующих устройств (СКУ) и мобильных контролирующих устройств (МКУ) – рис. 5.

Более того, до последнего времени элементы СЭМПЛ в России не производили «от и до» на отечественной элементной базе, поскольку в полном объёме таких компонентов пока не существует. Поэтому электронные устройства СЭМПЛ закупались в КНР и затем адаптировались силами профильного (для ФСИН) учреждения – Федерального государственного унитарного предприятия «Центр информационно-технического обеспечения и связи Федеральной службы исполнения наказаний» (ФГУП ФСИН России) к непосредственному применению в российских условиях. Причём нередко элементам системы присваивались собственные «номера» моделей, к примеру СЭМПЛ-36, но состоит она всё же из китайских компонентов. Та же ситуация относительно производства элементов СЭМПЛ актуальна в других странах мира.
Более того, в России запатентовали в сочетании с СЭМПЛ собственные полезные модели, причём вся система взаимодействия только в России считается инновационной. На самом деле в некоторых других странах, на примере США, Великобритании, Израиля и др., система была изобретена и отлажена более 30 лет назад, а затем совершенствовалась в соответствии с развитием сотовой связи и GPS-позиционирования. За примерами отечественных патентов можно обратиться в том числе к источникам [6, 8].
Отличия отечественных элементов СЭМПЛ от зарубежных заметны в меньшем физическом весе и габаритах отдельных устройств, связанных с приёмопередатчиками ГЛОНАСС (в других странах позиционирование происходит с помощью иных спутниковых систем), а также в конструктивной адаптации браслетов к резким перепадам температур и особенностям климата в регионах.
Итак, система ЭМПЛ запатентована в России как полезная модель, однако количество усовершенствований и модификаций системы за рубежом постоянно увеличивается. В нашей стране пока только высказывают авторитетные мнения о необходимости (силами ЦИТОС) модифицировать систему и делать новые разработки с расширенным функционалом, соответствующим вызовам времени.
Тем не менее такие мнения есть. «Сейчас стоит задача гуманизации пенитенциарной системы, например, за преступления по неосторожности. Если изоляция [от общества] не требуется, а человек готов соблюдать все требования домашнего ареста или ограничения свободы, то надо их применять, чтобы не нагружать систему, не вовлекать человека в уголовную среду. При увеличении количества домашних арестов нагрузка на сотрудников уголовно-исполнительных инспекций, несомненно, возрастёт, поэтому техника должна брать большую часть рутинной работы на себя», – сообщил С.В. Щербаков, назначенный указом президента от 2 июля 2024 года заместителем директора ФСИН с задачей курирования цифровизации и в целом развития отрасли [1].
Отсюда понятно, что уже на высоком уровне пытаются усовершенствовать электронные браслеты для возможности более частого применения домашнего ареста вместо заключения под стражу и ограничения свободы вместо отправки в колонию. С технической стороны необходим качественный импульс в части новых разработок СЭМПЛ, создании устройств в сегменте микроэлектроники с улучшенной системой позиционирования, повышенной ёмкостью аккумулятора и дополнительным функционалом для более качественного отслеживания местоположения подконтрольных лиц.
Среди браслетов для СЭМПЛ (зарубежное название – «трекер для контроля заключенных») известны более 220 моделей, из них больше половины применяются ФСИН России. Среди них порядка 70 видов браслетов с ограниченным функционалом, то есть условно старых, но при этом недорогих по себестоимости. К ним относятся системы, работающие по принципу «ответного сигнала», но без функции отслеживания подконтрольного лица. К примеру, на браслет, снабжённый световым и звуковым индикаторами, совмещёнными с миниатюрным моторчиком вибрации, поступает сигнал с пульта контроля. «Лицо с браслетом» должно в течение непродолжительного времени нажать на устройстве контрольную кнопку для формирования и дистанционной беспроводной передачи ответного сигнала. Как вариант подобной взаимосвязи подконтрольное лицо должно позвонить по телефону своему инспектору с определённого своего номера. В первых простых моделях браслетов применялись крепления с фиксацией отверткой с нестандартными шлицами.

Типичный браслет СЭМПЛ модели Megastek 4G, представленный на рис. 6, имеет следующие технические характеристики. Браслет оснащён относительно мощным встроенным Li-Ion аккумулятором с номинальным напряжением 3,8 В и ёмкостью 2000 мА. В средней активности системы (без сигналов тревоги) и при условии «свежего» хорошо заряженного устройства энергии аккумулятора хватает на 10 суток использования без подзарядки. Поддерживает стандарты GPS, Wi-Fi, AGPS, LBS с высокой точностью определения позиций. Сотовая связь LTE обеспечивается при помощи установленной внутри корпуса SIM-карты 3G/4G. Может подавать сигнал SOS. Время зарядки до полной ёмкости АКБ составляет примерно 2,5 часа. Диапазон допустимых температур: –20…+55°С. Ток потребления в активном режиме тревоги – 70 мA. Уровень защиты – IP68. Габаритные размеры – 70×43×29 мм. Изготовлен из износостойкого пластика. Тем не менее из-за низкого качества бывают случаи ложной тревоги.
Есть и гендерные особенности: женщины с тонкими предплечьями могут исхитриться и снять браслет с руки, поэтому им браслет крепится на ногу. Однако сразу же возникла другая проблема: с браслетом на ноге женщина не может надеть ни колготки, ни сапоги. Такие вопросы решаются сотрудниками УИС индивидуально.
СЭМПЛ представляет собой радиометку (сам браслет) и адаптированное для работы с ним беспроводным способом стационарное контролирующее устройство (СКУ), обеспечивающее непрерывный круглосуточный приём сигнала с электронного браслета. Последнее устанавливается в квартире, работает от осветительной сети 230 В, но также имеет внутренний аккумулятор на случай отключения электроэнергии. Постоянное ношение браслета не отменяет контрольных визитов инспектора УИС без предупреждения: два раза в неделю. Но закон требует разрешение собственника квартиры на установку электронного оборудования. Из правоприменительной практики ясно, что, если собственник помещения родственник подконтрольного лица откажется давать необходимое согласие, потому что очень боится гаджетов, сотрудники ФСИН будут навещать подконтрольного чаще, система СЭМПЛ установлена не будет, и закон не нарушат.
На рис. 7 представлена наглядная иллюстрация назначения СЭМПЛ.

Особенности браслетов СЭМПЛ
Первые модели браслетов выпуска 2010–2012 годов применяют до сего дня, ибо по специальному заказу заготовлено их было несколько миллионов. Инспектор отдела охраны (ОО) или отдела режима (ОР) надевает и фиксирует браслет на ногу или руку подконтрольного лица и проводит его настройку с помощью второго устройства в системе – программатора со встроенным модулем LTE и GPS. Этот шаг представлен на рис. 8.

Радиоэлектронный браслет (РБ) – специализированное электронное устройство, предназначенное для ношения на теле лица, состоящего на учёте в уголовно-исполнительной инспекции (УИС), подконтрольного лица, в отношении которого судом определена мера ограничения свободы в виде домашнего ареста (и в других случаях) с целью постоянной дистанционной идентификации и отслеживания его места нахождения. При этом РБ имеет встроенную систему контроля несанкционированного снятия и вскрытия корпуса. При подобных несанкционированных действиях на пульт дежурного инспектора УИИ поступает сигнал тревоги.
Внешний вид браслетов системы ЭМПЛ может отличаться в зависимости от модели браслета: сегодня применяется более восьми модификаций, разработанных с 2010 по 2014 год. Система в оформленном виде заработала с 2012 года, но и сегодня ещё далека от совершенства. Так, ЦИТОС ФСИН РФ разрабатывает новое техническое задание на модернизацию СЭМПЛ. Один из вариантов СЭМПЛ представлен на рис. 9.

Ремешок сделан из силикона с регулировкой длины и системой защиты от перерезывания: в силиконовый состав вживлены стальные нити. Так же, как в ХХ веке для укрепления стекол во внутренних дверях жилых домов и общественных зданий вставлялись скреплённые между собой проволочные нити в виде сетки – так называемые армированные стёкла. При ударе стекло деформировалось (вдавливалось), но не рассыпалось. Что касается ремешков браслетов СЭМПЛ, в каждом идут 3–4 продольные стальные нити, перекусить которые можно только с помощью специального инструмента – бокореза. Это действие представлено на рис. 10.

Стальные нити внутри браслета подключены к внутреннему датчику контроля, который срабатывает по принципу «на разрыв»: выдаёт цифровой сигнал «тревоги» при нарушении целостности электрической цепи, элементом которой являются стальные нити внутри силиконового ремешка. Соответственно, при санкционированном снятии браслета этим занимается (перекусывает ремешок механическим способом) сотрудник УИС ФСИН, предварительно отключив контроль на ответной части системы ЭМПЛ.
Что касается относительно новых моделей браслетов и в целом СЭМПЛ образца 2014 года, то браслеты в них уже являются многоразовыми, то есть защищёнными от несанкционированного повреждения и снятия, а модуль фиксации в электронном браслете имеет дистанционно активируемую защёлку-фиксатор ремешка. На рис. 11 представлен браслет в переносном зарядном устройстве, где также видны элементы ремешка и электронной защёлки.

Тревожный сигнал на пульт оператора от СЭМПЛ поступает при попытке вскрыть или повредить браслет при внешних механических воздействиях, перерезании ремешка-фиксатора, при понижении температуры (срабатывает датчик температуры при попытке снять браслет), при нажатии на кнопку SOS. Также устройство сформирует и передаст тревожный сигнал, если человек с браслетом отойдёт от СКУ более чем на 20–100 метров (параметр регулируется). При этом домашний Интернет специально не блокируется, им могут пользоваться другие люди и члены семьи. Инспектор УИС всегда может связаться с поднадзорным лицом, и, если тот не отвечает, инспектор должен выехать на место и разобраться в том, что произошло. Если очевидно, что подконтрольное лицо грубо нарушает установленный режим, материалы передаются в отдел розыска, и оперативники начинают поиски беглеца. Взаимодействие элементов СЭМПЛ можно увидеть на рис. 12.

Браслеты отличаются по параметрам. Устаревшие РБ представлены на рис. 13.

Более совершенные устройства типа СЭМПЛ-36, Мета, МТ65, МТ110, МТ200, G737P, Xexun, Hesvt S3 и аналогичные по функционалу, имеющиеся на вооружении пенитенциарных систем как в России, так и в других странах мира, имеют расширенный функционал. Внешний вид браслета Hevst S3 представлен на рис. 14.

С помощью такого РБ можно отслеживать в постоянном режиме перемещение человека даже в одном помещении, не то что вне его. У новых браслетов GPS-модуль имеет улучшенные показатели восприимчивости сигналов спутников (GPS): –159 dBm APP/PC, что обеспечивает точность определения местоположения до 5 метров, уровень защиты от воды от IP65 до IP68 с ёмкостью литиевого аккумулятора 1600–2000 мА/ч (напряжение 3,7–3,8 В) при весе всего 38 г.
Причём модуль GPS работает даже под водой. То есть с таким браслетом на руке или ноге можно принимать душ, плавать в бассейне (у кого он доступен дома) и мыть руки. Такие браслеты можно приобрести относительно свободно, к примеру, у китайского поставщика Али Экспресс по цене от 25 до 70 тыс. рублей и с доставкой по России. Что касается ответных устройств для настройки и тестирования, то в свободной продаже их нет.
Состав СЭМПЛ
Стационарное контрольное устройство (СКУ) установлено в диспетчерской, в кабинете инспектора или на посту дежурной смены подразделения УИС ФСИН. Мобильное контрольное устройство, по функционалу напоминающее планшет (КПК), имеет инспекторский состав УИС для контроля или поиска нарушивших режим ограничения свободы лиц. Устройство идентификации подконтрольного лица (УИПЛ), в зависимости от модели и конфигурации СЭМПЛ, состоит из закреплённого на руке или ноге радиоэлектронного браслета (РБ) и устройства, выполняющего функцию «пейджера» с обратной связью, или РБ в сочетании с передатчиком на поясе или рядом с человеком – в этом случае в системе действует также функционал приёма-передачи сигналов GPS, как показано на рис. 12. Блок-схема, из которой понятен алгоритм работы системы, представлена на рис. 15.

При необходимости в цепи взаимодействия может быть задействовано приёмо-передающее усилительное устройство (ППУУ) с функцией усиления сигналов передатчика СЭМПЛ. Такая ситуация может быть актуальна при осуществлении контроля над соответствующим контингентом в местах их удалённой работы (не дома).
Браслет состоит из замка, датчика температуры и радиомодуля приёмопередатчика. Датчик температуры нужен для того, чтобы дополнительно следить за контактом с телом человека, и является элементом контроля против снятия браслета, управляющегося с помощью микроконтроллера и питающегося от аккумулятора. Это характерно для всех типов электронных браслетов, модернизация которых часто происходит за счёт улучшения защиты корпуса и застёжки от взлома. Может показаться странным, что при разработке такого «умного» устройства слежения основное внимание уделяется противодействию примитивному способу взлома. Однако это оправдано тем, что при несанкционированном снятии браслета невозможно точно установить местоположение конкретного человека. В этой связи уместно рассматривать методику определения мест для размещения элементов системы электронного мониторинга подконтрольных лиц на базе радиосети передачи данных с применением геоинформационных технологий [3, 12].
Некоторые особенности и традиции систем контроля
В пенитенциарной системе России издавна, начиная со времён «инвалидных рот» и «инвалидных команд», когда впоследствии переименованные из них в «нестроевые» части армии занимались в том числе охраной малых крепостей, «съезжих домов», «острогов» и тюрем, принято разделение служб. Так, охрана места заключения (по внешнему периметру) была в ведении «отдела охраны» (ОО), а охрана заключённых или подозреваемых внутри тюрьмы, колонии, изолятора временного содержания (ИВС) или следственного изолятора (СИЗО) – в ведении «отдела режима» (ОР). Сотрудники отдела режима контролируют также особый контингент заключенных – «расконвоированных ЗК», которым разрешено относительно свободно перемещаться по территории тюрьмы или учреждения. Как правило, это люди, срок заключения которых заканчивается, «активисты» и пособники администрации, а также положительно характеризующиеся и зарекомендовавшие себя заключённые. Для этого контингента и некоторых других лиц, но в особых случаях, таких как временное свидание с родственниками в колониях-поселениях, где осуждённые перемещаются также относительно свободно, в тюремных и специализированных больницах (к примеру, Санкт-Петербургской ПБСТИН – психиатрическая больница специализированного типа с интенсивным наблюдением) в системе ФСИН РФ, находящихся под вооруженной охраной, к подконтрольным лицам применяются браслеты СЭМПЛ.
Кроме отдела режима и специальных больниц систему дистанционного электронного контроля за определёнными лицами активно используют уголовно-исполнительные инспекции (УИС) – это основной вид контроля подозреваемых или осужденных к ограничению свободы в виде домашнего ареста.
Для охраны внешнего периметра против побегов подконтрольного контингента используются специально разработанные средства сигнализации для охраны периметра (к примеру, системы «Пион», «Багульник» и другие более современные), принцип работы которых основан на изменении ёмкости между «землёй» и объектом – при его приближении. Сигнал звуковой тревоги поступает на пульт дежурной смены, дежурного помощника начальника отдела охраны, а вырабатывается электронной системой при приближении человека к охраняемому периметру. Чувствительность устройств регулируется, а обслуживание находится в компетенции штатного инженера, аттестованного сотрудника пенитенциарной системы, имеющего специальное звание (как и все аттестованные сотрудники). Аналоги этих систем – анахронизмов эпохи – до сих применяются ФСИН России.
Это одна из самых неповоротливых в части технических инноваций РЭА служб. Некоторые системы модифицированы, но всё равно устойчивость их работы и надёжность оставляют желать лучшего.
Кстати, системы охраны периметра аналогичного принципа, но значительно лучшего качества и технической оснащённости, используются десятки лет и по сей день пограничным управлением ФСБ России и установлены вдоль заборов с металлической сеткой параллельно КСП (контрольно-следовой полосе). Те же системы используются десяток лет для охраны объектов транспорта: там, где есть заборы или иные административные барьеры, ограничивающие доступ на вокзалы (в том числе автовокзалы), аэропорты, территории вокруг мостов (по регламенту за 30–100 метров до него) и прочих режимных объектов. На заключительном этапе поездки на поезде и приближении к вокзалу крупного города (в разных регионах страны масштаб считается по-своему) пассажир из окна железнодорожного вагона может видеть как заборы, так и систему проводов, закреплённую вдоль каждой секции в гофрированном кабель-канале.
В соседней Финляндии подобный контроль приближения людей и животных вдоль заборов на основе реагирования электронной системы на изменение ёмкости (автоматического мониторинга и сравнения с эталонной) обеспечен не только у вокзалов, но и почти по всей длине железнодорожного пути; сделано это не столько для безопасности граждан на объектах транспорта, сколько для безопасности животных, которые без заборов могли переходить пути с риском быть сбитыми скоростным локомотивом.
Системы сигнализации и безопасности применяются не только ёмкостные, но и комплексные, в том числе на основе пироэлектрических датчиков, реагирующих на движение предмета, излучающего тепло. Миновать почти все подобные системы можно, облачившись в полностью защищённый, условно экранированный костюм, но не из фольги, а из стекла или сопутствующих материалов, так как фольга даст эффект изменения ёмкости при приближении к ограждению с соответствующей электронной системой. Экран из стекла (или соответствующего материала) прозрачен, позволяет заинтересованному лицу видеть и контролировать обстановку, отражает сканирующие лучи пироэлектрических датчиков и не изменяет баланс ёмкости, на реагирование по которому настроена система типа «Багульник» и аналогичные.
Итак, при приближении животного к ограждению, снабжённому системой сигнализации, раздаётся громкий отпугивающий звук, а на некоторых участках при касании ограждения можно получить удар током нелетального уровня – аналог действия устройства «электропастух». Электропитание системы обеспечивается посредством СЭС и ВЭС (солнечных панелей и ветрогенераторных установок) с преобразователями энергии.
В России до такого (электронной сигнализации вдоль всех ограничительных заборов) ещё не дошли из-за огромных расстояний и территории, а также в связи с многими другими обстоятельствами.
Особенности защищённого канала передачи данных
Защита беспроводного канала передачи данных разработана на основе системы защищённой мобильной связи B-Force. Назначение системы B-Force – обеспечивать защищённую связь с абонентами мобильной сети через открытые каналы связи Интернет в зашифрованном режиме с гарантированным уровнем криптографической стойкости к дешифрации. В B-Force предусматривались несколько видов обмена информацией: голосовая связь, пересылка файлов, пересылка коротких текстовых сообщений в зашифрованном виде с использованием криптографических алгоритмов. В качестве основного алгоритма шифрования использовался национальный стандарт РФ ГОСТ 28147-2010. Также предусмотрены алгоритмы шифрования AES128, AES192, AES256 TwoFish128, TwoFish256. Возможность настройки необходимого алгоритма шифрования остаётся за администратором системы.
Пересылаемые сигналы, СМС и история действий могут быть гарантированно удалены (без возможности восстановления) непосредственно на сервере СЭМПЛ, при этом информация о перемещении объекта с трекером сохраняется в памяти, что служит доказательной базой для дальнейшего привлечения к ответственности нарушителя.
Кроме того, система B-Force использует стандартные открытые протоколы передачи данных SIP, TLS, SRTP, ZRTP, OTR. По протоколу TLS обеспечивается зашифрованный аутентифицированный канал для передачи сигнализации, SRTP обеспечивает шифрование и аутентификацию медиа-трафика, ZRTP и OTR реализуют обмен ключами для обеспечения связи «точка–точка». Поддержка схемы SIPS предусматривает установку шифрованного соединения TLS на всех сегментах сети передачи данных коммуникации. Совокупность применения протоколов в комплексе обеспечивает гарантии безопасности канала для передаваемой информации. Для сеансов связи используется (каждый раз) новый уникальный случайно сгенерированный ключ. Выработка общего секретного ключа для симметричного шифрования реализована на основе алгоритма Диффи-Хеллмана на эллиптических кривых по алгоритмам ECDH256, ECDH384.
Для защиты от возможной хакерской атаки в формате «человек посередине» (алгоритма передачи данных MITM) применяют протоколы ZRTP и OTR, предоставляющие механизм четырёхсимвольной строки аутентификации и системы «контрольного вопроса» и «ответа», что полностью исключает возможность перехвата сигнала электронного браслета [7].
Относительно архитектуры сети B-Force известно, что элементы системы поставляются только юридическим лицам и по безналичному расчёту. Таким образом, завладеть оборудованием для экспериментов с ним теоретически невозможно. Впрочем, уже сегодня архитектура СЭМПЛ, применяемая в ЕС, США и Великобритании, имеет трёхуровневую защиту от вмешательства MITM. К этому стремятся и отечественные разработчики.
Иными словами, заглушить по радиоэфиру сигнал LTE или GPS беспроводным способом вполне возможно, но изменить и модифицировать его, к примеру, создать дубль носимого датчика-браслета в системе СЭМПЛ, затруднительно, хотя теоретически на старых версиях возможно.
Пути совершенствования СЭМПЛ
Кроме актуальной задачи сохранения и улучшения технической и аппаратной защищённости системы разработчики работают над увеличением автономности оборудования. До сих пор нередки случаи, когда сбои связи или систем навигации достигают нескольких десятков минут, когда нет возможности получать устойчивый сигнал с устройства слежения, связанного с трекером. Другая задача, требующая внимания и совершенствования РЭА в рассматриваемой области, – повышение надёжности и ёмкости аккумуляторов для трекеров при сохранении или даже уменьшении их форм-фактора. Это общая актуальнейшая проблема современной электроники, уже решаемая на разных уровнях в направлении альтернативных источников электропитания, включая выработку и аккумулирование электроэнергии (в том числе с помощью ионисторов) от малого уровня освещённости интерьеров, от движения человека, от преобразования в связке температура-ток вплоть до преобразования потовых выделений в электрический ток и последующего усиления мощности с помощью современной электронной элементной базы. Рассмотренные выше микросхемы и модули для миниатюрных трансиверов с их условно малым током потребления в активном режиме серьёзно рассматриваются как возможности для усовершенствования передающих каналов и в целом надёжности СЭМПЛ.
Для таких устройств, как браслеты и модемы в СЭМПЛ, важны быстрая зарядка, небольшое энергопотребление устройств и значительная ёмкость АКБ, чтобы зарядить девайс за пару минут и на несколько дней забыть о зарядке. Проблема в том, что быстрая зарядка изнашивает аккумулятор, а устойчивые к этому АКБ малого форм-фактора ещё только испытывают. За прошедшие 20 лет прирост объёма (ёмкости) электрической батареи составил от 2 тыс. мА·ч до 5–6 тыс. мА·ч, а прирост мощности в скорости зарядки – примерно с 5–10 Вт до 60–100 Вт. При этом электронные устройства пропорционально стали «прожорливее» из-за расширенного функционала, связанного с IoT, ИИ и другими приложениями.
Ещё одна пока нерешённая проблема – взаимодействие двух (и более) датчиков в одной СЭМПЛ. Проблема касается не единичного, а условно массового контроля осуждённых, подозреваемых, заключённых или их действий. Так, СЭМПЛ, адаптированная в России, пока не может считывать и передавать данные с двух браслетов (к примеру, ограничены в правах действий и перемещения муж и жена, совместно проживающие, или группа мигрантов). Также возникают проблемы, если два или более подконтрольных лица с зафиксированными у них браслетами относятся к приёмному оборудованию (коммуникационный прибор контроля – СКУ) одного инспектора. Тогда в соответствии с принципами звонков по сотовой связи происходит та же ситуация, когда двое пользователей услуг сотовой связи совершают одномоментные звонки друг другу – соединения не произойдёт. Проблему решить можно, но пока это не сделано.
То же касается условной неготовности СЭМПЛ к применению устройств – глушителей радиосигнала и GPS. К этому мы ещё вернемся ниже. Сигнал от браслета или модема просто пропадёт, как будто прервалась связь. Соответственно, подконтрольное лицо теоретически может выйти из дома или определённого для него места, имея с собой мобильный «глушитель», совершить определённые действия и вернуться, затем устройство глушения выключить. В этом случае контролирующий инспектор будет иметь информацию только о пропаже сигнала связи в СЭМПЛ, но отследить по точкам (местам) перемещения «клиента» не сможет. В качестве варианта усовершенствования системы в браслет или модем СЭМПЛ уместно добавить карту памяти, на которую в автоматическом режиме будет фиксироваться информация о времени пропадания сигнала LTE и (или) GPS, включаться аудио- или видеозапись (при соответствующем оснащении в будущем), а при устранении помех связи, восстановлении канала передачи данных с карты памяти информация будет передана на сервер, пусть и с задержкой, но она останется зафиксированной.
В 2024 году мобильный Интернет и Wi-Fi не охватывают и не могут охватить всю территорию обширной России. По данным за прошлый год на постоянной основе выход в Интернет имеет только 70% людей в мире. Без связи остаются более 2 млрд людей. К качеству соединения тоже остаются вопросы. Даже в крупных городах есть места, где возможна беспрерывная сотовая связь только 3G или EDGE. Есть надежда, что в ближайшую декаду лет проблема с площадью покрытия решится с помощью внедрения спутникового Интернета с бо́льшей областью покрытия, и тогда СЭМПЛ можно будет применять почти в любой точке планеты Земля.
Так, если вспомнить историю второй ссылки Наполеона Бонапарте на удалённый от цивилизации остров Святой Елены, в нынешних реалиях с помощью современной СЭМПЛ с выходом на спутниковую группировку можно будет контролировать и сосланного императора без обязательного содержания гарнизона для его охраны. Таким образом, современная электроника и в этой области представляет значительные перспективы для оптимизации оборудования и высвобождения людей для более квалифицированных действий.
Уже давно адаптация разных разъёмов и выяснение различий между USB-С, USB 3.0, USB 3.1 Gen 1, USB 3.1 Gen 2, USB 3.2 Gen 2, USB 3.2 Gen 1×1, USB 3.2 Gen 1×2 и USB 3.2 Gen 2×2 ни потребителей РЭА, ни разработчиков не радует. Что касается рассматриваемых устройств для СЭМПЛ производства КНР, то запатентованные стандарты зарядки и передачи данных различны, и это мешает унификации средств контроля.
Все эти и другие вопросы требуют решения.
Новые компоненты, беспроводные и сенсорные датчики
Как возможная элементная база перспективных разработок в СЭМПЛ, заслуживают внимание разработчиков новые микросхемы и модули для беспроводной передачи данных: как сборки, так и отдельные приёмопередатчики (трансиверы) в одном корпусе крайне малых размеров, но со встроенным микроконтроллером на базе ядер Cortex-M0 и 80с51. К примеру, особенностью линейки приёмников диапазона до 1 ГГц является широкий выбор технических решений с различными видами модуляции для современных способов пакетной обработки данных.
Для диапазона 2,4 ГГц (Wi-Fi) предлагаются микросхемы и модули стандарта Bluetooth Low Energy со встроенным микроконтроллером, имеющим ядро Cortex-M0+, и Wi-Fi-модули. Датчики влажности и температуры HopeRF представлены как микросхемами, так и миниатюрными модулями с шагом выводов 2,54 мм. Точность измерения температуры достигает ±0,15°C, а влажности – до ±2,0% RH. Датчики атмосферного давления (барометры) работают как альтиметр и с измерением относительного давления позволяют определять изменение высоты объекта над поверхностью земли.
Микросхема с крайне малым энергопотреблением 8,5 мА в режиме передачи – CMT2380F17-EQR с частотой до 1 ГГц c MCU 80C51 16 кбайт, TX PWR 20 дБм. Скорость передачи данных 0,5…300 кбит/c в режиме 64-byte Tx/Rx FIFO или CMT2380F32-EQR с MCU 32 МГц FSK, GFSK, MSK, GMSK, OOK, близкие аналоги – микросхемы CMT2300A-EQR, CMT2310A-EQR со скоростью передачи данных 1000 кбит/c, 128-byte Tx/Rx FIFO, в режиме RX ток потребления 9,6 мА. С теми же параметрами OOK/FSK можно рассматривать микросхему RF64, но она более экономичная – ток потребления в режиме RX всего 3 мА. Однако и скорость передачи данных не превышает 150 кбит/с. Есть и более экономичная RF63, работающая в диапазоне 863–960 МГц со скоростью передачи данных 200 кбит/с. Все они адаптированы к питанию с напряжением 1,8–3,6 В и имеют крайне малые размеры, не превышающие площадку 5×5 мм. Уместно обратить внимание на новую элементную базу на кристаллах для реализации проприетарных протоколов в диапазонах 433/868 МГц. Разумеется, все новинки в данной области охватить нельзя, тем не менее они есть, и китайская компания HopeRF, производящая микросхемы и модули для беспроводной передачи данных, а также датчики атмосферного давления, температуры и влажности, может рассматриваться как один из примеров поставщиков.
Особенности практического применения устройств с датчиками паров алкоголя
Употребление алкогольных напитков не всегда можно оправдать, особенно когда последствия касаются подконтрольного лица, отбывающего наказание или находящегося под домашним арестом. Именно поэтому перспективным шагом в развитии устройств контроля будут электронные устройства в системе ЭМПЛ, совмещённые с датчиками паров алкоголя или иными датчиками для контроля синтетических химических соединений. Такие электронные системы могут эффективно работать и для фиксации актов употребления наркотических веществ.
СЭМПЛ может совмещать электронные датчики с высокой или регулируемой чувствительностью различного назначения (контролировать и другие газы, к примеру углекислый газ или выхлопы бензина). Подробнее об этом можно прочитать в [4, 5, 9]. Для этого обратимся к технологии производства промышленных датчиков различных паров и примесей в воздухе. Профессиональными алкотестерами или «детекторами алкогольных паров» (Roadtest) укомплектованы медицинские и специальные службы, к примеру ГИБДД. Вариантов алкотестеров, выпускаемых разными фирмами, много, один из них, производства Финляндии, показан на рис. 16.

Устройство представляет собой анализатор паров спирта, толуола, ксилена и других летучих органических паров. В верхней части корпуса прибора расположена сменная стеклянная трубка, которая предназначена для вдувания воздуха ртом человека. При включении питания кнопкой «Power» загорается жидкокристаллический индикатор на передней панели прибора с мигающими цифрами (показаниями) до 000,1% BAC. Одновременно раздается кратковременный звуковой сигнал. Через 1–2 с раздаётся второй (аналогичный первому) звуковой сигнал, и на индикаторе (внизу под цифрами) начинает мигать слово «Wait» (подождите). В этот период с продолжительностью 10–12 с происходит нагрев датчика и вхождение в режим анализа воздуха измерения. После этого третий звуковой сигнал (аналогичный первому) свидетельствует, что прибор готов к работе (к струе принимаемого воздуха). При этом на индикаторе (внизу под цифрами) слово «Wait» сменяется на «Ready». После третьего сигнала «не дуть в трубочку», прибор воспримет тот же воздух, который уже проанализирован, и, не найдя различий по составу воздуха, в течение 10–12 с выдаст отрицательный вердикт; в этой части медицинской диагностики отрицательный результат считается хорошим, не подтверждающим диагноз. Это состояние прибор показывает на индикаторе надписью «OFF» (без всяких звуковых сигналов). Система автовыключения отключит питание прибора самостоятельно спустя еще 1,5 мин. Это необходимо для экономии батарей.
В устройстве установлен специальный датчик примесей в воздухе типа TGS-2620, для эффективной работы требуется постоянное стабилизированное напряжение 3,9–5 В. Если при дыхании обнаружены примеси алкоголя, прибор выдаст на индикаторе цифровые показания (> 4000 – уже криминальный случай, когда надо забыть о вождении) и подтвердит исследование бесконечной серией звуковых сигналов, отключить которые можно кнопкой «Reset» или нажатием на кнопку «Power».
Практическое применение популярных датчиков спирта (паров алкоголя) типа TGS-822 и TGS-2620 фирмы Figaro Engineering Inc (Япония) и других, в том числе производства КНР, заслуживает отдельного внимания.
Первооткрывателем датчиков TGS (TGS – «Taguchi Gas Sensor») и их модификаций в 1962 году стал японский изобретатель Наойоши Тагучи.
Особенности практического применения устройств с датчиками паров алкоголя
Большинство датчиков TGS сделаны на основе оксида олова. Сопротивление этих датчиков постоянному току в обычном воздухе высоко, а при наличии в воздухе примесей (паров органического происхождения) у соответствующего датчика (они не универсальны, к примеру, датчик паров алкоголя не реагирует на утечку фреона) сопротивление резко снижается. Разработчик РЭА понимает, что если подключить такой датчик к компаратору (устройству сравнения напряжения), то последний среагирует так же, как параметрический сигнализатор на изменение сопротивление датчика.
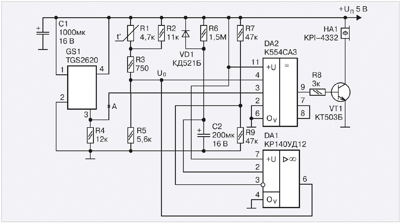
Как вариант, электрическая схема устройства контроля и звуковой сигнализации примесей паров алкоголя в воздухе (с применением датчика алкогольных паров) TGS-2620 представлена на рис. 17.

При обработке выходного сигнала датчика используется микросхема-компаратор, которая сравнивает напряжения на двух своих входах. Напряжение питания для датчика подается на вывод 1. Общий провод подключают к выводу 2. Компаратор DA2 подсоединяют к выводу 3. Операционный усилитель DA1 c элементами VD1, R6, C2, R7, R9 обеспечивает задержку 1–1,5 мин, необходимую для устранения ложных срабатываний устройства при подаче питания. Диод VD1 препятствует току утечки оксидного конденсатора С2. Без этой задержки в течение 1–1,5 мин после подачи питания устройство может включить звуковой сигнал независимо от наличия паров алкоголя. Выходной сигнал датчика GS1 снимается с контрольной точки А.
В тот момент, когда напряжение (под воздействием паров алкоголя с концентрацией, равной или превышающей установленный предел) в точке А превысит заданную элементами внешней RC-обвески величину напряжения на входе U¬0, выходной сигнал с компаратора DA1 (его высокий уровень) обеспечит включение звукового капсюля со встроенным генератором НА1 (или иное устройство звуковой/световой сигнализации, подключённое с соблюдением полярности вместо капсюля НА1). Напряжение U0 может меняться в диапазоне 2,5–3,2 В при температуре окружающего воздуха +40°С и относительной влажности 65% и, соответственно, в диапазоне 1,9–3,1 В при температуре –10°С. Без термокомпенсирующей схемы график отклика мог бы изменяться в диапазоне 600–3400 ppm при заданном значении концентрации газа 1500 ppm (при окружающей температуре +20°С и влажности 65%). Для термокомпенсации служит термистор R1.
Некоторые результаты применения термокомпенсирующего резистора представлены в табл. 1.

Значимым показателем является концентрация газа, выражающаяся в миллионной доле (ppm). К примеру, концентрация газа в значении 20 ppm означает концентрацию паров алкоголя 20×10–6.
Кроме датчика TGS-2620 могут применяться датчики фирмы Murata TGS-880, TGS-2181 или, к примеру, датчик TGS-822 (который требует двухполярное напряжение питания).
Как один из альтернативных вариантов, можно рассмотреть применение в качестве электронных компараторов популярных и недорогих микропроцессоров фирм AMTEL, AVR. При соответственном программировании микропроцессоры способны выполнять автокалибровку и учитывать функцию температурной зависимости (термокомпенсацию) [4]. Подробнее об этом можно прочитать в [5].
Другие отличительные особенности CЭМПЛ будущего
Они касаются новых совмещённых с СЭМПЛ электронных устройств, среди которых системы распознавания лиц, алкотестеры, детекторы приближения на основе пироэлектрических и других электронных датчиков и другие. Как отдельная и реальная перспектива развития и совершенствования СЭМПЛ рассматриваются дополнения электронных модулей, идентифицирующие человека по биометрическим признакам. Это новое и следующее направление, исключающее фиксацию на конечностях подконтрольного человека радиоэлектронного браслета (РБ). С учётом новых возможностей единой биометрической системы (ЕБС) и модернизации СЭМПЛ, за что так ратует в своих инициативах ФСИН России, в будущем предполагается отказаться от РБ и заменить его мобильной (переносной, компактной) системой видеосвязи с подконтрольным лицом с функционалом LTE- и GPS-трекера. Для этого есть несколько предпосылок.
Системы распознавания лиц – Facial Recognition Technology (FRT) – обеспечивают автоматическую локализацию человеческого лица на изображении или видео и, при необходимости, идентификацию личности человека на основе имеющихся баз данных. Интерес к этим системам не ослабевает с начала XXI века в связи с широким кругом решаемых задач (в области идентификации), возникающими вызовами времени и систематическими усовершенствованиями (новыми версиями и направления развития). Этому условно противостоят дипфейки (Deep Learning – «глубокое обучение» и Fake – «подделка») – метод синтеза человеческого изображения на основе искусственного интеллекта. Он используется для объединения и наложения существующих изображений на видео.
В коммерческой сфере широкое распространение биометрических данных для аутентификации граждан происходит сравнительно недавно и не везде. Одним из пилотных проектов можно назвать оплату поездки в московском метро по лицевой биометрии, которую практически внедряют с 2019 года. В 2018 году по инициативе Минцифры создана Единая биометрическая система (ЕБС), где хранят биометрические персональные данные граждан в обезличенном и зашифрованном виде. Отсутствие консолидированных данных в открытом (незашифрованном) виде (ФИО, отпечатки пальцев, изображений лиц и др.) обеспечивает надёжность системы: в случае их утечки биометрия не может быть соотнесена с конкретным человеком. По этим данным электронная система строит уникальные эталонные векторы для идентификации лиц. В 2021 году ЕБС получила статус государственной консолидированной информационной системы с высоким уровнем защиты в России.
Федеральный закон о ЕБС (№ 572-ФЗ), принятый Государственной Думой РФ в 2022 году, определяет единые правила безопасного сбора, хранения и использования биометрических персональных данных граждан. Персональные данные в зашифрованном виде консолидированы в государственной системе с высоким уровнем защиты. Консолидация данных также снижает риски их попадания в руки злоумышленников. Уже декабре 2023 года в силу вступили нормы закона, касающиеся порядка сбора и обработки биометрии. В частности, введено понятие коммерческой биометрической системы (КБС) для обработки биометрических данных после прохождения многофакторной (сложной) процедуры идентификации.
Три основных способа предоставления сервисов на основе биометрических персональных данных после принятия ФЗ-572 включают транзакционную модель взаимодействия с ЕБС любой аккредитованной организации. По такой модели, согласно закону, должны работать государственные структуры, субъекты атомной промышленности, ТЭК, ОПК. Ограничения по аккредитации организаций оправданны. Собственный капитал аккредитуемой организации в государственном секторе или юридического лица должен превышать 500 млн рублей, применяться должны только российские алгоритмы, прошедшие тщательное тестирование специалистами Центра биометрических технологий (ЦБТ) – оператора ЕБС. По состоянию на конец 2023 года было аккредитовано только девять компаний, включая шесть банков («АК Барс», «Альфа-банк», ВТБ, «Почта Банк», РСХБ, Сбербанк), один оператор связи – МТС и компании, предоставляющие сервисы для работы в составе СКУД: Ovision и Pridex («Инновационные технологии»).
Сегодня заинтересованные компании и государственные организации, такие, к примеру, как ФСИН, приводят свои технические возможности в соответствие с нормами и условиями федерального закона о ЕБС. Отсюда логично, что спрос на консалтинг и внедрение отечественных технологий с конца 2023 года вырос в несколько раз. На рис. 18 представлена иллюстрация одной из перспективных моделей СЭМПЛ будущего.

К слову, такие системы за рубежом начали применять почти 10 лет назад. Польза их в том, что подделать биометрию (изображение лиц и отпечатки пальцев) в системе ФСИН и СЭМПЛ пока не представляется возможным.
Типично подобные электронные устройства-идентификаторы изображений Face-ID в ЕБС используют точечный проектор, содержащий несколько компонентов: лазер, световод и дифракционный оптический элемент (ДОЭ). ДОЭ представляет собой особый вид линзы, который дробит лазерный луч на массив из примерно 32 тыс. инфракрасных точек. Когда человек смотрит на заблокированный экран, система распознавания лиц проецирует массив точек на большую часть его лица, а камера устройства считывает шаблон, созданный для подтверждения личности. Однако системы точечных проекторов относительно велики для небольших устройств, таких как смартфоны.
Будущее за более мощными системами распознавания лиц с использованием плоской метаповерхности вместо относительно громоздких видеокамер и проекторов. По сообщению Американского химического общества (American Chemical Societ), такую систему распознавания лиц испытали на знаменитой статуе работы Микеланджело «Давид» исследователи из Национального университета Ян Мин Цзяотун в Тайване [13].
Авторы работы Ю-Хэн Хун, Хао-Чунг Куо, Яо-Вэй Хуан привели доказательства, что новая система визуальной идентификации проецирует 45 700 инфракрасных точек для распознавания, потребляя в 10 раз меньше энергии, чем традиционные 3D-системы. Миниатюризация позволяет уменьшить размер и энергопотребление РЭА. Устройство затрачивает меньше энергии, чем существующие системы трёхмерного изображения поверхности. Речь идёт об использовании структурированного светового потока на метаповерхности и задействовании PCSEL для монокулярного восприятия глубины и распознавания лиц [10].
Исследователи планируют использовать эту технологию в робототехнике, расширенной реальности и других областях, где требуются компактные и маломощные решения для получения изображений. Таким образом, совершенствуется трёхмерное изображение поверхности при более плоской и упрощённой оптике.
Трёхмерное изображение поверхности – распространённый инструмент, используемый в распознавании лиц смартфонов, а также в компьютерном зрении и автономном вождении. Исследователи заменили традиционный точечный проектор маломощным лазером и плоской поверхностью из арсенида галлия, что значительно уменьшило размер устройства формирования изображения и энергопотребление. Они нанесли на верхнюю часть этой тонкой металлической поверхности рисунок наностолбиков, который создаёт метаповерхность, рассеивающую свет при его прохождении через материал. В этом прототипе маломощный лазерный свет рассеивается на 45 700 инфракрасных точек, которые проецируются на объект или лицо, расположенное перед источником света. Как и система точечного проектора, новая система включает в себя камеру, считывающую узоры, созданные инфракрасными точками [13]. Уместить всё это удалось на платформе с площадью поверхности примерно в 230 раз меньшей, чем у обычной системы точечного проектора. Так доказали полезность метаповерхностей для создания эффективных решений визуализации для распознавания лиц, робототехники и расширенной реальности.
Средства подавления сигналов мобильных браслетов
То, что инструменты контроля (слежки) являются беспроводными, имеет важное значение. Предполагается, что подконтрольное лицо не сможет нарушить работу устройства, не понимая принцип функционирования РЭА. Если же лицо с ограничением к свободе передвижения и занятий всё же сумеет нарушить работу устройства, последнее незамедлительно сформирует сообщение по беспроводной связи. В данном случае можно блокировать каналы передачи данных (сотовой связи и GPS) с помощью специальных устройств. Из доступных и бытовых это устройства-блокираторы разной мощности и назначения, представленные, к примеру, на рис. 19 и рис. 20. Есть электронные системы и более мощные.


Среди средств из арсенала отечественных производителей для подавления сигналов GPS-трекеров применяют системы активной защиты информации «Гром-И-5», систему активной акустической и вибрационной защиты речевой информации «Шторм-10» и даже защитные экраны на окна: занавеси из многослойной, светонепроницаемой ткани. Сюда же относится комплект средств защиты акустической речевой информации и СВТ от ПЭМИН для мобильных объектов, стационарных и переносных систем подавления устройств сотовой связи и беспроводного доступа «Хамелеон» и другие. На рис. 21–23 представлены такие устройства производства АО «Инфопро», специализирующегося на разработке, внедрении и сопровождении комплекса средств автоматизации, создании локальных вычислительных сетей (ЛВС) различного масштаба.



Выводы
Разработчиками создаются специальные испытательные стенды для совершенствования СЭМПЛ, предназначенные для изучения проблематики глушения сигналов, несанкционированной подмены элементов СЭМПЛ и выявления электронных устройств, предназначенных для негласного получения информации. Однако техническая документация и спецификации создаются под одно учреждение – ФГУП «Центр информационно-технического обеспечения и связи» (ЦИТОС). Стороннее предприятие победить в конкурсе практически не может, ибо все протоколы и пароли, необходимые для программирования браслетов, есть только у специалистов ЦИТОСа. При этом как такового производства как не было, так и нет, пока комплектующие системы поставляются из КНР.
Оборудование СЭМПЛ продолжает модифицироваться и совершенствоваться. В перспективе возможна разработка новых моделей с оснащением СКУ видеокамерой, а МКУ – алкотестером, чтобы контролируемый дышал в него перед камерой каждый вечер.
Эксплуатация браслета и устройств СЭМПЛ для подозреваемого или осуждённого в России является бесплатной (в отличие от стран Западной Европы и Америки). Государству электронный комплекс и его эксплуатация обходятся примерно в 111 тыс. руб., но уже заметна тенденция к снижению стоимости оборудования СЭМПЛ.
Использование передового зарубежного опыта применения СЭМПЛ послужит совершенствованию технических, организационных и правовых аспектов электронного мониторинга в России. Полномасштабное функционирование СЭМПЛ в России с учётом зарубежных инноваций существенно снизит нагрузку на правоохранительную и судебную системы, позволит уменьшить количество лиц, отбывающих наказания в исправительных учреждениях.
Технологические достижения за последние два десятилетия изменили нашу жизнь настолько, что это показалось бы невероятным человеку, жившему в нулевых. Что покажется более шокирующим, так это множество технических проблем, с которыми пользователи РЭА специального назначения всё ещё сталкиваются ежедневно. Многие из этих проблем существовали 30 лет в той или иной форме. Некоторые из этих проблем могут быть созданы искусственно, в то время как другие – препятствия технические (и не только), которые всё ещё трудно преодолеть. Возможно, вскоре новые «революционные» батареи, способные работать месяцы или даже годы без зарядки, помогут улучшить имеющиеся технологии.
Именно поэтому даже на государственном уровне понимают проблему и хотят мотивировать разработчиков РЭА (в своей системе) к усовершенствованию РБ для подконтрольных лиц, осужденных к домашним арестам.
Таким образом, в новых разработках стремятся реализовать проектный подход к внедрению цифровых технологий с формированием технической архитектуры СЭМПЛ, усовершенствованием и защитой канала беспроводной связи, созданием инфраструктурного и базового программного обеспечения, а также с конструированием систем хранения и анализа данных от РБ СЭМПЛ.
Литература
- Браслеты для отбывающих наказание. URL: https://tass.ru/obschestvo/21482339.
- Дегтярёва О.Л. Система электронного мониторинга подконтрольных лиц (сэмпл), как одна из форм контроля осуждённых к ограничению свободы // NovaInfo. 2015. № 33. URL: https://novainfo.ru/article/3521.
- Зараменских Е.П. и др. Принципы построения электронного мониторинга подконтрольных лиц в России. Новосибирск: Сиб-Принт, 2011. 274 с.
- Кашкаров А.П. 500 схем для радиолюбителей. Электронные датчики. Изд. 2-е, перераб. и доп. СПб.: Наука и техника, 2008. 288 с.: ил.
- Кашкаров А.П. Датчик паров алкоголя // Радиолюбитель. 2008. № 1. С. 7.
- Сигнализация G08B21, реагирующая на один определённый нежелательный или ненормальный режим работы, не отнесённая к другим группам. URL: https://poleznayamodel.ru/img_show/1006560.html.
- Система защищённой мобильной связи «B-Force». URL: http://www.bnti.ru/des.asp?itm=7181&tbl=04.03.07.02.
- Система электронного мониторинга подконтрольных лиц. Патент № 113394 / В.В. Определёнов, Н.В. Мартынов и др. URL: https://poleznayamodel.ru/model/11/113394.html.
- Суомалайнен А. Электронные устройства специального назначения для выявления, диагностики, контроля ВВ и НС // Современная электроника. 2024. № 6. С. 7–17.
- Структурированный свет на основе метаповерхности и PCSEL для монокулярного восприятия глубины и распознавания лиц. URL: https://pubs.acs.org/doi/abs/10.1021/acs.nanolett.3c05002.
- Постановление Правительства Российской Федерации от 31.03.2010 № 198 «Об утверждении перечня аудиовизуальных, электронных и иных технических средств надзора и контроля, используемых уголовно-исполнительными инспекциями для обеспечения надзора за осуждёнными к наказанию в виде ограничения свободы».
- Тимофеева Е.А., Мотин О.А. К вопросу о зарубежной практике применения системы электронного мониторинга подконтрольных лиц. Самара: Вестник Самарского юридического института ФСИН России, 2014.
- A sleeker facial recognition technology tested on Michelangelo’s David. URL: https://www.acs.org/pressroom/presspacs/2024/february/sleeker-facial-recognition-technology-tested-o....
© СТА-ПРЕСС, 2025
Если вам понравился материал, кликните значок — вы поможете нам узнать, каким статьям и новостям следует отдавать предпочтение. Если вы хотите обсудить материал —не стесняйтесь оставлять свои комментарии : возможно, они будут полезны другим нашим читателям!

