В статье даётся обзор возможностей проектирования источников питания: будут рассмотрены основные и часто используемые топологии изолированных и неизолированных источников питания, а также их преимущества и недостатки. Кроме того, обсуждаются вопросы электромагнитных помех и их фильтрации.
Большинству электронных систем требуется некое преобразование между напряжением источника питания и напряжением схемы, которая должна быть запитана. Когда батареи разряжаются, напряжение падает. Преобразование постоянного тока может гарантировать, что гораздо больше энергии, хранящейся в батарее, будет использоваться для питания схемы. Кроме того, с линией 110 В переменного тока, например, невозможно напрямую питать такой полупроводник, как микроконтроллер.
Поскольку преобразователи напряжения, также называемые источниками питания, используются почти в каждой электронной системе, они на протяжении многих лет оптимизировались в различных целях. Некоторые из этих целей – размер решения, эффективность преобразования, устойчивость к электромагнитным помехам и стоимость.
Глава I
Простейший источник питания: LDO
Одной из самых простых форм источника питания является регулятор с малым падением напряжения (LDO). LDO – это линейные регуляторы, в отличие от импульсных. Линейные регуляторы помещают перестраиваемый резистор между входным напряжением и выходным напряжением. Это означает, что выходное напряжение фиксируется независимо от того, как изменяется входное напряжение и какой ток нагрузки проходит через устройство. На рис. 1 показан основной принцип работы этого простого преобразователя напряжения.
В течение многих лет типичный преобразователь мощности состоял из трансформатора на 50 или 60 Гц, подключённого к электросети, с определённым соотношением обмоток для создания нерегулируемого выходного напряжения – на несколько вольт выше, чем необходимое напряжение питания в системе. Затем с помощью линейного регулятора это напряжение преобразовывалось в хорошо отрегулированное по мере необходимости для электроники. На рис. 2 показана блок-схема этой концепции.
Проблема с базовой установкой, рассмотренная на рис. 2, заключается в том, что трансформатор 50/60 Гц относительно громоздкий и дорогой. Кроме того, линейный регулятор рассеивает довольно много тепла, поэтому общий КПД системы низок, а избавиться от выделяемого тепла при высокой мощности системы довольно затруднительно.
Импульсные источники питания спешат на помощь
Чтобы избежать недостатков источника питания, показанных на рис. 2, были изобретены импульсные источники питания (SMPS). Они не зависят от переменного напряжения 50 или 60 Гц. SMPS потребляют постоянное напряжение, иногда выпрямленное переменное напряжение, и генерируют переменное напряжение гораздо более высокой частоты, чтобы использовать трансформатор гораздо меньшего размера. В неизолированных системах они могут выпрямлять напряжение с помощью LC-фильтра для создания постоянного выходного напряжения.
Преимущества SMPS заключаются в небольшом размере решения и относительно низкой стоимости. Генерируемое переменное напряжение не обязательно должно быть синусоидальным. Простая форма сигнала ШИМ будет работать очень хорошо, и её легко сгенерировать с помощью генератора ШИМ и переключателя.
До 2000 года биполярные транзисторы были самыми часто используемыми переключателями. Они могли работать хорошо, но имели относительно низкую скорость переключения. Помимо того, они были не очень энергоэффективными, так как ограничивали частоту переключения на 50 кГц или, в лучшем случае, на 100 кГц.
Сегодня мы используем переключающие МОП-транзисторы вместо биполярных транзисторов, что позволяет гораздо быстрее переключать переходы. Это, в свою очередь, снижает потери при переключении, позволяя использовать частоты переключения до 5 МГц. Такие высокие частоты переключения позволяют использовать очень маленькие катушки индуктивности и конденсаторы в силовом каскаде.
Импульсные регуляторы имеют много преимуществ. Как правило, они обеспечивают энергоэффективное преобразование напряжения, позволяют повышать и понижать напряжение, а также имеют относительно компактные и недорогие конструкции. Недостатки заключаются в том, что их не так просто спроектировать и оптимизировать, и они генерируют электромагнитные помехи из-за переключения переходов и частоты переключения. Доступность регуляторов SMPS, а также инструментов проектирования источников питания, таких как LTpowerCAD и LTspice, значительно упростили этот сложный процесс проектирования.
С помощью этих инструментов процесс проектирования схемы SMPS может быть полуавтоматизирован.
Изоляция в источниках питания
При проектировании источника питания первым делом возникает вопрос о том, требуется ли гальваническая развязка. Гальваническая развязка используется по нескольким причинам. Она делает схемы более безопасными, позволяет работать с плавающей системой и предотвращает распространение шумовых токов заземления через различные электронные устройства в одной схеме. Двумя наиболее распространёнными изолированными топологиями являются обратноходовой и прямой преобразователи. Однако для более высокой мощности используются другие изолированные топологии, такие как двухтактная, полумостовая и полная мостовая.
Если гальваническая развязка не требуется, то в большинстве случаев используется неизолированная топология. Для изолированных топологий всегда требуется трансформатор, который имеет свойство быть дорогим, громоздким и часто труднодоступным в готовом виде с соответствием точным требованиям пользовательского источника питания.
Наиболее распространённые топологии, когда изоляция не требуется
Понижающий
Наиболее распространённой топологией неизолированного SMPS является понижающий преобразователь. Он принимает положительное входное напряжение и генерирует выходное напряжение ниже входного. Понижающий преобразователь – это одна из трёх основных топологий импульсных источников питания, для которых требуется всего два переключателя, два конденсатора и катушка индуктивности.
На рис. 3 показан основной принцип топологии понижающего преобразователя.
Переключатель верхнего плеча подаёт импульс тока со входа и генерирует напряжение узла переключения, чередующееся между входным напряжением и напряжением земли. LC-фильтр принимает это импульсное напряжение на коммутационном узле и генерирует выходное напряжение постоянного тока. В зависимости от рабочего цикла ШИМ-сигнала, управляющего переключателем верхнего плеча, генерируется различный уровень постоянного выходного напряжения. Этот понижающий преобразователь постоянного тока очень энергоэффективен, относительно прост в сборке и требует небольшого количества компонентов.
Понижающий преобразователь подаёт импульсный ток на вход, а на выход подаётся непрерывный ток, поступающий от катушки индуктивности. По этой причине понижающий регулятор очень шумит на входе и не так шумит на выходе. Понимание этого важно при проектировании систем с низким уровнем шума.
Повышающий
Помимо понижающей («buck»), второй базовой топологией является повышающая («boost») (рис. 4).
В ней используются те же пять основных силовых компонентов, что и в понижающем преобразователе, но они перегруппированы таким образом, что индуктор находится на входе, а переключатель верхнего плеча – на выходе. Топология «buck» используется для повышения определённого входного напряжения до выходного напряжения, которое выше, чем входное.
При выборе повышающего преобразователя важно учитывать, что в его спецификациях всегда указывают максимальный номинальный ток переключения, а не максимальный выходной ток. В понижающем преобразователе максимальный ток переключения напрямую связан с максимально достижимым выходным током, не зависящим от соотношения между входным и выходным напряжениями. В повышающем стабилизаторе коэффициент напряжения напрямую влияет на возможный максимальный выходной ток, основанный на фиксированном максимальном токе переключения. При выборе подходящей микросхемы повышающего стабилизатора необходимо знать не только требуемый выходной ток, но также входное и выходное напряжения разрабатываемой схемы.
Повышающий преобразователь имеет очень низкий уровень шума на входе, потому что индуктор на одной линии с входным соединением предотвращает быстрые изменения тока. Однако на стороне выхода эта топология довольно шумная.
Понижающе-повышающий
Третья базовая топология, состоящая только из пяти основных компонентов, представляет собой инвертирующий повышающе-понижающий преобразователь (рис. 5).
Название происходит от того факта, что этот преобразователь принимает положительное входное напряжение и преобразует его в отрицательное выходное напряжение. Кроме того, входное напряжение может быть выше или ниже абсолютного инвертированного выходного напряжения. Например, выходное напряжение –12 В может быть сгенерировано из 5 В или 24 В на входе. Это возможно без каких-либо специальных модификаций схемы.
В инвертирующей повышающе-понижающей топологии катушка индуктивности подключается от узла переключателя к земле. На стороне входа, а также на стороне выхода преобразователя протекает импульсный ток, что делает эту топологию относительно шумной с обеих сторон. В приложениях с низким уровнем шума эта особенность компенсируется добавлением дополнительных входной и выходной фильтраций.
Одним весьма положительным аспектом топологии инвертирующего повышающе-понижающего преобразователя является то, что для такого преобразователя можно использовать любую микросхему импульсного понижающего стабилизатора. Это так же просто, как подключить выходное напряжение понижающей цепи к заземлению системы. Заземление цепи понижающего преобразователя станет скорректированным отрицательным напряжением. Этой простотой обусловлен большой выбор импульсных регуляторов ИС на рынке.
Глава 2
Помимо трёх основных неизолированных топологий импульсного источника питания, рассмотренных в первой главе, доступно множество других топологий. Однако все они требуют дополнительных компонентов питания, что обычно делает их более дорогими и снижает эффективность преобразования энергии. За некоторыми исключениями, добавление дополнительных компонентов в цепь питания обычно увеличивает потери.
Одними из самых популярных топологий являются SEPIC, Zeta, Ćuk и понижающе-повышающий с четырьмя переключателями. Каждая из них предлагает функции, недоступные в трёх основных топологиях. К наиболее важным особенностям каждой топологии относятся:
- SEPIC может генерировать положительное выходное напряжение из положительного входного напряжения, которое может быть выше или ниже выходного напряжения. ИС повышающего регулятора могут использоваться для разработки источника питания SEPIC. Недостатком этой топологии является необходимость использования второй катушки индуктивности или одной связанной катушки индуктивности и конденсатора SEPIC;
- преобразователь Zeta похож на SEPIC, но он способен генерировать положительное или отрицательное выходное напряжение. Кроме того, он не имеет нуля в правой полуплоскости (ПНПЗ), что упрощает контур регулирования. Для такой топологии можно использовать ИС понижающего преобразователя;
- преобразователь Ćuk предлагает инвертирование положительного входного напряжения в отрицательное выходное напряжение. В нём используются две катушки индуктивности, одна на входе и одна на выходе, что обеспечивает довольно низкий уровень шума на входе и выходе. Недостатком является то, что только несколько импульсных ИС преобразования мощности поддерживают эту топологию, поскольку для контура регулирования требуется вывод отрицательной обратной связи по напряжению;
- понижающе-повышающий с четырьмя переключателями преобразователь стал довольно популярным в последние годы. Он позволяет получать положительное выходное напряжение от положительного входного напряжения. Входное напряжение может быть выше или ниже отрегулированного выходного напряжения. Этот преобразователь заменяет многие конструкции SEPIC, поскольку обеспечивает более высокую эффективность преобразования мощности и требует только одного индуктора.
Наиболее распространённые изолированные топологии
Помимо неизолированных топологий, в некоторых приложениях требуются преобразователи мощности с гальванической развязкой, исходя из соображений безопасности, необходимости наличия плавающего заземления в более крупных системах, в которых соединены различные цепи, или предотвращения образования контуров заземления в приложениях, чувствительных к помехам. Наиболее распространёнными топологиями изолированных преобразователей являются обратноходовые и прямоходовые преобразователи.
Обратноходовой преобразователь обычно используется для уровней мощности до 60 Вт. Схема работает таким образом, что во время включения энергия накапливается в трансформаторе. В нерабочее время эта энергия высвобождается на вторичной обмотке преобразователя, питая выход.
Этот преобразователь прост в изготовлении, но требует относительно больших трансформаторов для хранения всей энергии, необходимой для правильной работы. Такая особенность ограничивает топологию более низкими уровнями мощности. На рис. 6 вверху показан обратноходовой преобразователь, а внизу – прямой преобразователь.
Помимо обратноходового преобразователя, также очень популярен прямоходовой преобразователь. Он использует трансформатор иначе, чем обратноходовой. Во время включения, пока ток протекает через первичную обмотку, ток также протекает через вторичную обмотку.
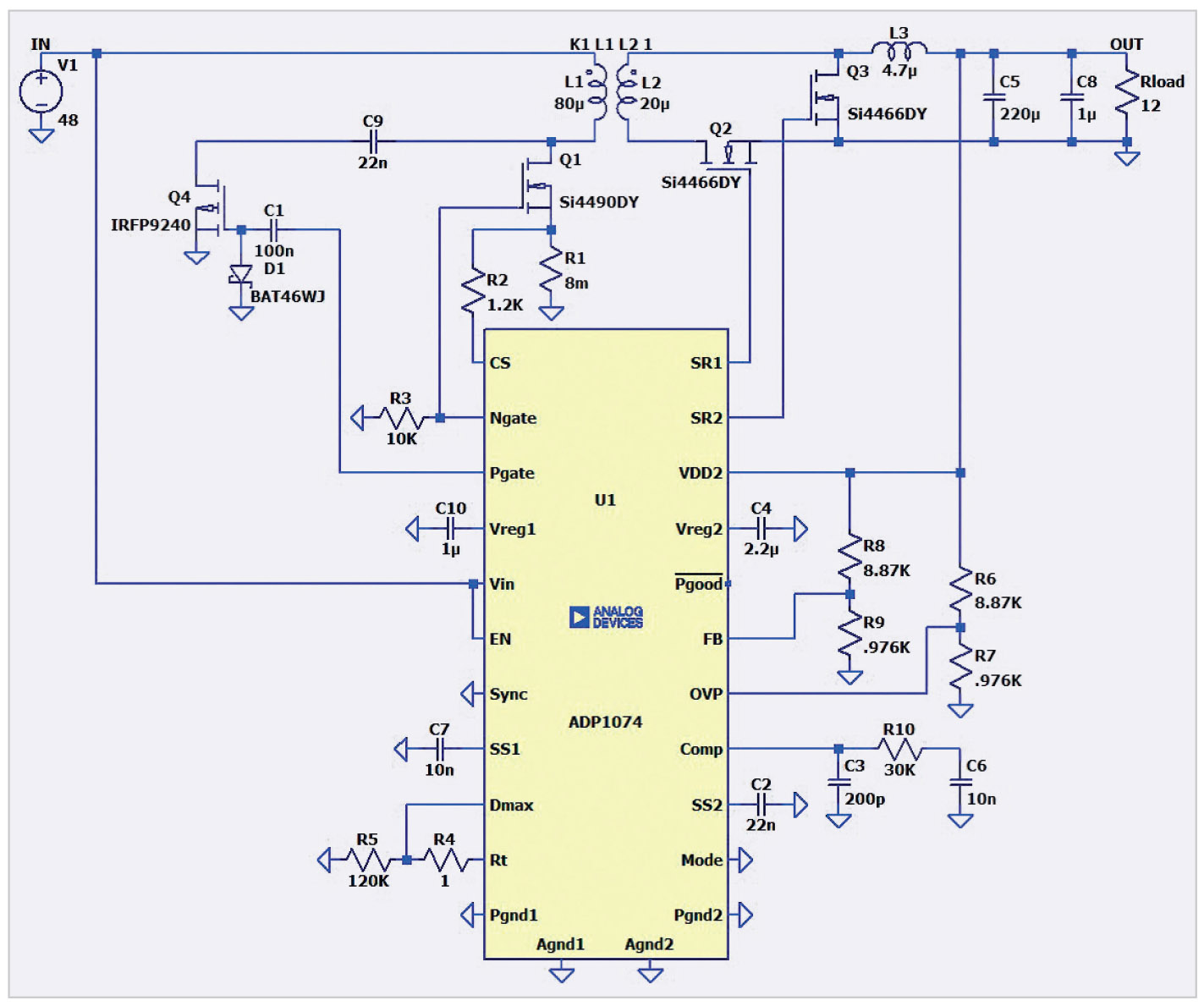
Энергия не должна накапливаться в сердечнике трансформатора. После каждого цикла переключения нужно убедиться, что вся намагниченность сердечника сбрасывается до нуля, чтобы трансформатор не насыщался после нескольких циклов переключения. Такое выделение энергии из ядра может быть достигнуто с помощью нескольких различных технологий. Одним из популярных способов является использование активных клещей с небольшим дополнительным переключателем и конденсатором.
На рис. 7 показана схема среды моделирования LTspice конструкции прямого активного зажима с использованием ADP1074.
В прямоходовом преобразователе на выходном пути имеется дополнительная катушка индуктивности по сравнению с обратноходовым преобразователем (рис. 6). Несмотря на то что это ещё один дополнительный компонент, занимающий много места и требующий затрат, он помогает генерировать более низкое шумовое выходное напряжение по сравнению с обратноходовым преобразователем. Кроме того, размер трансформатора, необходимый для прямого преобразователя с тем же уровнем мощности, что и для обратноходового преобразователя, может быть намного меньше.
Продвинутые изолированные топологии
Помимо обратноходовой и прямой топологий, существует множество концепций гальванически изолированных преобразователей на основе трансформаторов. В следующем списке представлены основные сведения о наиболее распространённых из этих преобразователей:
- двухтактный: топология двухтактного типа аналогична прямому преобразователю. Однако вместо одного переключателя нижнего плеча эта топология требует двух активных переключателей нижнего плеча. Кроме того, требуется первичная обмотка трансформатора с центральным отводом. Преимуществом двухтактного преобразователя является работа с более низким уровнем шума по сравнению с прямым преобразователем. Кроме того, ему подходит трансформатор меньшего размера. Гистерезис кривой BH трансформатора используется в двух квадрантах, а не только в одном;
- полумостовая/полномостовая: эти две топологии обычно используются для проектов с более высокой мощностью от нескольких сотен ватт до нескольких киловатт. Для них требуются переключатели верхнего плеча в дополнение к переключателям нижнего плеча, но они обеспечивают передачу очень высокой мощности с относительно небольшими трансформаторами;
- ZVS: термин «переключение при нулевом напряжении» (Zero Voltage Switching) часто используется при обсуждении мощных изолированных преобразователей. Другой термин для таких преобразователей – преобразователи LLC (индуктор-индуктор-конденсатор). Эти архитектуры нацелены на очень высокую эффективность преобразования. Они создают резонансный контур и переключают силовые ключи, когда напряжение или ток на ключах близки к нулю, что минимизирует коммутационные потери. Однако такие конструкции могут быть сложными в разработке, а частота переключения не является фиксированной, что иногда приводит к проблемам с электромагнитными помехами.
Преобразователи с переключаемыми конденсаторами
В дополнение к линейным стабилизаторам и импульсным источникам питания существует третья группа преобразователей мощности – преобразователи с переключаемыми конденсаторами. Их также называют зарядовыми насосами. Преобразователи с переключаемыми конденсаторами, в которых для умножения или инвертирования напряжения используются переключатели и конденсаторы, обладают существенным преимуществом, заключающимся в отсутствии необходимости в катушке индуктивности.
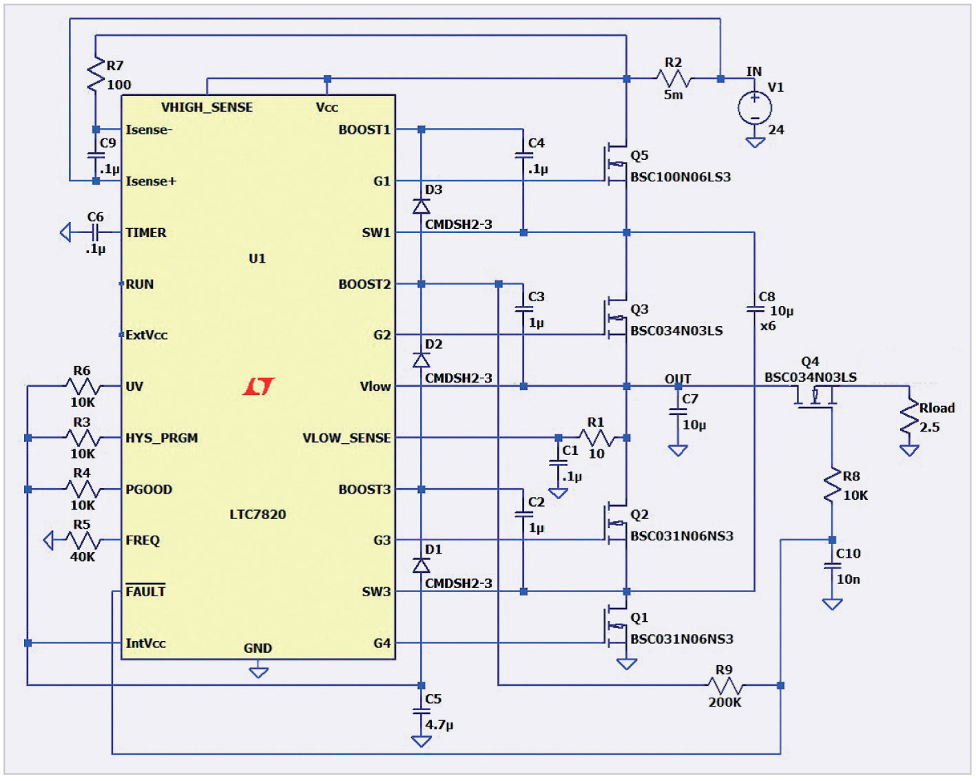
Обычно такие преобразователи используются для низких уровней мощности ниже 5 Вт. Однако недавние разработки позволили использовать преобразователи с переключаемыми конденсаторами гораздо большей мощности. На рис. 8 показан LTC7820 в исполнении мощностью 120 Вт с КПД 98,5%, преобразующий 48 В в 24 В.
Глава 3
Цифровые источники питания
Все блоки питания, обсуждаемые в этой статье, могут быть реализованы как аналоговые или цифровые блоки питания. Но что именно собой представляют цифровые? Питание всегда должно проходить через аналоговый силовой каскад с переключателями, катушками индуктивности, трансформаторами и конденсаторами.
Цифровой аспект представлен двумя цифровыми блоками. Первый – это цифровой интерфейс, который позволяет электронной системе «разговаривать» и «слушать» источник питания. Различные параметры могут быть установлены на лету, чтобы оптимизировать питание для различных условий работы. Кроме того, источник питания может обмениваться данными с главным процессором и выдавать сигналы предупреждения или неисправности. Например, система может легко контролировать ток нагрузки, превышение заданного порога или чрезмерную температуру источника питания.
Второй цифровой блок заменяет аналоговый контур регулирования. Это может работать успешно, но для большинства приложений оптимальным является стандартный аналоговый контур обратной связи с некоторым цифровым влиянием на некоторые параметры. В эти параметры входит регулировка коэффициента усиления «на лету» или динамическая настройка параметров компенсации контура в целях обеспечения стабильной, но при этом быстрой обратной связи.
Примером устройства с чисто цифровым контуром управления является ADP1046A, разработанный Analog Devices. Примером понижающего стабилизатора с цифровым интерфейсом и аналоговым контуром управления, оптимизированным за счёт цифровых воздействий, является LTC3883.
Об электромагнитных помехах
Электромагнитные помехи всегда являются темой, на которую следует обращать внимание при разработке импульсных источников питания. Причина в том, что SMPS включает и выключает сильноточный поток за очень короткие промежутки времени. Чем быстрее переключение, тем выше общая эффективность системы. Более быстрые переходы переключения сокращают время, в течение которого переключатель частично включён. В течение этого частичного времени включения возникает наибольшее количество коммутационных потерь.
На рис. 9 показана форма сигнала коммутационного узла SMPS.
Давайте представим понижающий регулятор. Высокое напряжение определяется протеканием тока через переключатель верхнего плеча, а низкое напряжение определяется отсутствием протекания тока через ключ верхнего плеча.
На рис. 9 мы видим, что SMPS генерирует шум не только из-за отрегулированной частоты переключения, но и из-за скорости перехода переключения, которая намного выше по частоте. Хотя частота переключения обычно составляет от 500 кГц до 3 МГц, время переключения может составлять несколько наносекунд. При времени переключения 1 нс мы увидим в спектре соответствующую частоту 1 ГГц. По крайней мере, обе эти частоты будут рассматриваться как излучаемое и кондуктивное излучения. Другие частоты также могут появляться из-за колебаний контура регулирования или взаимодействия между источником питания и фильтрами.
Есть две причины, по которым нужно стремиться к уменьшению электромагнитных помех. Во-первых, это защита функциональности электронной системы, питаемой от конкретного источника питания. Например, 16-разрядный АЦП, используемый в сигнальном тракте системы, не должен улавливать помехи переключения, исходящие от источника питания. Вторая причина заключается в соблюдении определённых стандартов электромагнитного излучения, которые вводятся в различных государствах для обеспечения совместимости и надёжной работы различных электронных систем.
ЭМП бывают двух видов: излучаемые и кондуктивные. Наиболее эффективным способом уменьшения излучаемых электромагнитных помех является оптимизация компоновки печатной платы и использование таких технологий, как технология «тихих переключателей» от Analog Devices. Также эффективным может быть размещение схемы в экранированной металлической коробке. Однако это может быть непрактично и в большинстве случаев обходится очень дорого.
Кондуктивные электромагнитные помехи обычно ослабляются дополнительной фильтрацией. Далее будет обсуждаться такая фильтрация для уменьшения кондуктивных излучений.
Фильтрация
RC-фильтры – это базовые фильтры нижних частот. Однако в конструкции источника питания каждый фильтр представляет собой не что иное, как LC-фильтр. Часто достаточно просто добавить некоторую индуктивность последовательно, так как она образует фильтр LC или CLC вместе с входными или выходными конденсаторами SMPS. Иногда в качестве фильтров используются только конденсаторы, но, учитывая паразитную индуктивность на силовых кабелях или трассах, вместе с конденсатором лучше образовать ещё и LC-фильтр. Катушка индуктивности L может быть катушкой индуктивности с сердечником или ферритовым кольцом.
LC-фильтр пропускает нижние частоты, так что мощность постоянного тока может проходить через него, и высокочастотные помехи в значительной степени ослабляются. LC-фильтр имеет двойной полюс, поэтому мы получаем затухание высоких частот в 40 дБ за декаду. Этот фильтр имеет относительно резкий спад.
Разработка фильтра – не ракетостроение. Однако, поскольку паразитные компоненты схемы, такие как индуктивность дорожки, оказывают влияние, создание фильтра требует моделирования основных паразитных эффектов. Это может сделать разработку фильтра довольно трудоёмкой. Многие проектировщики, имеющие опыт разработки фильтров, знают, какие фильтры работали раньше, и могут итеративно оптимизировать определённый фильтр для нового дизайна.
При проектировании всех фильтров необходимо не только учитывать поведение слабого сигнала, например, передаточную функцию фильтра на диаграмме Боде, но также учитывать влияние сильного сигнала. В любом LC-фильтре мощность проходит через катушку индуктивности. Если эта мощность больше не нужна на выходе из-за внезапного скачка нагрузки, энергия, хранящаяся в катушке индуктивности, должна куда-то выйти. Это заряжает ёмкость фильтра. Если фильтр не предназначен для таких условий, накопленная мощность может вызвать скачки напряжения, которые способны повредить схему.
Наконец, фильтры имеют определённый импеданс. Этот импеданс взаимодействует с сопротивлениями силовых преобразователей, подключённых к фильтру. Такое взаимодействие может привести к нестабильности и колебаниям. Инструменты моделирования, такие как LTspice и LTpowerCAD от Analog Devices, могут помочь ответить на все эти вопросы и помочь с разработкой идеального фильтра. На рис. 10 показан графический пользовательский интерфейс конструктора фильтров в среде проектирования LTpowerCAD. С помощью этого инструмента проектирование фильтров может быть значительно упрощено.
Тихие переключатели
Излучаемые выбросы трудно блокировать. Требуется специальное экранирование металлическим материалом, что может быть очень дорогостоящим.
Долгое время инженеры искали способы уменьшить излучаемые помехи, создаваемые SMPS. Несколько лет назад был совершён прорыв благодаря технологии «тихих переключателей». За счёт уменьшения паразитных индуктивностей в горячих контурах SMPS, а также путём разделения горячих контуров на два и установки их очень симметричным образом излучаемые излучения в основном компенсируют друг друга.
Сегодня доступно множество устройств с тихими переключателями (Silent Switcher), обеспечивающих гораздо более низкий уровень излучения, чем традиционные продукты. Уменьшение излучаемых помех позволяет повысить скорость переключения. Ускорение переходов переключения снижает потери и, таким образом, позволяет использовать гораздо более высокие частоты. Одним из примеров этой инновации является LTC3310S, который может работать на частоте переключения 5 МГц, что позволяет создавать чрезвычайно компактные конструкции с недорогими внешними компонентами (рис. 11).
Заключение
Управление питанием – необходимость, но оно может быть и увлекательным. В этой статье мы рассмотрели многие аспекты проектирования блоков питания, включая различные топологии блоков питания, их преимущества и недостатки. Для инженеров по электроснабжению такая информация может быть очень простой. И экспертам, и неспециалистам полезно иметь такие программные инструменты, как LTpowerCAD и LTspice, которые помогают в процессе проектирования. С их помощью силовые преобразователи можно спроектировать и оптимизировать за очень короткое время.
Если вам понравился материал, кликните значок — вы поможете нам узнать, каким статьям и новостям следует отдавать предпочтение. Если вы хотите обсудить материал —не стесняйтесь оставлять свои комментарии : возможно, они будут полезны другим нашим читателям!

