Общие сведения
В данном устройстве используется метод локации с помощью инфракрасного излучения, рассмотренный в статье [1]. Сущность метода состоит в следующем. Поскольку использование светового излучения в локации на небольших расстояниях не позволяет определять расстояние по скорости возврата отражённого сигнала (как это делается в акустической локации), здесь применяется способ, в котором измеряется не скорость возврата отражённого сигнала, а его интенсивность (мощность). То есть чем дальше препятствие, тем слабее отражённый от него свет.
Измерение интенсивности производится шестнадцатиступенчатым способом, причём в процессе измерения чувствительность приёмника остаётся максимальной и неизменной. Изменяется (шестнадцатью ступенями) яркость посланного навстречу препятствию инфракрасного излучения. Яркость этого излучения ступенчато нарастает, и, когда её будет достаточно для приёма цифровым фотоприёмником с фиксированным порогом чувствительности, на выходе фотоприёмника формируется уровень лог. «0», который записывается в выходной регистр.
Индикатором степени приближения служит линейная шкала из шестнадцати светодиодов, действующая по принципу светящегося столба. При дальности, превышающей пределы чувствительности данного прибора, светятся все шестнадцать светодиодов шкалы, а с приближением к препятствию светящийся столб укорачивается (уменьшается число светящихся светодиодов). Шкала может состоять из разноцветных светодиодов.


Схема и принцип работы
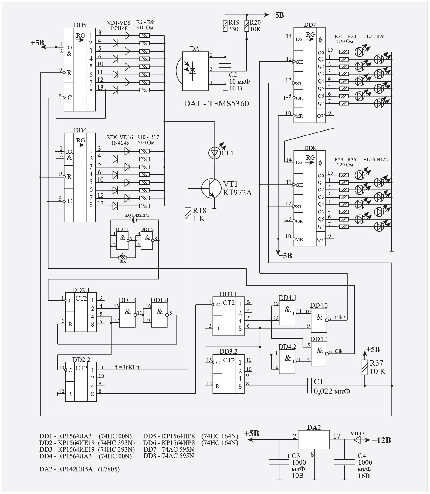
Схема электрическая устройства показана на рис. 1, а временна¢я диаграмма его работы – на рис. 2. Устройство состоит из:
- задающего генератора на элементах DD1.1 и DD1.2, стабилизированного кварцевым резонатором ZQ1 на частоту 432 кГц;
- счётчиков-делителей: DD2.1, DD2.2, DD3.1, DD3.2;
- схемы формирования импульсов синхронизации DD4.1…DD4.4;
- буферного регистра DD5, DD6;
- выходного регистра DD7, DD8;
- резистивной матрицы R2…R17;
- ИК-излучающего светодиода HL1 и фотоприёмника DA1;
- светодиодной линейки HL2…HL17;
- стабилизатора питающего напряжения DA2.
Датчик состоит из инфракрасного светодиода от пульта ДУ телевидеотехники и интегрального фотоприёмника типа TFMS5360 со встроенным усилителем-компаратором и резонансным фильтром на частоту 36 кГц. Свет, излучаемый ИК-светодиодом, модулирован такой же частотой, поэтому система маловосприимчива к помехам от каких-то устройств, излучающих инфракрасное излучение. Единственное, что может помешать работе датчика, это включённый пульт дистанционного управления телевизором или другой телевидеоаппаратурой. Но пультами для телевизоров крайне редко пользуются на парковках и в гаражных боксах.
Один полный цикл работы устройства состоит из 16 тактов (см. рис. 2), в каждом из которых формируется по одному импульсу синхронизации буферного («Clk1») и выходного («Clk2») регистров. Ток на ИК-светодиод HL1 поступает через резистивную матрицу R2…R17 и зависит от текущего состояния буферного регистра (DD5, DD6). В начальный момент времени буферный регистр обнулён, а значит, на всех его выходах присутствуют уровни лог. «0». Ток через ИК-светодиод равен нулю. По спаду первого же отрицательного импульса «Clk1» в первый разряд регистра DD5 записывается уровень лог. «1» и через резистор R2 и светодиод HL1 начинает протекать ток, равный 1/16 от максимального значения. Модуляция ИК-излучения с частотой 36 кГц происходит благодаря подаче прямоугольных импульсов на базу транзистора VT1 с выхода младшего разряда счётчика DD2.2 (вывод 11).
Инфракрасный сигнал, излучённый светодиодом, отражается от препятствия и попадает на фотоприёмник DA1. Если мощности отражённого сигнала окажется достаточно (препятствие близко), то на выходе фотоприёмника DA1 будет сформирован уровень лог. «0», который по спаду первого же импульса синхронизации «Clk2» запишется в первый разряд выходного регистра DD7. Если мощности отражённого сигнала окажется недостаточно, то в первый разряд выходного регистра DD7 будет записан уровень лог. «1».
После прохождения шестнадцати тактов работы устройства в буферный регистр (DD5, DD6) будет записано шестнадцать логических единиц, а в выходном регистре (DD7, DD8) окажется информация о расстоянии до объекта. По спаду импульса на выходе старшего разряда счётчика DD3.2 и дифференцированию его цепочкой C1-R37 эта информация будет переписана в выходные триггеры-защёлки ИМС DD7, DD8. Одновременно будут обнулены ИМС DD5, DD6 буферного регистра. Таким образом, на светодиодной линейке HL2…HL17 будет отображаться информация о расстоянии до объекта в виде убывающего столба. Когда же препятствие удалено за пределы чувствительности парковщика, создаётся эффект свечения всех шестнадцати светодиодов.
Конструкция и детали
Устройство собрано на печатной плате из двустороннего фольгированного стеклотекстолита толщиной 1,5 мм размерами 100´150 мм (рис. 3).

После монтажа ИК-светодиода HL1 и фотоприёмника DA1 на плату приклеивают перегородку из чёрной светонепроницаемой пластмассы, чтобы исключить возможность прямого попадания ИК-излучения светодиода на фотоприёмник. ИМС серии КР1564 заменимы на ИМС серии КР1554 или их импортные аналоги 74HCxx или 74ACxx. Маломощные кремниевые диоды могут быть из серий КД521, КД522, 1N4148 или аналогичные. Резисторы применены типа МЛТ-0,125. Оксидные конденсаторы могут быть типа К50-35 или импортные. Интегральный пятивольтовый стабилизатор использован типа КР142ЕН5А. Фотоприёмник DA1 может быть типа TFMS5360 или аналогичный на частоту 36 кГц от телевидеоаппаратуры.
В настройке и отладке устройство не нуждается и, при использовании исправных деталей, начинает работать сразу же при включении. Единственное, что может потребоваться – это подобрать сопротивления резистивной линейки R2…R17 при условии использования ИК-светодиода, рассчитанного на больший рабочий ток, к примеру, SFH485. В таком случае можно получить ещё бо¢льшую дальность работы на отражение.
Литература
- Абрамов С.М. Инфракрасный радар // Радиоконструктор. 2004. № 1.
Если вам понравился материал, кликните значок — вы поможете нам узнать, каким статьям и новостям следует отдавать предпочтение. Если вы хотите обсудить материал —не стесняйтесь оставлять свои комментарии : возможно, они будут полезны другим нашим читателям!

