«Умными» называют жилые дома современного типа, организованные для проживания людей при помощи автоматизации и высокотехнологичных устройств. В Интернете, в научнотехнической литературе, в рекламе компаний, которые предлагают построить жильё с элементами «умного» дома, информации о них предостаточно. Под «умным» домом следует понимать систему, которая обеспечивает безопасность, комфорт и ресурсосбережение. В простейшем случае она должна уметь распознавать конкретные ситуации, происходящие в доме, и соответствующим образом на них реагировать. Для того чтобы сделать свою жизнь полной комфорта и безопасности, не обязательно перестраивать всё в доме или в квартире за один раз. Можно постепенно добавлять (или убирать) необходимые системы и шаг за шагом приближаться к своей мечте. Более того, практически каждому, желающему обзавестись умным домом, вполне по силам собрать его своими руками и по необходимости совершенствовать. Причём «глубину интеллекта» умного дома, видимо, должен задать (или ограничить) пользователь. Можно создать в виртуальноцифровом пространстве цифровые двойники составных частей объекта автоматизации. Отрабатывать и проверять до бесконечности оптимизацию процесса без «существенных» затрат. А зачем? Видимо, здесь пользователь должен решить для самого себя, что же ему нужно. Задать чёткие границы, красные линии, которые нет смысла переходить.
Приезжая на свою малую родину из города, каждый раз отмечаю, как хорошеет и благоустраивается райцентр. Да, конечно, проблем хватает. Но тем не менее строятся новые дороги (ремонтируются старые), муниципальное жилье, инфраструктура. Не стоит на месте и ИЖС. Наверное, половина домов у селян – каменные, «изб нет – одни палаты». Архитектурный облик российского райцентра в средней полосе за последние 20 лет значительно изменился в лучшую сторону. Рассмотрим более подробно объект автоматизации в сельской местности, в райцентре. Пусть это добротный каменный дом с жилой площадью в районе 100 м2 с подвалом. Имеются газ, вода, канализация. Центрального горячего водоснабжения, как правило, нет. Есть гараж (нередко дом и гараж – одно здание, гараж может быть в цокольном этаже), приусадебный участок с садом и огородом, дворовые постройки, погреб, подпол, баня, колодец с насосом, теплица, птичник и др. (для автоматизации задач более чем достаточно). Как объект автоматизации, дом с приусадебным участком и постройками даже интереснее квартиры. Зимнего сада, оранжереи с тропической флорой и бассейна, как правило, нет. Единой системы диспетчерского контроля с выходом на центральный диспетчерский пульт поселка (райцентра) тоже нет. Границы автоматизированной системы управления «умный дом» (далее АСУ УД) проходят по периметру приусадебного участка. Условия жизни и ментальность сельских жителей в глубинке несколько иная, чем жителей «умных деревень» мегаполисов. Для сельского жителя при применении АСУ УД на первый план выходят вопросы экономии ресурсов, времени, а также вопрос эксплуатации и обслуживания самой системы. Его мало интересуют различные замысловатые сценарии для системы освещения или закачка программ в стиральную машину через Интернет. Большинство сельского населения вообще не видит смысла в этих дорогих игрушках и относится к ним как к ненужной роскоши. Если что и автоматизировать, то самое необходимое, самое основное, незаменимое. Здесь нужны простые надёжные решения, прошедшие проверку временем, доступные для массового пользователя.
Основные инженерные системы, каналы измерений и функциональные узлы в доме, которые можно автоматизировать и встроить в АСУ УД:
- система контроля температуры (дома и дворовых построек);
- контроль температуры в доме (канал измерения и контроля температуры № 1);
- контроль температуры на улице (канал измерения и контроля температуры № 2);
- контроль температуры в погребе (канал измерения и контроля температуры № 3);
- контроль температуры в гараже (канал измерения и контроля температуры № 4); - система управления освещением (дома, приусадебной и придомовой территории);
- система обогрева и отопления (в том числе и сезонный обогрев гаража, теплицы);
- управление автоматическими воротами;
- система охранной сигнализации (охрана дома и внешнего периметра);
- система пожарной сигнализации;
- контроль влажности;
- контроль газа;
- контроль затопления подвала;
- имитация присутствия;
- автоматическое выключение света в помещениях;
- приточновытяжная вентиляция;
- система резервного электропитания.
Каналы измерения и контроля температуры условно отнесены к системе контроля температуры. При этом измеренная температура может быть задействована в других системах АСУ УД.
Блок управления выполнен на базе устройства функционального ОВЕН ПР20024.4.2 (далее – ПР200). Устройство управляющее многофункциональное ПР200 относится к классу приборов «программируемое реле». Подобные приборы широко применяются для построения автоматизированных систем управления при решении задач локальной автоматизации. Их применение снижает затраты на проектирование и изготовление систем управления, повышает их надёжность, снижает издержки и эксплуатационные расходы. Его внешний вид приведён на рис. 1.

Фактически ПР200 представляет собой программируемое реле с дисплеем. Прибор предназначен для построения простых автоматизированных систем управления технологическим оборудованием. ПР200 программируется в OwenLogic на языке FBD. Пользовательская программа записывается в энергонезависимую Flashпамять прибора. Прибор поддерживает следующие функции:
- работа по программе, записанной в память;
- работа в сети RS485 по протоколу Modbus RTU/Modbus ASCII в режиме Master или Slave;
- обработка входных сигналов от датчиков;
- управление подключёнными устройствами с помощью дискретных или аналоговых сигналов;
- отображение данных на ЖКИ;
- ввод и редактирование данных с помощью кнопок на лицевой панели.
ПР200 – это программируемый управляемый автомат с дисплеем, который позволяет посмотреть на дисплее состояние выходов и входов. Для увеличения количества входов и выходов головного устройства ПР200, а значит, и для увеличения его функциональных возможностей необходимо задействовать следующие модули расширения: дискретного ввода/вывода ПРМХ.1; аналоговых входов и дискретных выходов ПРМХ.2; аналогового вводавывода ПРМХ.3. Каждый модуль имеет независимое питание с усиленной гальванической изоляцией, что позволяет подключать к прибору модули любой модификации с любым питающим напряжением. Допускается подключение модулей с различным напряжением питания к одному головному устройству в различных комбинациях. Внешний вид ПР200 с подключёнными модулями расширения ПРМ24.1, ПРМ24.2 приведён на рис. 2.

Для удалённого обмена данными через беспроводную сеть GPRS задействован сетевой шлюз ПМ21024. Он предназначен для передачи данных в OwenCloud. Облачный сервис OwenCloud можно подключить за вполне умеренную плату. Структурная схема АСУ УД, на базе ПР200 приведена на рис. 3.

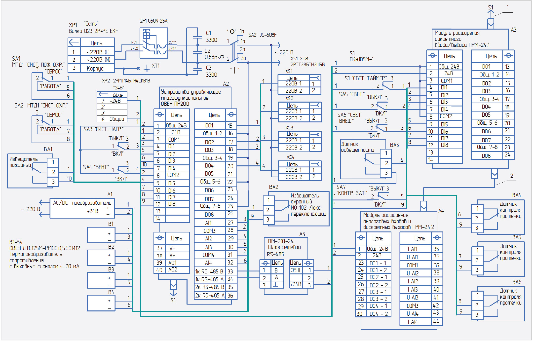
Принципиальная схема ПР200 с модулями расширения ПРМ24.1 и ПРМ24.2 приведена на рис. 4.

На принципиальной схеме приведено только подключение органов управления и датчиков к входным цепям ПР200 и ПРМ24.1. Тумблеры SA1SA7 МТД1, кнопка S1 (без фиксации) ПКн – 105М1. Пожарный извещатель ВА1 типа ИП2124С. Извещатель охранный ВА2 типа ИО 102 Люкс. В качестве датчика освещённости ВА3 можно задействовать фотореле типа ФР9М. ВА4ВА6 – датчики протечки типа «h2оКонтакт» ТУ 4214002527389792015. Датчики температуры В1...В4 типа ОВЕН ДТС125МPt100.0,5.60.И12.
В данной конфигурации ПР200 вместе с ПРМ24.1 и ПРМ24.2 можно задействовать 8 универсальных аналоговых входов, 16 дискретных входов, 20 дискретных выходов, 2 аналоговых выхода. Причём 8 универсальных аналоговых входов можно сконфигурировать как дискретные. Допустимый ток нагрузки по каждому каналу реле в ПР200 и в модулях расширения ПРМ (дискретные выходы DO): 5 А, при напряжении не более 250 В переменного тока. При управлении мощными нагрузками необходимо применять промежуточные реле, магнитные пускатели, контакторы, мощные симисторные блоки или твердотельные реле, рассчитанные на соответствующую нагрузку. Технологические шлейфы 1 и 2 (входят в комплект поставки) подключают соответственно ПР200 к ПРМ24.1 и ПРМ24.1 к ПРМ24.2. На принципиальной схеме показано подключение кнопок управления S1, S2 и четырёх датчиков температуры В1...В4 с токовым выходом. Данные датчики подключаются к аналоговым входам AI1 AI4 реле ПР200. Датчики подключаются через нормирующий преобразователь с унифицированным выходом (0…10 В; 4…20 мА). Для этого входы AI1...AI4 необходимо аппаратно и программно сконфигурировать соответствующим образом. Нормирующий преобразователь может быть встроен в первичный датчик.
Рассмотрим примеры построения некоторых систем АСУ УД, приведённых в статье. Разработку управляющей программы в среде OWEN Logic рекомендуется начинать после тщательного ознакомления с алгоритмом работы объекта локальной автоматизации и его составных частей. Необходимо иметь представление о всех возможных состояниях ПР при функционировании (в виде диаграммы режимов, таблицы состояний, электрической или функциональной схемы и/или др.). После того как продуманы все задачи, которые должны выполняться, необходимо составить программу на основе функций (логических элементов), функциональных блоков, а также макросов проекта. Применение макросов значительно сокращает время разработки ПО АСУ УД. На рис. 5 приведён скриншот управляющей программы для систем контроля и измерения температуры, систем обогрева № 1 и № 2, пожарной и охранной сигнализации, приточновытяжной вентиляции в среде OWEN Logic. Все датчики и исполнительные устройства вышеуказанных систем подключены к ПР200.

В табл. 1 приведено функциональное назначение дискретных и аналоговых входов реле ПР200 в устройстве.

В табл. 2 приведено функциональное назначение дискретных выходов реле ПР200 в устройстве.

В скриншоте управляющей программы для управления аппаратной частью ПР200 можно выделить пять функциональных блоков и систем: система обогрева № 1; система обогрева № 2; блок пожарной сигнализации; блок охранной сигнализации; блок управления приточновытяжной вентиляцией. Системы нагрева № 1 и № 2 выполнены на базе макросов 2PosHisReg1 и 2PosHisReg2 и двух логических элементов 2ИНЕ. Данные макросы представляют собой двухпозиционные регуляторы, в которых только нужно задать уставку SP и гистерезис Delta. При нажатии на кнопку S1 (кнопка c фиксацией) лог. 1 поступает на входы элементов 2И, при этом выходные сигналы с 2PosHisReg1 и 2PosHisReg2 поступают соответственно на выходы Q1 и Q2. Блок пожарной сигнализации включает в себя следующие основные элементы: RSтриггер RS1; генератор импульсов BLINK1, а также логические элементы ИЛИ, 2И. Блок пожарной сигнализации готов к работе после установки тумблера SA1 в положение «1». При срабатывании датчика пожарной сигнализации выход RSтриггер RS1 устанавливается в лог. 1. Включается исполнительное устройство, подключённое к выходу Q4 (автоматическая система пожаротушения или ревун). Блок управления приточновытяжной вентиляцией включает в себя следующие основные элементы: интервальный таймер с недельным циклом работы CLOCKW1; логические элементы 2И и НЕ. Вышеуказанный блок может работать в двух режимах. В ручном, при нажатии на кнопку S2 (кнопка c фиксацией), либо в автоматическом. В автоматическом режиме работу приточновытяжной вентиляции определяет интервальный таймер с недельным циклом работы CLOCKW1. Он задаёт интервал работы данного блока от 0 до 24 ч каждый день по часам реального времени с учётом дней недели. При срабатывании пожарной сигнализации работа приточновытяжной вентиляции блокируется. Блок охранной сигнализации включает в себя следующие основные элементы: RSтриггеры RS2, RS3; таймеры с задержкой включения ТОN1, TON2; Dтриггер DTRIG1; генератор импульсов BLINK2, BLINK3; элемент 2И; два элемента НЕ.
Рассмотрим работу блока охраны. После установки тумблера SA2 в положении «Работа» запускается процедура перехода в режим «Охрана». Начинается обратный отсчёт времени таймера с задержкой включения TON1 (время задержки – 65 с). При этом индикатор F1 реле ПР200 периодически мигает. За это время нужно покинуть помещение, закрыть двери, окна – «Сдать помещение под охрану». Кроме того, у некоторых датчиков (извещателей) охраны после подачи питания имеется дежурный режим, его длительность определяется типом датчика. После дежурного режима датчики переходят в рабочий (активируются). То есть интервал задержки для TON1 заведомо должен быть больше этого значения и задаваться под каждый конкретный тип датчика охраны. Как только заданное значение времени таймера с задержкой включения TON1 примет нулевое значение, устройство ставится под охрану (режим «Охрана»). При этом индикатор F1 реле ПР200 горит постоянно. При включении охранного извещателя, подключённого к входу DI8 реле ПР200, на выходе регистра RS3 устанавливается лог. 1. Начинается обратный отсчёт времени таймера с задержкой включения TON2 (время задержки – 10 с). Как только заданное значение времени таймера с задержкой включения TON2 примет нулевое значение, на выходе Dтриггера DTRIG1 установится лог. 1(режим – «Тревога»). При этом индикатор F2 начнёт мигать. Для выхода из режимов «Охрана» или «Тревога» необходимо установить тумблер SA2 в положение «Сброс».
Состояние систем охраны и пожарной сигнализации в устройстве, а также показания датчиков температур выводятся на дисплей (экран) ПР200. На рис. 6 приведён скриншот менеджера экранов в среде OWEN Logic.

На рис. 7 приведён скриншот управляющей программы для системы включения света с автоматическим выключением, системы управления внешним освещением дома и приусадебного участка, системы контроля затопления подвала. Все датчики и исполнительные устройства вышеуказанных систем подключены к ПРМ24.1.

В табл. 3 приведено функциональное назначение дискретных входов модуля расширения ПРМ24.1 в устройстве.
В табл. 4 приведено функциональное назначение дискретных выходов ПРМ24.1 в устройстве.
Система автоматического выключения света включает в себя следующие основные элементы: таймеры с задержкой включения ТОN3, TON4; таймеры с заданной длительностью включения ТР1ТР3; четыре элемента ИЛИ и интервальный таймер с недельным циклом работы CLOCKW2. Алгоритм работы вышеуказанной системы следующий. При кратковременном (менее 2 с) нажатии на кнопку S3 запустится формирователь импульса ТР1 с длительностью 60 с. Этот импульс проходит через три элемента ИЛИ, поступает на выход Q2(1) и, соответственно, включит свет в помещении на 60 с. При нажатии на кнопку S3 более 3 с и менее 6 с запустится формирователь импульсаТР2 с длительностью 300 с. Этот импульс совершенно аналогично через три элемента ИЛИ поступит на выход Q2(1) и, соответственно, включит свет в помещении на 300 с. При нажатии на кнопку S3 более 6 с свет в помещении включится на 600 с. В данном случае длительность интервала включения света определяет формирователь импульса ТР3. Интервальный таймер с недельным циклом работы CLOCKW1 позволяет автоматически включить свет в любой день недели по часам реального времени.
Система освещения придомовой территории выполнена на следующих элементах: таймеры с задержкой включения ТОN5–TON7; таймер с заданной длительностью включения ТР4; логический элемент 2И. Данная система начинает функционировать после включения кнопки S3 (ПУСК) и срабатывания датчика освещённости. Меняя количество таймеров с задержкой включения ТОN и таймеров с заданной длительностью включения ТР в OWEN Logic, а также их параметры, можно реализовать различные сценарии освещения придомовой территории.
Система контроля затопления подвала выполнена на следующих элементах: трёх элементах ИЛИ; таймере с задержкой включения ТОN8; двух элементах 2И. Функциональный узел, выполненный на таймере с задержкой включения ТОN8, увеличивает достоверность определения включения датчиков протечки. Для реализации остальных систем, приведённых на рис. 3, необходимо задействовать аппаратные и программные ресурсы ПРМ24.2. Если их не хватит, то ничего страшного. В АСУ УД можно добавить ещё один узел ПР220 с модулями расширения ПРМ. Необходимая конфигурация модулей расширения ПРМ определяется конкретными задачами. ПР200 с модулями расширения ПРМ позволяет быстро организовать достаточно гибкий необходимый алгоритм работы различных систем АСУ УД и при необходимости оперативно его изменить с минимальными доработками в аппаратной части.
Литература
- Оборудование для автоматизации – официальный сайт компании «Овен» // URL: http://www.owen.ru.
- Средства автоматизации технологических процессов. Сайт компании НПФ «КонтрАвт» // URL: http://www.сontravt.ru.
Если вам понравился материал, кликните значок — вы поможете нам узнать, каким статьям и новостям следует отдавать предпочтение. Если вы хотите обсудить материал —не стесняйтесь оставлять свои комментарии : возможно, они будут полезны другим нашим читателям!

