ЭЛТ 8ЛО6И со шкалой беспараллаксного отсчёта и прямоугольным плоским экраном – одна из лучших разработок Львовского ПО «Кинескоп». Её установка взамен штатной требует учёта рекомендуемых изготовителем напряжений, подаваемых на электроды. Для ЭЛТ подобного класса это связано с допустимыми интервалами напряжений относительно 2-го анода для временны́х и сигнальных пластин (отклоняющих), а также для бланкирующих пластин, 3-го и 4-го анодов при их наличии в ЭЛТ. Рассмотрим эти рекомендации в цифровых значениях.
8ЛО7И допускает интервал напряжений на отклоняющих пластинах относительно 2-го анода в пределах –550…+550 В. Поскольку пластины подключены к выходам усилителей вертикального и горизонтального отклонений (УВО и УГО), напряжения питания которых не превышают +200 В, на катод ЭЛТ потребуется подать отрицательное напряжение около –2 кВ. Так и реализовано в С1-94.
8ЛО6И допускает интервал на отклоняющих и бланкирующих пластинах, 3-м и 4-м анодах относительно 2-го анода только в пределах –50…+50 В. Кроме того, относительно 2-го анода требуется отрицательное напряжение на катоде в пределах –600…–900 В и положительное на 5-м аноде – +2…3 кВ. Как мы видим, напряжения на электродах у этих ЭЛТ существенно отличаются, в том числе полярностью.
Однако анализ схемного решения ВВ-преобразователя в С1-94 позволяет без практических трудностей получить напряжения, рекомендуемые производителем для установки 8ЛО6И.
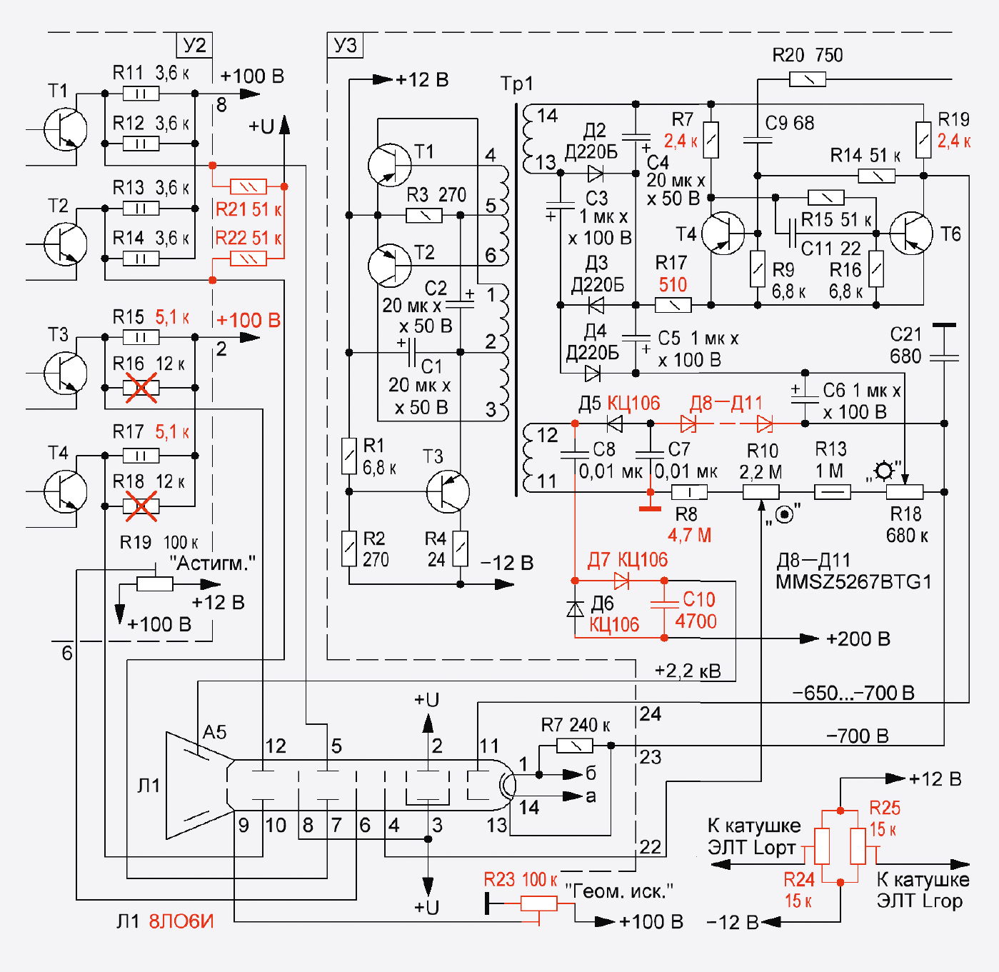
Доработанная часть схемы c ЭЛТ 8ЛО6И для осциллографа С1-94 приведена на рис. 1.
При её доработке учитывалось требование минимально вносимых изменений. Красным цветом на рис. 1 выделены изменения монтажных соединений элементов, за исключением выводов ЭЛТ Л1, типов или номиналов, а также дополнительных элементов, нумерация которых условно продолжена. Позиционные обозначения всех элементов на схеме и рисунках печатных плат взяты из статьи в журнале «Радио» [2].
Перейдём к практическому варианту установки ЭЛТ 8ЛО6И.
- Громоздкий штатный блок ВВ-выпрямителя с платы У3 удалён и заменён выпрямителем на менее габаритных ВВ-диодах и дисковых конденсаторах. На плате со стороны проводников связь вывода конденсатора С7 с контактной площадкой «к–Д5» разорвана. На площадке «к–Д5» распаяны вывод анода Д5 и вывод С7 (рис. 2).

Связь площадки «к R6, C8» с Тр1 и площадкой «к+Д6» разорвана. На площадке «к R6, C8» распаян вывод анода Д6 ВВ-удвоителя напряжения и вывод конденсатора С10 с рабочим напряжением 3 кВ (рис. 3).

Для увеличения напряжения на аноде А5 с +2 кВ до +2,2 кВ площадка соединена каплей припоя с шиной +200 В, проходящей рядом. Диоды Д5, Д6 КЦ106 установлены вертикально и приклеены к плате торцами корпусов. - Цепь стабилитронов Д8…Д11 задаёт питание на катоде ЭЛТ минус 700 В. Установлена со стороны печатных проводников между контактными площадками конденсатора С21 и «к–Д5».
- В ВВ-удвоителе напряжения для удобства монтажа установлен малогабаритный диод Д7 из серии 2CL (аналог КЦ111А). Запаян навесом за вывод катода Д6 и вывод конденсатора С10, установленного вертикально (рис. 3). С8 запаян за вывод 12 Тр1 и вывод катода Д6. Г-образный экран укорочен по высоте на 15 мм. Боковой лепесток крепления жгута проводов переклёпан на экране вверх на 15 мм.
- Резистор R8 составлен из двух резисторов по 2,4 МОм 1 Вт. Для лучшего гашения обратного хода развёртки в триггере подсвета на транзисторах Т4, Т6 резисторы R7, R19 заменены на 2,4 кОм (можно увеличить до 3 кОм), R17 – 510 Ом. Резистор R12, если установлен в поздних версиях, удалить.
- Выходной каскад УГО (плата У2) запитан от шины питания +100 В перепайкой вывода монтажного провода с контакта 32 (+200 В) на контакт 15 на плате У3. Сглаживающий конденсатор С27 в блоке питания заменён на 1 мкФ 160 В. При отключении питания УГО от шины +200 В и малом токе анода А5 ёмкости 1 мкФ вполне достаточно. Резистор R55 заменён на 2,2 МОм. Его назначение – разряд С27 после отключения питания. На выходах УГО резисторы R15, R17 заменены на 5,1 кОм. R16, R18 удалены.
- Общая точка +U на дополнительных резисторах R21, R22 задаёт режим 2-му аноду напряжением, равным +55…60 В. При этом обеспечена минимальная разность напряжений на отклоняющих пластинах ЭЛТ относительно 2-го анода и нулевая на бланкирующих пластинах и 4-м аноде. Резисторы распаяны на теплоотводах транзисторов КТ940 УВО (плата У2).
- Три подстроечных резистора R23…R25 установлены на отдельной плате. Плата крепится у задней панели за верхнюю пластину каркаса снизу винтом впотай через втулку (рис. 4).

Движком резистора R23 «Геометрические искажения» добиваются наилучшей линейности прямоугольных импульсов на экране ЭЛТ. Для совмещения линии луча с горизонтальной осью шкалы на баллоне трубки установлена катушка Lгор, а для установки ортогональности фронтов импульсов – катушка Lорт. Расположение катушек показано на рис. 5.

Число витков 2500…3000 проводом ПЭВ 0,08…0,1. Регулировки производят движками резисторов R24 и R25. Резисторы R23 и R24 и катушка Lорт не всегда востребованы, при этом вывод 9 ЭЛТ следует соединить с выводом 6 или с +U. - Раструб пермаллоевого экрана укорочен на 40 мм и крепится спереди за верхнюю пластину каркаса винтом впотай через втулку высотой 6,5 мм (рис. 6).

Для крепления штатным хомутом задней части баллона ЭЛТ на панельку трубы натянута и приклеена «Моментом» уплотнительная резиновая шайба внешним диаметром 55…56 мм толщиной 3 мм. Можно купить в магазинах хозтоваров и сантехники. - После установки на бленду прозрачного защитного стекла стали видны края окна передней фальшпанели, поэтому они были закрашены в чёрный цвет. Чтобы стеклянная плоскость экрана ЭЛТ Л1 примыкала к фальшпанели, круглое отверстие передней панели каркаса чуть расточено надфилем под продольные углы колбы ЭЛТ. После юстировки колба по продольным углам зафиксирована в отверстии панели четырьмя каплями автомобильного герметика.
- В УВО на плате У1 резистор R38 заменён на 510 Ом, R47 – 120…130 Ом, в УГО (плата У3) R75 – 510 Ом при размахе пилообразного напряжения 4…4,5 В на контакте «1» Ш3. Масштабы под координатную шкалу ЭЛТ окончательно скорректированы движками резисторов R39 на плате У1 и R58 на плате У3.
Литература
- Денисов А.Ф., Россоский Я.М. Люди. Годы. Осциллографы. Ч. 3.8. Сервисные осциллографы. Вильнюс, 2012 // URL: https://eltesta.com/wp-content/uploads/2020/03/People.Years_.Oscilloscopes.Parts-3.8-3.9-Appendixes.... (11.02.22).
- Булычева Н., Кондратьев Ю. Универсальный сервисный осциллограф С1-94 // Радио. 1983. № 1, с. 37–42; № 2, с. 29–31.
Если вам понравился материал, кликните значок — вы поможете нам узнать, каким статьям и новостям следует отдавать предпочтение. Если вы хотите обсудить материал —не стесняйтесь оставлять свои комментарии : возможно, они будут полезны другим нашим читателям!

