Введение
Аудио ОУ LM1875T, разработанный компанией National Semiconductor, выпускается на протяжении уже более 20 лет (см., например, справочный листок (datasheet), датированный 1999 г.). Сейчас эта микросхема выпускается уже под маркой Texas Instruments, в которую в свое время вошла компания National Semiconductor. В связи с тем, что интерес, а значит, и спрос на LM1875T уже давно упал, а также с тем, что за такое большое время выпущено огромное их количество ещё под брендом компании National Semiconductor, стоимость этой микросхемы уникально низка: сейчас LM1875T можно приобрести за смехотворную цену – менее 60 руб/шт, а в партии из 5 штук – ещё дешевле. Хотя ОУ LM1875T в основном предназначен для аудиоприменений (обычно на их основе конструируют УМЗЧ небольшой мощности: до 20 Вт), его свойств как ОУ никто не отменял. А свойства эти достаточно интересны: его выходной ток может достигать 4 А, а напряжение питания – до 60 В. Микросхема имеет защиту от превышения тока (4 А) и от перегрева. Кроме того, она достаточно широкополосна (200 кГц и выше). Коэффициент подавления пульсаций напряжения источника питания (Power Supply Rejection Ratio – PSRR) у LM1875T достигает 80 дБ, или, другими словами, она подавляет такие пульсации в 10 000 раз и более. Стандартные мощные ОУ, например, L165 и LM675 с максимальным током в 3 А стоят в несколько раз дороже LM1875T, а стоимость OPA544 (4 A) может достигать 1,5–2 тыс. руб.
Высокие технические показатели ОУ LM1875T и его уникально низкая цена натолкнули автора на идею: а нельзя ли использовать эту микросхему в других, не связанных с аудио, приложениях?
Первое, что приходит в голову, – это простейший и достаточно мощный стабилизатор, например, выпрямленного напряжения. Если на неинвертирующий вход ОУ подать напряжение от источника образцового напряжения (ИОН), а к инвертирующему – напряжение, снятое с делителя выходного напряжения, то получим стабилизатор, который будет подавлять пульсации выпрямленного напряжения как минимум в 10 000 раз.
Второе применение – мощный преобразователь однополярного напряжения в двуполярное, или, другими словами, – формирователь искусственной «земли». Такой преобразователь может быть получен, если ОУ используется как повторитель напряжения, т.е. выходное напряжение подключается к инвертирующему входу, а на неинвертирующий вход подаётся половина напряжения питания, снятая с делителя, состоящего из двух равных высокоомных резисторов, подключённых к напряжениям питания.
Оба этих применения LM1875T автор использовал в описанном далее двуполярном ИП с плавно регулируемым выходным напряжением (от ±3 В до ±15 В) и ступенчатой регулировкой ограничения выходного тока (от 20 мА до 1 А), при превышении которого ток больше не увеличивается (несмотря на, например, снижение сопротивления нагрузки вплоть до короткого замыкания). Кроме того, сам факт наступления события ограничения тока индицируется с помощью светодиода. Такой ИП существенно превосходит по возможностям, удобству работы, мощности и простоте схем сконструированный автором ИП, описанный в статье [1].
Помимо этого, в статье автора [2] приводится схема преобразователя однополярного напряжения в двуполярное (или формирователь искусственной «земли») на основе микросхемы ОУ LA6500 (и в несколько усовершенствованном варианте – в книге [3]). Подобный преобразователь на основе ОУ LM1875 имеет существенное преимущество перед преобразователем на LA6500 благодаря своей мощности (см. далее).
Таким образом, дальнейшее изложение будет построено следующим образом: вначале будут приведены принципиальные схемы описываемых устройств, затем будет дана разводка их плат и показан их внешний вид, и далее будет представлен общий вид готовых устройств.
Принципиальные схемы
Принципиальную схему платы двуполярного ИП с регулировкой выходного напряжения и тока (см. рис. 1) условно можно разделить на 4 части.
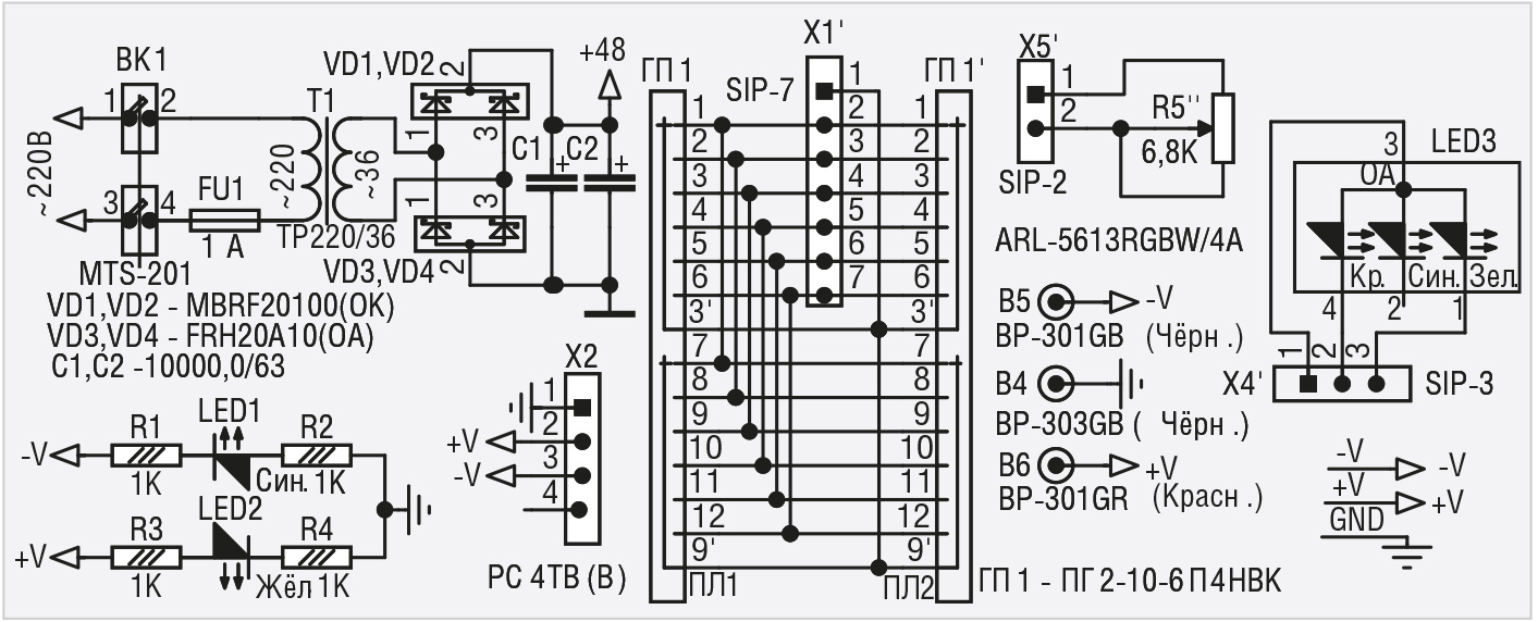
Первая часть – это стабилизатор +34 В (в левом нижнем пунктирном прямоугольнике), построенный на ОУ LM1875T (DA1). В качестве ИОН использован диодный стабилизатор тока (номиналом 5,6 мА) S-562T (VD3), включённый последовательно со стабилитроном BZT52C6V8S (VD4) на 6,8 В. Здесь следует напомнить, что такой диодный стабилизатор тока в зарубежной литературе именуется как Constant-Current Diode (CCD) и представляет собой n-канальный полевой транзистор с управляющим p-n-переходом (JFET), у которого затвор соединён с истоком. При напряжении между стоком и истоком, превышающим 10 В, такой транзистор входит в насыщение, и при дальнейшем росте напряжения ток сток-исток практически не меняется, т.е. этот транзистор является источником стабильного тока. Стабилизация тока приводит к существенной стабильности выходного напряжения стабилитрона, независимо от пульсаций входного напряжения. Как видно из схемы, точка соединения VD3 и VD4 подключена к неинвертирующему входу ОУ, а точка соединения двух резисторов R1 и R2 делителя выходного напряжения – к его инвертирующему входу. При выходном напряжении ОУ 34 В, как нетрудно подсчитать, напряжение в этой точке составляет 6,8 В, и, таким образом, оба входа ОУ находятся под одним и тем же напряжением 6,8 В. Справедливо и обратное: при указанных на схеме номиналах VD3, VD4, R1 и R2 выходное напряжение ОУ установится равным 34 В и будет стабильным, независимо от нагрузки, по следующей причине: при подключении нагрузки к выходу ОУ его выходное напряжение в первый момент упадёт, что приведёт к снижению напряжения делителя, а поскольку оно подключено к инвертирующему входу ОУ, то к повышению выходного напряжения, которое установится на прежний уровень. При отключении нагрузки всё произойдёт с точностью до наоборот. Относительно высокая стабильность ИОН, а также высокий коэффициент подавления пульсаций напряжения питания ОУ (PSRR), о чём говорилось выше, приводят к тому, что пульсация выходного напряжения всего стабилизатора при максимальном токе составляет не более 1 мВ (это проверено автором). Конденсаторы C1…C4 дополнительно снижают пульсации выходного напряжения стабилизатора. Входное напряжение поступает на плату с разъёма X2. Его условное значение указано как +48 В, но в зависимости от тока нагрузки ИП это напряжение, естественно, будет меняться. При максимальном токе 1 А его минимальное значение не должно опускаться ниже +38 В с учётом размаха пульсаций (приблизительно 1 В).
Вторая часть схемы – стабилизатор с регулируемыми напряжением и током, построенный на микросхеме L200 (DA2). Схема его включения стандартная, рекомендуемая производителем и приведённая в справочном листке (datasheet). Выходное напряжение Vo регулируется делителем R3, R4 (см. рис. 1) и R5’’ (см. рис. 2) в диапазоне 6…30 В.
Переменный резистор R5’’ (см. рис. 2) подключается к двухконтактному штыревому разъёму PSLM-2 (X5) платы 2-проводным кабелем, на одном конце которого установлено ответное 2-контактное гнездо SIP-2 (X5’ на рис. 2), а второй его конец припаян к резистору R5’’. Это потенциометр марки СП5-35А с высокой разрешающей способностью благодаря груботочной схеме, построенной на двух соосных резистивных элементах.
Выходной ток (Io) регулируется ступенчато путём подключения к выводам 5 и 2 DA2 резисторов R1’…R10’. Эти резисторы подключены к 7-контактному штыревому разъёму X1 (PSLM-7). К этому разъёму ответной розеткой SIP-7 (X1’ на рис. 2) подключён 7-проводной кабель, вторая сторона которого припаяна к контактам галетного переключателя ПГ2-10-6П4НВК (ГП1 на рис. 2) на 6 положений и 4 направления. Максимальный ток через контакт ГП1 составляет 0,5 А, что в 2 раза меньше максимального тока ИП. Поэтому все четыре направления объединены, в связи с чем максимальный ток через ГП1 составляет 2 А, что в 2 раза больше требуемого или, другими словами, имеем двукратный запас по току.
В первом положении ГП1 к контактам 2…5 DA1 оказывается подключён резистор R10’ (22 Ом), и максимальный выходной ток DA2 будет около 20 мА (0,45 В / 22 Ом – см. справочный листок). Во втором положении подключается резистор R9’ (9,1 Ом, ток около 50 мА). В 3-м положении подключается резистор R8’ (4,3 Ом, ток около 100 мА). В 4-м положении – резистор R7’ (1,8 Ом, ток 250 мА), в 5-м положении – параллельно 2 резистора R5’||R6’ (0,9 Ом, 0,5 А), в 6-м положении – параллельно 4 резистора R1’| |R2’| |R3’| |R4’ (0,45 Ом, 1 А). Таким образом, диапазон регулировки тока составляет от 20 мА до 1 А.
Третья часть схемы – формирователь искусственной «земли» или преобразователь однополярного напряжения 6…30 В в двуполярное ± 3… ± 15 В. Он построен на втором ОУ LM1875T (DA3) – схема в правом пунктирном прямоугольнике рис. 1. Как видно из схемы, ОУ DA3 – обычный повторитель напряжения, снятого с движка R6* делителя R5-R6*-R7 напряжения Vo, полученного с выхода DA2 (6–30 В). Поскольку номиналы R5 и R6 равны (с соответствующей точностью), с помощью R6* можно настроить напряжение на его движке VG, равное половине напряжения Vo или, другими словами, получить искусственную «землю», относительно которой выходное напряжение ИП изменяется в диапазоне ±3…±15 В. Конденсаторы C5...C10 предназначены для исключения самовозбуждения DA3 и, кроме того, в некоторой степени подавляют пульсацию выходного напряжения ОУ DA3, как и конденсаторы C11 и C12. Конденсатор C15 – блокировочный.
Номинал подстроечного резистора R6* существенно зависит от точности резисторов R5 и R7. При точности этих резисторов 0,1% (как на схеме) номинал R6* равен 47 Ом (и его вообще можно исключить из схемы, существенно не теряя равенства выходных напряжений). Если же точность R5 и R7 на порядок хуже (например, 1%), то и номинал R6* необходимо увеличить на порядок (до 470 Ом).
Здесь следует заметить, что перед тем, как стать функциональными блоками ИП (рис. 1), обе схемы в пунктирных прямоугольниках (стабилизатор и формирователь) были разведены, изготовлены на отдельных платах и тщательно проверены в работе. Эта проверка показала идеальную работу схем при максимальном токе до 1,2 А.
Поскольку применение стабилизатора +34 В, кроме как в составе схемы рис. 1, автор пока не нашёл, разводка платы этого устройства в статье не приводится (она приведена в дополнительных материалах к статье в файле разводки – см. далее). На взгляд автора, необходимо добавить по поводу стабилизатора следующее.
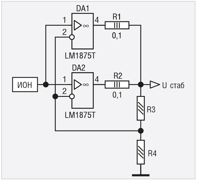
Хотя максимальный выходной ток LM1875T и составляет 4 А, в некоторых случаях от стабилизатора требуется существенно больший ток (например, 10 А). В таких случаях два ОУ можно включать параллельно (см. рис. 3), а для исключения небольшой разницы выходных напряжений двух экземпляров ОУ к их выходам (перед объединением) необходимо подключить резисторы небольшого номинала, например, 0,1 Ом (R1 и R2 на рис. 3).
Такое включение двух мощных ОУ является широко распространённой практикой (например, параллельное включение двух мощных ОУ в составе LM4780, описанное в его справочном листке – datasheet). Но где можно параллелить два ОУ LM1875T, там можно параллелить и три, и получить выходной ток, например, 10 А.
А вот формирователь искусственной «земли» автор применил в УМЗЧ при питании его однополярным ИП с напряжением 28 В для получения двуполярного питания ±14 В [2]. Здесь следует напомнить, что такой формирователь в [2] был сконструирован на базе ОУ LA6500. Хотя этот ОУ в пиковом режиме работы и допускает значение выходного тока 1 А, в постоянном режиме работы его ток не может превышать 0,2 А (см. справочный листок на LA6500). В связи с этим для исключения перекоса напряжений этого формирователя (из-за разницы потребления тока мощными ОУ LM3886 в УМЗЧ по положительному и отрицательному напряжениям) к выходу ОУ LA6500 (и к «земле») были подключены довольно мощные подтягивающие резисторы, которые были установлены на дополнительном радиаторе (см. [2]). Однако относительно высокий выходной ток LM1875T (4 A) позволил исключить эти подтягивающие резисторы, поскольку LM1875T «играючи» справляется с таким перекосом. Итоговая разводка отдельной платы формирователя и внешний вид самого устройства на радиаторе приведены далее в статье.
В правой части схемы на рис. 1 (четвёртая часть схемы) показано устройство индикации перегрузки по току. Оно сконструировано на сдвоенном ОУ MC33072 (DA4). На первом ОУ (DA4.1) и 4 резисторах R8…R11 собран классический дифференциальный усилитель (ДУ) сигнала, снятого со 2 и 5 выводов DA2 (V5–2). При максимальном токе, как следует из справочного листка на L200 (DA2), напряжение V5–2 = 0,45 В. Однако это типовое значение. На самом деле V5–2 может варьироваться от 0,38 В до 0,52 В в зависимости от экземпляра микросхемы L200. Коэффициент усиления ДУ равен отношению R8/R9 = R10/R11 и при их номиналах, указанных на схеме, составляет около 20 (что нетрудно подсчитать). Кроме того, в связи с тем, что вход опорного напряжения ДУ заземлён (это верхний по схеме вывод R8), выходное напряжение ДУ изменяется относительно «земли» независимо от абсолютных значений напряжений V5 и V2. Таким образом, если V5–2 = 0,45 В, то выходное напряжение ДУ будет составлять около 9 В (0,45 В п 20). Но напряжение V5–2 изменяется плавно практически от нуля (при отсутствии нагрузки) до максимального 0,45 В (при максимальном токе нагрузки), поэтому, если подключить к этому напряжению, например, светодиод (разумеется, с ограничивающим ток резистором) для индикации, то он также плавно будет изменять свою яркость, и факт перегрузки по току ни идентифицировать, ни индицировать не получится. Поэтому на DA4.2 и трёх резисторах R12…R14 для такой идентификации собран триггер Шмидта, а для индикации использован транзистор VT1 и три резистора R15…R17.
Триггер Шмидта представляет собой обычный компаратор на ОУ с положительной обратной связью (ПОС).
В качестве опорного напряжения используется напряжение, снятое с точки соединения резисторов R12, R13 делителя напряжения питания (+34 В). К этой же точке подключён резистор обратной связи R14. Если выходное напряжение ОУ DA4.2 находится в высоком уровне (т.е. почти равно напряжению питания), то R14 оказывается подключён параллельно R12. В этом случае опорное напряжение или напряжение верхнего порога (как нетрудно подсчитать) будет равно Uпв = 8,56 В. Если же выходное напряжение ОУ находится в низком уровне (т.е. почти под потенциалом «земли»), то R14 будет подключён параллельно R13, и в этом случае напряжение нижнего порога Uпн = 7,62 В. Гистерезис триггера Шмидта составит Uгист = Uпв – Uпн = 0,94 В (т.е. около 1 В). Этого вполне достаточно для идентификации факта перегрузки по току или, другими словами, достижению напряжения V5–2 = 0,45 В, при котором L200 входит в режим ограничения тока. Поскольку триггер Шмидта инвертирующий, так как выходное напряжение ДУ подключено к его инвертирующему входу (6-й вывод DA4.2), то в исходном состоянии (сброса – reset), когда V5–2 < 0,45 В и соответственно выходное напряжение ДУ меньше верхнего порога переключения Uпв, выход триггера Шмидта (7-й вывод DA4.2) находится в высоком уровне. При достижении выходного напряжения ДУ верхнего порога Uпв триггер Шмидта переключится в состояние установки (set), и на его выходе установится низкий уровень, сигнализируя о том, что микросхема L200 перешла в режим ограничения тока, или, другими словами, о наступлении события перегрузки по току.
Для индикации этих двух состояний триггера Шмидта используется 3-цветный красно-зелёно-синий (RGB) светодиод ARL-5613RGBW/4А с общим анодом и матовой линзой диаметром 5 мм (LED3 на рис. 2). В нём используются два светодиода – красный и зелёный (синий не используется). К выводам (3, 4 и 1) этого светодиода припаян 3-проводный кабель, на втором конце которого расположен 3-контактный цанговый разъём SIP-3 (X4’ на рис. 2), подключаемый к 3-контактному цанговому штыревому разъёму PSLM-3 (X4 на рис. 1), расположенному на плате. Резисторы R15 и R17 ограничивают токи светодиодов (красного и зелёного соответственно), а резистор R16 ограничивает выходной ток триггера Шмидта и одновременно напряжение затвора транзистора 2SK3019 (VT1).
В исходном состоянии триггера Шмидта (reset) низкий уровень его выходного напряжения включает зелёный светодиод (сигнализируя о штатном режиме работы), подключая к «земле» его катод (через резистор R15), и одновременно запирает транзистор, подключая его затвор к истоку («земле») через резистор R16. В результате этого красный светодиод не горит. В установленном состоянии (set) триггера Шмидта высокий уровень его выходного напряжения гасит зелёный светодиод и одновременно открывает транзистор, в результате чего загорается красный светодиод, сигнализируя о наступлении факта перегрузки по току.
Несмотря на такое «пространное» объяснение функционирования, устройство индикации перегрузки по току занимает достаточно мало места на плате (см. далее).
Подключение ИП к сетевому напряжению ~220 В осуществляется двухпозиционным тумблером MTS-201 (ВК1) через предохранитель на 1 А (FU1) – рис. 2. В ИП используется тороидальный трансформатор (Т1) мощностью 50 Вт, с вторичной обмотки которого снимается напряжение ~36 В. Это напряжение выпрямляется диодами VD1–VD4 и сглаживается электролитическими конденсаторами C1, C2. Выпрямленное напряжение (+48 В) двумя проводами подключается к 2-контактному разъёму платы DG350-3.5-02P (X2, рис. 1). Выходные напряжения (–V, +V, GND) снимаются с 3-контактного разъёма платы DG350-3.5-03P (X3, рис. 1), к которому подключается 3-проводный кабель, ко второму концу которого подключаются выходные приборные клеммы B4–B6, дублирующий выходные напряжения 4-контактный разъем РС4ТВ(В) (X2) и светодиоды LED1, LED2 со своими токоограничительными резисторами R1...R4.
Разводка и внешний вид плат
Разводка всех плат сделана автором с помощью программы Sprint LayOut 6.0, а файл разводки в формате *.lay6 приведён в дополнительных материалах к статье на сайте журнала. Рисунки разводки и фотографии самих плат (см. рис. 4…6) специально расположены в таком порядке, который позволяет сравнить их между собой.
Конструкция ИП
ИП расположен в корпусе размером 140×190×60 мм (G767) (см. рис. 7, 8).
На задней стенке корпуса укреплены: выключатель питания, предохранитель, гермоввод, в котором зажат сетевой провод, а также радиатор, прикрученный к задней стенке четырьмя винтами. Сама плата держится на выводах всех трёх мощных микросхем, прикрученных к радиатору через керамические изоляционные прокладки с использованием теплопроводной пасты КПТ-8. Для этого в задней стенке прорезано окно.
Трансформатор прикручен к днищу корпуса винтом М4 впотай с помощью стойки с внутренней резьбой М4 и специальной чашки. Между трансформатором, днищем корпуса и чашкой установлены резиновые прокладки. Выпрямительные диоды с двух сторон прикручены к небольшому радиатору, который также прикручен к днищу корпуса двумя винтами М2 впотай. Электролитические конденсаторы укреплены в специализированных хомутах с отогнутыми лепестками, прикрученными к днищу корпуса винтами М3 впотай. Приборные клеммы, резистор, регулирующий выходные напряжения, галетный переключатель, дублирующий напряжения разъём и светодиоды в специальных оправках укреплены на передней стенке корпуса.
На лицевую поверхность выведены ручки управления, приборные клеммы, светодиоды и дублирующий напряжения разъём (см. рис. 8). Рядом с клювиком галетного переключателя приклеена полоска бумаги, на которой напечатаны позиции клювика и соответствующий этим позициям ток. Эта распечатка приведена в *.pdf-формате в дополнительных материалах на сайте журнала. Для печати автор использовал специализированную бумагу с односторонним липким слоем, предназначенную для распечатки этикеток (ELA049-18). К днищу корпуса приклеены 4 резиновые ножки, входящие в комплект поставки корпуса.
Заключение
Приведённые в статье устройства на основе микросхемы LM1875T свидетельствуют, что она с успехом может использоваться в прикладных задачах, напрямую не связанных с её изначальным аудиопредназначением.
Литература
- Кузьминов А. Регулируемый двуполярный блок питания с ограничением тока // Современная электроника. 2017. № 8. С. 70–73.
- Кузьминов А. Однополярное питание аудиоусилителя на мощных ОУ в мостовом включении // Современная электроника. 2020. № 1. С. 58–62; № 2. С. 42–45.
- Кузьминов А. Электронные устройства. Современные аппаратные и программные средства. – М.: Перо, 2021.
Скачать
Если вам понравился материал, кликните значок — вы поможете нам узнать, каким статьям и новостям следует отдавать предпочтение. Если вы хотите обсудить материал —не стесняйтесь оставлять свои комментарии : возможно, они будут полезны другим нашим читателям!

