Введение
Коллекторные двигатели постоянного и переменного тока, как известно, обладают общим свойством: при увеличении напряжения, подаваемого на такие двигатели, увеличиваются скорость и крутящий момент. Причём на холостом ходу (без нагрузки на вал) или, другими словами, при нулевом тормозном моменте скорость вращения таких двигателей (особенно двигателей переменного тока) может достигать до десятков тысяч оборотов в минуту.
В то же время при сверлении отверстий, например электродрелью, от двигателя требуется повышенный крутящий момент, который тем больше, чем толще сверло. При этом для более точного позиционирования сверла и особенно для приемлемого режима сверления скорость вращения должна быть достаточно низкой (несколько сотен оборотов в минуту). В связи с этим в электродрели устанавливают механический редуктор, снижающий скорость вращения вала и одновременно увеличивающий его крутящий момент в десятки и даже сотни раз (особенно в дрелях-шуруповёртах).
Если же двигатель используется в инструментах для заточки (например, свёрл) или разрезки каких-либо материалов (например, в циркулярной пиле), то на его валу установлен абразивный точильный или отрезной круг. Сверхвысокая скорость вращения двигателя на холостых оборотах (например, 30 000 об/мин) может привести к разрушению таких кругов: они могут просто разлететься на куски, что травмоопасно. Поэтому во время эксплуатации подобных кругов указывается максимальная скорость вращения. Однако если снизить скорость вращения двигателя до приемлемого уровня путём подачи на двигатель пониженного напряжения, то одновременно снизится и крутящий момент. А поскольку тормозной момент круга часто на порядок больше аналогичного момента сверла, т.к. их диаметры могут отличаться на порядок, то при низкой скорости вращения и, соответственно, малом крутящем моменте при достаточном тормозном моменте такой круг может просто остановиться. В подобных устройствах, так же как и в электродрелях, может понадобиться установка механического редуктора.
Механический редуктор, устанавливаемый в электродрель, как известно, представляет собой устройство, состоящее из нескольких стальных шестерён, укреплённых на осях с подшипниками. Поскольку редуктор имеет определённые габариты и вес, естественно, габариты и вес дрелей несколько увеличены (до 2 кг и более), но при ручном сверлении отверстий это не представляет особой проблемы. Однако если для более прецизионных свёрловочных работ используется стойка для дрели, то установка подобной дрели с редуктором в такую стойку уже представляет некоторую проблему. В основном это связано с относительно большими габаритами и весом подобных дрелей, кроме того, их рукоятки существенно мешают работе.
Здесь вне конкуренции более лёгкая (не более 1 кг) и компактная так называемая мини-дрель (её ещё называют прямой шлифовальной машиной, гравёром и т.п.). Такое устройство представляет собой просто коллекторный электродвигатель постоянного или переменного тока без редуктора и рукоятки, на валу которого укреплён патрон для зажатия свёрл (или иных насадок, например, отрезных или точильных абразивных дисков). В стойке для дрели подобное устройство закрепляется специальным зажимом (хомутом).
В то же время сверхвысокие скорости вращения электродвигателей подобных устройств на холостом ходу и низкий крутящий момент на малых и средних скоростях при сверлении отверстий, разрезке (циркулярная пила) или заточке (точило) не позволяют их использовать в таких режимах работы. Однако эту проблему можно решить более простым и эффективным электронным способом.
Этот способ заключается в стабилизации скорости вращения вала электродвигателя вне зависимости от тормозного момента, или, иначе говоря, при увеличении тормозного момента на двигатель подаётся бо¢льшая мощность, отчего увеличивается крутящий момент, а установленная скорость вращения вала остаётся прежней (или, по крайней мере, к ней стремится).
Электронный стабилизатор скорости вращения коллекторных электродвигателей представляет собой устройство, имеющее несложную электронную схему, основу работы которой составляют электрические эффекты, возникающие в электродвигателях при торможении вала. Что это за эффекты?
Если, например, в электродвигателе постоянного тока попытаться затормозить вал, то возникнет так называемая противо-ЭДС – дополнительное напряжение определённой формы, которое можно использовать для увеличения мощности, подаваемой на двигатель. В работе автора [1] показано, что если питать подобный двигатель выпрямленным напряжением 12…18 В с частотой 50 Гц (т.е. пульсирующим напряжением с частотой 100 Гц) и использовать для подачи на двигатель часть этого напряжения с помощью тиристора, на управляющий электрод (УЭ) которого подавать импульсы для его открытия в определённое время, зависящее от противо-ЭДС, то таким способом можно стабилизировать скорость вращения двигателя.
В схеме [1] входное напряжение подаётся на двигатель через тиристор, а простейшая RC-цепочка подключена к аноду и катоду тиристора. Напряжение, снятое с конденсатора C, подаётся на базу n-p-n транзистора, коллектор которого подключен к аноду тиристора, а эмиттер – к УЭ тиристора. При торможении вала двигателя возникает противо-ЭДС, которая с помощью транзистора включает тиристор раньше, вследствие чего на двигатель подаётся бо¢льшая площадь полусинусоиды (выпрямленного напряжения), отчего крутящий момент увеличивается и скорость вращения вала остаётся прежней, т.е. той, которая изначально была установлена.
Но коллекторный двигатель переменного тока (его ещё называют универсальным, поскольку он может работать и от напряжения постоянного тока), используемый в мини-дрелях, работающих от сетевого напряжения ~220 В, устроен иначе, чем двигатель постоянного тока.
Основное отличие коллекторных двигателей – устройство статора. Если в двигателях постоянного тока магнитное поле статора, как правило, постоянно, поскольку статор представляет собой постоянный магнит кольцевой формы, то в двигателях переменного тока статор (как и ротор) является электромагнитом. Часто в таких двигателях в качестве статора используются два электромагнита, обмотки которых подключены последовательно к обмоткам ротора с помощью щёток. Сетевое напряжение подаётся на одни концы обмоток, а вторые их концы подключены к щёткам (коллектору) ротора. Направление обмоток статора и ротора выбрано таким образом, что при любой полуволне переменного напряжения магнитное поле заставляет вращаться ротор в одну и ту же сторону. Кстати, если поменять направление обмоток статора, то вал будет вращаться в обратную сторону. Это свойство используется в дрелях и шуруповёртах для так называемого реверса – переключения направления вращения в обратную сторону. В такой конфигурации двигателя при его торможении, к сожалению, противо-ЭДС не возникает (или возникает, но очень слабая). Поэтому все попытки автора применить к такому двигателю описанную в одной из предыдущих статей схему [1] ни к чему не привели.
Для стабилизации скорости вращения двигателей, работающих от сетевого напряжения ~220 В, немецкой компанией Telefunken (Temic Semiconductors) разработаны специализированная микросхема U2010B и её несколько упрощённый вариант U2008B. Впоследствии эти микросхемы выпускались компанией ATMEL, которая больше известна как разработчик микроконтроллеров. Микросхемы U2008B/U2010B используют эффект коллекторных двигателей переменного тока, возникающий при торможении вала. Этот эффект состоит в том, что при торможении вала ток через двигатель увеличивается. Если этот ток пропустить через токоизмерительный резистор достаточно малого номинала (десятые доли Ома), измерить напряжение на этом резисторе и в зависимости от этого напряжения открыть симистор (симметричный тиристор) раньше или позже, то таким способом можно достаточно просто стабилизировать скорость вращения двигателя. Фактически на этих микросхемах организован хорошо известный из теории автоматического управления (ТАУ) так называемый ПИД-регулятор (пропорционально-интегрально-дифференциальный регулятор) – устройство в цепи обратной связи, используемое в системах автоматического управления для поддержания заданного значения измеряемого параметра. Такой ПИД-регулятор обладает одним неприятным свойством (впрочем, присущим всем ПИД-регуляторам) – перерегулированием, возникающем при торможении вала двигателя.
Скорость двигателя может не только оставаться прежней (в том числе и на холостом ходу), но даже увеличиваться и очень существенно. Кроме того, она может и осциллировать с небольшой частотой. Всё зависит от соответствующей настройки. Сами микросхемы U2008B/U2010B достаточно распространены, недороги, и в Интернете можно найти массу схем стабилизаторов скорости вращения двигателей переменного тока на базе этих микросхем. Однако все подобные схемы в качестве исходных используют базовые схемы, приведённые в справочных листках на микросхемы U2008B/U2010B, и, кроме того, сконструированы (схемы) на устаревшей элементной базе. Здесь необходимо особо подчеркнуть, что сами по себе схемы хорошо известны, и главное тут заключается в номиналах и типах компонентов, а также в настройке этих компонентов.
Aвтором разработаны конкретные устройства на базе U2008B/U2010B, которые показали удовлетворительную работу. Описание таких устройств и их настройка с конкретными двигателями переменного тока и являются предметом настоящей статьи.
Дальнейшее изложение будет построено следующим образом. Вначале будут рассмотрены принципиальные схемы устройств – стабилизаторов скорости вращения электродвигателей на базе микросхем U2008B/U2010B, описан принцип их работы и настройка. Затем будут приведены разводка и фотографии плат, а также фотографии собранных устройств. Далее будут показаны примеры применения этих устройств с двигателем, установленным в стойку для дрели, и двигателем, на базе которого сконструированы небольшая циркулярная пила и точильный станок (последние две опции объединены в одном общем устройстве).
Предварительные замечания о характеристиках электродвигателей
Как известно, крутящий момент двигателя, рассматриваемого в настоящей статье, нелинеен. Он имеет два максимума: один – при нулевой частоте, т.е. при полностью заторможенном двигателе, второй – при относительно высоких частотах, приближающихся к максимальным. Наиболее интересен диапазон низких частот вплоть до нулевой частоты (особенно в режимах сверления).
Кроме того, крутящий момент M пропорционален квадрату тока I, протекающего через двигатель, т.е. M = kI2, где k – коэффициент пропорциональности.
В качестве «подопытных кроликов» для проверки работоспособности устройств на базе микросхем U2008B/U2010B были выбраны две мини-дрели: TUNGFULL 1806B и SKRAB 56000.
Эти две недорогие мини-дрели не имеют редуктора и рукоятки; кроме того, они относительно лёгкие (не более 1 кг). По своим параметрам эти стабилизаторы скорости, на взгляд автора, как нельзя лучше подходят для использования в мини-дрелях.
В паспорте мини-дрели, как правило, указываются рабочее напряжение питания, мощность и скорость вращения на холостом ходу (или диапазон, если дрель оборудована электронным переключателем скорости). Например, у двигателя мини-дрели SKRAB 56000 напряжение составляет 220 В, мощность – 480 Вт, скорость – 8000–30000 об/мин (он оборудован переключателем скоростей на базе простейшей схемы на симисторе). У двигателя мини-дрели TUNGFULL 1806B при том же напряжении питания мощность составляет 260 Вт, а скорость вращения – 27 600 об/мин.
Поскольку микросхемы U2008B/U2010B в качестве одного из параметров, влияющих на регулирование скорости вращения, используют ток, протекающий через двигатель, имеет смысл более подробно рассмотреть диапазон токов указанных мини-дрелей.
Наибольший ток имеет двигатель в полностью заторможенном состоянии. Как определить этот ток и как он связан с паспортной мощностью мини-дрели? Для этого автором был проведён несложный эксперимент.
С помощью лабораторного автотрансформатора (ЛАТР) на дрель подавалось переменное напряжение, измеряемое стрелочным тестером. Одновременно измерялся и ток (также переменный, т.е. в режиме AC) с помощью цифрового тестера. Вначале напряжение устанавливалось достаточно низким (40–50 В), чтобы вал можно было легко затормозить, а затем напряжение быстро увеличивалось до 220 В. При заторможенном вале, удерживаемом не более 1–2 с, снималось показание тока.
При полностью заторможенном двигателе и напряжении 220 В ток двигателя дрели TUNGFULL 1806B составил около 3 А, а ток двигателя дрели SKRAB 56000 – около 2,8 А. Мощность W дрели TUNGFULL 1806B составила: W = 3 A ´ 220 В = 660 Вт (против паспортной 260 Вт), а мощность дрели SKRAB 56000: W = 2,8 A ´ 220 В = 616 Вт (против паспортной 480 Вт). Как видно из этого эксперимента, мощности дрелей при полностью заторможенном двигателе существенно превышают паспортные.
Автор задался вопросом: при каких напряжениях питания мощности заторможенных двигателей дрелей соответствуют паспортным? Это было выяснено путём подачи разных напряжений (ниже 220 В) и одновременного измерения тока.
У дрели TUNGFULL 1806B при напряжении питания 138 В ток составил 1,88 А, а мощность: 138 В ´ 1,88 А =
=259,4 Вт (≈ 260 Вт). У дрели SKRAB 56000 при напряжении 190 В ток составил около 2,5 А, а мощность: 190 В ´ 2,5 А =
= 475 Вт (≈ 480 Вт). Вот эти значения токов и напряжений (1,88 А и 138 В для дрели TUNGFULL 1806B, и 2,5 А и 190 В – для дрели SKRAB 56000) были использованы в дальнейшем при расчёте номиналов токоизмерительных резисторов.
Принципиальная схема устройства регулятора-стабилизатора скорости на базе микросхемы U2010B
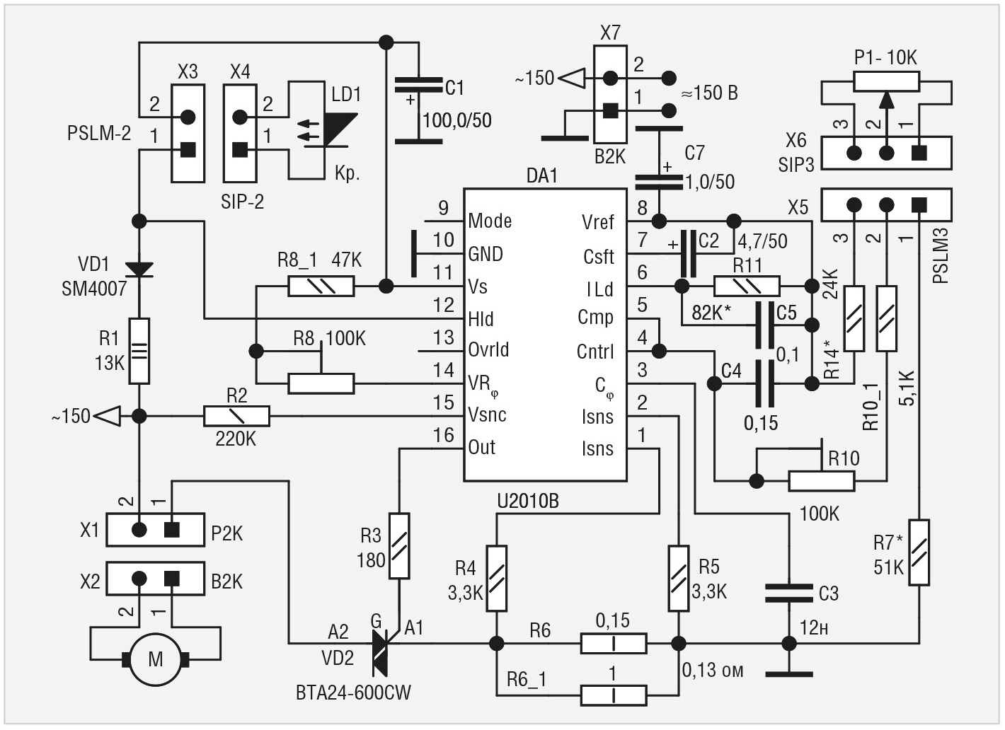
Схема регулятора-стабилизатора скорости вращения двигателя для дрели TUNGFULL 1806B (см. рис.), как можно убедиться, не отличается особой сложностью. Здесь необходимо заметить, что нумерация резисторов и конденсаторов схемы на рисунке соответствует оригинальной нумерации на схеме, приведённой в справочном листке (datasheet) для U2010B.
Входное переменное напряжение выбрано на 10 В больше указанного ранее (140 В), с запасом оно составило 150 В. Это напряжение с помощью двухконтактной сетевой вилки X7 подавалось на устройство с ЛАТР. Вместо него можно использовать и обычный трансформатор со вторичной обмоткой, рассчитанной на напряжение 150 В, или работающий в режиме ЛАТР, т.е. имеющий отвод от первичной обмотки, подключённой к сетевому напряжению 220 В.
Главное требование к трансформатору или ЛАТР: максимальный ток, на который они рассчитаны при напряжении 150 В должен быть не менее 2 А. Кроме того, пожертвовав некоторой мощностью дрели (10–15%), можно использовать известное стандартное напряжение 127 В, полученное с распространённого трансформатора 220 В/127 В.
Балластный резистор номиналом 13 К (R1), диод СМ4007 (VD1), работающий как однополупериодный выпрямитель, и сглаживающий конденсатор C1 служат для получения напряжения питания микросхемы U2010B (DA1). Это отрицательное напряжение питания (около –13 В) образуется на выводе 11 (Vs) благодаря внутреннему коммутатору, соединяющему вывод 12 (High load), куда подключен анод диода VD1, с выводом 11 (Vs).
К выводу 11 подключен минус конденсатора C1, а его плюс подсоединён к «земле» (GND, 10-й вывод). Номинал резистора R1 при напряжении питания 220 В по справочному листку (datasheet) составляет 18 К. Но поскольку рабочее напряжение, подаваемое на DA1, снижено до 150 В, пропорционально снижен и номинал резистора R1 – до 13 К. Мощность резистора R1 – 3 Вт (это проволочный резистор KNP300). При мощности 2 Вт (рекомендуемой в справочном листке) он достаточно сильно нагревается (по ощущениям автора до +50°C и более), нагревая саму плату и её компоненты, а при мощности 3 Вт его температура поднимается не выше +40°C при достаточно долгой работе устройства.
Светодиод красного свечения LD1, индицирующий перегрузку, подключен к выводам 11 и 12 DA1 с помощью двух двухконтактных разъёмов X3 и X4. Разъём X3 – два цанговых штыря с расстоянием между ними 2,54 мм (PSLM2), впаянные в плату устройства и соединённые с выводами 11 и 12 DA1. К разъёму X4 – ответному X3 (два цанговых гнезда, SIP2) – припаян один конец двухжильного провода (два провода МГТФ-0,1), второй конец которого соединён со светодиодом LD1.
Если представить себе сетевое напряжение в виде синусоиды U(t) = = Umaxsin(wt), то при wt = 0, p и 2p эта функция пересекает 0 (строго говоря, она пересекает 0 при wt = np, где n – целое). Угол j, при котором открывается симистор VD2 (BTA24-600CW) в положительной полуволне напряжения, отсчитывается от p в сторону нуля, или, другими словами, это угол p–j. Угол, при котором открывается симистор при отрицательной полуволне, равен 2p–j. Резисторы R8 и R8_1, общий номинал которых составляет Rj, подключены между напряжением питания Vs (11-й вывод DA1) и входом VRj (14-й вывод DA1). Резисторы управляют напряжением (VRj), на котором с помощью изменения Rj можно изменять начальный угол открытия симистора j. Чем больше угол j, тем раньше открывается симистор и тем бо¢льшую площадь соответствующей полусинусоиды он пропускает в нагрузку (в данном случае это мотор М). Другими словами, регулируя Rj, можно задавать начальную скорость вращения мотора М. Помимо Rj на угол j влияет конденсатор C3, подключенный к выводу Cj (3-й вывод DA1). Этот конденсатор совместно с Rj образует RC-цепочку RjCj (Rj = R8+R8_1, Cj = C3), постоянная времени которой и определяет угол j.
Мотор М подключается к двухконтактной сетевой розетке X1 с помощью двухжильного провода, на одном конце которого установлена двухконтактная сетевая вилка X2, а второй конец соединён с мотором М. Розетка X1 одним контактом (2-й вывод X1) подключена ко входному напряжению (~150 В), а вторым (1-й вывод X1) – к выводу А2 симистора VD2. С вывода Out (16-й вывод DA1) через резистор R3 на УЭ симистора VD2 подаются короткие импульсы, открывающие его во время, соответствующее углам p–j и 2p–j.
Для синхронизации с сетевым напряжением, т.е. для определения момента перехода сетевого напряжения через 0 (от момента которого и отсчитывается угол j) используется резистор R2, подключённый между сетевым напряжением (~150 В) и входом VSync (15-й вывод DA1). Вывод симистора VD2 A1 через токоизмерительный резистор (параллельно соединённые резисторы R6 и R6_1) подключён к «земле».
Напряжение с двух концов токоизмерительного резистора (R6||R6_1) через резисторы R4 и R5 подаётся на два входа Isense (1-й и 2-й выводы DA1), служащих для измерения значения тока через симистор. Максимальное напряжение на входах Isense составляет 0,25 В (по справочному листку). Если учесть, что максимальный ток через симистор составляет 1,88 А, нетрудно подсчитать номинал токоизмерительного резистора: 0,25 В / 1,88 A = 0,133 Ом.
Автор использовал два резистора – R6 = 0,15 Ом и R6_1 = 1 Ом, соединённых параллельно. Общее сопротивление резисторов составляет 0,13 Ом.
На выводе VRef (8-й вывод DA1) формируется опорное напряжение, которое используется тремя потребителями.
Первый потребитель – вход Csoft (7-й вывод DA1), к которому подключён конденсатор C2, служащий для «мягкого старта» (soft start) двигателя после включения питания. Второй вывод конденсатора подключён к напряжению VRef.
Второй потребитель – вход ILoad (6-й вывод DA1), к которому подключены резистор R11 и параллельно ему конденсатор C5, вторые выводы которых также подключены к опорному напряжению VRef (вывод 8 DA1). Вход ILoad служит для настройки срабатывания защиты по току, т.е. при превышении тока определённого порога (например, 1,8 А) срабатывает защита. В этом случае двигатель отключается от входного напряжения, и загорается светодиод LD1. Через некоторое время, если причина срабатывания защиты устранена, на двигатель вновь подаётся напряжение, и он продолжает работать с той же скоростью, с которой работал до срабатывания защиты. Условием срабатывания защиты является отсутствие подключения к выводу 9 DA1 (Mode – режим) какого-либо напряжения, т.е. этот вывод должен оставаться свободным (как на рисунке). Если же этот вывод подключить к VRef (8-й вывод DA1), то защита по току отключится, т.е. двигатель после превышения тока 1,8 А продолжит работать (режим C).
Третий потребитель VRef – вход Control (4-й вывод DA1). К этому входу одновременно подключены сразу два напряжения: первое – с вывода 5 (Comp. – Compensation output), служащего для компенсации токовой нагрузки, второе – снятое с движка потенциометра P1, которое через подстроечный резистор R10 и включённый последовательно резистор R10_1 подключено ко входу Control (4-й вывод DA1). Один из выводов потенциометра P1 через резистор R14 подключён к VRef (8-й вывод DA1), а второй (через резистор R7) – к «земле» (10-й вывод DA1). Сам потенциометр P1 расположен вне платы устройства и подключается с помощью впаянного в плату 3-штырькового цангового разъёма с шагом 2,54 мм (PSLM3 – X5). К этому разъёму подключается ответный разъём – трёхконтактное цанговое гнездо (SIP3 – X6), которое припаяно к одному концу трёхжильного провода, а второй его конец припаян непосредственно к P1. Ручка этого потенциометра выведена на лицевую поверхность корпуса устройства (см. далее), а сам потенциометр служит для задания необходимой скорости вращения дрели. Как видно из рисунка, на входе Control (4 вывод DA1) складываются два напряжения: одно – с вывода Comp., второе – с движка P1 (через R10 и R10_1). Подстроечный резистор R10 служит для настройки компенсации нагрузки. О настройке компенсации нагрузки будет подробно рассказано далее. Здесь же, на взгляд автора, необходимо объяснить сам принцип компенсации нагрузки.
Выходное напряжение на выводе Comp (5-й вывод DA1) в соответствии со справочным листком прямо пропорционально напряжению, снятому с двух концов токоизмерительного резистора (1-й и 2-й выводы DA1) или току, проходящему через него. Но крутящий момент, как было упомянуто ранее, прямо пропорционален квадрату тока, т.е. увеличение крутящего момента в 2 раза (например, при торможении вала) увеличивает ток через двигатель дрели в 4 раза. Квадратичная зависимость тока от тормозного момента имеет одну особенность: при малом крутящем моменте имеет место некая «слепая» зона, в которой на малых скоростях вращения, т.е. при малом крутящем моменте, при торможении вала ток возрастает незначительно. В этом можно легко убедиться, если рассмотреть две функции: линейную y(x) = x и квадратичную z(x) = x2 в интервале 0 < x < 1. В этом интервале линейная функция y(x) всегда больше квадратичной z(x). И только при x > 1 функция z(x) > y(x). Этот факт приводит к тому, что на самых малых скоростях вал двигателя легко затормозить, поскольку ощутимого увеличения тока при этом не будет, а значит не произойдёт и компенсации нагрузки – вал не будет сопротивляться торможению.
Сравним между собой два режима работы. В первом подадим на двигатель напряжение U1 = 220 В, во втором – уменьшенное до U2 = 150 В. Очевидно, что при одной и той же мощности, поданной на двигатель, или при одной и той же скорости вращения ток I150 В > I220 В. Поскольку мощность, передаваемая на двигатель, пропорциональна площади под полусинусоидой двух разных напряжений (220 и 150 В), начиная от момента открытия симистора, т.е. от угла p–j до p и от 2p–j до 2p, то при более низком напряжении (150 В) угол j150 В > j220 В. Другими словами, «слепая» зона при напряжении 150 В существенно меньше таковой при напряжении 220 В, поэтому с помощью напряжения 150 В можно добиться меньшей скорости вращения вне «слепой» зоны.
Как видно из схемы, на выводе Control (4-й вывод DA1) складываются два выходных напряжения: с вывода Comp (5-й вывод DA1) и снятое с движка потенциометра P1 с учётом падения напряжения на R10 и R10_1.
Угол j прямо пропорционален напряжению на выводе Control (4-й вывод DA1). Принцип компенсации нагрузки состоит в том, что при торможении вала двигателя напряжение на выводе Comp (5) возрастает, а с ним возрастает и напряжение на выводе Control (4).
Так увеличивается угол j, на двигатель подаётся бо¢льшая мощность, что приводит к существенному сопротивлению торможения и сохранению первоначальной скорости вращения, определяемой положением движка потенциометра P1.
Подстроечный резистор R10 определяет превалирующее воздействие на вывод Control либо напряжения с вывода Comp, либо напряжения, снятого с движка потенциометра P1.
При увеличении R10 влияние напряжения с вывода Comp увеличивается, а влияние напряжения, снятого с движка потенциометра P1, уменьшается (и наоборот). Этот принцип и положен в основу настройки схемы.
Последний момент, который нуждается в пояснении. Как известно, при увеличении нагрузки на трансформатор его выходное напряжение падает.
В связи с этим падает и напряжение питания микросхемы Vs (11-й вывод DA1). Однако если посмотреть на схему, то можно заметить, что вывод VRj (14-й вывод DA1), определяющий начальное состояние угла открытия j симистора (или в том числе начальную скорость дрели), соединён с выводом питания Vs (через резисторы R8 и R8_1), а не с выводом опорного напряжения Vref (8-й вывод DA1), которое практически не зависит от напряжения питания (на то оно и опорное).
Это приводит к тому, что при уменьшении напряжения питания Vs скорость дрели увеличивается (и наоборот). Таким способом реализуется одна из особенностей работы микросхемы U2010B, состоящая в компенсации изменения входного напряжения (Mains supply variation compensated). Был даже проведён простой эксперимент: уменьшив выходное напряжение ЛАТР со 150 до 130 В, можно было убедиться в том, что скорость дрели несколько увеличилась, а при увеличении напряжения со 130 до 150 В – восстановилась до первоначальной. Таким образом, происходит компенсация падения выходного напряжения трансформатора.
Настройка схемы рисунка достаточно проста. В самом начале к напряжению на двигателе необходимо подключить стрелочный тестер. Движок потенциометра P1 установить на минимальную скорость вращения, т.е. ближе к R14. Вывод 9 DA1 (Mode) соединить с выводом 8 (Vref), т.е. отключить режим защиты по току (см. справочный листок, режим C), чтобы он не мешал настройке.
При включении напряжения питания, если двигатель не вращается совсем или вращается слабо, либо, наоборот, вращается очень быстро, изменяют положение движка подстроечного резистора R8, добиваясь приемлемых минимальных оборотов (300–500 об/мин). После этого необходимо притормозить вал (лучше рукой в перчатке, чтобы не повредить кожу). Если двигатель легко останавливается и напряжение, измеренное тестером, не увеличивается, необходимо увеличить R10, при этом скорость вращения уменьшится. Скорость необходимо восстановить до первоначального значения, изменяя R8. Если при торможении вала скорость вращения наоборот начинает увеличиваться и при этом напряжение, измеренное тестером, также резко увеличивается, следует уменьшить значение R10, что приведёт к увеличению скорости, и её опять необходимо скорректировать, изменив значение R8.
Путём последовательных приближений добиваются таких значений минимальной скорости, при которых вал будет существенно сопротивляться торможению, а напряжение, измеренное тестером, при торможении также будет увеличиваться (вплоть до напряжения питания при максимальном торможении). После этого необходимо проверить, не увеличивается ли скорость на средних и максимальных оборотах (до примерно 2000 об/мин) при торможении вала. При увеличении скорости (перерегулировании) необходимо подкорректировать (уменьшить) номинал резисторов R10 и R8.
Далее необходимо настроить режим срабатывания защиты по току при перегрузке. Для этого вывод 9 отключить от вывода 8, т.е. оставить свободным (режим B), а вместо R11 подключить потенциометр (переменный резистор) номиналом 200–300 кОм. Затем при существенном торможении вала вплоть до полной его остановки подобрать номинал R11 так, чтобы при этом режиме торможения загорелся светодиод LD1, с двигателя на короткое время снялось напряжение питания, а при отпускании вала двигатель восстановил первоначальную скорость вращения. После этого, измерив значение переменного резистора R11, установить вместо него постоянный резистор. В данном случае, как видно из схемы, номинал равен 82 кОм.
Если настраивать схему для работы с другим типом дрели, то настройка несколько усложнится, однако принцип остаётся прежним. В этом случае вместо R7, R14 и P1 необходимо установить переменные резисторы по 50 кОм, а вместо R8 – переменный резистор 500 кОм. Резистор R14 установить на минимум (0 Ом), движок P1 повернуть к R14, а R7 установить в среднее положение (25 кОм). После настройки, аналогичной описанной в диапазоне P1, измерить значения P1 при минимальной и максимальной скоростях, разбить его на два постоянных резистора и один переменный, но уже меньшего номинала (например, 20 кОм), если потребуется, аналогично заменить 20 кОм на 10 кОм (как на схеме).
Настройка схемы не представляет каких-либо сверхъестественных сложностей. Здесь главное не бездумно крутить все подстроечные резисторы, а использовать строгую последовательность настройки.
Последнее, что необходимо особенно подчеркнуть, достаточно высокое напряжение (150 В), которое присутствует на плате. При настройке следует быть очень аккуратным. Автор настоятельно рекомендует использовать отвёртку с пластиковой ручкой и керамическим шлицем, а ручка потенциометра P1 также должна быть пластиковой, т.е. изолированной от металлического стержня потенциометра.
Литература
- Кузьминов А. Тиристорный регулятор скорости вращения коллекторных двигателей постоянного тока. Современная электроника. 2013. № 2.
- Кузьминов А. Изготовление устройств на печатных платах с высоким разрешением в домашних условиях. Технологии в электронной промышленности. 2011. № 1.
- Кузьминов А. Технология изготовления печатных плат с высоким разрешением в любительских условиях. Радио. 2017. № 10.
- Кузьминов А. Как использовать фольгу обратной стороны односторонней печатной платы в качестве общего провода. Радио. 2019. № 2.
Если вам понравился материал, кликните значок — вы поможете нам узнать, каким статьям и новостям следует отдавать предпочтение. Если вы хотите обсудить материал —не стесняйтесь оставлять свои комментарии : возможно, они будут полезны другим нашим читателям!

