Введение
Довольно часто во многих сферах человеческой деятельности возникает необходимость осуществления беспроводной связи между объектами. Очевидно, что в данном случае предпочтительными являются надёжные, малогабаритные и недорогие устройства. Одним из приборов, удовлетворяющим таким требованиям, является миниатюрный модуль радиосвязи HC-12 [1], который доступен во многих интернет-магазинах и стоит около $3. Его популярность особенно возрастает в эпоху развития Интернета вещей. Разработчики предлагают следующие сферы применения данного модуля:
- телеметрия и дистанционное управление в промышленности;
- автоматический дистанционный сбор данных;
- беспроводное управление роботами;
- беспроводные датчики;
- системы входа без ключа;
- устройства для охраны и безопасности;
- беспроводные компьютерные сети и т.п.
Данный список можно продолжать и далее: области применения модуля ограничены лишь фантазией радиолюбителей и инженеров.
Описание модуля
Модуль HC-12 выполняет функцию беспроводного удлинителя интерфейса UART, не внося при этом никакой дополнительной информации в тракт передачи. Для наглядного представления функционального предназначения устройства на рисунке 1 приведены структурные схемы организации проводной и беспроводной связи. На рисунке 2 показан пример организации беспроводной радиосвязи между двумя контроллерами Arduino.


Модуль HC-12 позволяет обеспечить двунаправленную радиосвязь между двумя устройствами поочерёдно, т.е. в режиме полудуплексной связи. Кроме того, можно организовать поочерёдную связь между одним ведущим модулем и несколькими ведомыми на одном частотном канале. В связи с наличием в модуле HC-12 большого числа каналов можно организовать беспроводную связь для множества групп парных устройств, которые не будут мешать друг другу благодаря разнесению их каналов связи по частоте.
Технические характеристики беспроводного модуля HC-12:
- диапазон рабочих частот – 433,4…473,0 МГц;
- тип антенны – внешний;
- максимальная чувствительность приёмника - 124 дБм;
- максимальная мощность передатчика – 100 мВт (20 дБм);
- максимальная дальность передачи информации – 1000…1800 м на открытом пространстве в зависимости от режима работы;
- количество рабочих режимов – 4;
- количество уровней мощности – 8;
- количество каналов передачи данных – 100;
- тип встроенного микроконтроллера управления – STM8S003F3;
- интерфейс для связи с внешними устройствами – UART;
- напряжение питания – 3,2…5,5 В;
- потребляемый ток – 3,6…16 мА в зависимости от режима работы;
- максимальное потребление тока – не более 100 мА при передаче данных;
- потребление тока в ждущем режиме – 80 мкА;
- способ настройки модуля – AT-команды.
- Заводские параметры модуля HC-12 имеют следующие значения:
- интерфейс UART: скорость – 9600 бод, информационных бит – 8, стоп-бит – 1, контроль чётности – отключён;
- номер канала – 001 на частоте 433,4 МГц;
- мощность передачи – 100 мВт.
По сравнению с беспроводными Bluetooth-устройствами модуль связи HC-12 имеет следующие преимущества: больший радиус связи, малое потребление тока, низкая стоимость, возможность использования внешней антенны.
Конструкция модуля
Конструктивно модуль HC-12 представляет собой печатную плату с установленными с двух сторон элементами. Внешний вид модуля с обеих сторон показан на рисунке 3.

По краям платы имеются контактные отверстия диаметром 1 мм для подключения основных цепей модуля, поддерживающие установку соединителя типа PLS. Нумерация всех выводов модуля и его основные размеры представлены на рисунке 4.

Назначение всех выводов модуля приведено в таблице 1.

Антенна может подключаться к модулю HC-12 двумя способами:
- к контакту ANT1 через разъём типа IPEX20279-001E-03;
- пайкой витого отрезка провода к контакту ANT2.
Вывод SET необходим для установки параметров модуля при помощи AT-команд. Этот вывод на плате модуля подключён через резистор 10 кОм к плюсу источника питания. Для чтения или изменения параметров модуля необходимо на время данной операции соединить вывод SET с общим выводом.
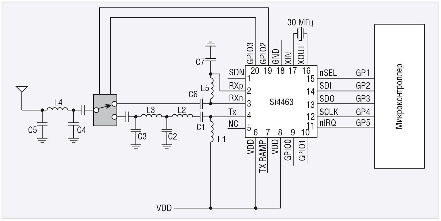
Модуль HC-12 построен на базе микросхемы приёмопередатчика (трансивера) SI4463 в корпусе QFN-20. Задающим генератором этой микросхемы служит кварцевый резонатор на 30 МГц. Микросхема трансивера SI4463 обеспечивает двунаправленную радиосвязь и имеет интерфейс связи SPI, с помощью которого она обменивается данными с управляющим микроконтроллером STM8S003F3 [2]. Схема подключения трансивера к управляющему микроконтроллеру показана на рисунке 5.

Управляющий микроконтроллер STM8S003F3 осуществляет преобразование интерфейсов. Он получает извне команды и данные по интерфейсу UART, преобразует и транслирует их в трансивер SI4463 через интерфейс SPI, а принятые трансивером по радиоканалу данные транслирует обратно через UART. Таким образом осуществляются передача и приём данных по радиоканалу через интерфейс UART. Управляющий микроконтроллер STM8S003F3 позволяет упростить взаимодействие с трансивером SI4463, выполняя все операции по преобразованию данных и управлению трансивером, в результате чего становится возможным управление модулем HC-12 посредством простых AT-команд через интерфейс UART.
Поддерживаемые АТ-команды
Для установки параметров модуля используется небольшой набор AT-команд, перечень которых приведён в таблице 2.

Все АТ-команды должны заканчиваться специальным символом возврата каретки, имеющим шестнадцатеричный код 0x0D. Ответные сообщения модуля имеют в конце два символа: возврат каретки 0x0D и перевод строки 0x0A. В большинстве языков программирования эти символы записываются как \r и \n соответственно. Данный факт следует учитывать при создании программ управления модулем и автоматического распознавания его ответов.
Особенности применения модулей
Для подключения модуля HC-12 к компьютеру используется стандартный преобразователь интерфейсов USB-UART. После подачи питания модуль начинает работать с заданными параметрами. При разработке схем с применением модулей HC-12 необходимо учитывать следующие факторы:
- не рекомендуется нагружать сигнал TXD UART светодиодом, т.к. это может привести к ошибкам передачи данных;
- при динамической смене параметров модуля после подключения вывода SET к нулевому потенциалу необходимо сделать паузу длительностью не менее 40 мс перед тем как посылать AT-команды;
- после отключения вывода SET от нулевого потенциала и перед тем как начать передачу данных, необходимо подождать не менее 80 мс;
- пиковый ток модуля составляет 100 мА, поэтому при выборе источника питания рекомендуется применять электролитические конденсаторы по питанию ёмкостью не менее 100 мкФ;
- после выхода из режима команд модуль должен находиться в состоянии покоя не менее 200 мс, прежде чем снова войти в режим AT-команд.
Тестирование модулей
Проверку работоспособности модулей HC-12 можно осуществить с помощью одного компьютера и двух преобразователей интерфейсов USB-UART. Модули необходимо подключить с помощью преобразователей интерфейсов USB-UART к компьютеру. При таком подключении в диспетчере устройств компьютера должны появиться два новых устройства в группе COM-портов. Номера этих портов нужно знать для открытия портов в двух терминальных программах. При исправных модулях HC-12 вводимая в окне первой терминальной программы информация должна отображаться в окне второй программы и наоборот. Корректное отображение вводимых данных в окнах программ свидетельствует об установленной двусторонней радиосвязи между COM-портами. На рисунке 6 показаны окно диспетчера устройств компьютера и окна терминальных программ для тестирования модулей связи HC-12.

Заключение
Подводя итог, следует отметить, что благодаря малым габаритам, низкому энергопотреблению, небольшой стоимости и широкой доступности модуль радиосвязи HC-12 может успешно применяться во многих проектах для организации беспроводной связи.
Литература
Если вам понравился материал, кликните значок — вы поможете нам узнать, каким статьям и новостям следует отдавать предпочтение. Если вы хотите обсудить материал —не стесняйтесь оставлять свои комментарии : возможно, они будут полезны другим нашим читателям!

