Введение
Миниатюризация электрических схем (например, в импульсных источниках электропитания) приводит к необходимости более тщательного подхода к выбору как активных, так и пассивных компонентов систем фильтров, предназначенных для гашения помех. Существующие возможности разработки и изготовления компактных устройств требуют уменьшения размеров и дискретных фильтрующих элементов. Например, LC-фильтры зачастую конструируются с использованием алюминиевых оксидных конденсаторов, т.к. это обеспечивает широкий диапазон величин ёмкости. Однако это достоинство становится всё менее значимым в связи с появлением и развитием технологий производства многослойных керамических SMD-конденсаторов высокой ёмкости.
Типы и характеристики многослойных керамических бескорпусных конденсаторов
Многослойные керамические бескорпусные конденсаторы (см. рис. 1) могут изготавливаться из керамики 1 или 2 класса.

Керамика является очень хрупким материалом, и её механическая хрупкость повышается с увеличением размера изделия. Таким образом, максимальный размер многослойных керамических бескорпусных конденсаторов ограничен и необходимо обращать особое внимание на компоновку всей схемы для снижения возможных механических напряжений. В таблице 1 представлены технические характеристики керамики, используемой компанией Wurth Elektronik в настоящее время.

Характеристики и допуски различных классов керамики определяются в соответствии с системой кодирования Международной электротехнической комиссии (IEC) или Ассоциации электронной промышленности (EIA). Данные стандарты представлены в таблицах 2 и 3.


Необходимо упомянуть, что, как правило, система кодирования IEC 60384-21 не используется для керамики класса 1, однако для неё существует одно хорошо известное обозначение – NP0. Керамика NP0 имеет очень малый допуск в рабочем диапазоне температур: ±30×10-6 /°C. Как правило, кодирование EIA используется для керамики класса 2, включая такую керамику, как X7R или X5R. Код X7R означает, что ёмкость не может изменяться более чем на 15% в диапазоне температур -55…+125°C. Таким образом, величина ёмкости конденсатора на 10 мкФ для керамики класса 2 может варьироваться между 8,5 и 11,5 мкФ в допустимом диапазоне температур. Любая керамическая смесь, которая обладает такими свойствами, является керамикой X7R. В дополнение к данному допуску также существует допустимое отклонение изготовителя, которое определяется на момент поставки и обычно составляет ±10%.
Класс или код керамики не определяют состав керамики X7R (размер частиц порошка, смесь материала и т.п.). Любую керамику, которая способна сохранить величину своей ёмкости в пределах указанных допусков в рабочем диапазоне температур, можно отнести к керамике X7R. Однако её характеристики у различных производителей могут отличаться. Таким образом, чтобы получить необходимые параметры, необходимо тщательно сравнивать характеристики отдельных компонентов. Так называемый эффект смещения постоянным током (зависимость ёмкости от напряжения) оказывает значительное влияние на ёмкость. У керамики класса 2 приложенное напряжение вызывает снижение ёмкости. Это связано с внутренней структурой титаната бария, используемого в качестве основного материала. Применение этого компонента помогает получать керамику с большой степенью проницаемости, однако при этом внутренние структуры реагируют на внешние электрические поля и поляризуются ими. Это приводит к определённому насыщению материала, что, в свою очередь, влечёт за собой снижение ёмкости. Данное явление схоже с насыщением ферромагнитных материалов. Зависимость относительного падения ёмкости от приложенного напряжения для конденсатора WCAP-CSGP 885 012 206 026 (1 мкФ, 0603, 10 В, X7R) показана на рисунке 2.

Приведённые данные представляют собой результаты реальных измерений. Поясним происходящие в конденсаторе процессы на следующем примере. При низком напряжении данный конденсатор демонстрирует определённый эффект самовосстановления керамического материала. Приложенное напряжение вызывает процессы восстановления и поляризации. При напряжении около 2,1 В материал становится насыщенным и доступная ёмкость снижается.
Данную характеристику необходимо учитывать и исследовать для каждого отдельного компонента. Это очень трудоёмкий процесс, т.к. в категории многослойных керамических бескорпусных конденсаторов действующего каталога насчитывается около 800 позиций. Параметры каждого конденсатора компания Wurth Elektronik заносит в его «портфолио» и интегрирует в онлайн-платформу REDEXPERT [2].
Конструкция LC-фильтра
При выборе конденсатора для различных применений необходимо оценивать зависимость ёмкости от напряжения. На выходном конденсаторе импульсного источника электропитания требуется определённая ёмкость для сохранения стабильности цепи управления, а следовательно, и выходного напряжения. Если установленное выходное напряжение снижает ёмкость, то это будет влиять на цепь управления. В частности, влиянию подвержены такие характеристики, как пульсация или внезапные изменения нагрузки, что может вызывать отклонения от спецификаций. При размещении фильтра на входе понижающего преобразователя (вход всегда является особо важной его частью), например для частоты переключения, необходимо учитывать указанный диапазон входного напряжения преобразователя и приложенное напряжение в фильтре. В противном случае появится нестабильность пороговой частоты фильтра, которая может нарушить его работу и привести к неудовлетворительным результатам испытаний в области электромагнитной совместимости из-за кондуктивных помех.
LC-фильтр представляет собой тип фильтра, который наиболее часто используется в электронике. Он является фильтром второго порядка и характеризуется падением на -6 дБ в пороговой точке и крутизной 40 дБ на декаду. Фильтр должен иметь хотя бы один частотно зависимый компонент. Пороговую частоту LC-фильтра можно определить с помощью формулы:

Очень важно рассматривать потенциально высокие пусковые токи при использовании LC-фильтра с SMD-ферритом, например на входе переключающего стабилизатора. Импульсные пусковые токи, которые во много раз превышают номинальный ток SMD-феррита, могут со временем разрушать его. Чтобы избежать этого, можно использовать компоненты серии WE-MPSB, т.к. они имеют определённый импульсный допуск. Другим важным аспектом является соотношение между полным сопротивлением SMD-ферритов и протекающим через них током. Полное сопротивление снижается при насыщении ферритного материала в зависимости от того, насколько велик ток, что также изменяет свойства фильтра. На рисунке 3 показано изменение данной характеристики для компонента WE-CBF 742792113.

Практический пример
В данном примере исследуется зависимость характеристик фильтров от напряжения для двух вариантов схем с различными комбинациями LC- и p-фильтров. Для всех измерений использовался один и тот же индуктивный элемент – SMD-феррит WE-CBF 742792093. Значение индуктивности можно определить либо из кривой полного сопротивления, либо из эквивалентной схемы в LTspice. Поскольку все данные доступны в LTspice, индуктивность была считана из эквивалентной схемы и составила 1,5 мкГн. Конденсаторы фильтра были выбраны из серии WCAP-CSGP 0805.
Конструкции обоих фильтров идентичны: каждая имеет четыре комбинации LC-фильтров и один p-фильтр. Однако впоследствии было принято решение пренебречь на второй плате p-фильтром, чтобы понаблюдать за поведением других бескорпусных конденсаторов высокой ёмкости. Для этих целей были выбраны конденсаторы из керамики 2 класса (X5R) с ёмкостью 47, 22, 10, 4,7 и 3,3 мкФ. С помощью первой платы можно исследовать работу конденсатора из керамики 1 класса (10 нФ, 6,3 В, NP0) при его номинальном напряжении. Также на данной плате фильтров были использованы два конденсатора ёмкостью 2,2 мкФ (один – X7R, второй – X5R), оба с номинальным напряжением 6,3 В. Аналогично можно проверить влияние напряжения на ёмкость в p-фильтре. Для данных целей были выбраны два конденсатора 1 мкФ, 10 В, X7R. Пороговую частоту различных фильтров можно определить с помощью приведённой ранее формулы. Для первого фильтра (10 нФ, 6,3 В, NP0) пороговая частота составляет 1,3 МГц. Для LC-фильтра с конденсаторами 2,2 мкФ она составляет 876 кГц. Чтобы настроить пороговую частоту p-фильтра, примерно равную значению, полученному для LC-фильтра, были выбраны два конденсатора 1 мкФ (10 В, X7R). Пороговые частоты второй платы фильтров для различных конденсаторов выглядят следующим образом: 47 мкФ – 19 кГц; 22 мкФ – 28 кГц; 10 мкФ – 41 кГц; 4,7 мкФ – 60 кГц; 3,3 мкФ – 72 кГц.
На входе и выходе использовались SMA-соединители. Для того чтобы обеспечить возможность включения отдельных фильтров, использовались специальные перемычки (по две перемычки на фильтр). Так как измерения производились при частоте менее 200 МГц, влиянием перемычек можно пренебречь.

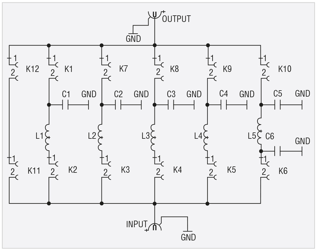
На рисунке 4 представлена принципиальная схема платы фильтров. Как можно видеть на схеме, все фильтры имеют аналогичную конструкцию. Разводка печатной платы показана на рисунке 5. Было принято решение пренебречь заземляющей защитой, поскольку плата устанавливается на поверхность с постоянным заземлением. Каждый конденсатор фильтра был подключён через 5 металлизированных монтажных отверстий.


Как показано на рисунке 5, от SMA-соединителя к фильтрам идут радиальные дорожки, что теоретически может приводить к искажениям при измерениях, однако это не является проблемой при данных частотах и размерах. На рисунке 6 показаны платы фильтров с SMA-соединителями для портов измерений. Постоянное напряжение подаётся через первый порт. На рисунке 7 представлен блок постоянного тока. Он играет очень важную роль в измерениях и служит для того, чтобы избежать повреждения второго порта измерительного оборудования.

Измерительная установка
Для измерений характеристик фильтра методом shunt-thru использовался сетевой анализатор Agilent E561B. Как правило, характеристики фильтра указываются в децибелах. В данном случае использовалось полное сопротивление фильтра ZDUT в омах. При этом форма кривой для фильтра остаётся неизменной, т.к. низкое полное сопротивление соответствует высокой степени затухания, однако благодаря такому подходу проще определить влияние напряжения на многослойные керамические бескорпусные конденсаторы. Измерительная установка показана на рисунке 8.

Сетевой анализатор может подавать к порту 1 напряжение до 42 В от внутреннего источника электропитания. Он используется для изменения ёмкости и характеристик фильтра. Важно упомянуть о том, что для данного типа измерений необходимо использовать специальный блок постоянного тока, чтобы не повредить порт 1 прибора.
На рисунке 9 представлена базовая линия фильтра. Она не формирует 50-омного импеданса, поскольку не происходит ослабления сигнала на низких частотах. При частоте 1 МГц базовая линия соответствует шунтовому сопротивлению 3 кОм. Это также доказывает, что ни перемычки, ни используемая схема не влияют на измерения.

В правой части диаграммы можно видеть резонанс поглощающего контура из-за соединений открытого фильтра – отрезок 1/4 l при 750 МГц. На основании данных промышленного стандарта, которые указывают на то, что помехи при 1/10 l пренебрежительно малы, можно задать верхнюю пороговую частоту 300 (750×4/10) МГц, заведомо превышающую исследуемый рабочий диапазон 100 кГц – 200 МГц.
Результаты измерений
На рисунке 10 представлены результаты измерений для всех фильтров на первой плате, выполненных без приложенного напряжения. Так как величина ёмкости конденсатора NP0 очень мала, резонансная частота сдвигается в область 80 МГц. LC-фильтры с конденсаторами 2,2 мкФ, а также p-фильтры имеют (как предполагается) аналогичную резонансную частоту около 4,5 МГц.

На рисунке 11 показаны свойства конденсатора из керамики класса 1 размера 0805 с ёмкостью 10 нФ и номинальным напряжением 10 В (WCAP-CSGP 885 012 007 009). Как предполагается, он не является зависимым от приложенного напряжения, поскольку керамика класса 1 не содержит титаната бария.

На рисунке 12 представлены свойства керамики класса 2 X5R и X7R с максимальным приложенным напряжением 6,3 В. Как можно видеть, ёмкость при максимальном напряжении изменяется незначительно. Это происходит из-за того, что у многослойных бескорпусных конденсаторов 2,2 мкФ, 6,3 В, 0805 между слоями имеется большое количество керамического материала, поэтому им не требуется быть высокопроницаемыми. Таким образом, эффект смещения постоянным током проявляется слабо.

На рисунке 13 показан случай, когда к конденсатору 2,2 мкФ, 25 В, X7R приложено полное номинальное напряжение. Здесь можно наблюдать сразу два эффекта. В результате эффекта смещения постоянным током ёмкость снижается на 69% до 0,68 мкФ. Это приводит к смещению точки резонанса фильтра. Кроме того, имеет место пьезоэлектрический эффект для керамики 2 класса (зелёный круг). Это может привести к возникновению помех в результате сжимания конструкции конденсатора. Зелёная двойная стрелка показывает увеличенное полное сопротивление (сниженное затухание) из-за смещённой точки резонанса. Таким образом, при 4 МГц полное сопротивление увеличивается с 3 до 30 мОм.

В p-фильтре ёмкость также снижается. В связи с тем что используется конденсатор 1 мкФ, 10 В, X7R, приложенное напряжение оказывает более сильное влияние, однако не настолько, как в случае со стандартным LC-фильтром (см. рис. 14). Данная конструкция фильтра также может противодействовать эффекту смещения постоянным током.

Для платы фильтров 2 были выбраны керамические конденсаторы с одинаковыми диапазоном напряжения и размером, однако ёмкость для каждого фильтра была снижена. На рисунке 15 показаны кривые полного сопротивления всех фильтров без приложенного напряжения.

В связи с изменением величины ёмкости для каждого фильтра изменяется и их первая резонансная частота. Вторая резонансная частота при этом постоянна, поскольку SMD-феррит с его паразитными эффектами остаётся тем же. Если рассматривать наибольшую величину ёмкости, влияние напряжения становится более заметным. Если к фильтру прикладывается напряжение 6,3 В, ёмкость изменяется на 80%, от 47 до 10 мкФ. При такой ёмкости и указанном размере 0805 между слоями имеется очень малое количество керамического материала. Чем больше снижается номинальная ёмкость, тем меньше проявляется эффект смещения постоянным током. Это связано с внутренней структурой керамических конденсаторов. В таблице 4 приведены результаты измерений характеристик фильтра с ёмкостями от 3,3 до 47 мкФ.

Другие возможности, доступные с конденсаторами фильтра
Характеристики многослойных керамических бескорпусных конденсаторов высокой (>1 мкФ) ёмкости в значительной мере зависят от приложенного напряжения. Если требуются более высокие величины ёмкости, можно использовать алюминиевые электролитические SMD-конденсаторы (например, серии WCAP-ASLI). В такой ситуации переход на них может обеспечить определённое преимущество с точки зрения цены. При выборе алюминиевых электролитических конденсаторов необходимо обращать особое внимание на допустимый ток пульсации. Алюминиевые полимерные электролитические конденсаторы (например, серии WCAP-PSLC) представляют собой альтернативный вариант в случае, если требуются высокая долговечность, низкое эквивалентное последовательное сопротивление или большие величины ёмкости. Данные конденсаторы также имеют ценовые преимущества по сравнению с керамическими конденсаторами высокой ёмкости. Кроме того, алюминиевые и алюминиевые полимерные электролитические конденсаторы не имеют смещения характеристик при воздействии постоянного тока (в отличие от керамических конденсаторов), что указывает на отсутствие необходимости в большом запасе по ёмкости.
Моделирование результатов измерений
Зависимость конденсаторов из керамики класса 2 от напряжения можно смоделировать с помощью программы LTspice, однако для этого требуются определённые данные. Стандартная библиотека LTspice включает модель реального SMD-феррита. Библиотека LTspice от компании Wurth Elektronik включает модели конденсаторов. При этом остаётся открытым вопрос о том, как получить величину ёмкости в качестве функции приложенного напряжения. Эту информацию можно извлечь из системы REDEXPERT, как показано на рисунке 16 в примере с приложенным напряжением 10 В.

Изменение зависимости ёмкости от напряжения постоянного тока составляет до -50% от номинальной ёмкости. Такие изменения являются очень громоздкими, поэтому на рисунке их визуальное представление ограничено. Тем не менее все значения вплоть до максимального номинального напряжения измеряются и хранятся в системе. Если переместить ползунок далее в направлении номинального напряжения (слева направо), из таблицы можно будет считать данные для настройки необходимого напряжения, а затем перенести их в LTspice. Это позволяет конструировать реальные фильтры и получать очень точные результаты.
Заключение
При конструировании фильтров с использованием многослойных керамических бескорпусных конденсаторов необходимо обращать особое внимание на зависимость ёмкости от приложенного напряжения. Необходимые данные можно найти на онлайн-платформе REDEXPERT или получить по запросу. Это позволит очень точно оценить характеристики фильтра. Зависимости между рассматриваемыми параметрами были продемонстрированы и изучены с помощью двух различных плат фильтров.
Другим фактором, влияющим на свойства фильтра, является рабочая температура для рассматриваемого варианта применения. Например, ёмкость керамики X7R изменяется на 15% в заданном диапазоне температур -55…+125°C. Длительная эксплуатация вызывает старение материала (термически обратимый процесс конструкционного смещения), что также приводит к снижению ёмкости. Кроме того, оптимальным будет рассмотрение фильтра как неидеального устройства и проведение оценок с точки зрения «наихудшего варианта». LTSpice предлагает для этого различные инструменты, включая метод Монте-Карло.
Литература
- Nadler A. Impact of the layout, components, and filters on the EMC of modern DC/DC switching controllers. Application Note.
- www.we-online.com/redexpert
Если вам понравился материал, кликните значок — вы поможете нам узнать, каким статьям и новостям следует отдавать предпочтение. Если вы хотите обсудить материал —не стесняйтесь оставлять свои комментарии : возможно, они будут полезны другим нашим читателям!

