Введение
Общие теоретические положения о стабилизаторах, построенных на ОУ и мощных полевых транзисторах, подробно изложены в работе [1] и нашли практическое применение в ряде устройств [2–5]. Применение активного электронного фильтра на ОУ и мощном полевом транзисторе с защитой от превышения тока [2] позволило существенно снизить пульсации выходного напряжения, а защита по току значительно повысила надёжность работы как самого фильтра, так и подключённой к нему нагрузки. Совместное использование активного фильтра со стабилизатором в одном устройстве [3–5] позволило существенно, более чем в 5 раз, снизить размах пульсаций его выходного напряжения (менее 1 мВ при токе 9 А), однако отсутствие защиты от превышения тока в устройствах, описанных в работах [4, 5], ограничивает область их применения: они нормально функционируют только с уже отлаженными и работоспособными приборами, в которых вероятность превышения током определённого порога либо вовсе исключена, либо является достаточно низкой. При разработке и отладке новых устройств, когда вероятность превышения током определённого порога или короткого замыкания весьма высока, такими стабилизаторами пользоваться довольно опасно.
В работе [3] к стабилизатору с активным фильтром в виде дополнительной платы добавлена подобная защита от превышения тока, однако практика показала, что включение в конструкцию дополнительной платы существенно снижает надёжность работы всего устройства и значительно повышает сложность его изготовления.
В настоящей статье сделана попытка объединить активный фильтр, мощный стабилизатор и защиту от превышения тока в одном устройстве с учётом всех недостатков, выявленных в предыдущих моделях. В работе представлены принципиальные схемы фильтров-стабилизаторов, их печатные платы и фотографии. Для демонстрации реальной работоспособности этих устройств в статье приведено описание одного из вариантов построения источника питания с использованием данной разработки.
Принципиальные схемы устройств
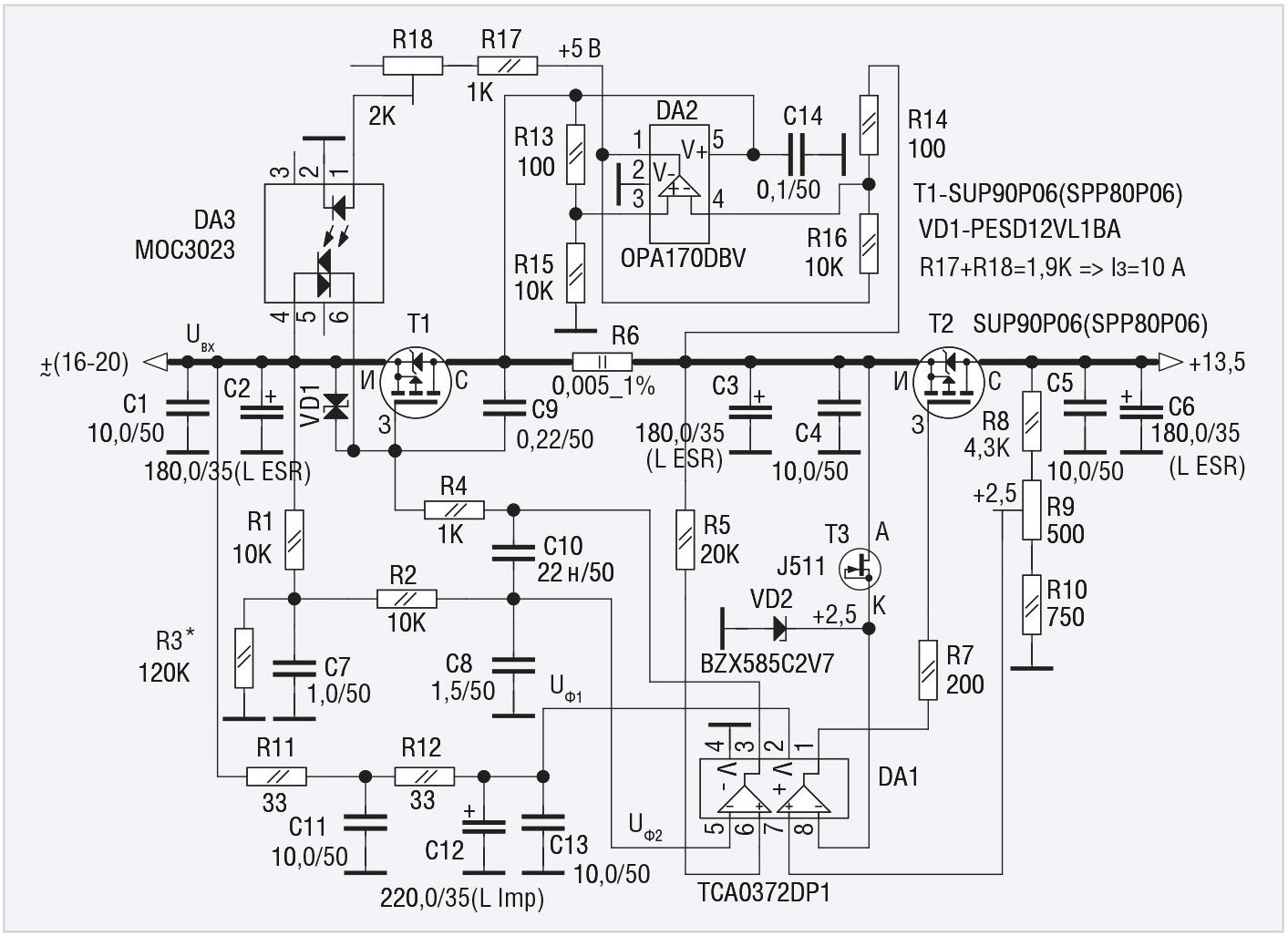
Принципиальная схема стабилизатора положительного напряжения, представленная на рисунке 1, состоит из трёх функциональных частей.

Первое устройство – активный электронный фильтр. Этот фильтр построен на базе p-канального полевого транзистора Т1 (SUP90P06 или SPP80P06) и одного из ОУ (5-й, 6-й выводы – входы ОУ, 3-й вывод – выход) микросхемы сдвоенного ОУ DA1 (TCA0372DP1). В состав электронного фильтра также входят два RC-фильтра Ф1 и Ф2, построенные на двух RC-цепочках – R11C11R12C12C13 и R1C7R2C8R3 соответственно. Выходное напряжение первого фильтра (UФ1) подаётся на 2-й вывод DA1, предназначенный для подключения положительного источника питания V+. Выходное напряжение второго RC-фильтра (UФ2) подаётся на 5-й вывод DA1, являющийся инвертирующим входом ОУ. Напряжение UФ2 является опорным, с которым этот ОУ сравнивает выходное напряжение электронного фильтра (сток Т1), поданного через резистор R5 на его неинвертирующий вход (6-й вывод DA1). Выходное напряжение ОУ с 3-го вывода DA1 подаётся через резистор R4 на затвор T1, воздействуя на Т1 таким образом, чтобы выходное напряжение всего электронного фильтра (сток Т1) стремилось к выходному напряжению фильтра UФ2. Для уменьшения ошибки от разбаланса токов в инвертирующем и неинвертирующем входах ОУ номинал R5 равен сумме номиналов R1 и R2 и составляет 20 кОм. Резистор R4 ограничивает выходной ток ОУ. Конденсаторы C9 и C10 служат для исключения самовозбуждения электронного фильтра. Двунаправленный защитный диод VD1 (PESD12VL1BA) защищает затвор Т1 от пробоя в момент включения. Резистор R3 снижает постоянную составляющую выходного напряжения второго RC-фильтра UФ2. О необходимости такого решения будет подробно рассказано ниже. Конденсаторы C1–C4 дополнительно снижают амплитуду пульсаций выходного напряжения электронного фильтра. Силовые цепи (от Uвх до истока Т1, от стока Т1 до резистора R6, от резистора R6 до истока T2 и от стока T2 до выходного напряжения +13,5 В) представлены на схеме проводниками увеличенной ширины. Все остальные проводники – слаботочные с максимальным током, не превышающим несколько мА.
Стоит обратить внимание на нестандартную схему включения транзисторов электронного фильтра. В стандартном включении используются n-канальные транзисторы, на сток которых подаётся входное напряжение, а с истока снимается стабилизированное напряжение. При таком включении для обеспечения штатной работы транзисторов напряжение, подаваемое на затвор, должно быть выше напряжения истока на несколько вольт (обычно на 2–4 В) и, соответственно, выше напряжения стока, т.е. выше входного напряжения. Но если, кроме входного напряжения, другого напряжения нет, то взять напряжение выше входного попросту неоткуда.
В схеме, приведённой на рисунке 1, используются не n-канальные, а p-канальные транзисторы. Кроме того, они «перевёрнуты» относительно стандартного включения, т.е. входное напряжение подаётся на исток, а выходное снимается со стока. При таком включении для штатной работы p-канального транзистора на его затвор требуется подать напряжение на те же 2–4 В ниже напряжения истока, т.е. ниже входного напряжения. С этой задачей легко справится ОУ. В данном случае это левый по схеме ОУ DA1, 3-й вывод которого через резистор R4 подключён к затвору Т1 и управляет его работой.
Как видно из передаточных характеристик транзисторов (см. рис. 2), для обеспечения тока стока транзистора SPP80P06 в 10 А на его затвор требуется подать напряжение ниже входного приблизительно на 4,5 В (т.е. -4,5 В), а для того чтобы транзистор SUP90P06 обеспечил ток 10 А, на его затвор нужно подать напряжение около -3 В. Таким образом, никаких проблем с открытием транзисторов с помощью ОУ в схеме не возникает.

Однако проблемы возникают при закрытии транзисторов. Как видно из рисунка 2, для того чтобы полностью закрыть транзисторы (например, при отсутствии нагрузки), на затвор требуется подать напряжение, близкое к нулю, или, другими словами, близкое к напряжению истока, т.е. к входному напряжению. Вышесказанное справедливо и для случая, когда надо существенно «прикрыть» транзистор, чтобы обеспечить хотя бы минимальный ток в несколько мА, необходимый для свечения светодиода, индицирующего наличие напряжения питания. Для того чтобы лучше понять проблему и способы её решения, имеет смысл подробнее рассмотреть вопрос о том, что представляет собой это входное напряжение?

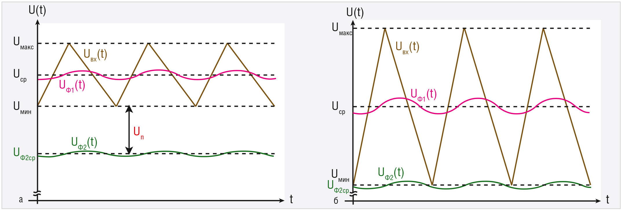
Как показано на рисунке 3, входное напряжение Uвх(t) представляет собой выпрямленное диодами Uвып(t) и сглаженное электролитическими конденсаторами напряжение, близкое к пилообразной кривой со средним значением Uср. Эта кривая имеет пульсации с частотой около 100 Гц и размахом в единицы вольт в зависимости от тока нагрузки. Чем выше ток, тем больше амплитуда и, соответственно, больше размах пульсаций (см. рис. 4). На этом же рисунке показаны графики зависимости выходного напряжения от времени для фильтров – UФ1(t) и UФ2(t). Из графиков следует, что среднее значение напряжения UФ1(t) совпадает со средним значением входного напряжения Uср. Это вполне ожидаемо, поскольку нагрузкой фильтра Ф1 служит вывод питания DA1 (V+, см. рис. 1), максимальное потребление тока которого составляет не более 5 мА, и при таком токе падение напряжения на резисторах R11 и R12 составляет не более 0,3 В.

А вот среднее значение выходного напряжения фильтра Ф2 (UФ2ср) несколько снижено за счёт резистора R3, который совместно с резистором R1 образует делитель напряжения с коэффициентом деления 1:13 при номиналах, указанных на схеме. При токах нагрузки до 3–4 А, когда пульсации напряжения небольшие и Uср не сильно отличается от среднего напряжения холостого хода трансформатора, разница между Uмин и UФ2ср (назовём её напряжением потерь, Uп) довольно ощутима (см. рис. 4а). При максимальных токах нагрузки (8–9 А) за счёт падения действующего значения напряжения трансформатора, а также за счёт существенного падения напряжения на выпрямительных диодах Uср уменьшается, а размах пульсаций возрастает до максимума. При этом UФ2ср вплотную приближается к Uмин (см. рис. 4б).
Итак, зачем нужен R3 и зачем снижать выходное напряжение Ф2? Для ответа на эти вопросы ещё раз посмотрим на рисунок 1. Как уже указывалось, левый по схеме ОУ DA1 сравнивает выходное напряжение всего электронного фильтра (сток Т1) с выходным напряжением UФ2 и выдаёт соответствующее воздействие на затвор Т1 с тем, чтобы напряжение стока Т1 равнялось UФ2. Если UФ2ср меньше Uмин (см. рис. 4а) или даже равно Uмин (см. рис. 4б), то напряжение на стоке Т1 повторяет UФ2. Но если потребовать, чтобы напряжение на стоке было выше Uмин (например, равнялось Uср, исключив R3 вообще), то пульсации от Uср до Uмин неизбежно попали бы на сток Т1, поскольку транзистор при изменении входного напряжения от Uср до Uмин, естественно, будет открыт.
Основная идея электронного фильтра заключается в том, чтобы он пропускал на выход только постоянную составляющую, равную Uмин (см. рис. 4), а всю пульсацию выше Uмин оставлял на входе. Для этого нужен своего рода «автомат», который бы «подставил» на вход ОУ напряжение Uмин. Но где взять это напряжение Uмин? Для этого как раз и служит фильтр Ф2 с резисторoм R3. Как видно из рисунка 4б, при максимальных токах UФ2ср как раз и равно Uмин, т.е. при таких режимах этот «автомат» идеально работает, однако в режимах средних и малых токов такой «автомат» работает с погрешностью в виде напряжения потерь Uп (см. рис. 4а). Энергия, рассеиваемая фильтром от Uп, зависит ещё и от тока. Если ток мал, то даже при большом Uп эта энергия мала. При средних токах эта энергия, конечно, возрастает, но она существенно меньше энергии, рассеиваемой фильтром при больших токах. С такой погрешностью «автомата» приходится мириться. Кроме того, напряжение самого стабилизатора ещё ниже, чем выходное напряжение всего электронного фильтра, поэтому стабилизатору приходится рассеивать существенно больше энергии, чем энергия, рассеиваемая фильтром. При рассеивании энергии потерь транзистор фильтра Т1 берет её на себя и, таким образом, несколько облегчает работу транзистора Т2.
Номинал R3 выбирается из следующих соображений. Как видно из схемы, напряжение UR1R3 в точке соединения R1 и R3 определяется входным напряжением Uвх и делителем R1R3, т.е. UR1R3 = Uвх×R3/(R1+R3). Из схемы также следует, что UR1R3 = UФ2, поскольку входной ток ОУ пренебрежимо мал. Поскольку значение R3/(R1+R3) постоянно (в данном случае оно составляет 12/13), то падение напряжения на R1, UR1, составляет 1/13 от Uвх: UR1 = Uвх/13. При малых и средних токах нагрузки, когда пульсационная составляющая невысока, а Uвх повышенное, UR1 также повышенное, и UФ2ср всегда меньше Uмин (см. рис. 4а). При максимальных токах входное напряжение падает, размах пульсаций растёт, и при оптимальном выборе резистора R3 напряжение UФ2ср должно максимально приблизиться к Uмин и даже его «коснуться» (см. рис. 4б).

К сожалению, точно рассчитать номинал R3 невозможно, поскольку на него влияет очень много факторов: мощность трансформатора, падение напряжения на выпрямительных диодах, крутизна передаточной характеристики транзисторов S и другие. Однако его очень просто получить опытным путём. Для этого вместо R3 необходимо установить один постоянный резистор, например номиналом 50 кОм, и последовательно с ним – второй, переменный резистор Rп номиналом 100 кОм. Далее при максимальном токе нагрузки необходимо посмотреть на осциллографе форму напряжения на стоке Т1 (UсТ1). При максимальном значении Rп эта форма не будет отличаться от формы UФ2(t) и представлять собой кривую, похожую на синусоиду (см. рис. 4а). При уменьшении значения Rп и приближении UФ2ср к Uмин (см. рис. 4б) нижняя полуволна UсТ1(t) будет постепенно «выгибаться» вверх (см. рис. 5а). При дальнейшем уменьшении Rп на этой полуволне возникнет «горб» (см. рис. 5б). Уменьшая далее значение Rп, необходимо добиться равенства амплитуды первого «горба» и амплитуды синусоиды (см. рис. 5в). При этом необходимо следить за тем, чтобы амплитуда «горбов» не выходила за рамки общего размаха пульсаций. Полученное значение Rп в сумме с 50 кОм и будет номиналом R3. Столь точная настройка R3 необходима для минимизации потерь в электронном фильтре и, соответственно, для уменьшения нагрева транзистора.

На рисунке 6 приведены осциллограммы напряжений на истоке и стоке Т1 при токе нагрузки около 9 А. Верхняя осциллограмма (жёлтого цвета) очень близка к кривой Uвх(t) (см. рис. 3, 4), а нижняя (голубого цвета) очень близка к кривой UсТ1(t) (см. рис. 5в). Размах пульсаций на стоке Т1 Vpp(2) меньше размаха пульсаций входного напряжения Vpp(1) на истоке T1 в 23 раза.
Возвращаясь к проблемам закрытия транзисторов, рассмотрим вопрос питания ОУ. Первоначально было принято решение взять питание с выхода электронного фильтра, т.е. со стока Т1. Преимущество данного подхода заключается в малом размахе пульсаций напряжения. Недостатком является существенно сниженное относительно входного напряжение, особенно при малых токах (см. рис. 4а). Это приводит к тому, что при малых токах нагрузки выходное напряжение ОУ не способно полностью закрыть транзистор Т1, так как оно ниже напряжения истока. Кроме того, применённый ОУ TCA0372DP1 не является rail-out, т.е. не способен воспроизвести выходной сигнал, равный напряжению питания V+. Максимальное выходное напряжение стандартного ОУ, как правило, меньше напряжения, подаваемого на вывод положительного питания, на 0,8 В и более, что ещё больше осложняет закрытие транзистора. Как следствие, возникает паразитная генерация частотой несколько кГц и амплитудой в несколько вольт, избавиться от которой никакими средствами невозможно. Единственный выход из такого положения – немного приоткрыть транзистор, установив на стоке балластный резистор небольшого номинала (200–300 Ом), подключённый к «земле». В этом случае порог открытия транзистора существенно снижается. Как видно из рисунка 2а, порог открытия транзистора SPP80P06 снижается до -3,5 В, а транзистора SUP90P06 – до -2,5 В. В связи с этим применение транзистора SUP90P06 становится нежелательным. Кроме того, такое питание ОУ включается в его обратную связь, что может привести к дополнительной паразитной генерации с частотой в десятки герц, избавиться от которой можно, увеличив ёмкости конденсаторов: C9 – до 1,0 мкФ и C10 – до 0,1 мкФ. А это, в свою очередь, существенно повышает размах пульсаций выходного напряжения фильтра. Именно по такому принципу сделаны стабилизаторы, описанные в работах автора [1, 2, 4].
В данном случае для питания ОУ предлагается использовать ещё один RC-фильтр Ф1, составленный из двух RC-цепочек: R11C11 и R12C12C13. Преимущества такого питания ОУ заключаются в следующем. Как видно из рисунка 4, среднее значение UФ1ср равно среднему значению входного напряжения Uср и существенно выше UФ2ср. Размах пульсаций UФ1(t) существенно ниже размаха пульсаций входного напряжения Uвх(t) и, кроме того, UФ1(t) в некоторые моменты времени выше Uвх(t). В связи с этим проблемы закрытия транзистора Т1 при малых и нулевых токах нагрузки полностью исчезают, и появляется возможность использования практически любых транзисторов, в том числе – с увеличенной крутизной и более низким значением сопротивления открытого канала (например, SUP90P06). Применение фильтра Ф1 выводит питание ОУ из его обратной связи, и проблемы с паразитной генерацией полностью снимаются.
При включении питания ОУ получает питание только спустя время, равное постоянной времени Ф1, составляющей несколько сотых долей секунды. А пока питание ОУ отсутствует, его выходное напряжение, подаваемое на затвор Т1, нулевое. Нулевое напряжение, поданное на затвор Т1, приводит к немедленному его открытию. Таким образом, к тому моменту, когда ОУ получает полноценное питание, транзистор будет уже приоткрыт, на стоке появляется напряжение, которое ОУ остаётся только скорректировать в соответствии с выходным напряжением UФ2. Далее электронный фильтр работает в штатном режиме. Применение дополнительного фильтра Ф1 для питания ОУ существенно улучшает плавность включения транзистора Т1 и исключает возможность появления скачков выходного напряжения фильтра.
Сам электронный фильтр имеет постоянную времени t около 0,04 с. Для обеспечения такой же постоянной времени сглаживающими электролитическими конденсаторами, стоящими после выпрямителя, они должны иметь ёмкость в районе 0,3 Ф [2]. Ёмкость сглаживающих конденсаторов, установленных автором в выпрямителе (см. далее), составляет всего 30 000 мкФ.
Стабилизатор сконструирован на базе полевого транзистора T2 и правого по схеме ОУ DA1 (выводы 7, 8 – входы ОУ, вывод 1 – его выход). В качестве источника опорного напряжения (ИОН) +2,5 В, которое подано на инвертирующий вход ОУ, используется стабилитрон VD2, включённый последовательно с полевым транзистором с p-n-переходом Т3 (J511). Как стабилитрон VD2, так и транзистор T3 не отличаются высокими стабилизационными свойствами, однако при их совместном включении коэффициент стабилизации может возрасти до 10 000 и более [8]. Измеренный автором коэффициент стабилизации составил не менее 20 000. По сравнению с ИОН, сконструированным на базе стабилитрона, трёх резисторов и ОУ [8], использованным автором в работах [1] и [2], данный ИОН обладает двумя преимуществами. Во-первых, в нём не используется ОУ, а во-вторых, его шум существенно меньше, поскольку стабилитрон, а особенно транзистор с p-n-переходом шумят на порядок меньше, чем ОУ.
На неинвертирующий вход ОУ подаётся часть выходного напряжения стабилизатора, снятого с делителя R8R9R10. ОУ сравнивает оба напряжения и результат рассогласования со своего выхода подаёт на затвор T2 через резистор R7, ограничивающий выходной ток ОУ. При увеличении тока нагрузки стабилизатора его выходное напряжение падает, что приводит к снижению напряжения, снятого с делителя. Поскольку это напряжение подаётся на неинвертирующий вход ОУ, его выходное напряжение и, соответственно, напряжение затвора Т2 уменьшаются, что приводит к некоторому открытию транзистора и восстановлению первоначального выходного напряжения. Поскольку ОУ питается повышенным выходным напряжением фильтра Ф1, в стабилизаторе, так же как и в электронном фильтре, могут быть использованы практически любые полевые транзисторы, в том числе с увеличенной крутизной и низким сопротивлением открытого канала (например, SUP90P06).
Выходное напряжение стабилизатора (+13,5 В), измеренное непосредственно на стоке Т2 с точностью 1 мВ, при изменении тока нагрузки в пределах от 0 до 9 А не изменяется. Однако если к выходному разъёму ИП подключить нагрузку медным проводом длиной, предположим, 1 м, то при токе 10 А на самом проводе неизбежно возникнет падение напряжения. В связи с этим для соединения ИП с нагрузкой рекомендуется использовать провод как можно меньшей длины и большего сечения. В данном случае использован трёхжильный провод ПУГНП сечением 4 мм2 длиной не более 0,5 м. Падение напряжения на таком проводе при токе 10 А составляет около 34 мВ, или 0,0034 В на каждый ампер тока. Этот провод как нельзя лучше подходит к ответному разъёму XS20JK-4P, подключаемому к выходному разъёму ИП XS20JK-4P(M) с максимальным током 25 А на контакт (см. рис. 7).

Размах пульсаций выходного напряжения при токе нагрузки 9 А, измеренный на стоке Т2, не превышает 1 мВ. Однако на конце провода, соединяющего ИП с нагрузкой, этот размах может возрасти до 3–5 мВ. При дальнейшем увеличении тока до 9,2–9,3 А этот размах незначительно увеличивается, но после 9,3 А существенно возрастает и может достичь размаха пульсаций входного напряжения при токе, близком к 10 А. При таком токе срабатывает защита (см. далее). Следовательно, схема, представленная на рисунке 1, гарантирует размах пульсаций не более 1 мВ в диапазоне токов 0–9 А.
Минимальное значение среднего входного напряжения Uср (см. рис. 4) с учётом того, что размах его пульсаций не превышает 2 В, не должно опускаться ниже +14,7 В, поскольку падение напряжения на каждом из транзисторов Т1 и Т2 при токе 10 А составляет не менее 0,1 В (10 мОм·10 А). Если от стабилизатора требуется более высокое выходное напряжение, например, не 13,5 В, а 25 В, то необходимо изменить номинал всего одного резистора R8, сохранив при этом ток делителя R8R10 около 2,5 мА. При выходном напряжении 25 В и токе 2,5 мА общее сопротивление делителя будет составлять 10 кОм. Вычтя из 10 кОм сумму R9 и R10 (1,25 кОм), получим 8,75 кОм. Ближайший к этому значению номинал R8 из ряда Е24 (5%) – 9,1 кОм. Точное значение выходного напряжения 25 В необходимо установить переменным резистором R9.
Выходное напряжение можно сделать ещё выше, однако следует учесть, что максимальное напряжение питания ОУ TCA0372 составляет 40 В, а MC33072, применённого в стабилизаторе отрицательного напряжения, – 44 В. Если и этого напряжения недостаточно, то можно использовать двухканальный ОУ ADA4522-2 (rail-to-rail output) с более высоким напряжением питания, до 55 В. Для того чтобы не переразводить платы стабилизаторов, достаточно сделать платы-переходники ADA4522-2ARMZ/TCA0372DP1 и ADA4522-2ARMZ/MC33072.
В следующей части статьи будет рассказано об устройстве защиты, фильтре-стабилизаторе отрицательного напряжения и схемах индикации, а также будут представлены печатные платы и фотографии устройства.
Литература
- Кузьминов А. Использование мощных полевых транзисторов и операционных усилителей в прецизионных регуляторах и стабилизаторах напряжения // Современная электроника. 2012. № 7.
- Кузьминов А. Активный фильтр на мощном полевом транзисторе и ОУ с защитой от превышения тока // Современная электроника. 2016. № 3.
- Кузьминов А. Применение инструментального усилителя для мостового включения двух мощных ОУ. Часть 3 // Современная электроника. 2017. № 6.
- Кузьминов А. Стабилизаторы напряжения с активным фильтром // Радио. 2017. № 5.
- Кузьминов А. Усовершенствованные стабилизаторы напряжения с активным фильтром // Радио. 2017. № 9.
- Кузьминов А. Изготовление устройств на печатных платах с высоким разрешением в домашних условиях // Технологии в электронной промышленности. 2010. № 8; 2011. № 1, 2.
- Кузьминов А. Технология изготовления печатных плат с высоким разрешением в любительских условиях // Радио. 2017. № 10.
- Титце У., Шенк К. Полупроводниковая схемотехника. – М.: Мир, 1982.
Если вам понравился материал, кликните значок — вы поможете нам узнать, каким статьям и новостям следует отдавать предпочтение. Если вы хотите обсудить материал —не стесняйтесь оставлять свои комментарии : возможно, они будут полезны другим нашим читателям!

