События последних лет, связанные с обеспечением отечественных изделий радиоэлектроники современной электронной компонентной базой, остро обозначили насущную необходимость реализации мер по обеспечению технологической независимости страны – основы импортозамещения. Одним из примеров реализации этой прикладной задачи является освоение производства МЭМС-датчиков давления на ЗАО «Группа Кремний Эл».
В текущем десятилетии интенсивно развивается рынок инерциальных, оптических, магнитных и газовых датчиков, во многом – за счёт освоения новых полупроводниковых технологий и, конечно, благодаря созданию новых областей для их применения, таких как «интеллектуальная» персональная и бытовая электроника, часто объединяемые понятием «Интернет вещей». Другими быстрорастущими рынками являются: приборы категории mHealth (mobile health) для персонального медицинского мониторинга, беспилотные средства передвижения, безлюдное промышленное и сельскохозяйственное производство, биохимические комплексы, системы без-опасности и т.п.
На фоне этого бума по освоению рыночных ниш новыми продуктами датчикам давления различного назначения удаётся стабильно удерживать суммарную долю около 20% в мировом объёме продаж регистраторов и преобразователей физических величин. Достигнутый мировой уровень продаж датчиков давления всех типов превысил к настоящему моменту эквивалент $7 млрд в год, а оценки на 2024 г. составляют приблизительно $11 млрд. При этом, судя по тенденциям развития технологий, до половины объёма продаж должно приходиться на датчики с чувствительными элементами, выполненными на различных типах МЭМС [1, 2].
Такая востребованность объясняется широким кругом задач, решаемых различными датчиками давления и устройствами на их основе – измерение давления жидкостей и газов в промышленности (от перерабатывающей и пищевой до горнодобывающей и тяжёлой), в энергетике, в коммунальном хозяйстве и на магистральных коммуникациях, на транспорте, в индустриализованных агрокомплексах, в авиационно-космической и военной технике. В этот перечень также входит медицинское оборудование, приборы персональной навигации и различные электронные гаджеты, которые стали неотъемлемой частью образа жизни современного человека.
Очевидно, что в большинстве применений известная из школьного курса физики конструкция датчика давления прямого измерения с металлической мембраной может быть заменена на компактный, дешёвый, малогабаритный МЭМС-элемент со встроенной системой компенсации и обработки, оснащённый стандартным цифровым интерфейсом.
Наиболее технологически отработанными и имеющими положительную историю применения к настоящему времени являются МЭМС-датчики давления ёмкостного, пьезорезистивного и тензорезистивного типов. Последний из них обеспечивает потенциально более высокую стабильность, точность измерений, надёжность, функциональную гибкость и в силу этих причин был выбран ЗАО «Группа Кремний Эл» в качестве базовой технологии для разработки и создания чувствительного элемента и соответствующей линейки датчиков давления жидкости и газа.
Оригинальный чувствительный элемент (ЧЭ) датчика давления ЭДС производства ЗАО «Группа Кремний Эл» существует в двух исполнениях: для измерения абсолютного давления, для измерения избыточного и дифференциального давления. Конструктивно он представляет собой сборку, состоящую из интегрального преобразователя давления – тензочувствительного кристалла кремния (тензомодуля) и стеклянного основания. Соединение элементов в конструкции чувствительного элемента давления выполнено электростатической анодной сваркой.
Тензомодуль представляет собой кристалл размером 4×4 мм и толщиной 430 мкм с мембраной размером 2×2 мм, толщиной 10…180 мкм и концентратором в центре, способной выдерживать 5-кратную перегрузку по давлению (см. рис. 1).

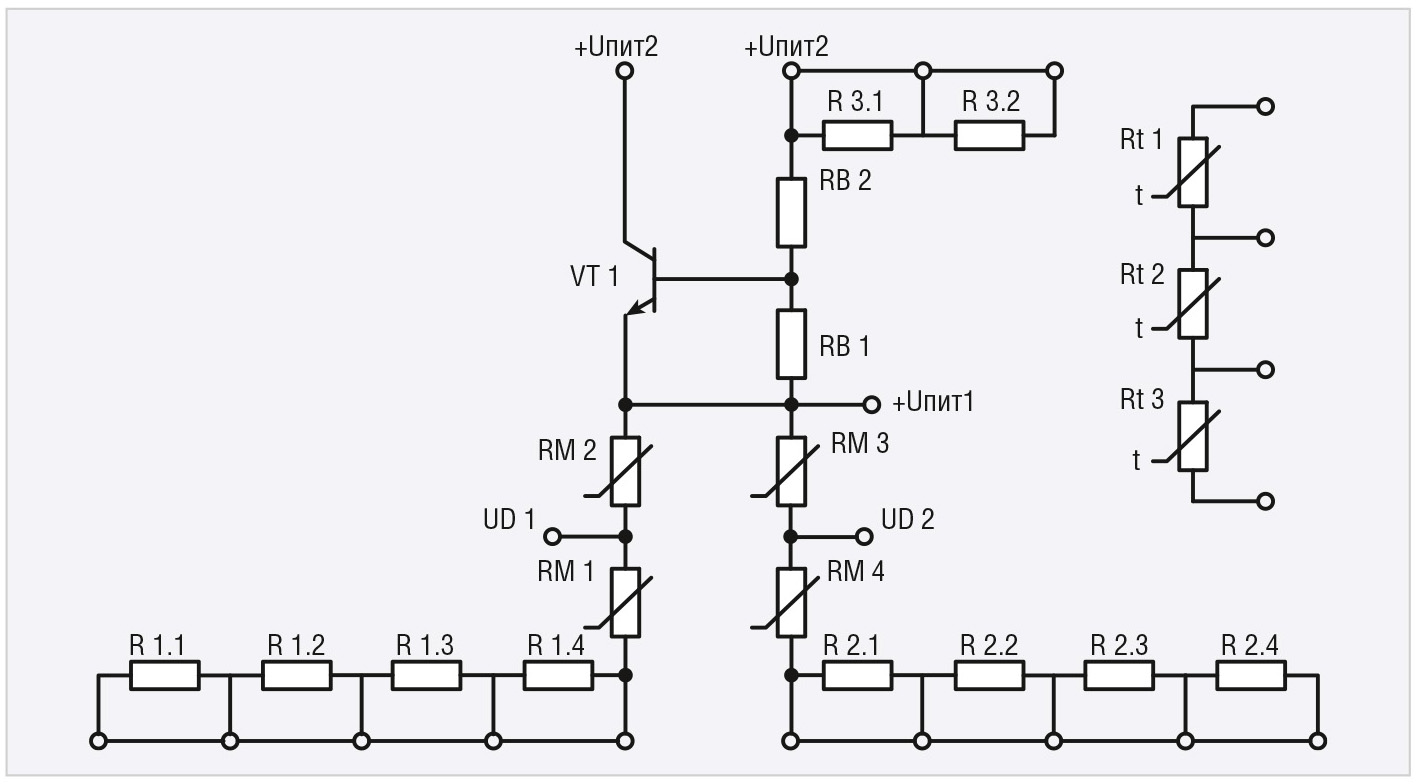
Два тензорезистора расположены на границе кристалл/мембрана, а два других – на границе концентратор/мембрана. Все тензорезисторы идентичны по геометрии и расположены параллельно границе мембраны. Резисторы объединены в мостовую схему Уитстона алюминиевыми дорожками с одной разорванной диагональю, предназначенной для настройки начального разбаланса моста. На кристалле имеются терморезистор и транзисторный каскад термостабилизации (см. рис. 2). Общая высота сборки составляет 1430 мкм.

В производстве освоены варианты чувствительного элемента с толщиной мембраны 10, 20, 95 и 180 мкм, что позволяет с заданной точностью измерять абсолютное и избыточное давление в диапазонах 0…100 кПа (1 бар) и 0…20 МПа (200 бар). Питание осуществляется стабилизированным постоянным током или напряжением.
Метрологические характеристики чувствительных элементов приведены в таблице 1.

Функционально завершённые датчики с описанными чувствительными элементами для измерения давления газа или жидкости предлагаются в бескорпусном исполнении или в одном из корпусов индустриального стандарта. Корпус датчика (см. рис. 3) для измерения давления жидкости имеет герметичный затвор для разделения наружного и внутреннего объёмов.

Общие технические характеристики датчиков давления газа и жидкости приведены в таблице 2.

Ведутся работы по созданию на базе ЧЭ линейки датчиков давления, которые помимо базового интерфейса 0–5 В могут быть оснащены одним из стандартных: 4–20 мА; I2C; SPI; HARP; ШИМ и др.
С целью подтверждения метрологических и эксплуатационных характеристик, заявляемых производителем, в независимой лаборатории была произведена проверка датчиков абсолютного давления газа на основе чувствительного элемента ЭДС-2 с верхним пределом измерений 100 кПа. Контролировались следующие параметры:
- рабочий диапазон давлений при заданной точности измерений;
- возможности компенсации температурной погрешности;
- временнáя нестабильность и повторяемость результатов.
В результате подтверждены:
- возможность измерения давления в диапазоне до 3 декад, в частности от 0,1 до 100 кПа;
- высокая линейность характеристик в диапазоне 0,1 до 100 кПа;
- термостабильность на уровне 0,3…0,5% в диапазоне рабочих температур –20…+50°С.
Графические материалы отчёта приведены на рисунках 4 и 5.


На датчиках с чувствительными элементами ЭДС-1 была дополнительно проверена линейность и повторяемость выходного сигнала в полном диапазоне рабочих температур при давлении 0…6 МПа, экспериментально полученные характеристики для одного из образцов приведены на рисунке 6.

Как можно видеть, освоенный в производстве отечественный продукт создан и развивается в полном соответствии с перспективными направлениями мировой электроники и демонстрирует высокий уровень техники.
Описанные датчики давления ЗАО «Группа Кремний Эл» имеют высокий потенциал применения в промышленности, нефтегазовой отрасли, коммунальном хозяйстве, на транспорте, в специальной технике и в контрольно-поверочной аппаратуре.
Литература
- Pressure Sensor Market. Grand View Research, August 2016, http://www.grandviewresearch.com/press-release/global-pressure-sensors-market
- Status of the MEMS Industry 2017 report. Yole De¢veloppement, June 2017, http://www.yole.fr/MEMS_Market.aspx#.WeTwqXY6Zdg
Если вам понравился материал, кликните значок — вы поможете нам узнать, каким статьям и новостям следует отдавать предпочтение. Если вы хотите обсудить материал —не стесняйтесь оставлять свои комментарии : возможно, они будут полезны другим нашим читателям!

