Введение
Построение современной распределённой системы вторичного электропитания довольно сложный, трудоёмкий и ресурсозатратный процесс. Он включает в себя множество этапов, таких как выбор архитектуры построения, элементной базы, конструктива и т.д.
При этом, если в качестве первичной цепи будет выступать сеть напряжения переменного тока 220 В / 50 Гц, что достаточно широко распространено в промышленной аппаратуре, объектах городской инфраструктуры или электронике повышенной надёжности для наземного базирования, это может достаточно сильно отразиться на габаритах конечного изделия. Многие разработчики при организации системы питания мощностью от 100 Вт применяют AC/DC-преобразователи (см. рис. 1а и 1б), которые выполнены в промышленном форм-факторе и предназначены для крепления на панель или для монтажа на DIN-рейку. Такое решение, как правило, имеет большие массогабаритные показатели, небольшую стойкость к воздействиям внешних факторов и, в ряде случаев, оказывается неоптимальным. Поэтому в последнее время наметилась тенденция применения в новых разработках модульных компактных низкопрофильных AC/DC-преобразователей (см. рис. 1в), оснащённых активным корректором коэффициента мощности (АККМ). Такие модули имеют высокие технические характеристики и малые габариты, которые позволяют гармонично встраивать эти компоненты в современные архитектуры распределённых систем питания.

Подходы к созданию распределённых систем питания AC/DC
Тенденции последних лет показывают, что современная система питания должна обладать достаточно большим функционалом, таким как обеспечение стабильности выходных параметров, гальваническая изоляция между первичной и вторичной цепью питания, высокое значение КПД, широкий ряд номиналов выходных напряжений, соответствие требованиям ЭМС, расширяемость, возможность контроля параметров и т.д., оставаясь при этом достаточно компактной. В связи с этим появились различные подходы к разработке. В частности, распределённые архитектуры IBA (Intermediate Bus Architecture) и DPA (Distributed Power Architecture) (см. рис. 2). Основное их преимущество – снижение габаритов системы питания при повышении эффективности и функциональности системы в целом.

Архитектуры IBA и DPA уже хорошо зарекомендовали себя на практике [1]. Системы питания, построенные по этим принципам, можно встретить в самых разных сферах применения, начиная от телекоммуникационного оборудования и заканчивая высоконадёжными решениями для оборонно-промышленного комплекса [1, 2]. Для реализации таких систем питания современный рынок электронных компонентов предлагает множество компактных высокоэффективных DC/DC-преобразователей, которые, как правило, выполнены в стандартизованных корпусах. Примером такого стандартного исполнения может служить корпус типоразмера BRICK (в пер. с англ. – кирпич). Система питания, построенная на таких преобразователях, фактически формируется из готовых «кирпичиков», что позволяет организовать распределённую схему электропитания, которая будет обладать всеми необходимыми номиналами выходных напряжений при малых габаритах. И если решений для преобразования высокого напряжения постоянного тока в низковольтные значения сегодня достаточно много (ведущие мировые производители предлагают широкую элементную базу – модули вторичного электропитания, EMI-фильтры, POL-регуляторы и т.п.), то в случае, когда речь идёт о первичном преобразовании, т.е. из напряжения переменного тока в напряжение постоянного тока, проблема подбора элементной базы для оптимального решения оказывается гораздо сложнее. Как правило, подобный блок становится самым крупногабаритным узлом в системе электропитания. Фактически он должен обеспечить компенсацию реактивной мощности, выпрямление, гальваническую изоляцию, а также понижение уровня выходного напряжения. Решения в виде отдельных крупногабаритных AC/DC-преобразователей (см. рис. 1а), которые нередко оснащены системой активного охлаждения, могут свести к минимуму преимущества распределённых архитектур DPA и IBA. Учитывая подобную ситуацию, ряд ведущих производителей ввели в состав своих серийных изделий специализированные модули для адаптации DC/DC-преобразователей к питающим сетям переменного тока – так называемые модульные выпрямители со встроенным корректором коэффициента мощности (ККМ) (см. рис. 3а).

Такой модуль предназначен для использования совместно с DC/DC-модулем и позволяет преобразовать переменное напряжение 220 В / 50 Гц в постоянное 360–400 В, что адаптирует питающую сеть к работе с DC/DC-преобразователями. Подобное решение оправдано, если разрабатываемая система электропитания обладает большой мощностью (свыше 1000 Вт) и широким рядом выходных напряжений (более 5).
Использование комбинации из нескольких ККМ и DC/DC-преобразователей позволяет создать очень гибкую систему. Однако, в том случае, когда требуется сформировать только три-четыре выходных значения напряжения (например, 5, 12 и 27 В), а суммарная мощность составляет не более 700–1000 Вт, использование раздельной связки ККМ и DC/DC-преобразователя оказывается нерациональным, т.к. приводит к увеличению габаритов и стоимости конечного изделия. Оптимальное решение такой задачи предложил один из ведущих производителей модулей и систем электропитания – израильская компания TDK-Lambda, которая разработала стабилизированные, гальванически изолированные AC/DC-преобразователи серии PFE, выполненные в модульных корпусах типа BRICK и предназначенные для монтажа на печатную плату (см. рис. 3б).
Основные характеристики модулей TDK-Lambda серии PFE
Серия PFE включает более 10 моделей AC/DC-преобразователей с базовыми уровнями выходных напряжений 12, 28 и 48 В. Параметры первичной сети для всей серии имеют широкие допуски: 85...265 В / 47...63/440 Гц. Конструктивно модули серии PFE выполнены в герметизированном пластиковом корпусе с металлическим основанием, близком по размеру с форм-фактором Full Brick (см. рис. 3б) и предназначенном для монтажа на печатную плату. Герметизация модуля осуществляется специальным теплопроводным компаундом, обеспечивающим эффективный отвод тепла от электронных компонентов модуля. Кроме того, на металлическом основании модулей присутствуют резьбовые втулки для надёжного крепления радиатора.
Применение современной элементной базы позволило разработчикам TDK-Lambda минимизировать размеры модулей. Например, высота профиля AC/DC-преобразователя PFE700SA48 мощностью 700 Вт составляет всего лишь 12,7 мм, а габариты основания – 116,8 × 61 мм. Столь высокая удельная мощность была достигнута благодаря применению ключевых элементов (силовых MOSFET-транзисторов) в компактных SMD-корпусах, плоских сердечников из пермаллоевых сплавов, обмоток с плоским проводом и т.д. При этом верхняя граница диапазона рабочих температур корпуса составляет 100°С, что соответствует требованиям, предъявляемым к изделиям для промышленного применения.

Схемотехнически модули серии PFE представляют собой комбинацию из двух функциональных блоков (см. рис. 4). Первый осуществляет преобразование напряжения переменного тока в постоянное, а также коррекцию коэффициента мощности, второй – это фактически изолированный DC/DC-преобразователь [3]. Его основной функционал заключается в понижении и стабилизации уровня напряжения постоянного тока, а также в гальванической изоляции между первичной и вторичной цепью питания. В итоге выходное напряжение может быть использовано как в качестве промежуточной шины питания, так и непосредственно для подключения активной нагрузки. На сегодняшний день в состав серии PFE включены преобразователи мощностью от 300 до 1000 Вт (см. таблицу).

Из дополнительного функционала модулей можно отметить активную схему деления тока, которая позволяет организовать параллельное подключение модулей с перераспределением нагрузки (до 6 модулей), встроенный источник опорного напряжения 11 В, наличие защиты от перегрева и от перегрузки как по току, так и по напряжению, а также функцию удалённого включения/выключения (см. рис. 4).
Схема включения модулей TDK-Lambda серии PFE
Модули серии PFE являются достаточно функциональными устройствами и включают в себя все основные активные и токонагруженные элементы, гарантирующие заявленный набор характеристик и параметров. Однако, для уменьшения массогабаритных показателей конечных изделий, реализация тонких или специфических настроек, которые могут быть необходимы для решения отдельных задач, должна осуществляться при помощи ряда компонентов во внешней обвязке. Эти компоненты можно условно поделить на три функциональных блока: блоки входного и выходного фильтра обеспечения электромагнитной совместимости (ЭМС) и блок накопительных конденсаторов. При этом в руководствах по применению модулей PFE даны подробные рекомендации по выбору компонентов для реализации таких функциональных блоков [4].
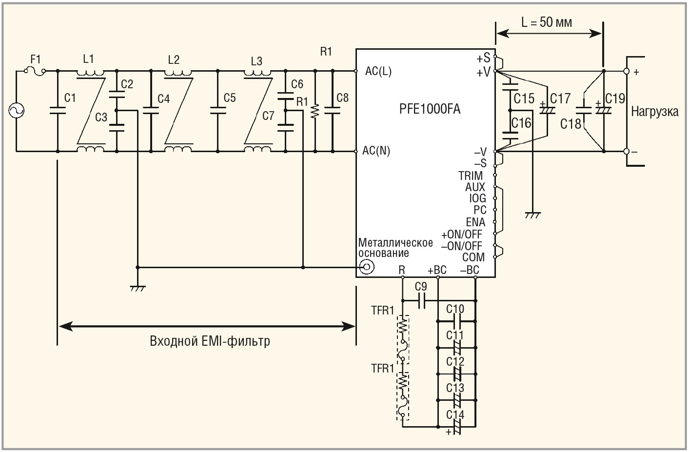
Рассмотрим более подробно типовую схему включения на примере модуля PFE1000FA с выходной мощностью в 1000 Вт (см. рис. 5).

Начнём с блока входного EMI-фильтра. Как известно, модуль электропитания без правильно организованной системы фильтрации электромагнитных помех может оказывать нежелательное влияние на электронное оборудование любого устройства или прибора, которое с ним непосредственно взаимодействует. Таким образом, проблему ЭМС рекомендуется рассматривать достаточно тщательно.
Природа электромагнитных помех подразумевает их распространение как по проводникам (кондуктивные помехи), так и через окружающее пространство и непроводящие среды (индуктивные, излучаемые помехи) [5].
При этом необходимо чётко понимать требования по ЭМС, которые могут существенно различаться в зависимости от сферы и объекта применения. Примером могут служить такие стандарты, как европейский EN55022 и японский VCCI. В них описаны два набора ограничений на уровни помех: оборудование класса А, которое может использоваться в промышленных зонах, и оборудование класса B, которое используется в жилых помещениях [6].
На схеме включения (см. рис. 5) представлен многозвенный EMI-фильтр для модуля PFE1000FA. Он состоит из нескольких синфазных дросселей (L1, L2, L3), включённых последовательно, а также ряда конденсаторов двух типов – X (С1, С4, C5, C8) и Y (С2, С3, С6, С7). Такое решение обеспечивает подавление как дифференциальной, так и синфазной составляющей кондуктивной помехи. В итоге совместное использование фильтра с модулем PFE1000FA позволяет получить характеристики, которые дают возможность «уложиться» в рамки стандарта VCCI по классу A для применения на промышленных объектах.

На рисунке 6 приведены спектрограммы кондуктивных помех на входе модуля AC/DC-преобразователя PFE1000FA-28 при условии 100-процентной нагрузки и входном напряжении 100 В AC. Также, говоря о входном фильтре, стоит упомянуть стабилизирующий нагрузочный резистор R1 номиналом 470 кОм (так называемый Bleeder Resistor), который, с одной стороны, обеспечивает поддержание минимального тока через синфазный дроссель для увеличения его эффективности, а с другой – обеспечивает безопасный разряд конденсаторов.
Перейдём к описанию организации выходного фильтра в рассматриваемом примере. Как правило, требования для него формируются с учётом специфики оконечных устройств. Выходной фильтр предназначен для уменьшения как помех на основной частоте преобразования, так и компенсации выбросов высоких частот.
В приведённом примере он состоит из конденсаторов Y-типа (С16, С15), основная задача которых – снизить синфазное излучение, которое присутствует в индуктивных помехах [5], а также пары электролитических конденсаторов (С17, C19), которые предназначены для уменьшения шумов и обеспечения более стабильной работы преобразователя. Это типовое решение, в свою очередь, обеспечивает достаточно приемлемый уровень подавления шумов и пульсаций.
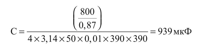
И, наконец, рассмотрим блок накопительных конденсаторов. Он является ключевым в обвязке преобразователей серии PFE и необходим для нормального функционирования АККМ, который фактически представляет собой повышающий boost-преобразователь. Его основная задача – формирование и поддержание на требуемом уровне промежуточного постоянного высоковольтного напряжения (примерно 390…400 В). Данный уровень напряжения является входным для DC/DC-преобразователя, который находится в составе модуля PFE1000FA и формирует окончательное выходное напряжение. Ввиду сравнительно небольшой рабочей частоты (100 кГц), boost-преобразователю требуется блок внешних накопительных конденсаторов с рабочим напряжением не менее 450 В. Производитель предлагает выбрать величину ёмкостного элемента из диапазона 780–2300 мкФ. Но, с учётом специфики boost-преобразователя, на расчёт ёмкостного элемента влияет множество параметров, и номинал указанного конденсатора рассчитывается по определённой методике. Если отходить от общепринятых рекомендаций, которые даны в тематической литературе [7], то расчёт минимальной ёмкости накопительного конденсатора в схемах активных ККМ основывается либо на необходимости поддержания выходного напряжения после исчезновения напряжения питающей сети, либо на заданном коэффициенте пульсаций выходного напряжения по второй гармонике [7].
В первом случае требуемая ёмкость накопительного конденсатора определяется как:

где Δt – время поддержания выходного напряжения на уровне не меньше U2вых min после исчезновения напряжения питающей сети. Предполагается, что в течение времени Δt Pн = const. С – ёмкость накопительного конденсатора (Ф), U2вых min – максимальное напряжение на конденсаторе (В), U2вых min – минимальное напряжение на конденсаторе (В), P – мощность (Вт), ´η – КПД потребителя (%).
В итоге, если рассчитать величину ёмкости накопительного конденсатора, например, для модели PFE1000FA-28 и нагрузки в 800 Вт, сети 220/50 Гц, то мы получим:

Значения параметров при этом следующие: P = 800 Вт, ´η = 87%, U2вых min = 390 В, U2вых min = 200 В, Δt = 50 мс (Hold Up Time).
Далее, обычно, найденную номинальную ёмкость уточняют с учётом возможного разброса реальных значений ёмкостей электролитических конденсаторов [7], например, при разбросе, равном 20%:

Вторая методика основана на заданном коэффициенте пульсаций выходного напряжения по второй гармонике. Для вычисления ёмкости накопительного конденсатора предлагается воспользоваться следующей формулой:

где f – частота питающей сети (Гц), Kп=Uст/Uвых – коэффициент пульсаций напряжения, Uст – амплитуда второй гармоники напряжения на выходном конденсаторе.
Принимая Uст = 4 В, получаем Kп = 1%.
Для аналогичной конфигурации:


В итоге при расчёте по разным методикам получаются довольно близкие значения 1025 и 1173 мкФ, что сопоставимо с данными, которые рекомендует производитель (см. рис. 7).

Однако эти значения справедливы для идеального конденсатора, а в реальных системах всегда будут присутствовать такие параметры, как эквивалентное последовательное сопротивление (ESR), эквивалентная последовательная индуктивность (ESL) и т.п. В итоге, согласно рекомендации производителя, ёмкость накопительного конденсатора для серии PFE1000FA может быть увеличена вплоть до 2300 мкФ.
Наличие в выходной цепи конденсатора большой ёмкости накладывает определённые требования по ограничению пусковых токов. Модуль PFE1000FA содержит встроенный контроллер ограничения пускового тока конденсатора, но для его функционирования необходимо установить резистор и предохранитель, включённые последовательно для ограничения тока и, соответственно, защиты (TFR101, 102). В качестве элементной базы рекомендуется использовать плавкие вставки с фиксированным значением сопротивления (10–20 Ом). Это уменьшает риск протекания максимально высоких токов через входной каскад.
Типономиналы компонентов на схеме включения (см. рис. 5):
- C1, C4, C5, C8: 1 мкФ (плёночный конденсатор);
- C2, C3: 470 пФ (керамический конденсатор);
- C6, C7: 4700 пФ (керамический конденсатор);
- C9, C10: 1 мкФ (плёночный конденсатор);
- C11, C12, C13, C14: 300 мкФ (электролитический конденсатор);
- C15, C16: 0,033 мкФ (плёночный конденсатор);
- C18: 2,2 мкФ (керамический конденсатор);
- C17, C19: (электролитический конденсатор),
- 12 В 1000 мкФ,
- 28 В 470 мкФ,
- 48 В 220 мкФ;
- R1: 0,5 Вт, 470 кОм;
- L1, L2, L3: 2 мГн;
- TFR1, TFR2: 5,1 Ом, 139°C;
- F1: 250 В (AC), 25 A.
Дополнительный функционал модулей TDK-Lambda серии PFE
Современные модули электропитания нередко обладают дополнительным функционалом и сервисными функциями, которые позволяют контролировать процесс работы системы электропитания, масштабировать её и динамически изменять её параметры. В результате у разработчиков появляется возможность организовать комплексную систему с более гибкой и функциональной архитектурой. Модули PFE обладают большим набором подобных функций. Рассмотрим более подробно наиболее интересные из них.
Возможность параллельной работы
Параллельное включение модулей позволяет создать эффективную систему электропитания, которая будет обладать такими преимуществами, как модульность, возможность резервирования, высокие показатели КПД и т.п. В серии PFE таким функционалом обладают модули с выходной мощностью 500, 700 и 1000 Вт.
При организации параллельной работы модулей необходимо учитывать множество факторов. В первую очередь, это относится к одновременному включению модулей и перераспределению нагрузки между ними. И если одновременное включение заключается просто в подаче на управляющий вывод активного управляющего уровня напряжения в один и тот же момент времени, то у задачи перераспределения нагрузки есть ряд особенностей. Даже несмотря на то, что модули PFE500SA и PFE1000SA являются стабилизированными и точность установки выходного напряжения составляет примерно ±2%, рассогласование выходного напряжения приведёт к разной нагрузке на модули при работе в параллельном режиме. Чтобы этого не происходило, необходимо соединить между собой выводы PC каждого модуля. Это позволит обеспечить перераспределение нагрузки и подключение до 6 модулей параллельно, с максимальной нагрузкой 85% на каждый.
Подстройка выходного напряжения
Кроме того, как для параллельной работы, так и для отдельно используемых модулей, возможна подстройка выходного напряжения в пределах ±20% от номинального значения. Подстройка осуществляется как при помощи подачи с внешнего источника напряжения через согласующий резистор 10 кОм, так и при помощи внешних резисторов. При этом необходимо, чтобы подстроечные резисторы обладали довольно высоким уровнем точности. Использование высокоточных резисторов (с отклонением от номинального значения сопротивления не более 1%) позволит обеспечить не только точную установку уровня выходного напряжения, но и корректную работу схемы регулировки и распределение токовой нагрузки между модулями при параллельном включении. Помимо использования подстроечного резистора, на точность установки выходного напряжения также влияет топология печатной платы. Соединения и токоведущие дорожки между подстроечным резистором и выводом SENSE должны быть проложены отдельно и максимально изолированы от других соединений, по которым протекает большой ток.
Защита от перенапряжения на выходе
В целях обеспечения защиты нагрузки, а также цепей выходного каскада модуля питания от превышения величины выходного напряжения, в модулях PFE реализована функция защиты от перенапряжения на выходе – Over Voltage Protection (OVP). Она очень важна для предохранения нагрузки от выхода из строя при возможной неисправности модуля питания и рассчитана на случай серьёзной неисправности: защита срабатывает при значениях выходного напряжения, составляющих 125...145% от номинального. Уровень срабатывания функции OVP фиксирован и не может быть изменён.
При обнаружении превышения выходного напряжения модуль PFE в первую очередь отключает подачу выходного напряжения на нагрузку, тем самым обеспечивая её защиту. Далее происходит отключение входного силового каскада и запускается проверка уровня выходного напряжения. Если уровень выходного напряжения начинает снижаться и достигает отметки в 20 В (для модели с выходным напряжением 48 В), то происходит перезапуск модуля питания.
При разработке системы питания нужно также учитывать тип нагрузки и при необходимости обеспечить дополнительную защиту. Например, при использовании нагрузки, которая может самопроизвольно увеличить напряжение, желательно установить дополнительные развязывающие диоды на выходе. В качестве примера такой нагрузки можно привести асинхронный двигатель. При отключении он может войти в режим генератора, что в итоге приведёт к повышению напряжения на выходе модуля питания. Без дополнительной защиты, в таком случае, может произойти повреждение и выход модуля из строя.
Защита от перегрузки по току
Этот вид защиты реализован с помощью функции Over Current Protection (OCP), которая не менее важна, чем функция OVP, поскольку позволяет обеспечить защиту модуля питания от короткого замыкания и перегрузки по току. Логика её работы в целом похожа на логику работы функции OVP. Перегрузка модуля питания PFE по току приводит к снижению уровня выходного напряжения. Функция OCP отслеживает уровень выходного напряжения и, при уменьшении его более чем на 20% от номинального в течение около 0,5 с, активирует защиту. Последовательность действий модуля питания также схожа с функцией OVP: вначале происходит отключение нагрузки, а затем входного каскада модуля, с последующим отслеживанием уровня выходного напряжения для дальнейшего перезапуска модуля.
Значение уровня срабатывания защиты от перегрузки по току OCP, как и в случае с ОVР, фиксировано. Следует отметить, что непрерывное и долговременное нахождение модуля питания PFE в состоянии короткого замыкания или перегрузки может привести к его повреждению.
Защита от перегрева
Для защиты модулей PFE от возможного перегрева разработчики компании TDK-Lambda дополнили их функцией Over Temperature Protection (ОТР). Эта функция будет активизироваться при нагреве модуля питания до температур +105…+130°С. Следует подчеркнуть, что при нагреве вплоть до +104°С модули серии PFE продолжают функционировать в штатном режиме благодаря применению теплопроводных компаундов, которые позволяют отводить тепло с самых токонагруженных элементов на металлическое основание модуля. Логика работы функции OTP схожа с описанными защитными функциями OPV и OCP, и приводит к перезагрузке модуля питания.
Запрет включения нагрузки
Наличие большого ёмкостного элемента в схеме модулей PFE накладывает определённые ограничения на включение. Это связано с тем, что для начала работы модулю нужен определённый минимальный уровень заряда конденсатора. Соответственно, для его формирования необходим временной интервал, в течение которого к модулю не будут подключены внешние потребители. Для решения этой задачи модули PFE имеют выход разрешения подключения нагрузки ENA. Подключение к выводу реализуется по схеме «открытый коллектор». С помощью этой функции можно реализовать постепенное включение всей системы питания.
Индикация ошибки
На случаи возникновения каких-либо нештатных ситуаций, в модулях PFE, например, при срабатывании функций OVP, OTP и OCP, или при работе с малой нагрузкой вследствие отключения внешних потребителей тока, предусмотрена функция IOG Terminal. Эта функция позволяет удалённо идентифицировать наличие нештатного режима работы системы питания. Подключение функции IOG Terminal реализуется по схеме «открытый коллектор».
Внешняя обратная связь
Ещё одна важная особенность преобразователей серии PFE заключается в их способности компенсировать падение напряжения на выходных линиях в случае, когда нагрузка расположена на некотором расстоянии от преобразователя. Это обеспечивается присоединением выводов +S к точке с высоким потенциалом непосредственно около нагрузки и присоединением вывода -S к точке нагрузки с низким потенциалом.
Логика работы функции внешней обратной связи заключается в отслеживании разницы напряжений между выводами выходного напряжения +V/-V и +S/-S. В случае различия, модуль питания поднимает выходное напряжение, компенсируя тем самым падение на линии. При значительном удалении нагрузки от модуля питания (например, в другом блоке) линию +S/-S желательно реализовывать при помощи кабеля типа «витая пара» для лучшей помехозащищённости цепи, а также добавить электролитический конденсатор между выводами +V/-V и +S/-S (см. рис. 8). В случае неиспользования этой функции, выводы +S/-S должны быть соединены с соответствующими выводами выходного напряжения V+ и V-.

Удалённое включение/выключение, дежурное питание AUX
Также модули питания серии PFE предоставляют такую важную при построении многоуровневой системы электропитания функциональную возможность, как дистанционное включение/выключение. Схемотехнически функция реализована при помощи встроенной оптопары (см. рис. 9).

Кроме того, стоит отметить наличие в модулях PFE вывода вспомогательного источника дежурного питания (вывод AUX) с напряжением 11 В и максимальной нагрузкой 20 мА, который может быть использован для подачи питания на оптопару и реализации функции удалённого включения и выключения.
Заключение
Построение современной системы электропитания состоит из множества этапов, которые включают в себя выбор архитектуры, элементной базы, конструктива и т.д. При этом AC/DC-преобразователь может стать самым крупногабаритным компонентом в проектируемой системе. Этот факт может быть достаточно критичным при построении распределённых схем электропитания средней мощности (до 1000 Вт) с небольшим количеством потребителей. Для существенного уменьшения габаритов конечного изделия компания TDK-Lambda выпускает хорошо зарекомендовавшие себя на рынке стабилизированные гальванически изолированные AC/DC-преобразователи серии PFE c выходной мощностью 500–1000 Вт. Серия PFE оснащена активным корректором коэффициента мощности и выполнена в герметизированных корпусах BRICK, что позволяет создать мощную, компактную, эффективную и функционально оснащённую систему питания.
Литература
- Воробьёв С. Построение системы электропитания по принципу IBA для высоконадёжной радиоаппаратуры. Почему бы и нет? Компоненты и технологии. 2015. №6.
- Воробьёв С. Выбор элементной базы для систем вторичного электропитания приёмопередающих модулей АФАР. Компоненты и технологии. 2014. №10.
- Жданкин В. Компактные источники питания AC/DC для жёстких условий эксплуатации. Современная Электроника. 2009. №3.
- TDK-Lambda PFE500F-1000F Series Instruction Manual. www.tdk-lambda.ru/KB/PFE500F1000F-Installation-Manual.pdf.
- Воробьёв C. Характеристики электромагнитных помех в системе электропитания и методы борьбы с ними. Силовая электроника. 2016. №4.
- Ланцов В., Эраносян С. Электромагнитная совместимость импульсных источников питания: проблемы и пути их решения. Часть 1. Силовая электроника. 2006. №4.
- Белов Г.А., Серебрянников А.В. Расчёт корректора коэффициента мощности с упрощённой двухконтурной системой управления. Практическая силовая электроника. 2010. №3 (39).
Если вам понравился материал, кликните значок — вы поможете нам узнать, каким статьям и новостям следует отдавать предпочтение. Если вы хотите обсудить материал —не стесняйтесь оставлять свои комментарии : возможно, они будут полезны другим нашим читателям!

