Модули управления IGBT широко используются в современной силовой электронике. Эти устройства находят большое применение в различных многоуровневых преобразователях, инверторах питания электродвигателей средней мощности, в управляемых и неуправляемых выпрямителях, сварочных аппаратах, ветряных электростанциях и т.п. Помимо этого, актуальным решением является использование таких модулей в агрегатах городского и железнодорожного транспорта. В качестве примера можно привести применение данных модулей в промышленных тяговых преобразователях, что позволяет повышать частоту переключения, минимизировать загрузку сети и потери в обмотках трансформаторов и дросселей, а также упростить схему управления.
Параметры данных преобразователей, такие как скорость переключения, статические и динамические потери, уровень электромагнитных помех, во многом определяются характеристиками схемы управления, которые должны соответствовать техническим требованиям потребителей данных модулей. В связи с чем предприятие ЗАО «ПротонИмпульс» (г. Орёл) постоянно совершенствует и расширяет свою линейку одноканальных модулей управления. Далее рассматриваются два новых одноканальных модуля управления IGBT c выходным импульсным током затвора 18 и 36 А.

Одноканальный модуль управления IGBT 1МУБ180 (см. рис. 1) предназначен для управления одним мощным транзистором, с предельно допустимым напряжением 3300 В. Драйвер является усилителемформирователем сигналов управления затвором транзистора с частотой до 6 кГц. Драйвер содержит встроенный гальванически развязанный DC/DCпреобразователь, обеспечивающий необходимые уровни отпирающих и запирающих напряжений на затворе транзистора, и оптоволоконный интерфейс. Конструктивно и функционально модуль аналогичен драйверам серии CTConcept 1SD418F2.
Основные особенности модуля 1МУБ180:
- защита IGBT от короткого замыкания;
- технология улучшенного активного ограничения (Advanced Active Clamping, AAC);
- высокая надёжность и большой срок службы;
- отсутствие электролитических конденсаторов;
- ток затвора до ±18 А;
- электрическая изоляция 6000 В AC;
- волоконнооптическая линия управления;
- контроль напряжения питания и волоконной оптики;
- встроенный DC/DCпреобразователь питания;
- частота переключения до 6 кГц.
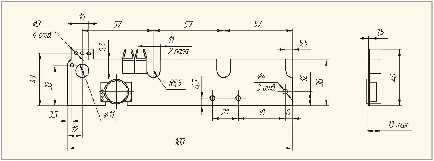
На рисунке 2 приведены габаритные и установочные размеры одноканального модуля управления 1МУБ180.

Основные электрические характеристики модуля 1МУБ180 представлены в таблице 1.

Все параметры, приведённые в таблице, получены с использованием IGBTмодуля Infineon FZ800R33KF2 при нормальных климатических условиях и напряжении питания 15 В. Предельно допустимые параметры модуля представлены в таблице 2.

Одноканальный модуль управления IGBT 1МУБ360 (см. рис. 3) предназначен для управления одним мощным транзистором, с предельно допустимым напряжением 3300 В.

Драйвер также является усилителемформирователем сигналов управления затвором транзистора с частотой до 3,4 кГц. В устройство встроен гальванически развязанный DC/DCпреобразователь, обеспечивающий необходимые уровни отпирающих и запирающих напряжений на затворе транзистора, и оптоволоконный интерфейс. Модуль конструктивно и функционально аналогичен драйверам серии CTConcept 1SD536F2.
Основными отличиями от 1МУБ180 в данном модуле являются:
- ток затвора до ±36 А;
- электрическая изоляция 4000 В AC;
- частота переключения до 3,4 кГц.
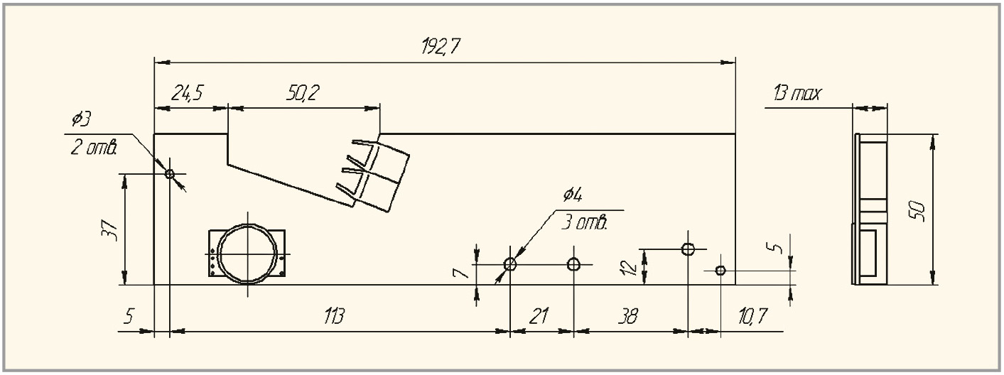
На рисунке 4 приведены габаритные и установочные размеры одноканального модуля управления IGBT 1МУБ360.

Основные электрические характеристики модуля 1МУБ360 представлены в таблице 1. Все параметры, приведённые в таблице, получены с использованием IGBTмодуля Infineon FZ1500R33HE3 при нормальных климатических условиях и напряжении питания 15 В. Предельно допустимые параметры модуля представлены в таблице 2.
Реальные характеристики драйверов 1МУБ180 и 1МУБ360 могут отличаться от приведённых, в зависимости от применяемого IGBTмодуля.
Если вам понравился материал, кликните значок — вы поможете нам узнать, каким статьям и новостям следует отдавать предпочтение. Если вы хотите обсудить материал —не стесняйтесь оставлять свои комментарии : возможно, они будут полезны другим нашим читателям!

