Введение
В настоящее время разработка микросхем для приборов учёта коммунальных услуг и сбора телеметрической информации превратилась в отдельное направление с определённым набором специфических требований:
- длительность сроков службы – до 15–20 лет непрерывной работы;
- низкое энергопотребление, позволяющее работать без замены автономных источников питания более десяти лет;
- высокие показатели метрологических свойств, позволяющие создавать измерительные системы и приборы коммерческого учёта с погрешностью измерения не более 0,5% в широком диапазоне внешних воздействующих факторов, в том числе в диапазоне температур окружающей среды –40…+65 °С;
- возможность работы в автоматизированных локальных сетях сбора информации.
Исходя из этих требований, при разработке микросхем, особенно их аналоговых узлов, отвечающих за метрологические характеристики, необходимо учитывать факторы старения и дрейфа параметров при эксплуатации, а также необходимость снижения потребления тока и уровня собственных шумов. Следует также принимать во внимание специфику поведения и основные особенности тех физических сред и объектов, параметры которых измеряются. Иными словами, инженеры-разработчики микроэлектроники должны владеть не только технологиями создания микросхем, но и обладать знаниями в смежных областях, касающихся природы физических явлений, происходящих в контролируемых объектах.
Приведённые требования резко ограничивают круг фирм, разрабатывающих микросхемы такого рода. Нередко небольшие коллективы инженеров, хорошо владеющие теми или иными смежными специальностями, создают микросхемы с оптимальными характеристиками для той или иной области применения. Примером такого подхода является компания Chipcon, созданная в 1996 г. учёными из скандинавского Фонда научных и промышленных исследований (SINTEF), а в 2006 г. вошедшая в состав Texas Instruments как самостоятельное подразделение. В 2002 г. Chipcon создала на базе технологии SmartRF 02 первую в мире реально работающую RF-систему-на-кристалле, интегрированную с микроконтроллером, для систем, работающих в частотных диапазонах ISM/SRD 315, 433, 868 и 915 МГц.
Изучив рынок микросхем, которые используются для создания систем учёта коммунальных услуг и передачи полученных данных по локальным сетям нижнего уровня (при этом выдерживается необходимый технологический уровень и соответствие высоким показателями по основным параметрам), можно сделать вывод: сегодня ни один из ведущих мировых производителей полупроводников не производит полного комплекта микросхем для подобных применений. Фактически, произошло разделение рынка по основным компонентам подобных систем.
Рынок микросхем для приборов учёта коммунальных услуг
Рассмотрим современное состояние рынка микросхем для интеллектуальных систем сбора и передачи информации о потреблении коммунальных услуг и сопутствующей телеметрической информации.
К основным компонентам систем сбора и передачи информации в приборах учёта коммунальных услуг можно отнести:
- микросхемы для электросчётчиков;
- микросхемы для учёта расхода воды и бытового газа;
- микросхемы для учёта расхода тепла (теплосчётчиков);
- микросхемы для измерения иных физических величин;
- радиочастотные микросхемы субгигагерцевого и гигагерцевого диапазонов;
- микросхемы для систем связи по силовым проводам (PLC);
- иные интерфейсные микросхемы.
Наблюдается устойчивая тенденция объединения функций перечисленных микросхем в одном кристалле (системе-на-кристалле – SoC) с целью снижения стоимости итогового решения.
Микросхемы для электросчётчиков
Наиболее полно на рынке микросхем для учёта коммунальных услуг представлены микросхемы для электросчётчиков. В первую очередь, это связано с тем, что при их проектировании нет необходимости закладывать экономию электроэнергии, а в существующих системах САПР легко моделируется любая нагрузка. Примеры таких микросхем и их производители приведены в таблице 1.

Оригинальным техническим решением по замене трансформаторов тока в многофазных счётчиках является микросхема MAX78700 фирмы MAXIM. Данная микросхема представляет собой двухканальный дельта-сигма АЦП (ADC) со встроенным интерфейсом гальванической развязки. Её структурная схема показана на рисунке 1.

Микросхема содержит специализированный интерфейс ISO_INT, позволяющий через один развязывающий трансформатор как подавать питание, так и передавать информацию в обе стороны. Этот интерфейс идеологически похож на интерфейс 1-Ware, разработанный Dallas Semiconductor.
Микросхемы для счётчиков воды, газа и тепла
С микросхемами для контроля потоков жидкостей и газов, а также для теплосчётчиков дело обстоит гораздо сложнее. Учитывая требования к таким микросхемам (указанные во введении), ведущие производители полупроводниковых приборов не берутся за разработку специализированных микросхем.
Скорость потока можно измерять десятком различных способов. Разработать микросхему, которая успешно реализовывала бы все эти способы при различных характеристиках датчиков, может только коллектив, занятый созданием конкретных типов расходомеров, основанных на каком-либо одном физическом принципе. Такие микросхемы, как правило, проектируются с типовым аналоговым выходом или стандартным цифровым интерфейсом. Фактически, это специализированные датчики потока, например датчики потока воздуха, основанные на термоанемометре. Часто это МЭМС, например сенсоры серии D6F компании Omron. Такие приборы выпускают также компании Dantec Dynamics и Caltech.
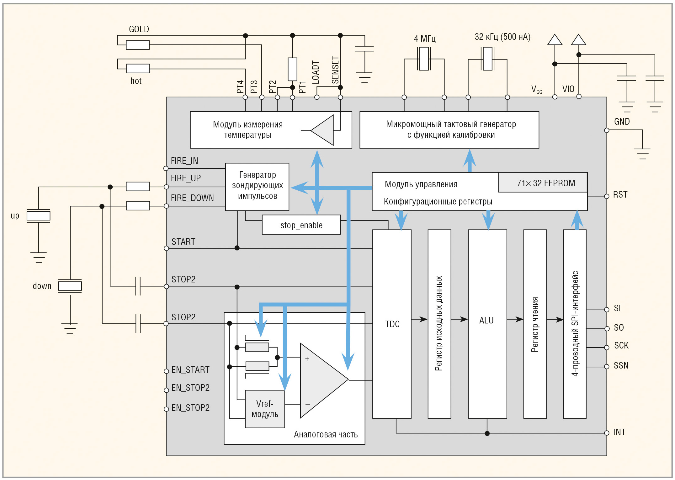
В то же время некоторые компании создают конструктивно и функционально законченные микросхемы измерителей потоков. Примером может служить микросхема TDC-GP22 группы компаний ACAM (Германия), функциональная схема которой приведена на рисунке 2.

В микросхеме TDC-GP22 запроектированы два канала измерения потока ультразвуковым способом и четыре канала измерения температуры, а также встроенный микроконтроллер с последовательным интерфейсом. На основе этой микросхемы создаются расходомеры газов и жидкостей, а также теплосчётчики. При этом ток потребления в режиме паузы (работает таймер) составляет не более 1 мкА, что позволяет использовать батарейное питание без замены батарей в течение четырёх–десяти лет в зависимости от типа расходомера.
Примеры микросхем для измерения иных физических величин представлены в литературе [1].
Микросхемы для радиомодулей
В периодической литературе постоянно появляются обзоры рынка радиочастотных микросхем. Отметим только появление оригинальных приборов, оптимизированных для использования в системах сбора телеметрической информации и учёта коммунальных услуг. В первую очередь, хочется отметить семейства микросхем CC430F613x, CC430F612x и CC430F513x компании Texas Instruments. Их характеристики приведены в таблице 2.

Отличительной особенностью семейства является наличие радиоканала диапазона 300…928 МГц и развитой периферии для обработки сигналов первичных датчиков. При этом в режиме таймера (или ожидания) микросхема потребляет менее 1 мкА. Радиоканал адаптирован к современным интерфейсам стандарта IEEE 802.15.4.
Другой оригинальной микросхемой является сетевой процессор CC1180 (опция системы-на-кристалле CC1110F32), который поставляется с прошитым стеком протоколов NanoStack 2.0 Lite компании Sensinode для сетей 6LoWPAN. Такое решение позволяет производителям телеметрической аппаратуры не заниматься разработкой и тестированием сетей, а применять готовое решение. Это сокращает стоимость и сроки внедрения аппаратуры.
Микросхемы для сетей PLC
На данный момент единой нормативной базы для передачи данных по электрическим проводам, аналогичной нормативной базе для радиодиапазонов, не существует. Есть отдельные документы, ставшие нормативами де-факто для разработки ряда микросхем и устройств на их основе. К таким документам можно отнести стандарт IEEE 1901.2, основанный на более ранних документах CENELEC, таких как PRIME и PLC G3.
Развитие микросхем и модемов для организации сетей передачи данных на основе PLC-технологий в настоящее время идет по трём основным направлениям:
1) узкополосные PLC-модемы с использованием S-FSK-модуляции;
2) широкополосные PLC-модемы, где используется OFDM-модуляция;
3) модемы PLC с применением шумоподобных видов модуляции.
Узкополосные модемы PLC позволяют решить проблему связи с наименьшими затратами аппаратных и программных ресурсов. S-FSK-модуляция может быть реализована на простом микроконтроллере с производительностью не более 20 MIPS.
Интересным решением для узкополосных PLC является модуль PLC AMR компании «Юником-Юг» (www.digitalpowermeters.com) стоимостью менее 150 руб.
Примером серийно выпускаемых микросхем PLC-модемов могут служить микросхемы ST7538/ST7540 компании STMicroelectronics. Их структурная схема показана на рисунке 3.

Микросхемы позволяют передавать данные со скоростями до 4600 бит/c, имеют удобный последовательный интерфейс.
Направление широкополосных PLC-модемов является наиболее перспективным для создания сетей PLC. Используемая в таких модемах OFDM-модуляция позволяет передавать данные в диапазоне до 145 кГц со скоростями свыше 120 кбит/с. Примеры микросхем для таких модемов приведены в таблице 3. Наблюдается устойчивая тенденция интеграции широкополосных PLC-модулей в состав специализированных микросхем сбора информации.

К микросхемам PLC с применением шумоподобных видов модуляции можно отнести оригинальные микросхемы Yitran IT700. Для передачи данных по сильно зашумлённым силовым линиям электропитания со скоростью до 7,5 кбит/с компания Yitran применяет кодирование DCSK (Differential Code Shift Keying). Применение технологии DCSK позволяет передавать данные на расстояния до 10 км с высокой степенью достоверности. Напряжение питания микросхемы – 3,3 В, потребляемый ток – не более 500 мА, тип корпуса – LQFP-56. Встроенные протоколы позволяют поддерживать до 1023 логических сетей и до 2047 узлов сети (т.е. до 1023 ´ 2047 точек учёта энергоресурсов).
Микросхемы учёта энергоресурсов ЗАО «ПКК Миландр»
В настоящее время ЗАО «ПКК Миландр» серийно выпускает микросхему К1986ВЕ23У, которой комплектуется серийно выпускаемый электросчётчик «Милур-104» – первый электросчётчик, выпущенный на российской элементной базе.
В стадии серийного освоения находится микросхема К1986ВЕ21У, предназначенная для комплектации трёхфазных счётчиков, в том числе российских электросчётчиков серии «Милур».
В процессе разработки (выход планируется в 2015–2016 гг.) находятся микроконтроллеры, являющиеся дальнейшим развитием серии микроконтроллеров К1986ВЕ2хх. Новые микроконтроллеры будут содержать встроенные модули PLC с OFDM-модуляцией и RF-модули диапазона 300…930 МГц с модуляцией FSK, GFSK BPSK и QPSK со скоростями передачи данных не менее 40 кбит/с.
В стадии разработки находится также микроконтроллер-клон TDC-GP22, аналогичный описанной в статье микросхеме со встроенным радиоканалом для комплектации расходомеров с автономным питанием.
Литература
- Ануфриев В.Н. Микропроцессорные наборы бескорпусных микросхем ПКК «Миландр» для интеллектуальных датчиков физических величин. Компоненты и технологии. № 9. 2013.
- Павлюк М., Коточигов А., Сахно Ю. Микроконтроллер К1986ВЕ23У компании ЗАО «ПКК Миландр» для счётчиков электроэнергии. Электроника: НТБ. № 4. 2014.
- Павлюк М., Сахно Ю., Малых В. Комплексное решение компании «Миландр» для учёта потребления энергоресурсов. Электроника: НТБ. № 2 (00133). 2014.
- Сахно Ю., Павлюк М., Какоулин М. Микроконтроллер К1986ВЕ21У компании «Миландр» для счётчиков электроэнергии. Электроника: НТБ. № 8 (00122). 2012.
- Павлюк М., Козлов С., Сахно Ю., Малых В. Счётчики электроэнергии. Модульная конструкция, низкая себестоимость. Электроника: НТБ. № 3 (00134). 2014.
- Самоделов А. Между датчиком и микроконтроллером: новые микросхемы семейства sensor AFE. Новостиэлектроники. № 10. 2012.
- Попов Р., Иванов Р. Для обработки аналоговых сигналов: новые микроконтроллеры STM32F3. Новости электроники. № 6. 2012.
- Брихта М. Преобразователи ёмкости в цифровой код на основе сигма-дельта модулятора. Компоненты и технологии. № 1. 2006.
© СТА-ПРЕСС
Если вам понравился материал, кликните значок — вы поможете нам узнать, каким статьям и новостям следует отдавать предпочтение. Если вы хотите обсудить материал —не стесняйтесь оставлять свои комментарии : возможно, они будут полезны другим нашим читателям!

