Введение
В настоящее время основными направлениями развития радиоэлектронной аппаратуры связи являются миграция несущей частоты в область СВЧ и уменьшение габаритов и массы аппаратуры за счёт применения современных материалов и технологий. Постоянно разрабатываются новые материалы, оборудование и технологические процессы, которые позволяют увеличить быстродействие и функциональное уплотнение аппаратуры.
В новейших изоляционных материалах серии Ultralam 3000 в качестве диэлектрика используется устойчивый к высоким температурам жидкокристаллический полимер (LCP). Эти материалы были специально разработаны для изготовления однослойных и многослойных печатных плат. Они хорошо подходят для сетевой телекоммуникационной аппаратуры, компьютерных интерфейсов и другой широкополосной аппаратуры СВЧ.
Материалы на основе жидкокристаллического полимера характеризуются малыми и стабильными значениями диэлектрической проницаемости и тангенса угла диэлектрических потерь, что является ключевым требованием при изготовлении плат для высокочастотных изделий. В качестве примера на рисунке 1 приведены сравнительные характеристики диэлектриков из жидкокристаллического полимера.

На рисунке 1а показана частотная зависимость диэлектрической проницаемости для материалов FR-4, Ultralam 3000 и полиимидных диэлектриков, на рисунке 1б – частотная зависимость тангенса угла диэлектрических потерь [1]. Следует отметить, что материал на основе жидкокристаллических полимеров обеспечивает стабильность параметров и малые диэлектрические потери в широком диапазоне частот.
На мировом рынке относительно узкая номенклатура новых материалов на основе LCP представлена небольшим количеством производителей. Наиболее известными материалами являются Ultralam 3850, A-950, FF-27, изготавливаемые компаниями Rogers, НСС и Taconic соответственно. Сравнительные характеристики этих диэлектриков приведены в таблице, откуда видно, что материалы обладают примерно одинаковыми параметрами, однако Ultralam 3850 имеет более высокую стабильность диэлектрической проницаемости и меньшее значение тангенса угла диэлектрических потерь.

Исследование технологии
Для исследования возможностей формирования элементов СВЧ-устройств на основе жидкокристаллических полимеров был выбран материал Ultralam 3850 компании Rogers, представляющий собой плотно упакованные молекулы в виде жёстких стержней с жидкокристаллическим заполнением. Для возможности реализации более широкого диапазона волновых сопротивлений использован материал толщиной 0,1 мм.
При изготовлении многослойных печатных плат на основе Ultralam 3850 необходимо учитывать особенности поведения жидкокристаллического полимера при изготовлении внутренних слоёв, в процессе прессования и металлизации переходных отверстий. Получение рисунка схемы внешних слоёв многослойной печатной платы и нанесение финишных покрытий для материалов серии Ultralam 3000 выполняются по стандартным технологиям, применяемым к материалам типа FR4 [2].
Особенность работы с материалами серии Ultralam 3000 заключается в процессе прессования многослойной печатной платы, когда смола на основе жидкокристаллического полимера претерпевает несколько значительных изменений. В начале процесса смола является твёрдым веществом с низкой плотностью поперечных связей и температурой плавления около +200°С. По мере повышения температуры смола плавится и становится жидкостью с высокой вязкостью. При дальнейшем нагревании пресса вязкость этой жидкости падает. Когда смола начинает отверждаться, вязкость достигает минимума, а затем начинает расти. Область вблизи минимума вязкости называют областью максимальной текучести. Чем шире эта область и ниже минимальная вязкость, тем больше растекание смолы.
При высокой текучести смол, применяемых в материалах серии Ultralam 3000, начальный уровень отверждения является низким. Это приводит к более продолжительному росту температуры, прежде чем вязкость смолы повысится благодаря её отверждению. Избыточное давление на этой стадии процесса может повредить жидкокристаллический диэлектрик и привести к неравномерности толщины слоёв по длине платы, что не допускается требованиями к печатным платам, предназначенным для работы в диапазоне СВЧ.
Второй этап процесса начинается с момента, когда смола разжижается. Это продолжается до начала роста её вязкости благодаря отверждению. На этой стадии жидкая смола растекается и покрывает схему. Для определения надлежащей точки плавления измерительную термопару устанавливают в центре края штабеля.
На третьем этапе процесса растекание останавливается, и начинается отверждение смолы. При этом температура поддерживается максимальной для минимизации времени полного отверждения. Для данной системы температура составляет примерно +282°С. На последнем этапе осуществляется охлаждение. Давление сбрасывается после частичного охлаждения, до того как штабель охладится до комнатной температуры.
Следует отметить, что материалы Ultralam 3000 в процессе прессования могут в значительной мере изменять свою толщину. Поэтому при разработке многослойных печатных плат СВЧ, где очень важно расстояние между проводниками, расположенными в различных слоях многослойной печатной платы, необходимо учитывать фактические размеры после прессования. Нельзя допускать склеивания между собой плёнок Ultralam 3908. Для увеличения толщины диэлектрика между проводящими слоями необходимо дополнительное чередование слоёв Ultralam 3850 (со снятой медью) и плёнки Ultralam 3908, с учётом фактического изменения толщины каждого слоя после спекания.
На рисунке 2 показана рекомендуемая структура пакета для спекания многослойной печатной платы.

В качестве прокладочного материала, выполняющего функцию защитного слоя и удаляемого после окончания технологического процесса, хорошо зарекомендовала себя бумага на основе керамического волокна, способная выдерживать нагрев до +290°С. Толщина прокладочного материала, обёрнутого в алюминиевую фольгу, должна быть не менее 7 мм (или более, если плоскостность покрытия вызывает сомнения).
Используемую фольгу из меди толщиной 35 или 70 мкм ориентируют блестящей стороной к фиктивным пластинам или многослойной части. Толщина очищенного политетрафторэтилена (ПТФЭ) должна быть не менее 0,2 мм, но может варьироваться в зависимости от толщины многослойной части для получения требуемой структуры. Фиктивные пластины могут быть изготовлены из материала Ultralam 3850 толщиной 0,2 мм с медным покрытием или из другого материала близкой толщины, способного выдерживать нагрев до +290°С.
Исследование макета направленного ответвителя
Для изготовления многослойных печатных плат трёхдецибельных направленных ответвителей диапазона СВЧ была выбрана структура подложки, состоящая из слоёв материала LCP Ultralam 3000 и материала FR-4 (см. рис. 3).

Процесс синтеза и топология трёхдецибельного направленного ответвителя подробно описаны в [3]. На рисунке 4 представлены трёхмерная модель (см. рис. 4а) и макет многослойной печатной платы направленного ответвителя (см. рис. 4б), рассчитанный на диапазон рабочих частот 2…4 ГГц.

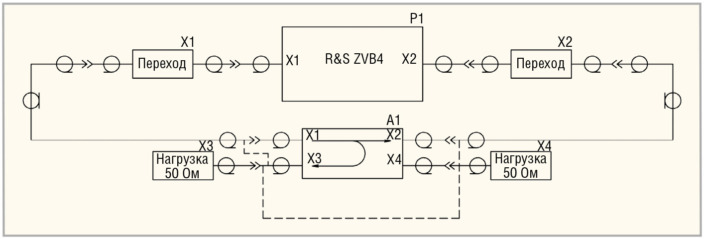
Экспериментальные исследования проводились при помощи векторного анализатора электрических цепей R&S ZVB4 и калибровочного набора ZV-Z229. В ходе исследований были измерены электрические характеристики трёх макетов, работающих в диапазоне частот 2…4 ГГц. Отклонение значений параметров от образца к образцу составило не более 5%. На рисунке 5 приведена функциональная схема стенда для исследования электрических характеристик макетов направленных ответвителей.

На рисунке 6 приведены частотные зависимости электрических характеристик направленного ответвителя: АЧХ (см. рис. 6а) и КСВН входа и выходов (см. рис. 6б).

Неравномерность АЧХ в диапазоне рабочих частот для опытных образцов составила не более 0,5 дБ, развязка между прямым и ответвлённым плечом опытного образца ответвителя (параметр S23) составила 15 дБ внизу и 12,5 дБ вверху диапазона рабочих частот. Уровень КСВН входа и выходов в диапазоне рабочих частот не превысил 1,6. Диапазон рабочих частот макета ответвителя в достаточной степени соответствовал расчётному.
Заключение
На примере материалов серии Ultralam 3000 исследованы методы и технологические процессы изготовления многослойных печатных плат устройств СВЧ на основе жидкокристаллического полимера (LCP). Были изготовлены макеты направленных ответвителей на связанных неоднородных симметричных линиях, запроектированных на диапазон частот 2…4 ГГц. Проведены экспериментальные исследования электрических характеристик полученных макетов, которые с высокой повторяемостью соответствовали расчётным параметрам.
На основании приведённой в статье информации, подтверждённой экспериментальной проверкой изготовленных макетов, можно сделать вывод о способности материалов на основе жидкокристаллического полимера составить конкуренцию таким материалам, как PTEE, в устройствах диапазона СВЧ за счёт более высокой технологичности изготовления многослойных печатных плат.
Литература
- Data Sheet RF 1.3000 Ultralam 3000, Liquid Crystalline Polymer Circuit Material. www.rogerscorp.com/acm/products/63/UL-TRALAM-3850-Laminates.aspx.
- Галецкий Ф., Лейтес И., Петров Л. Разработка технологии изготовления высокоплотных СВЧ многослойных печатных плат. Производство электроники: технологии, оборудование, материалы. № 8. 2008. С. 23–27.
- Абрамова Е.Г., Коновалов С.С. Разработка направленного ответвителя на диапазон частот 2…4 ГГц на основе связанных симметричных линий, выполненного в объёме многослойной подложки из низкотемпературной керамики. Техника радиосвязи. Выпуск 1 (19). 2013. С. 68–73.
© СТА-ПРЕСС
Если вам понравился материал, кликните значок — вы поможете нам узнать, каким статьям и новостям следует отдавать предпочтение. Если вы хотите обсудить материал —не стесняйтесь оставлять свои комментарии : возможно, они будут полезны другим нашим читателям!

