Введение
Системы контроля и регулирования температуры в диапазоне –40…+110°С получили широкое распространение в различных отраслях промышленности: автомобилестроении, авиации, вычислительной технике, сельском и коммунальном хозяйстве, а также в различных бытовых приборах.
В последние годы актуальность проблемы регулирования температуры значительно возросла в связи с интенсивным развитием систем «умный дом». Для обеспечения комфортного проживания в жилых помещениях необходимо обеспечивать управление температурой, влажностью и составом воздуха. При этом большое значение имеет экономия электрической и тепловой энергии. Управление температурой, а также другими параметрами, желательно осуществлять дистанционно, например с помощью мобильного телефона.
Точное количество выпускаемых в настоящее время различных систем температурного контроля и близких к ним по характеру функционирования приборов оценить весьма сложно, но можно утверждать, что оно составляет около миллиарда штук в год. Цена температурных датчиков, используемых в этих системах (в основном, NTC-термисторов – резисторов с отрицательным температурным коэффициентом сопротивления), колеблется в пределах от $0,5 до $5 за штуку.
В зависимости от назначения, системы температурного контроля различаются по своей структуре, составу оборудования и выходным техническим параметрам, но все они содержат блок управления с датчиком температуры, который в значительной степени определяет точность, быстродействие, надёжность и другие параметры системы. Принципиально, один и тот же блок управления может быть использован в системах различного назначения. Задачей блока является получение информации о температуре объекта и создание однозначного, не зависящего от помех сигнала управления, который может быть использован исполнительными устройствами.
Простейший механический блок управления содержит биметаллический температурный датчик. Единственным достоинством такого датчика является возможность его использования в качестве переключателя достаточно большой мощности (до нескольких киловатт) без дополнительных устройств коммутации. Надёжность и долговечность биметаллических датчиков весьма низкая из-за быстрого старения металлов. Кроме того, они обладают большим и принципиально неустранимым температурным гистерезисом, достигающим десяти и более градусов Цельсия, и невысокой точностью срабатывания (±3…5°С). Для систем с дистанционным управлением такие датчики непригодны.
Резистивные датчики температуры
Несомненно, более совершенными во всех отношениях являются блоки управления, основой которых являются NTC-термисторы. Эти приборы, изготовленные на основе различных сплавов и химических соединений, в настоящее время в огромных количествах выпускаются многими зарубежными и российскими фирмами. NTC-термисторы не могут работать в качестве управляющего элемента, поскольку для получения сигнала управления (как правило, скачка напряжения амплитудой 1…3 В) должна быть использована электронная схема, преобразующая изменение сопротивления термистора в напряжение или ток.
Наиболее распространённым преобразователем сопротивления в напряжение является мостовая резистивная схема с NTC-термистором в одном плече. Мост сбалансирован при заданной температуре. При повышении/понижении температуры сопротивление термистора уменьшается/увеличивается и появляется напряжение разбаланса, которое усиливается и поступает на схему, вырабатывающую сигнал управления (скачок напряжения), например триггер Шмитта (см. рис. 1). Электронная часть мостового датчика температуры, как правило, реализована в виде специализированной ИС.

Точность поддержания температуры блоками управления с NTC-термисторами составляет порядка единиц градусов Цельсия. Повышение точности возможно путём усложнения схемы, что ведёт к удорожанию аппаратуры. Для систем регулирования температуры с дистанционным управлением они малопригодны из-за сложности перестройки целевого значения (уставки) температуры в широком диапазоне.
Полупроводниковые датчики температуры
В качестве термочувствительного элемента в блоке управления также может быть использована специализированная ИС со встроенным датчиком на полупроводниковом р-n-переходе. Такое решение в ряде случаев проще и дешевле схемы с NTC-термистором и широко используется для управления локальным принудительным охлаждением РЭА. Порог срабатывания и гистерезис устанавливаются внешним резистивным делителем напряжения.
Датчики температуры на Z-термисторах
В конце 1990-х годов были разработаны полупроводниковые преобразователи температуры (Z-термисторы), которые не только реагируют на изменение температуры в диапазоне –40…+110°С, но и вырабатывают сигнал управления при заданном значении температуры без дополнительных электронных схем [1–8]. Значение температуры срабатывания задаётся амплитудой питающего напряжения. В зависимости от требований пользователя, сигнал управления может быть получен как в аналоговом виде (скачок напряжения в несколько вольт), так и в частотном виде (последовательность импульсов той же амплитуды, частота следования которых пропорциональна температуре). Z-термисторы могут работать при питании и постоянным, и переменным током с частотой до 30 кГц.
Конструктивно Z-термисторы представляют собой кремниевые пластины толщиной менее одного миллиметра и сторонами 2 × 2 мм и 1 × 1 мм, которые заключены в пластмассовый корпус с жёсткими выводами либо снабжены гибкими выводами с покрытием из кремнийорганической смолы.
Для надёжного функционирования Z-термисторы не требуют экранирования и использования соединительных проводников строго определённой длины. Рабочие токи Z-термисторов находятся в пределах от долей до единиц миллиампер. Базовые амплитуды питания, по желанию пользователя, могут быть сделаны (технологически) от 1 до 100 и более вольт. Под термином «базовая амплитуда питания» в данном случае понимается значение амплитуды приложенного к Z-термистору напряжения (+ к р-области), при котором он срабатывает (переходит в состояние с большим током) в условиях стандартной «комнатной температуры» («Room Temperature») 20 ±1°C.Быстродействие или время реакции на изменение температуры не превышает 1 с. Скорость срабатывания Z-термистора, или время перехода из состояния с малым током (до 200 мкА) в состояние с большим током (единицы мА, в зависимости от величины нагрузочного резистора), составляет 2…5 мкс. Для систем регулирования температуры с дистанционным управлением Z-термисторы наиболее пригодны, т.к. позволяют задавать температуру путём установки питающего напряжения (постоянного либо переменного).
Несмотря на очевидные достоинства Z-термисторов, диапазон их применения в настоящее время ограничен. Это объясняется рядом причин, основная из которых – неординарность функционирования этих приборов. Для их эффективной эксплуатации в различных системах контроля, регулирования и измерения температуры в ряде случаев требуется отказ от привычных стереотипов при реализации схемных решений. Далее будут приведены схемы включения Z-термисторов в качестве датчиков в системах контроля температуры.
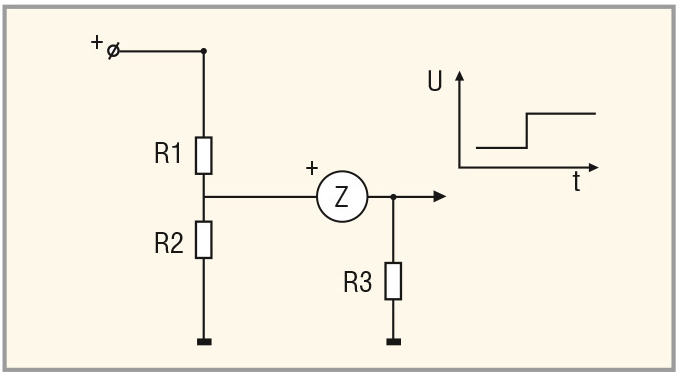
Как уже было отмечено, Z-термисторы могут работать как при постоянном напряжении питания, так и переменном практически любой формы. Рассмотрим несколько вариантов включения Z-термисторов при различных видах питающего напряжения. Схема включения для постоянного напряжения питания, принципиально обладающая большим температурным гистерезисом, достигающим десятков градусов Цельсия, приведена на рисунке 2.

Здесь резисторы R1 и R2 служат для установки значения температуры срабатывания Z-термистора. Резистор R3 ограничивает ток через Z-термистор при его переключении; он также является нагрузочным резистором, с которого снимается скачок напряжения. Точность срабатывания схемы достигает десятых и сотых долей градуса Цельсия. Схема чрезвычайно проста, не требует экранирования, Z-термистор может быть вынесен на любое требуемое расстояние произвольно взятым проводником. Амплитуда выходного сигнала составляет единицы вольт при рабочих токах 0,2…2,0 мА. Для коммутации больших токов на выходе схемы может быть использован полевой транзистор. Такая схема включения хорошо подходит для систем «умный дом», пожарной сигнализации, аварийного отключения дорогих приборов и агрегатов при перегреве.
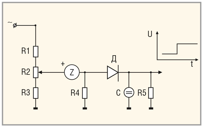
На рисунках 3 и 4 приведены схемы включения Z-термистора для работы в безгистерезисном режиме [7]. Здесь резисторы R1 и R3 служат для выделения предельных значений и ширины поддиапазона температур, в пределах которого необходимо осуществлять поддержание желаемой температуры (например, +17…+30°С в салоне автомобиля). Значение уставки регулируется резистором R2.

В схеме, показанной на рисунке 3, использован частотный режим работы Z-термистора [6, 7]. При подключении ёмкости С1 параллельно нагрузочному резистору R4 Z-термистор начинает генерировать импульсы при достижении заданной температуры. Далее через разделительный диод D они поступают на сглаживающий фильтр R5С2 и в виде скачка напряжения в несколько вольт – на выход схемы управления. Частотный режим работы Z-термистора также может быть использован для формирования цифрового управляющего сигнала.

На рисунке 4 приведена схема включения Z-термистора при использовании синусоидального напряжения. В данном случае Z-термистор работает от положительной полуволны напряжения, не реагируя на отрицательную. При значении температуры, соответствующей установленной амплитуде синусоидального напряжения, на вершинах полуволн синусоиды Z-термистор срабатывает, и на нагрузочном резисторе возникают прямоугольные импульсы напряжения. Сглаживающим фильтром R5С последовательность импульсов преобразуется в управляющий скачок напряжения.
Литература
- Зотов В.Д. Полупроводниковые структуры и способы управления проводимостью полупроводниковых структур. А.С. СССР № 1739402. 1992.
- Semiconductor Structures, Methods for Controlling Their Conductivity and Sensing Elements Based on These Semiconductor Structures. Patent USA 5,742,092. 1998.
- Zotov V.D. et al. Z-sensors for Magnetic Field and Temperature Threshold Measurements. Pros. ISMCR-94. Brussels, Belgium. 1994.
- Зотов В.Д. Z-термисторы – новый класс температурных сенсоров. Chip News. № 9. 1998.
- Зотов В.Д. Z-термисторы – новые возможности в измерении, контроле и регулировании температуры. Датчики и системы. № 3. 2000.
- Зотов В.Д., Кравченко А.М., Миронова П.В. Z-термисторы в режиме генератора импульсов. Chip News. № 1. 2001.
- Зотов В.Д. Автоматический регулятор температуры на Z-термисторе. Датчики и системы. № 7. 2002.
- Зотов В.Д. Z-сенсоры – перспективное направление развития полупроводниковой микроэлектроники. Современная электроника. № 7. 2013.
© СТА-ПРЕСС
Если вам понравился материал, кликните значок — вы поможете нам узнать, каким статьям и новостям следует отдавать предпочтение. Если вы хотите обсудить материал —не стесняйтесь оставлять свои комментарии : возможно, они будут полезны другим нашим читателям!

