Введение
Основным направлением миниатюризации радиоэлектронной аппаратуры является создание систем на кристалле (СнК) и систем в корпусе (СвК). СнК представляет собой сложное микроэлектронное устройство, обычно содержащее на одном полупроводниковом кристалле программируемые процессорные ядра, блоки программируемой логики, память, периферийные устройства, аналоговые компоненты и различные интерфейсные схемы. Главным преимуществом СнК является минимальная стоимость выполняемой функции при больших объёмах выпуска изделий.
Сложность проектирования СнК и невозможность обеспечения, в ряде случаев, требуемого уровня характеристик аналоговых блоков привела к появлению СвК, которые содержат несколько кристаллов внутри одного корпуса. Кристаллы располагаются на одном уровне или один над другим, дополняются пассивными или иными необходимыми компонентами и образуют интегрированные модули в одном корпусе, осуществляющие полноценное функционирование конечного электронного устройства.
Широкая номенклатура современных датчиков, различие их принципов действия, параметров и режимов эксплуатации, удалённое размещение чувствительных элементов обуславливают небольшую потребность в интерфейсных устройствах для конкретного типа датчиков и затрудняют выбор между реализацией микросхем в виде СнК или СвК.
Целью настоящей статьи является анализ схемотехники и параметров аналоговых интерфейсов датчиков, разработанных для применения в СнК.
Универсальный интерфейс для микросенсоров
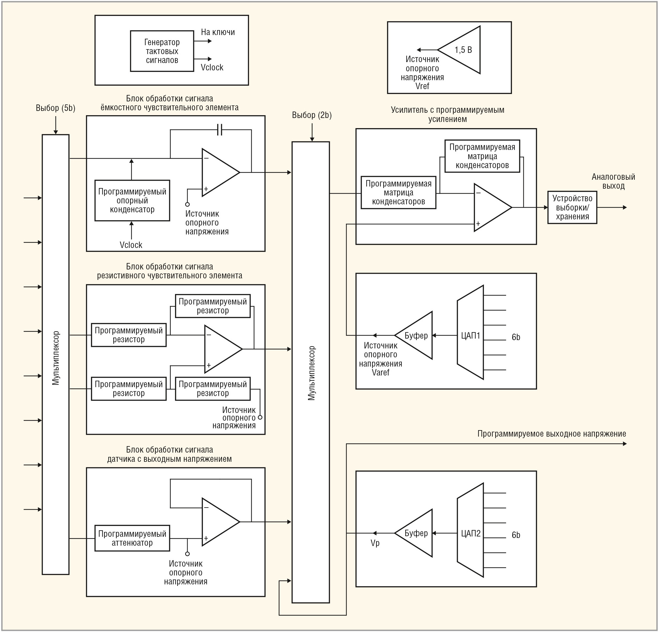
Микросхема, названная UMSI (Universal Micro-Sensor Interface) [1, 2], содержит источник опорного напряжения (ИОН), устройства обработки сигнала, управления и передачи информации, предназначенные для согласования с цифровыми системами различных ёмкостных и резистивных чувствительных элементов, датчиков с выходным сигналом в виде напряжения и датчиков с выходными цифровыми сигналами. ИС обеспечивает возможность программного изменения в режиме реального времени многих характеристик, в том числе конфигурации системы, коэффициента преобразования и уровня постоянного выходного сигнала. Кроме того, эта микросхема, изготовленная по технологическому маршруту КМОП с проектной нормой 0,5 мкм, содержит датчик температуры, последовательный интерфейс, типовые устройства цифрового ввода/вывода и блок управления прерываниями.

Аналоговая часть микросхемы UMSI, показанная на рисунке 1, включает:
- канал обработки сигнала ёмкостного чувствительного элемента (capacitive sensor rea-dout), выполненный на переключаемых конденсаторах с программируемыми на кристалле опорными конденсаторами;
- канал обработки сигнала резистивного чувствительного элемента (resistive sensor readout), конфигурируемый для работы с мостовыми схемами с одним или двумя выходами и имеющий расположенные на кристалле опорные резисторы;
- канал обработки сигнала датчика с выходным напряжением (voltage readout), состоящий из аттенюатора и повторителя напряжения.
Каждый из измерительных каналов соединён с усилителем с программируемым усилением (programmable gain amplifier, PGA) и устройством выборки/хранения (УВХ). ИС также включает 6-разрядный цифроаналоговый преобразователь ЦАП1, формирующий опорное напряжение для управления усилением PGA, 6-разрядный ЦАП2 для самотестирования, ИОН с выходным напряжением 1,5 В. Для минимизации рассеиваемой мощности в микросхеме применены два типа шин питания: постоянная и коммутируемая.
Большая часть блоков соединена с коммутируемой шиной питания и только некоторые малопотребляющие цифровые блоки (обнаружения прерываний) – с постоянной. Кроме того, цифровая и аналоговая части имеют отдельные шины питания. Для питания аналоговой части применены две шины: одна для схемы обработки сигналов ёмкостных датчиков, PGA, УВХ, ЦАП1 и генератора тактовых сигналов, а другая – для канала обработки сигналов резистивных датчиков, датчиков с выходным сигналов в виде напряжения и ЦАП2. Для уменьшения взаимодействия через подложку аналоговая и цифровая части отделены на кристалле, а чувствительные аналоговые схемы окружены низкоомным контактом на подложку.
Благодаря входному аналоговому мультиплексору к ИС могут быть подключены до 8 ёмкостных или резистивных чувствительных элементов, или датчиков с выходным напряжением.

Канал обработки сигнала ёмкостного чувствительного элемента, совмещённый с PGA и УВХ, показан на рисунке 2, где CS – ёмкость датчика, CREF – ёмкость опорного конденсатора, которая устанавливается программным путём. Заметим, что источники опорного напряжения VREF, VAREF необходимы при однополярном напряжении питания для установления режима работы входных каскадов операционных усилителей (ОУ) по постоянному сигналу, а сами источники VREF, VAREF должны быть малошумящими, так как их шум поступает непосредственно на входы ОУ.
Когда потенциал phi1 высокий, ключи phi1 и reset интегратора заряда (X1, CF1) замкнуты (ключи – разомкнуты) и конденсатор CS заряжается через выход интегратора до величины CS(VREF – VDD), а конденсатор CREF заряжается до CREF(VREF – VSS). Когда потенциал phi1 низкий, заряд CS изменяется до CS(VREF – VSS), а CREF – до CREF(VREF – VDD). Изменение заряда (CS – CREF)(VDD – VSS) в этих цепях проиcходит благодаря передаче заряда с выхода интегратора через конденсатор обратной связи CF1 и изменению выходного напряжения интегратора VOUT1 до величины [1]
Таким образом, выходное напряжение интегратора X1, CF1 пропорционально разности между ёмкостью датчика CS и ёмкостью опорного конденсатора CREF и слабо зависит от входной и паразитной ёмкости интегратора заряда. Позже, когда потенциал phi2 становится высоким, выходное напряжение PGA (VOUT2) устанавливается на уровне VAREF, а затем программируемый конденсатор CIN заряжается до CIN(VOUT1 – VAREF) через выход интегратора заряда.
Работа PGA идентична работе интегратора. Фазы тактовых сигналов phi3, phi4 имеют небольшую задержку относительно phi1, phi2. После того как потенциал phi3 становится высоким (phi3 – замкнут), падение напряжения на CIN изменяется до нуля за счёт передачи заряда с выхода PGA через конденсатор CF2, и, следовательно, изменение заряда на CIN составляет CIN(VOUT1 – VAREF). Коэффициент усиления PGA определяется отношением ёмкостей входного конденсатора CIN и конденсатора обратной связи CF2, поэтому выходное напряжение равно

Далее, в течение фазы тактовых сигналов phis, выходное напряжение PGA сохраняется на конденсаторе CH блока УВХ. «Фиктивные» ключи, управляемые тактовыми сигналами reset_d, phi2_d, ph_sd, применены для уменьшения коммутационных помех.


Обработку сигналов мостового соединения резистивных чувствительных элементов (resistive sensor bridge) и датчика с выходным сигналом в виде напряжения (voltage sensor) иллюстрируют рисунки 3 и 4. Выходное напряжение резистивного моста (см. рис. 3) поступает на вход дифференциального усилителя, коэффициент передачи которого определяется отношением сопротивлений резисторов R2/R1. Сопротивления R2 и R1 изменяются программным путём в пределах 4 и 2 разрядов. Для точной обработки сигналов усилитель X1 должен обладать большим коэффициентом усиления при разомкнутой обратной связи, широким диапазоном допустимого выходного напряжения и высокой нагрузочной способностью.
Схема подключения (см. рис. 4) к датчику с выходным сигналом в виде напряжения содержит программируемый в пределах 6 разрядов аттенюатор (programmable attenuator) и ОУ, работающий в режиме неинвертирующего повторителя напряжения. Особенности аналогового интерфейса микросхемы UMSI обобщены в таблице 1.

ИС группового интерфейса для ёмкостных датчиков
Микросхема интерфейса для ёмкостных чувствительных элементов (ICS, interface for capacitive sensors) «интеллектуальных» микросистем [3], выполненная на переключаемых конденсаторах, позволяет программировать параметры с помощью внешнего микроконтроллера, осуществлять самотестирование, а также регистрировать температуру с помощью встроенного датчика. ИС изготовлена по типовому КМОП технологическому маршруту с одним уровнем металлизации и двумя уровнями поликремния, потребляет около 2,2 мВт при однополярном напряжении питания 5 В и позволяет регистрировать изменение входной ёмкости с разрешением 1,0 фФ. Структурная схема ICS показана на рисунке 5.

Канал обработки сигнала идентичен рисунку 2 и включает малошумящий интегратор, регистрирующий разность зарядов на ёмкостном чувствительном элементе и опорном конденсаторе, PGA и УВХ. Допустимо программное подключение внешнего опорного конденсатора или одного из трёх внутренних конденсаторов. Ёмкость внутренних опорных конденсаторов может быть подстроена с помощью лазера в диапазоне от 0,15 до 8 пФ с шагом 0,15 пФ. Коэффициент усиления PGA выбирается программным способом из предварительно установленных значений, которые могут быть изменены лазерной подгонкой ёмкости конденсатора обратной связи в интеграторе заряда (CF1 на рис. 2). Совместно лазерная и программная подстройки параметров позволяют варьировать чувствительность канала в пределах от 0,23 до 73,5 мВ/фФ, что соответствует эквивалентному изменению усиления от 1 до 312 В/В. Для самотестирования и самокалибровки микросхемы применяется встроенный 3-разрядный ЦАП. На рисунках 6 и 7 изображены ОУ, применяемый в интеграторе заряда, и 3-разрядный ЦАП для самотестирования микросхемы.


Операционный усилитель разработан с учётом обеспечения малых шумов и рассеиваемой мощности, большого коэффициента ослабления синфазного сигнала (КОСС) на высокой частоте и возможности работы на ёмкостную нагрузку. Транзисторы M1–M5 (см. рис. 6) образуют дифференциальный каскад, а p-канальные транзисторы M1, M2 с большим отношением ширины затвора к его длине (W/L) применены для уменьшения шума, который, в данной схеме, в основном определяется крутизной входных транзисторов. Высокое значение усиления без обратной связи обеспечивает выходной каскад M8–M11 с каскодно соединёнными МОП-транзисторами. Главный полюс разомкнутого ОУ определяется нагрузочным конденсатором, подключаемым к узлу OUT, что позволяет отказаться от дополнительных корректирующих цепей. Ёмкость нагрузки может изменяться в широком диапазоне, не вызывая самовозбуждения ОУ, при этом она эффективно перезаряжается выходным каскадом. ОУ потребляет менее 420 мВт при напряжении питания 5 В и скорости нарастания выходного напряжения около 1 В/мс на ёмкостной нагрузке 50 пФ.
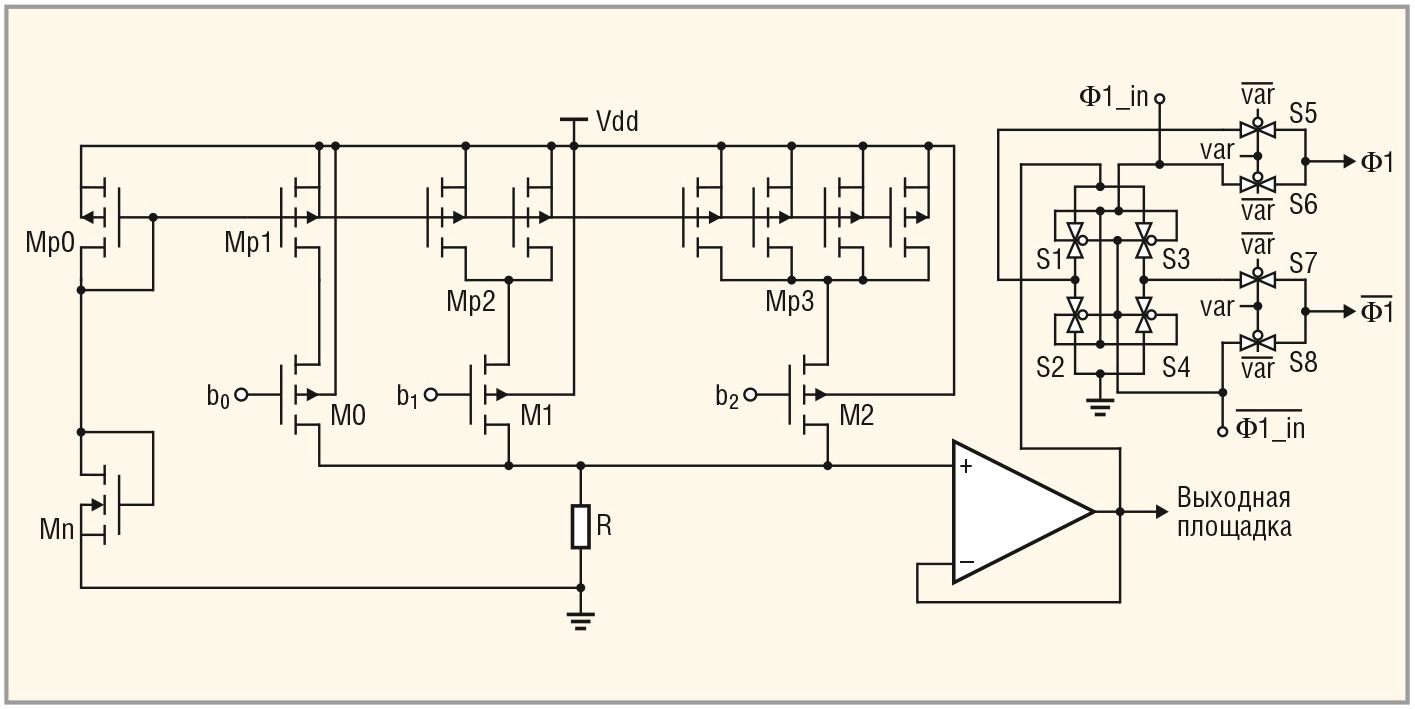
Цифроаналоговый преобразователь для самотестирования (см. рис. 7) состоит из трёх программно подключаемых источников тока MP0–MP3, задающих напряжение на поликремниевом нагрузочном резисторе R. Напряжение с нагрузочного резистора R через повторитель поступает на выходную площадку (output pad), а также модулирует амплитуду тактовых импульсов, которые управляют ёмкостным чувствительным элементом и опорным конденсатором. Основные параметры микросхемы ICS приведены в таблице 2.

ИС конфигурируемого интерфейса для систем с различными чувствительными элементами
Микросхема интерфейса MSIC (Multi-Sensor Interface Circuit) [4] разработана для обработки сигналов до 8 резистивных или ёмкостных чувствительных элементов с помощью совместно используемых конфигурируемых блоков. В микросхеме применён несбалансированный мост (non-balanced bridge), адаптированный для работы как с резистивными, так и ёмкостными чувствительными элементами, что позволило отказаться от подстройки внутрикристальных компонентов для балансировки моста. Совместно используемые предварительный усилитель, PGA и каскады обработки сигналов выполнены на переключаемых конденсаторах. Функция выборки/хранения реализована с помощью генератора тактовых сигналов без каких-либо дополнительных схем. Структурная схема ИС MSIC показана на рисунке 8.

Совместное использование почти всех схемных блоков для сигналов всех датчиков экономит площадь кристалла и потребляемую мощность. Только элементы ёмкостного и резистивного мостов, преобразующие дифференциальный входной сигнал в унифицированный однофазный сигнал, различны для резистивных и ёмкостных чувствительных элементов. Аналоговый мультиплексор подключает 8 параллельных входов ИС к ёмкостному или резистивному мосту. Упрощённая схема канала, включающая устройство обработки сигнала ёмкостного и резистивного чувствительного элементов и каскад с программируемым усилением, приведена на рисунке 9, где RSENSOR и CSENSOR описывают резистивный и ёмкостный чувствительные элементы, S1B и S1 – неперекрывающиеся комплементарные тактовые сигналы.

Путём передачи заряда выходные сигналы резистивного и ёмкостного мостов согласованы с усилителем с ёмкостной обратной связью, выполняющим преобразование заряда в напряжение. При этом выходное напряжение канала VOUT будет связано с параметрами чувствительных элементов соотношениями [4]
где CREF – ёмкость опорного внутрикристального конденсатора, Ci – ёмкость i-го конденсатора на рисунке 9, VDD – напряжение источника питания, RREF – сопротивление опорного резистора, Ri – сопротивление i-го резистора.
В процессе работы программируемые резисторы R1 и R2 грубо подстраиваются таким образом, чтобы уменьшить разность потенциалов между узлами A и B на рисунке 9 и за счёт этого уменьшить величину выходного напряжения канала VOUT до значений, допустимых для выходного каскада.
Для уменьшения погрешности обработки сигналов был предпринят ряд технологических мер, а именно: внутрикристальные переменные конденсаторы выполнены в виде матрицы базовых конденсаторов малой ёмкости, подключаемых КМОП-ключами для получения требуемого номинала; внутрикристальные переменные резисторы также выполнены в виде последовательного соединения базовых 400-омных резисторов; для коммутации базовых элементов использованы КМОП-ключи с сопротивлением во включённом состоянии около 50 Ом. Хотя технологический разброс параметров базовых элементов приводит к погрешности программирования требуемого номинала, самокалибровка микросхемы существенно повышает точность обработки сигнала.
Изготовленная по КМОП-технологии фирмы IBM микросхема MSIC характеризуется следующими параметрами:
- динамический диапазон предварительного усилителя и каскада усиления соответствует разрешению в 10 разрядов;
- совместно с 6-разрядным диапазоном подстройки элементов резистивного и ёмкостного мостов эквивалентное разрешение интерфейса превышает 16 разрядов;
- возможна обработка сигналов до 8 резистивных (с максимальным сопротивлением 100 кОм) или ёмкостных (с максимальной ёмкостью 32 пФ) чувствительных элементов в любой их комбинации;
- потребляемый ток 300 мкА при напряжении питания 1,8 В;
- размер кристалла составляет 0,53 × 0,75 мм при реализации интерфейса по КМОП-технологии с проектной нормой 0,18 мкм.
Аналого-цифровой интерфейс для датчиков
Микросхема MS-8 является однокристальной реализацией аналого-цифрового интерфейса [5], содержащего канал обработки сигналов ёмкостных чувствительных элементов и датчиков с выходным сигналом в виде напряжения и тока, температурный датчик, аналоговый мультиплексор, 12-разрядный АЦП и 8-разрядный микроконтроллер. Схема, изготовленная по стандартной КМОП-технологии с проектной нормой 0,35 мкм, занимает площадь кристалла, равную 3,8 × 4,1 мм.

На рисунке 10 приведена структурная схема ИС, на которой выделены аналоговые блоки. Аналоговый мультиплексор выбирает выход одной из буферных схем, соединённых с массивом датчиков с выходным сигналом в виде напряжения (потенциометрические химические датчики [6]), температурного датчика, интерфейса ёмкостного чувствительного элемента или интерфейса амперометрического химического датчика [6].
Выбранный канал подключается к PGA с пассивным ФНЧ, выходной сигнал которого поступает на 12-разрядный дельта-сигма и интегрирующий 16-разрядный ЦАП. Последний чувствителен к наводкам, приходящим по подложке от цифровой части кристалла, поэтому в MS-8 он применяется для изучения способов подавления внутрикристальных наводок. Кроме того, в аналоговую часть входит ИОН.
Интерфейс ёмкостного чувствительного элемента ИС MS-8 идентичен показанному на рисунке 2. Отличие заключается только в схеме ОУ (X1 на рис. 2) и способе подачи импульсов, перезаряжающих ёмкость чувствительного элемента и опорного конденсатора. ИС допускает использование различных опорных конденсаторов, в том числе внутрикристальной программируемой матрицы конденсаторов, внешнего конденсатора, комбинации внутренних и внешнего конденсаторов. Ёмкость внутренних конденсаторов программируется в диапазоне от 0,25 до 15 пФ с шагом 0,25 пФ. Для некоторых применений такого диапазона изменения опорного конденсатора недостаточно, поскольку его ёмкость должна быть максимально близкой к ёмкости чувствительного элемента, чтобы обеспечить работоспособность выходного каскада.

Включение амперометрического датчика с выходным токовым сигналом поясняет рисунок 11. Этот датчик обычно имеет три электрода: счётный (counter), опорный (reference) и рабочий (working). Подсхема, состоящая из ОУ, обозначенных 1 и 2, и резисторов R1 и R2, образует стабилизатор напряжения, который через обратную связь поддерживает значение напряжения, приложенного между опорным и счётным электродами, вне зависимости от тока, протекающего через датчик. Простой генератор, включающий ОУ 3 и внешний конденсатор CEXT, формирует треугольное напряжение питания датчика для выполнения циклического считывания вольтамперных характеристик.
Для других типов амперометрических датчиков потребитель может программным путём остановить эти импульсы и подать на датчик внешнее питающее напряжение произвольной формы. Считывание токового сигнала осуществляется с рабочего электрода с помощью трансимпедансного усилителя, осуществляющего преобразование тока в напряжение с коэффициентом преобразования, программируемым изменением сопротивления резистора RF.
В большой степени параметры аналогового канала определяются характеристиками основного универсального блока – ОУ. Так как в некоторых случаях этот ОУ должен управлять внешней нагрузкой, то он разработан для работы на ёмкостную нагрузку до 200 пФ. Другой особенностью ОУ, показанного на рисунке 12, является сохранение работоспособности при входном и выходном напряжении, близком к напряжению питания [7].

Транзисторы M30–M32 обеспечивают постоянную крутизну входного каскада gMI при изменении входного синфазного сигнала, стабилизируя сумму токов двух дифференциальных каскадов (M1–M4). Стабилизация gMI уменьшает искажения сигнала и упрощает выполнение частотной коррекции с использованием эффекта Миллера без увеличения площади кристалла, занимаемой конденсаторами, и потребляемой мощности. Входные транзисторы (M1–M4) и выходной каскад (M25, M26) работают в режиме слабой инверсии, что позволяет уменьшить уровень шума, приведённого к входу, напряжение смещения и увеличить крутизну входного и выходного каскада при заданном уровне тока. Транзисторы M19–M24 обеспечивают работу выходного каскада в классе AB для уменьшения потребляемой мощности. Основные параметры ОУ приведены в таблице 3.

Поскольку ОУ должен управлять внешней нагрузкой, то выходной каскад потребляет почти 70% всей мощности и имеет большой запас фазы на частоте единичного усиления при нагрузке 2 кОм||200 пФ. Этот ОУ применён во всех устройствах аналогового канала, но так как ёмкость нагрузки внутри ИС намного меньше, то в будущих изделиях целесообразно применять несколько модификаций ОУ, в том числе с меньшей нагрузочной способностью, но и меньшей потребляемой мощностью и занимаемой площадью кристалла. Основные параметры микросхемы MS-8 приведены в таблице 4.

Выводы
Современные специализированные интерфейсы для микроэлектронных систем всё чаще проектируют в виде функционально-завершённых блоков – IP-компонентов. При этом разработчики стремятся сделать IP-компоненты максимально универсальными, занимающими минимальную площадь кристалла, рассеивающими минимальную мощность, допускающими программирование как структуры, так и основных параметров в широком диапазоне значений.
Большинство из рассмотренных выше микроэлектронных интерфейсов выполнено в виде КМОП-схем на переключаемых конденсаторах и предназначено для возбуждения и обработки сигналов резистивных и ёмкостных чувствительных элементов. Аналоговые каналы интерфейсов включают входной мультиплексор, подключающий выбранный чувствительный элемент в плечо моста, усилитель с программируемым усилением, УВХ и АЦП. Для балансировки мостов применяются как внутрикристальные, так и внешние опорные элементы. Высокое разрешение аналогового канала обеспечивает совместное использование усилителей с широким динамическим диапазоном, многоразрядной установки усиления и многоступенчатой подстройки опорных элементов моста.
Требование к универсальности IP-компонентов часто приводит к ухудшению электрических параметров специализированных интерфейсов. Так, для минимизации площади кристалла и потребляемой мощности в большинстве случаев осуществляют обработку однофазного сигнала, что приводит к росту чувствительности характеристик ИС, к изменению температуры, проникающей радиации и разбросу параметров интегральных элементов, а также повышению уровня синфазных помех и наводок, и делает невозможной обработку сигналов удалённых датчиков.
Изготовление IP-компонентов по наиболее распространённым КМОП-технологиям затрудняет реализацию прецизионных аналоговых устройств [8], а проектирование КМОП-схем на переключаемых конденсаторах осложнено известными недостатками аналоговых устройств этого класса: уменьшением динамического диапазона из-за инжекции заряда в МОП-ключах и необходимостью ограничения спектра входного сигнала для ослабления составляющих, которые отстоят по частоте от тактового сигнала fCLK на величину, равную полосе пропускания аналогового устройства [9]. Кроме «белого» и фликкер-шума, схемы на переключаемых конденсаторах имеют дополнительные составляющие погрешности, в том числе флуктуации напряжения смещения (низкочастотный шум, обратно пропорциональный fCLK) и просачивание тактового сигнала через паразитные элементы, прямо пропорциональное fCLK [9].
Несмотря на указанные особенности, специализированные интерфейсы в виде IP-компонентов использованы в ряде микросенсорных устройств для обработки сигналов локальных датчиков.
Литература
- J. Zhang, K. Zhang, Z. Wang, A. Mason. A Universal Micro-Sensor Interface Chip with Network Communication Bus and Highly Programmable Sensor Readout. Circuits and Systems, 2002. MWSCAS-2002. The 2002 45th Midwest Symposium on Date of Conference, 4–7 Aug. 2002, Volume 2, р. 246–249. (http://www.egr.msu.edu/~mason/pubs/umsi_mwscas2002.pdf)
- A. Mason, N. Yazdi, J. Zhang, Z. Sainudeen. A Modular Sensor Microsystem Utilizing a Universal Interface Circuit. Circuits and Systems, Proceedings of the 2003 International Symposium on Date of Conference, 25-28 May 2003. Volume 3., р. 926–929.
- N. Yazdi, A. Mason, K. Najafi, K. D. Wise. A generic interface chip for capacitive sensors in low-power multi-parameter Micro-systems. Sensors and Actuators 84 (2000), р. 351–361.
- C. Yang, A. Mason, J. Xi, P. Zhong. Configurable Hardware-Efficient Interface Circuit for Multi-Sensor Microsystems. IEEE SENSORS 2006, October 22–25, 2006, р. 41–44.
- Keith L. Kraver, Matthew R. Gut-haus, Timothy D. Strong, Peter L. Bird, Geun Sig Cha, Wolfgang Hld, Richard B. Brown. A mixed-signal sensor interface microinstrument. Sensors and Actuators A91 (2001), р. 266–277.
- Дж. Фрайден, Современные датчики: Справочник. Техно-сфера, 2005.
- Ron Hogervors. Johan Huijsing. Design of Low-Voltage, Low-Power Operational Amplifier Cells. Springer, 1996.
- Абрамов И.И. Проектирование аналоговых микросхем для прецизионных измерительных систем. Минск, 2006.
- Using the Anadigm FPAA to Interface With Sensors – Technical Considerations. С. 29. (http://www.anadigm.com.com/_apps/PR030600-0033.pdf)
© СТА-ПРЕСС
Если вам понравился материал, кликните значок - вы поможете нам узнать, каким статьям и новостям следует отдавать предпочтение. Если вы хотите обсудить материал - не стесняйтесь оставлять свои комментарии : возможно, они будут полезны другим нашим читателям!

