Почему унифицированный токовый сигнал 4…20 мА?
Унифицированные сигналы применяются не только для связи с первичными датчиками, но и для связи между собой других устройств промышленной автоматики: регистраторов, регуляторов, контроллеров и исполнительных устройств. Среди стандартных сигналов наиболее удобным и популярным является токовый сигнал 4…20 мА.Широкое распространение токового унифицированного сигнала 4…20 мА объясняется следующими причинами:
- на передачу токовых сигналов не оказывает влияния сопротивление соединительных проводов, поэтому требования к диаметру и длине соединительных проводов (а значит, и к стоимости) снижаются;
- токовый сигнал работает на низкоомную (по сравнению с сопротивлением источника сигнала) нагрузку, поэтому наведённые электромагнитные помехи в токовых цепях малы по сравнению с аналогичными цепями, в которых используются сигналы напряжения;
- обрыв линии передачи токового сигнала 4…20 мА однозначно и легко определяется измерительными системами по нулевому уровню тока в цепи (в нормальных условиях он должен быть не меньше 4 мА);
- токовый сигнал 4…20 мА позволяет не только передавать полезный информационный сигнал, но и обеспечивать электропитание современных датчиков;
- сигнал 4…20 мА позволяет применять HART-протокол для двунаправленной передачи цифровых сигналов.
Задача гальванической развязки сигнала 4…20 мА
Гальваническая развязка – это передача сигнала между цепями без непосредственного электрического контакта. Для информационных сигналов чаще всего применяют индуктивную, ёмкостную и оптоэлектронную развязки. Когда требуется передавать и энергию – применяется индуктивная (она же трансформаторная) развязка.Существуют две основные проблемы, две задачи, когда в системе автоматизации необходимо применять гальваническую развязку.
Первая задача – это использование в многоканальной системе различных источников сигналов, которые не изолированы и находятся под разными потенциалами. Например, при измерении действующих значений в сети сигнал заведомо является высоковольтным.
Даже заземлённые источники, расположенные на некотором удалении друг от друга, подвержены воздействию электромагнитных наводок и токов утечки от силовых цепей, создающих между ними разность потенциалов. Наличие данных потенциалов обусловлено электромагнитными наводками и токами утечки от силовых цепей (рис. 1).

Эта проблема особенно актуальна в энергоёмких промышленных условиях. Даже при наличии групповой развязки в многоканальной системе отсутствие поканальной гальванической развязки также может вывести из строя измерительную систему из-за разности потенциалов между каналами.
Решение – поставить модуль гальванической изоляции в каждую сигнальную линию (рис. 2).

Вторая задача – повышение устойчивости системы к воздействию высокочастотных электромагнитных помех. Система может подвергаться помехам, которые вызваны короткими импульсами тока в силовых цепях. Например, такие импульсы могут возникать при работе сварочных аппаратов, индукторов, частотных преобразователей, тиристорных и электромагнитных коммутаторов, а также при грозовых разрядах. Линии связи выступают в роли антенн.
Помехи могут достигать уровня единиц и десятков вольт и значительно превышать уровень полезного сигнала (рис. 3). Высокоамплитудные импульсы могут вывести из строя измерительные системы. Кроме того, этот электромагнитный «мусор» смешивается с полезным измеренным сигналом и искажает полученную информацию.

В этом случае гальваническая развязка не только предохраняет измерительные цепи от разрушения из-за воздействия таких высокочастотных помех, но и повышает качество полезного сигнала (рис. 4).

Итак, гальваническая развязка необходима при измерении практически всех видов сигналов, особенно если линии связи длинные.
Модули гальванической развязки: обзор, сравнение и выбор
Для решения задач гальванической развязки удобно применять специализированные приборы – модули (блоки) гальванической развязки.Обсудим различные типы таких приборов на примере номенклатуры научно-производственной фирмы «КонтрАвт» – известного нижегородского разработчика и производителя средств автоматизации технологических процессов.
НПФ «КонтрАвт» предлагает несколько групп приборов, специально предназначенных для гальванического разделения сигналов 4…20 мА, причём как в общепромышленном, так взрывозащищённом исполнении (рис. 5).

В первую группу входят одно-, двух- и четырёхканальные модули гальванического разделения токовой петли НПСИ-200-ГРТПх, которые преобразуют и гальванически развязывают активный сигнал 4…20 мА на входе модуля в такой же активный сигнал 4…20 мА на выходе.
Одноканальный преобразователь размещён в малогабаритном узком корпусе шириной всего 8,5 мм (габариты 91,5×62,5×8,5 мм), двухканальный и четырёхканальный – в корпусе шириной 22,5 мм (габариты 115×105×22,5 мм).
Некоторые важные характеристики данных модулей приведены на рис. 6.

Эта группа приборов характеризуется тем, что сами модули запитываются от входного сигнала и дополнительный источник питания не требуется. Поэтому решение на базе разделителей токовой петли НПСИ-200-ГРТПх является весьма экономичным. Варианты подключения к источникам активных и пассивных сигналов показаны на рис. 7. В последнем случае требуется дополнительный источник питания. Таким образом, модуль развязки по сути является трансформатором постоянного тока.

В связи с этим параметры нагрузки в выходной цепи определяют требования к источнику сигнала на входе. Источник сигнала должен обеспечивать на входе модуля напряжение не менее чем: UВХ = 1,7 В + IВХ × RНАГР. Это минимальное напряжение на входе, необходимое для работы прибора.
В многоканальных модификациях НПСИ200-ГРПТ2 и НПСИ-200-ГРТП4 все каналы полностью не связаны между собой. С этой точки зрения работоспособность одного из каналов никак не влияет на работу других каналов.
Применение многоканальных преобразователей НПСИ-200-ГРТП2 и НПСИ-200-ГРТП4 снижает цену канала по сравнению с одноканальным НПСИ-200-ГРТП1.
Компактные модули гальванической развязки НПСИ-200-ГРТПх экономичны, а также обладают высокой линейностью и температурной стабильностью преобразования. Несмотря на это, научно-производственная фирма «КонтрАвт» дополнительно предлагает для гальванической развязки сигнала 4…20 мА и другие модели модулей.
Дело в том, что, как мы уже сказали, НПСИ-200-ГРТПх работает исключительно с активными входными сигналами. Он транслирует 1 в 1 активный сигнал 4…20 мА на входе в такой же активный сигнал на выходе, однако не может работать с пассивными сигналами, поскольку не обеспечивает питание датчика.
Кроме того, модуль НПСИ-200-ГРТПх для своего питания использует энергию входного активного сигнала 4…20 мА, и эту же энергию он трансформирует в выходной сигнал. С одной стороны, это большое преимущество такого решения, поскольку не требуется дополнительное питание для самого модуля. Но, с другой стороны, нагрузка на выходе модуля полностью переносится на источник сигнала.
При больших сопротивлениях нагрузки (свыше 500 Ом) это налагает дополнительные условия на выходное напряжение источника сигнала: UВХ = 1,7 В + 22 мА × RНАГР.
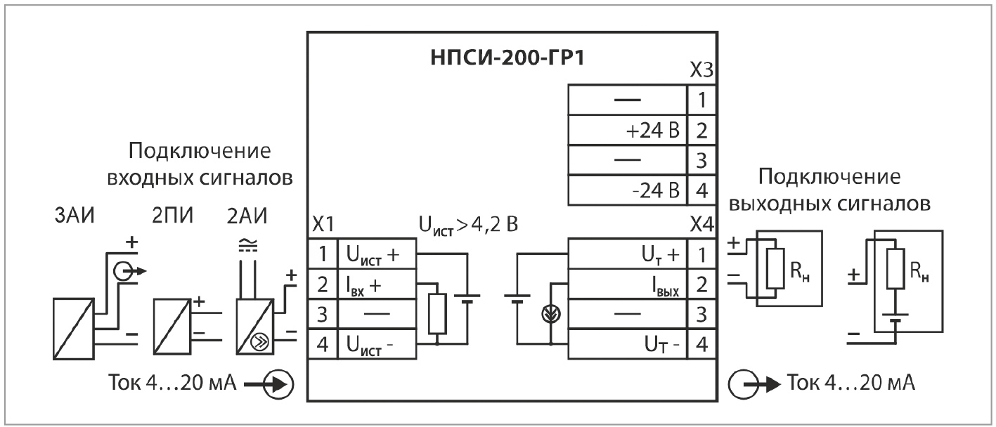
Иное решение задачи гальванической развязки тока 4…20 мА предлагает другая группа приборов – модули гальванической развязки НПСИ-200-ГР1 для одного канала и НПСИ-200-ГР2 для двух каналов (рис. 8).

У данной другой группы модулей имеется встроенный блок питания в каждом канале, который позволяет работать не только с активными, но и с пассивными источниками сигнала без применения дополнительных блоков питания.
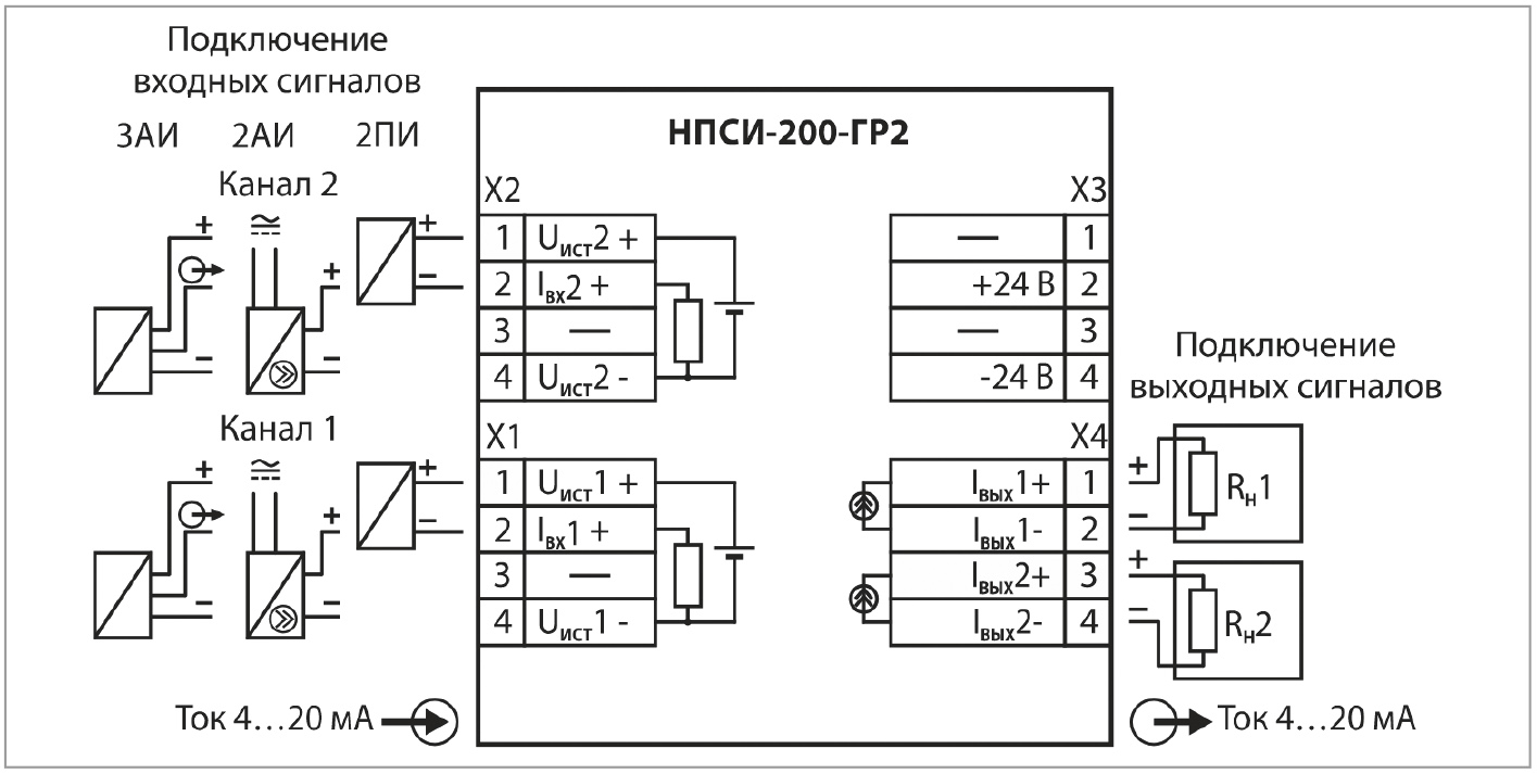
При этом одноканальный преобразователь НПСИ 200 ГР1 на выходе формирует либо активный сигнал, либо пассивный, а НПСИ 200 ГР2 – только активный. Эти возможности подключения входных и выходных сигналов иллюстрируют схемы подключения на рис. 9 и 10. На рисунках 9 и 10: 2 ПИ – источник сигнала с пассивным выходом с двухпроводной схемой подключения; 2 АИ – источник сигнала с активным выходом с двухпроводной схемой подключения; 3 АИ – источник сигнала с активным выходом с трёхпроводной схемой подключения.


Обратим внимание на то, что для одноканальной модификации НПСИ-200-ГР1 существует возможность формирования не только активного сигнала на выходе, но и пассивного для измерительных систем с активным входом. Подключения входных сигналов у двухканальной модификации НПСИ-200-ГР2 аналогичны одноканальной, однако на выходе формируются только активные сигналы.
Применение двухканальных модулей НПСИ-200-ГР2 снижает цену канала по сравнению с одноканальным НПСИ-200-ГР1, а также позволяет сэкономить место в шкафу управления.
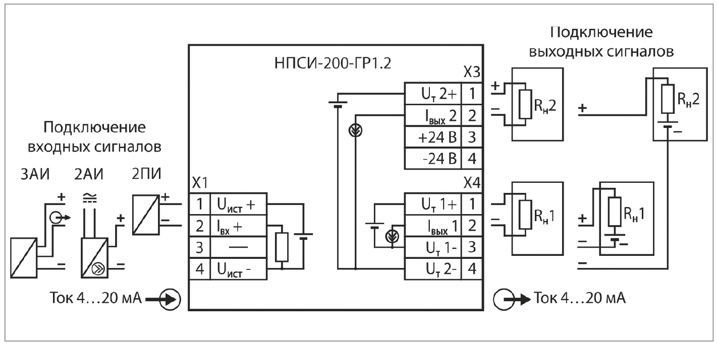
Для решения задачи не только гальванического разделения цепей, но и разветвления сигнала «1 в N» НПФ «КонтрАвт» предлагает отдельный специализированный прибор – разветвитель токового сигнала 4…20 мА НПСИ-200-ГР1.2 (рис. 11). Прибор имеет один вход для приёма сигнала и два выхода, гальванически изолированных от входа, питания и между собой.

Напряжение гальванической изоляции между всеми цепями составляет 1500 В. Источники сигнала могут быть как активными, так и пассивными. Так же, как и одноканальный прибор НПСИ-200-ГР1, разветвитель НПСИ-200-ГР1.2 формирует на выходе и активные, и пассивные сигналы 4…20 мА.
Варианты подключения источника сигнала по двух- и трёхпроводным схемам для активных и пассивных источников приведены на рис. 12.

Если выход используется как активный, то дополнительный источник питания выходной цепи не требуется. При необходимости источник сигнала может быть запитан от встроенного в преобразователь источника напряжения 24 В (25 мА). Выше представлена таблица основных характеристик описанных модулей гальванической развязки сигнала 4…20 мА в общепромышленном исполнении.
Надеемся, что представленная информация поможет выбрать необходимое решение для конкретной технической задачи.●
НПФ «КонтрАвт», г. Нижний Новгород
Телефон: +7 (831) 260‐1308
E‐mail: sales@contravt.ru
www.contravt.ru
© СТА-ПРЕСС, 2026
Если вам понравился материал, кликните значок — вы поможете нам узнать, каким статьям и новостям следует отдавать предпочтение. Если вы хотите обсудить материал —не стесняйтесь оставлять свои комментарии : возможно, они будут полезны другим нашим читателям!

