Общие сведения
В современных системах дистанционного управления (ДУ) телевизионной и другой аппаратурой в основном используют фотоприёмники с определённой несущей частотой. Такой ИК-приёмник ДУ должен восстанавливать данные с двухфазным кодированием, он должен реагировать на большие быстрые изменения уровня сигнала независимо от помех. Ширина импульсов на выходе приёмника должна отличаться от номинальной не более чем на 10%. Приёмник должен быть нечувствительным к постоянным внешним засветкам. Удовлетворить всем этим требованиям достаточно непросто.
В последнее время большое распространение получили трёхвыводные интегральные приёмники ИК ДУ.
В одном корпусе они объединяют фотодиод, предусилитель и формирователь. На выходе формируется обычный ТТЛ-сигнал без заполнения 36 КГц, пригодный для дальнейшей обработки цифровыми ИМС. Такие приёмники производятся многими фирмами, это SFH-506 фирмы Siemens, ТSOP1736 фирмы Vishay, TFMS5360 фирмы Temic, ILM5360 производства НПО «Интеграл» и другие. Существует несколько стандартов (протоколов) ДУ, к примеру RC-5, которые отличаются, в частности, частотой заполнения, также существуют интегральные приёмники для разных частот. Для работы с кодом RC-5 следует выбирать модели, рассчитанные на частоту заполнения 36 кГц. Интегральные приёмники весьма чувствительны к помехам по питанию, поэтому всегда рекомендуется применять фильтры, например, RC.
Для управления автоматом можно использовать пульты от различных телевизоров и другой аппаратуры, главное, чтобы был использован фотоприёмник того же стандарта (протокола), что и передатчик. Каждая команда, посланная пультом, состоит из модулированных импульсов, эквивалентная (средняя) частота которых лежит в пределах 300–1000 Гц. Когда эти посылки принимает фотоприёмник, на его выходе появляются отрицательные импульсы. В отсутствие приёма на выходе фотоприёмника — логическая единица.
Схема электрическая и принцип работы
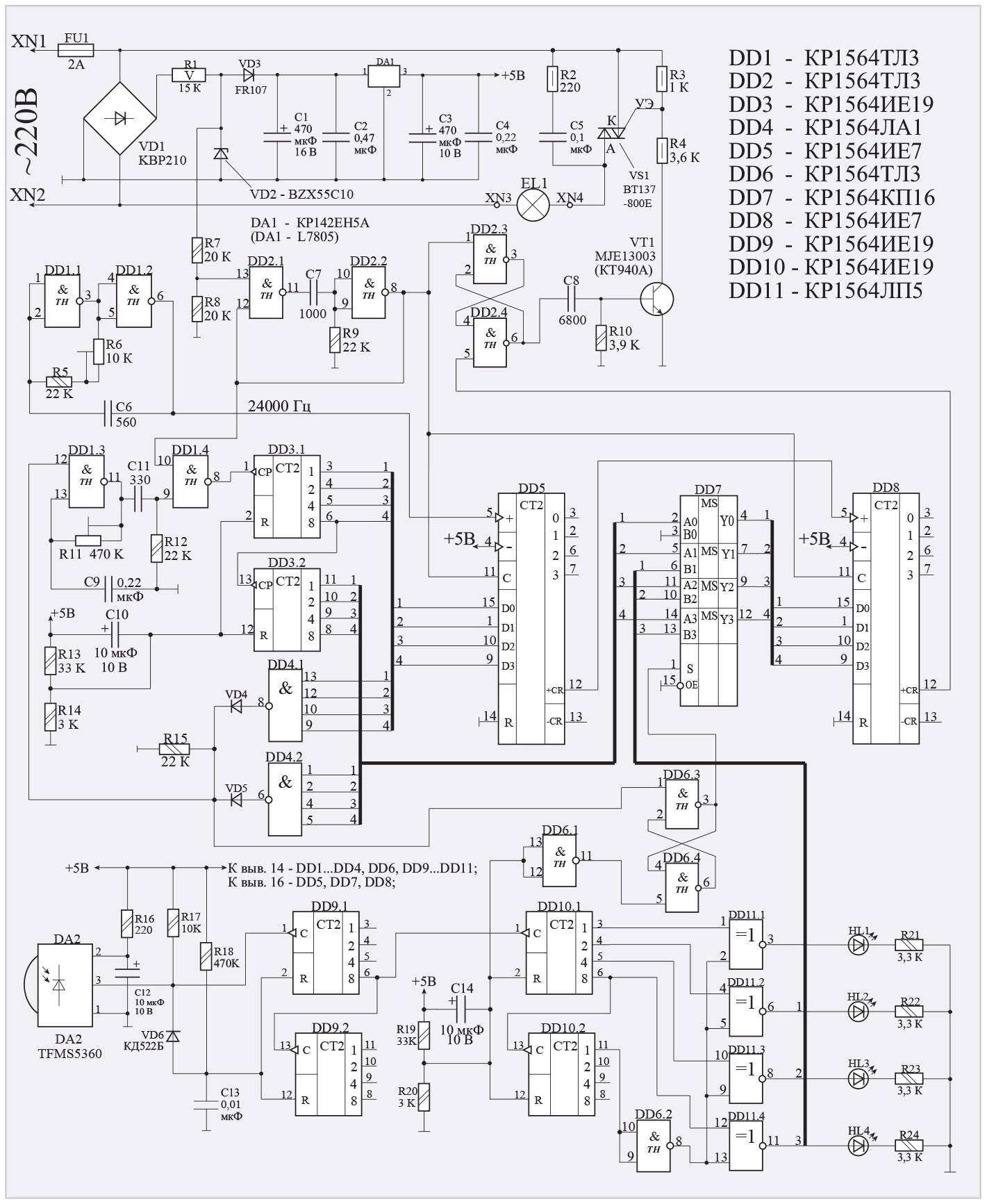
Схема электрическая принципиальная автомата показана на рис. 1.
Функционально автомат состоит из четырёх частей: 1) блока питания; 2) фазоимпульсного регулятора мощности; 3) RS-триггера режима работы; 4) формирователя управляющих кодов яркости лампы накаливания.
Блок питания содержит:
- параметрический стабилизатор на элементах R1, VD1, VD2,
- интегральный стабилизатор DA1 напряжения «5В» и
- конденсаторы фильтра C1…C4.
Фазоимпульсный регулятор мощности содержит:
- задающий НЧ-генератор на триггере Шмитта DD1.3;
- одновибратор-схему выделения моментов перехода сетевого напряжения через ноль на элементах DD2.1, DD2.2;
- RS-триггер управления симистором на элементах DD2.3, DD2.4;
- усилительный каскад на транзисторе VT1;
- ВЧ-генератор прямоугольных импульсов на элементах DD1.1, DD1.2;
- схему формирования кодовых комбинаций уровня яркости, в состав которой входят счётчики DD3.1, DD3.2, логические элементы DD4.1 и DD4.2, а также реверсивные счётчики-формирователи угла сдвига DD5 и DD8.
RS-триггер режимов работы состоит из элементов DD6.3 и DD6.4. Формирователь управляющих кодов лампы накаливания состоит из счётчиков DD9.1, DD9.2, DD10.1, DD10.2, инвертора DD6.2, элементов «ИСКЛЮЧАЮЩЕЕ ИЛИ» DD11.1…DD11.4.
Функции элемента задержки, исключающего чрезмерно быстрое изменение яркости, выполняет счётчик DD9.1. Он делит частоту импульсов принимаемого сигнала на 16 таким образом, что 16 входным импульсам ИК-излучения на входе фотоприёмника соответствует один выходной импульс счётчика. Поэтому для полного прохождения изменения яркости от нуля до максимума и обратно необходимо удерживать кнопку пульта нажатой несколько секунд.
Для того чтобы не происходило переключение счётчика DD9.1 от накопления вследствие многократного использования пульта ДУ в процессе управления телевизором, здесь имеется схема на диоде VD6, конденсаторе С13 и резисторе R18. Эта схема обнуляет счётчик DD9.1 через некоторое время после отпускания кнопки пульта ДУ. Когда пультом не пользуются, на выходе фотоприёмника DA2 формируется логическая единица. Диод VD6 закрыт, и конденсатор C13 заряжен через резистор R18 до напряжения логической единицы. Счётчик DD9.1 обнулён. При приёме сигнала от пульта на выходе фотоприёмника DA2 возникают импульсы, первый же из которых разряжает конденсатор C13 через диод VD6 и внутренний ключевой транзистор фотоприёмника DA2. В паузах между импульсами С13 не успевает зарядиться через R18, поэтому, пока идёт приём сигнала от пульта, на выводе 2 счётчика DD9.1 поддерживается логический ноль. После прекращения подачи сигнала с пульта диод VD6 закрывается, и конденсатор C13 быстро заряжается через R18. Как только напряжение на С13 достигнет уровня логической единицы, счётчик DD9.1 обнуляется.
Далее счётные импульсы с выхода DD9.1 поступают на вход счётчика DD10.1, а затем DD10.2, которые совместно с элементом DD6.2, а также DD11.1…DD11.4 типа «ИСКЛЮЧАЮЩЕЕ ИЛИ» образуют схему формирования управляющих двоичных кодовых комбинаций, каждая из которых соответствует определённому уровню яркости лампы накаливания. Двоичная комбинация отображается светодиодной линейкой HL1…HL4 и поступает на двоичные входы предустановки реверсивных счётчиков DD5 и DD8, причём на входы счётчика DD8 — через мультиплексор DD7.
Сущность фазоимпульсного метода [1] управления яркостью заключается в изменении времени задержки открывания симистора, считая с момента перехода сетевым напряжением нулевого значения. Чем больше время задержки, тем больше времени симистор находится в закрытом состоянии, тем меньше яркость, и наоборот, чем раньше открывается симистор, тем больше яркость лампы накаливания.
В начальный момент при включении питания устанавливается режим плавного увеличения яркости от нуля до максимума в 256 ступеней благодаря установке RS-триггера на элементах DD6.3-DD6.4 в условное нулевое состояние. При этом уровень лог. «0» с выхода элемента DD6.3, воздействуя на вход «S» (вывод 1) мультиплексора DD7, подключает к его выходам входные линии A0…A3, а значит, выходы счётчика DD3.2.
Рассмотрим работу автомата, считая с момента перехода напряжением сети нулевого значения. При этом ток через стабилитрон VD2 уменьшается до нуля, и на его катоде формируется отрицательный импульс пилообразной формы амплитудой 10 В. Этот импульс через делитель R7-R8 поступает на вход одновибратора на элементах DD2.1, DD2.2, который формирует из него стабильный по длительности, но уже прямоугольный отрицательный импульс. Этот импульс устанавливает RS-триггер на элементах DD2.3 и DD2.4 в исходное состояние и одновременно обеспечивает загрузку двоичной комбинации с выходов счётчиков DD3.1 и DD3.2 в собственные двоичные разряды счётчиков DD5 и DD8. По входам «D0…D3» счётчиков DD5 и DD8 будет записана комбинация «00000000», так как счётчики DD3.1 и DD3.2 были установлены при включении питания в нулевое состояние благодаря цепочке C10-R14.
Благодаря выходным импульсам генератора (DD1.1, DD1.2), поступающим на вход суммирования (вывод 5) счётчика DD5, происходит увеличение его состояния, а вслед за ним и DD8, и как только второй из них (DD8) достигнет пятнадцатого состояния, то следующий отрицательный импульс на его суммирующем входе вызовет появление на его выходе переноса «+CR» (вывод 12) короткого отрицательного импульса и переброс RS-триггера на элементах DD2.3 и DD2.4 в противоположное состояние. Теперь на нижнем по схеме выходе RS-триггера (выводе 6 элемента DD2.4) появится положительный перепад, который после ограничения по длительности дифференцирующей цепочкой C8-R10 вызовет кратковременное открывание транзистора VT1 и включение симистора VS1. Лампа окажется подключённой к сети и будет светиться с минимальной яркостью. Симистор будет находиться во включённом состоянии до следующего момента перехода сетевым напряжением нулевого значения. Этот процесс будет повторяться с удвоенной частотой сети, т.е. с частотой 100 Гц.
В таком режиме автомат будет работать до момента поступления очередного счётного импульса на вход счётчика DD3.1. Очередной счётный импульс с выхода генератора на элементе DD1.3 увеличивает состояние счётчика DD3.1 на единицу, а отрицательным импульсом с выхода одновибратора (DD2.1 и DD2.2) производится запись двоичной комбинации в счётчики DD5 и DD8, что приводит к увеличению яркости лампы накаливания на 0,4%. Теперь в собственные двоичные разряды счётчиков DD5 и DD8 загружается двоичный код «00000001» и так далее по возрастанию, что приводит к увеличению яркости лампы накаливания с шагом 0,4%. Таким образом, будет происходить постепенное увеличение среднего значения тока, а значит, и яркости от 0 почти до 100%. При достижении счётчиками DD3.1 и DD3.2 пятнадцатых состояний на выходах элементов DD4.1 и DD4.2 сформируются уровни лог. «0», которые через диоды VD4 и VD5 заблокируют работу генератора на триггере Шмитта DD1.3. Счётчики DD3.1 и DD3.2 останутся в неизменном пятнадцатом состоянии. Теперь яркость лампы накаливания будет соответствовать максимальному значению почти 100%.
Одновременно уровень лог. «0» с катодов диодов VD4 и VD5 воздействует на верхний по схеме вход RS-триггера на элементах DD6.3 и DD6.4 и устанавливает его в единичное состояние. При этом уровень лог. «1» с выхода элемента DD6.3, воздействуя на вход «S» (вывод 1) мультиплексора DD7, подключает к его выходам входные линии B0…B3. Таким образом, к входам счётчика DD8 оказываются подключёнными выходы логических элементов «ИСКЛЮЧАЮЩЕЕ ИЛИ» DD11.2…DD11.4. Автомат переходит в режим регулировки яркости в 16 ступеней «по кругу», сначала по убыванию (8 ступеней), а потом по возрастанию (также 8 ступеней). Регулировка яркости производится с дискретностью 12,5 %.
Конструкция и детали
Автомат собран на печатной плате (рис. 2) из двустороннего фольгированного стеклотекстолита толщиной 1,5 мм размерами 100××150 мм.
В устройстве применены постоянные резисторы типа МЛТ-0,125, SQP (R1), C2-33-0,5 (R2…R4), подстроечные СП3-38б в горизонтальном исполнении, конденсаторы неполярные — типа К73-17 (С5), К10-17 – остальные, оксидные — К50-35 или импортные. Стабилитрон VD2 — обязательно с напряжением стабилизации 10 В — может быть типа BZX55C10, BZX85C10, КС510А, Д814В или аналогичный, диод VD3 — кремниевый средней мощности. Светодиоды использованы сверхъяркие четырёх разных цветов диаметром 5 мм — красный (HL1), зелёный (HL2), жёлтый (HL3) и синий (HL4). Они нужны только в процессе настройки. Все ИМС серии КР1564 заменимы на соответствующие аналоги серии КР1554 или импортные 74HCxx, а также 74ACxx. Симисторы могут быть из серий BT137, BT138, BT139 с минимально допустимым рабочим напряжением не менее 400 В. При использовании указанных четырёхквадрантных симисторов параллельно силовым электродам подключается демпферная цепочка, состоящая из последовательно включённых металлоплёночного конденсатора типа К73-17 ёмкостью 0,1 мкФ на напряжение 400 В и резистора мощностью 0,5 Вт сопротивлением 220 Ом. Демпферная цепочка необходима для предотвращения ложных срабатываний симистора при включении автомата. Возможно также применение трёхквадрантных симисторов типа ВТА208, BTA216 и аналогичных. При этом в установке демпферной цепочки нет необходимости. При мощности лампы накаливания (группы ламп) до 150 Вт симистор на дополнительный теплоотвод не устанавливается. В качестве теплоотвода служит сама печатная плата. Симистор фиксируется на плате с помощью винтового соединения. Для этого на плате предусмотрено отверстие диаметром 3 мм. Интегральный стабилизатор применён типа КР142ЕН5А (L7805).
Настройка
Настройка автомата заключается в установке необходимой скорости нарастания яркости от нуля до максимума при первом включении подстроечным резистором R11 и частоты задающего ВЧ-генератора резистором R6 около 24 кГц. Сделать это можно визуально наблюдением изменения яркости от нуля до максимума в течение 3…5 секунд при первом включении автомата в сеть. Частоту ВЧ-генератора также можно установить визуально подстроечным резистором R6. Для этого после включения лампы накаливания на максимум любой кнопкой пульта устанавливают нулевую кодовую комбинацию на выходах элементов «ИСКЛЮЧАЮЩЕЕ ИЛИ» DD11.1…DD11.4 (светодиоды HL1…HL4 при этом должны быть погашены). Затем подстроечным резистором R6 добиваются полного погасания лампы накаливания или её минимального уровня яркости на грани выключения. На этом настройка завершена. Автомат готов к работе.
Заключение
В заключение следует напомнить о соблюдении правил техники безопасности. Конструкция не имеет гальванической развязки от сети переменного тока! Все элементы находятся под напряжением ~220 В! При настройке устройства необходимо использовать отвёртку с ручкой из изоляционного материала.
Литература
- Одинец А.Л. Цифровые автоматы защиты лампы накаливания с фазоимпульсным и ШИМ-управлением // Современная электроника. 2016. № 8.
Если вам понравился материал, кликните значок — вы поможете нам узнать, каким статьям и новостям следует отдавать предпочтение. Если вы хотите обсудить материал —не стесняйтесь оставлять свои комментарии : возможно, они будут полезны другим нашим читателям!

