Электронные устройства или, как теперь говорят, гаджеты с автономным низковольтным питанием от малогабаритных химических элементов или аккумуляторов давно и прочно вошли в наш быт и нашу жизнь. Это произошло уже во второй половине прошлого века и было связано с появлением карманных радиоприёмников, а точнее, с массовым производством полупроводниковых приборов и микросхем. Во время работы таких устройств желателен контроль напряжения источника питания, поскольку полный разряд химических элементов или аккумуляторов при отсутствии контроля может застать врасплох в самый неподходящий момент даже при возможности их оперативной замены. К сожалению, до сих пор контроль напряжения встраивают не во все гаджеты. Причины, скорее всего, скрываются в удешевлении их производства, проще говоря, в жадности производителей.
А ведь было бы весьма удобно и полезно получать сигнал предупреждения о понижении контролируемого напряжения питания. Во-первых, гаджет при этом некоторое время продолжает работать, и можно выбрать удобный момент для замены элементов питания или постановки АКБ на заряд. Во-вторых, известно, что разряд аккумуляторов ниже определённого уровня губительно сказывается на сроке их службы.
У автора уже более десяти лет находится в эксплуатации беспроводная клавиатура модели GL-6 фирмы A4Teach. Она питается от АКБ из двух малогабаритных Ni-MH аккумуляторов типоразмера ААА, поэтому для контроля напряжения на АКБ был разработан несложный в повторении индикатор разряда, выполненный в виде автономного блока. Он установлен в корпусе клавиатуры.
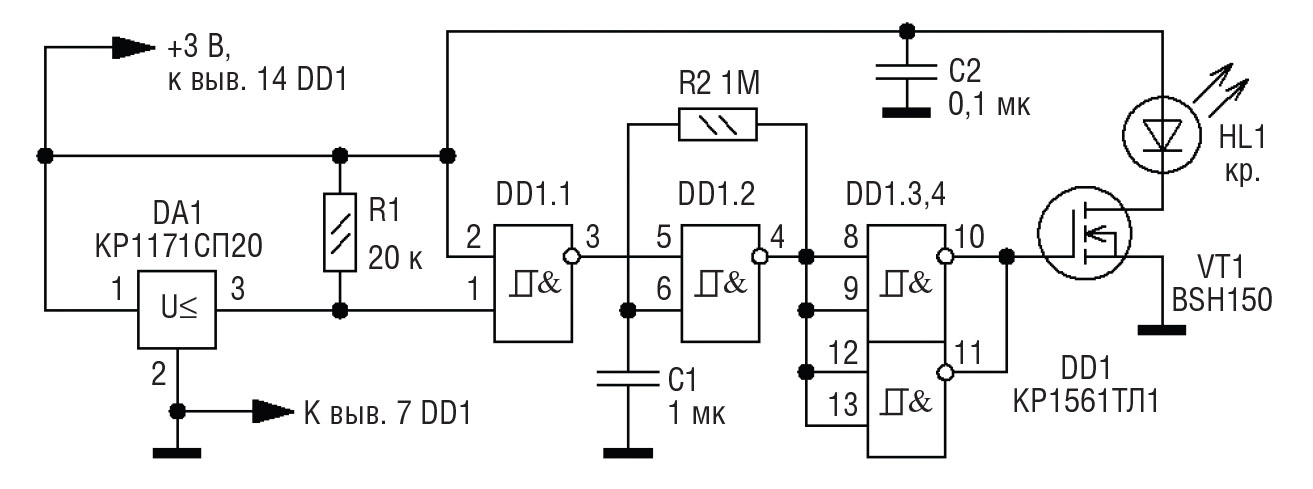
Принципиальная схема индикатора приведена на рис. 1.
На микросхеме DA1 КР1171СП20 и резисторе R1 собран детектор понижения напряжения [1]. Такие детекторы называют также супервизорами питания, и они выпускаются на различные напряжения срабатывания. При напряжении питания более 2 В ток в выходной цепи детектора КР1171СП20 равен нулю. На выходе элемента DD1.1 присутствует низкий логический уровень, поэтому работа генератора импульсов на элементах DD1.2, C1, R2 заблокирована, напряжение на затворе транзистора VT1 равно нулю и светодиод HL1 не светит. Ток потребления блоком практически не превышает 5 мкА и определяется током потребления встроенных в детектор DA1 элементов и цепей. При снижении питающего напряжения до 2 В на выходе детектора (вывод 3) появляется напряжение низкого логического уровня, а на выходе элемента DD1.1 – высокого. Запускается генератор импульсов, и светодиод HL1 начинает вспыхивать и гаснуть с частотой 2 Гц, сигнализируя о необходимости заряда АКБ (или скорой замене химических элементов).
Введение генератора импульсов на элементе микросхемы DD1 КР1561ТЛ1 (четыре триггера Шмитта с логикой 2И-НЕ) для формирования вспышек (миганий) было обусловлено тем, что мигающие светодиоды с падением напряжения не более 1,9 В в рабочем режиме автору пока неизвестны. Для большей визуальной заметности вспышек применён обычный сверхъяркий светодиод SL-339URDSN-02N красного свечения с падением напряжения в рабочем режиме около 1,9 В.
Чертёж печатной платы и расположение элементов приведены на рис. 2.
Фото с установленным на корпусе клавиатуры светодиодом приведено на рис. 3, а на рис. 4 показано фото монтажа собранного блока в корпусе клавиатуры. Налаживание после сборки не требуется.
В заключение необходимо отметить, что подобные блоки можно встраивать в другие электронные устройства с автономным питанием. Для повышения напряжения срабатывания требуется установить тип супервизора питания на соответствующее напряжение срабатывания и предусмотреть ограничение импульсного тока через светодиод HL1 до 5…10 мА дополнительным токоограничивающим резистором. Его включают последовательно со светодиодом. Читателей может заинтересовать простое схемное решение применения супервизора, которое было мною предложено автору статьи [2].
Литература
- Детектор понижения напряжения 1171СПхх // URL: https://static.chipdip.ru/lib/030/DOC001030243.pdf (дата обращения: 08.08.2022).
- Веселов А. Индикатор разрядки аккумулятора в радиоприёмнике PERFEO PF- SV922 // Радио. 2018. № 7. С. 61, 62.
Если вам понравился материал, кликните значок — вы поможете нам узнать, каким статьям и новостям следует отдавать предпочтение. Если вы хотите обсудить материал —не стесняйтесь оставлять свои комментарии : возможно, они будут полезны другим нашим читателям!

