Сигнализатор – датчик уровня предназначен для контроля уровня жидкости (воды) или других токопроводящих жидких сред (щелочей и кислот) в различных ёмкостях. В настоящее время в литературе и Интернете представлено множество различных схем и технических решений для реализации устройств, которые предназначены для контроля уровня жидкости (воды) с использованием электропроводящих металлических электродов и электронного узла контроля уровня воды посредством определения проводимости тока контролируемой водой. Нужно отметить, что в качестве электродов, взаимодействиющих с водной средой, целесообразно применять материал стойкий к воздействию коррозии в контролируемой среде, например, отлично подойдёт нержавеющая сталь. Главное, что водная среда является основой устройства сигнализатора – датчика уровня воды. Посредством определения проводимости водной среды достигается работоспособность сигнализатора.
Необходимо понимать, что водная среда далеко не одинакова. В зависимости от региона водная среда может содержать различные соли с различной величиной рН. В зависимости от концентрации солей и величины рН воды проводимость водной среды изменяется в широком диапазоне. Кроме того, водная среда при низкой проводимости и применении для контроля постоянного тока обладает эффектом поляризации контактной площади проводниковых электродов, что обусловлено потерей проводимости или отказом работы измерителя датчика уровня воды. Однако предлагаемые схемные решения организованы на постоянном токе. При длительном нахождении электродов в водном растворе при протекании постоянного тока на поверхности проводящих электродов формируется водная поляризация до уровня потенциала на токопроводящих электродах, компенсирующая напряжение на электродах и приводящая к ошибочному результату контроля. В результате нахождения электродов в водной среде при протекании постоянного тока через достаточно короткое время прекращается протекание тока, т.е. формируется неверный результат контроля. Устранение поляризации электродов в водной среде достигается напряжением обратной полярности или применением для питания электродов напряжения переменного тока. Данная статья посвящена теме – повышение надёжности сигнализаторов – датчиков уровня воды с применением маломощного источника переменного тока.
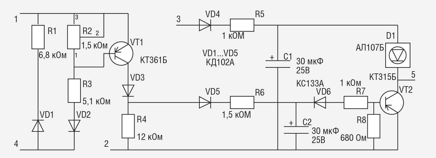
В данной статье предлагается схема надежного сигнализатора - датчика уровня воды, принцип работы которого основан на определении проводимости контролируемой жидкости (воды), реализованного на переменном токе без применения метрологического оборудования. Схема подключения сигнализатора – датчика уровня приведена на рис. 1.
Работа узла контроля датчика уровня осуществляется следующим образом: на измерительные электроды, помещённые в жидкость с требуемой геометрией установки по уровню, подаётся переменное напряжение по двум цепям: VD1, R1 (одна полуволна, исключающая поляризацию водой контактной площади электродов в воде, и VD2, R2, R3 (вторая полуволна для измерения). Контроль проводимости воды осуществляется по этой измерительной полуволне пониженного переменного напряжения, имеющей для безопасности необходимую изоляцию – развязку от сети 220 В. Рабочая точка входного усилителя на VT1 в узле контроля датчика уровня выставляется посредством R2 в зависимости от величины питающего переменного напряжения и проводимости контролируемой жидкости. Диод VD3 защищает VT1 от обратного напряжения. Измерительная полуволна тока проводимости воды усиленная VT1, через VD5 заряжает конденсатор С2 и открывает транзистор VT2, подсвечивая контрольный светодиод D1, и формирует на выводе 5 сигнал низкого уровня. Питание светодиода осуществляется полуволновым выпрямителем на VD4 и C1.
Обычно для промышленных устройств данный сигнализатор состоит из нескольких аналогичных датчиков – сигнализаторов, позволяющих контролировать диапазон, в котором находится уровень жидкости, и определять его нахождение: средний уровень, максимальный уровень, минимальный уровень, аварийный максимальный уровень или аварийный минимальный уровень.
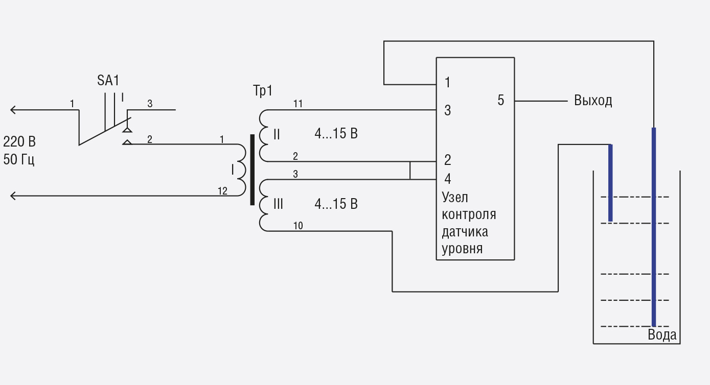
Для всех измерительных электродов, подключённых к контакту 1, используется общий электрод, подключённый к контакту 10 обмотки III трансформатора и находящийся в нижней точке контролируемой жидкости. Таким образом, в контролируемой по уровню жидкости устанавливаются несколько электродов на разных фиксируемых уровнях в общем объёме жидкости для измерения его уровня. Каждый контролируемый уровень, определяемый установленным измерительным электродом, требует применения отдельного узла контроля. Всё устройство контроля состоит из нескольких одинаковых узлов контроля уровня жидкости. При этом питание переменным током для всех устройств контроля осуществляется от общего маломощного источника. При отсутствии возможности использования переменного напряжения для питания узлов контроля возможно применение различных преобразователей с частотой не ниже 50 Гц с двухполярным напряжением +/- 12 В и средней точкой. Общей точкой выходных сигналов контроля уровня жидкости является контакт 2 узла контроля датчика уровня жидкости (см. рис. 2).
Выходные напряжения низкого уровня каждого узла контроля уровня жидкости (контакт 5) с током до 10 мА соответствуют состоянию электродов, помещённых в жидкость, контролируются свечением соответствующих индикаторов (D1). Выходное напряжение, отличное от нижнего уровня, соответствует электродам, которые находятся вне жидкости, контролируется отсутствием свечения индикаторов. Эти сигналы (с контакта 5) предназначены для последующей обработки. Расстояние между электродами, находящимися в жидкости, и печатной платой, изготовленной по типовой технологии, на которой установлены радиоэлементы узлов контроля уровня жидкости, могут быть длиной до 30 метров. Установленные радиоэлементы и печатная плата должны быть покрыты защитным лаком.
Устройство в процессе эксплуатации специального обслуживания не требует. Применение данного сигнализатора – датчика уровня воды предназначено для промышленных и бытовых устройств для жидкостей различного назначения с различным уровнем рН и растворённых солей в широком диапазоне температур воды и различных внешних воздействий.
Если вам понравился материал, кликните значок — вы поможете нам узнать, каким статьям и новостям следует отдавать предпочтение. Если вы хотите обсудить материал —не стесняйтесь оставлять свои комментарии : возможно, они будут полезны другим нашим читателям!

