Общие сведения
Существующие конструкции фотореле с классическим (стандартным) алгоритмом требуют оптической изоляции фотодатчика посредством расположения фотодиода на удалении от коммутируемой лампы, что требует дополнительной проводки. Чтобы устранить указанный недостаток, фотореле необходимо дополнить таймером с интервалом отсчёта 20…30 минут. При этом в процессе работы лампа будет кратковременно выключаться на десятые доли секунды и затем включаться вновь, при условии, если уровень внешней освещённости оказывается ниже заданного порога (в тёмное время суток). После достижения освещённости порогового уровня в момент очередного выключения лампы фотореле переходит в ждущий режим до момента снижения уровня внешней освещённости до порогового уровня.
По сравнению с базовой версией [1], предназначенной для работы со светодиодной лампой, данный вариант фотореле дополнен фотодиодным усилителем и супервизором питания, который улучшает сброс таймера в исходное состояние и полностью исключает ложное 20-минутное включение в светлое время суток в случае длительных провалов напряжения в питающей сети, что особенно актуально для сельской местности.
В отличие от второй версии фотореле с нестандартным алгоритмом, рассмотренной в [2], и предназначенной для совместной работы с лампой накаливания, данный вариант фотореле предназначен для работы именно со светодиодной лампой и не содержит фазоимпульсного регулятора яркости. Мощность светодиодной лампы не должна превышать 10 Вт. Предлагаемое фотореле монтируется непосредственно в корпусе светильника. При этом излучение коммутируемой лампы должно падать непосредственно на фотодиод для нормальной работы устройства.
Схема и принцип работы
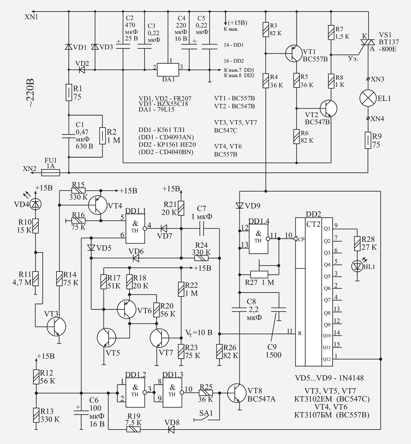
Схема электрическая принципиальная фотореле показана на рис. 1.

Фотореле содержит:
- стабилизатор и фильтр питания на элементах R1, R2, VD1…VD3, DA1, С1…C5;
- фотодиодный усилитель на транзисторах VT3, VT4;
- супервизор питания на транзисторах VT5…VT7;
- две RC-цепочки сброса на элементах C6, R12 и C7, R26;
- генератор прямоугольных импульсов на основе триггера Шмитта DD1.4;
- счётчик-делитель на 2048 на ИМС DD2;
- схему сдвига уровня на транзисторах VT1 и VT2 и коммутирующий симистор VS1.
При первом включении питания в светлое время суток фотореле включает лампу на 2 секунды, а затем переходит в режим ожидания до момента снижения уровня освещённости до заданного порога. При первом включении в тёмное время суток лампа также включается на 2 секунды, но затем фотореле переходит в нормальный рабочий режим с интервалом отсчёта таймера 20 минут до момента возрастания внешней освещённости до заданного порога.
Рассмотрим работу фотореле, считая, что оно было первоначально включено в светлое время суток. В начальный момент времени конденсаторы C6 и С7 разряжены. При подключении к сети питающее напряжение на выходе стабилизатора появляется не мгновенно, а нарастает от 0 до 15 В в течение десятых долей секунды. В это время срабатывает супервизор, собранный на транзисторах VT5…VT7, который формирует короткий отрицательный импульс при изменении питающего напряжения в пределах 1,5…10 В. Такой же отрицательный импульс формируется на выходе супервизора (на коллекторе VT5) и при снижении питающего напряжения от 10 до 1,5 В.
В этом промежутке изменения питающих напряжений на выходе элемента DD1.1 поддерживается уровень лог. «1». Конденсаторы C6 и C7 остаются разряженными благодаря току через диоды VD5 и VD6. После достижения питающим напряжением уровня 10 В и выше транзистор VT7 супервизора открывается, а VT6 и VT5 закрываются. Диоды VD5 и VD6 закрываются и на дальнейшую работу схемы влияния не оказывают. Конденсатор C6 начинает заряжаться через резистор R12, а левая по схеме обкладка конденсатора C7 оказывается подключённой к напряжению источника питания через резистор R21. Теперь конденсатор C7 начинает заряжаться через резистор R26, и на его правой по схеме обкладке формируется короткий импульс положительной полярности, который сбрасывает счётчик DD2 в исходное нулевое состояние.
На выходе старшего разряда счётчика DD2 появляется уровень лог. «0», который разблокирует генератор на элементе DD1.4. На счётном входе счётчика появляются прямоугольные импульсы, увеличивающие его состояние. Светодиод HL1 при этом светится постоянно. Одновременно уровень лог. «0» через резистор R4 открывает транзистор VT1, а вслед за ним открываются транзистор VT2 и симистор VS1, что приводит к включению светодиодной лампы.
После достижения счётчиком DD2 2048-го состояния на выходе его старшего разряда появляется уровень лог. «1», который через цепочку VD8-R19 быстро заряжает конденсатор C6 и устанавливает на выходе DD1.3 уровень лог. «1». Транзистор VT8 открывается и подключает нижний по схеме вывод конденсатора C8 к общему проводу. Благодаря этому следующий запуск генератора произойдёт уже на частоте около 2 Гц. Одновременно уровень лог. «1» закрывает транзисторы VT1, VT2 и симистор VS1; лампа при этом выключается.
Как отмечено выше, излучение лампы должно быть направлено на фотодиод VD4. Если уровень внешнего освещения при выключении лампы окажется достаточно высоким (в светлое время суток), то перезапуска таймера не произойдёт, и лампа останется в выключенном состоянии. При этом фотодиод VD4 будет засвечен, и сопротивление его перехода будет относительно невысоким, а транзисторы VT3 и VT4 будут оставаться в открытом состоянии и на верхнем по схеме входе элемента DD1.1 будет поддерживаться уровень лог. «1».
При снижении уровня внешней освещённости до заданного порога сопротивление перехода фотодиода VD4 возрастёт настолько, что транзисторы VT3 и VT4 закроются, и на верхнем по схеме входе элемента DD1.1 будет сформирован уровень лог. «0». Соответственно на выходе DD1.1 будет сформирован положительный перепад напряжения, который, дифференцируясь цепочкой C7-R26, обнулит счётчик DD2 и разблокирует генератор на логическом элементе DD1.4. Как отмечено выше, генератор заработает на частоте около 2 Гц и таймер начнёт отрабатывать выдержку около 20 мин (точное значение 17 мин 4 с при частоте вспышек светодиода 1 Гц).
После завершения выдержки вышеописанный процесс повторится: лампа погаснет на десятые доли секунды и включится вновь при условии, если уровень внешней освещённости окажется ниже заданного порога (в тёмное время суток). Так будет повторяться с интервалами 20 минут до тех пор, пока уровень внешней освещённости в момент очередного выключения лампы не достигнет заданного порога (на рассвете или в светлое время суток). При этом перезапуска таймера не произойдёт, и лампа будет оставаться в выключенном состоянии до момента уменьшения уровня внешней освещённости до заданного порога.
Конструкция и детали
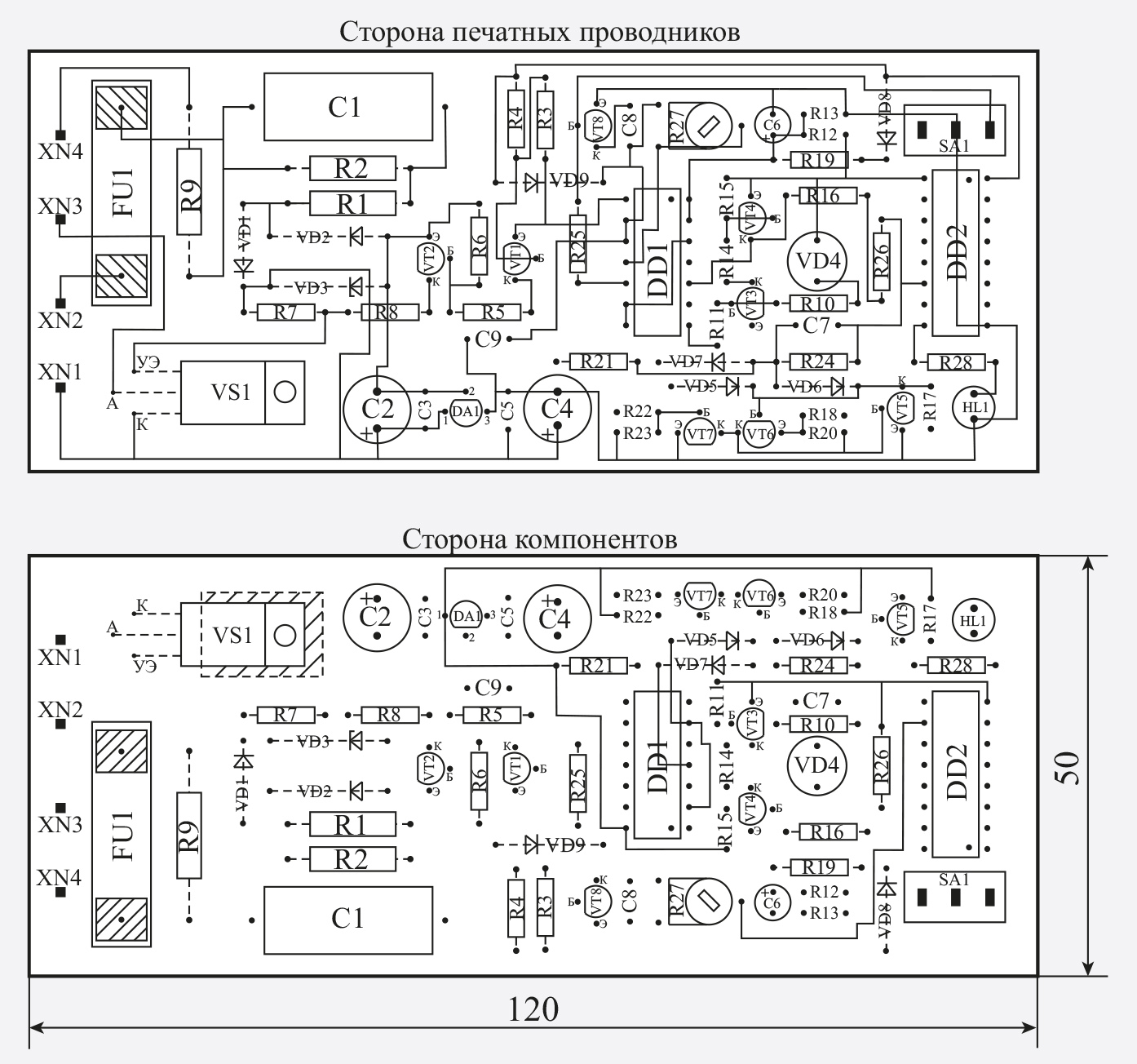
Фотореле собрано на печатной плате из двустороннего фольгированного стеклотекстолита толщиной 1,5 мм размерами 120×50 мм (рис. 2).

Плата устанавливается в пластмассовую разветвительную коробку подходящих размеров. В крышке коробки необходимо предусмотреть отверстия для фотодиода и переключателя SA1.
В устройстве использованы постоянные резисторы типа МЛТ-0,5 (R1, R2, R9), подстроечный (R27) – типа СП3-38б в горизонтальном исполнении, остальные – МЛТ-0,125, конденсаторы неполярные типа К73-17 (С1), остальные – К10-17, оксидные типа К50-35 или импортные, интегральный стабилизатор DA1 – типа 79L15. ИМС К561ТЛ1 заменима на КР1561ТЛ1 или импортные аналоги CD4093AN или CD4093BN, а КР1561ИЕ20 – на CD4040BN. Транзистор VT3 в фотодиодном усилителе должен быть с максимальным коэффициентом усиления, например, из серии КТ3102 с индексами «ГМ» или «ЕМ» или импортный ВС547С. Транзисторы VT2, VT5, VT7 могут быть из серии КТ3102 с любыми индексами, например, «БМ» или «ВМ» или импортные ВС547A, BC547B. Транзисторы VT2, VT4, VT6 могут быть из серии КТ3107 с любыми индексами или импортные из серии ВС557. Транзистор VT8 может быть из серий КТ503 или КТ3102 с любыми индексами. Стабилитрон VD3 может быть с напряжением стабилизации 18…22 В, например, BZX55C20, BZX55C22, BZX85C18 или аналогичный. Фотодиод использован типа ФД263. Диоды VD1, VD2 средней мощности должны быть с минимально допустимым рабочим напряжением не менее 400 В. Диоды VD5…VD9 могут быть любыми маломощными кремниевыми из серий КД503, КД521, КД522, 1N4148 или аналогичные. Для распайки переключателя SA1 типа П1Т-1-1В на плате предусмотрены отверстия соответствующей конфигурации. Симистор VS1 может быть из серий BT137, BT138, BT139 с рабочим напряжением не менее 400 В. Симистор в радиаторе не нуждается. Он фиксируется на плате с помощью винтового соединения. Для этого на плате предусмотрено отверстие диаметром 3 мм.
Настройка фотореле заключается в установке требуемого времени выдержки с помощью резистора R27. При настройке лампу EL1 направляют на фотодиод и подключают автомат к сети в основном режиме при показанном на схеме положении переключателя SA1. Подстроечным резистором R27 добиваются мигания светодиода с частотой около 1 Гц. Затем фотореле отключают от сети (!) и переводят в сервисный режим переключением SA1 в нижнее по схеме (замкнутое) положение. Лампа должна быть направлена на фотодиод, а уровень внешнего освещения должен быть минимальным (как в тёмное время суток). Автомат вновь подключают к сети и теперь при низком уровне внешней освещённости контролируют кратковременное погасание и включение лампы с периодом около 2 секунд. Далее с помощью вспомогательного источника света (например, другой лампы или фонарика) освещают фотодиод. Мигание лампы EL1 должно прекратиться, и она должна оставаться в выключенном состоянии. Затем фотореле переводят в основной рабочий режим (при отключённой сети!) переключением SA1 в верхнее по схеме (разомкнутое) положение. На этом настройка завершена. Фотореле готово к работе.
Внимание! При настройке устройства необходимо помнить о соблюдении правил техники безопасности. Конструкция не имеет гальванической развязки от сети переменного тока! Все элементы находятся под напряжением ~220 В. При настройке устройства необходимо использовать отвёртку с ручкой из изоляционного материала.
Литература
- Одинец А.Л. Фотореле с нестандартным алгоритмом // Электрик. 2013. № 11.
- Одинец А.Л. Фотореле с нестандартным алгоритмом и функцией таймера // Современная электроника. 2016. № 6.
Если вам понравился материал, кликните значок — вы поможете нам узнать, каким статьям и новостям следует отдавать предпочтение. Если вы хотите обсудить материал —не стесняйтесь оставлять свои комментарии : возможно, они будут полезны другим нашим читателям!

