Современные технологии позволяют управлять любыми устройствами, и контроль освещения можно считать одним из основных элементов энергоменеджмента. Даже не внедряя систему «умного дома», можно реализовать различные схемы управления светом, которые настраивают освещение в соответствии со сценариями использования помещения.
В простейшем случае свет можно включать и выключать. Нередко простая лампочка устанавливается в паре с детектором движения – как только объект попадает в зону действия инфракрасного датчика, свет включается и отключается через 30–40 секунд – точное время, как правило, можно настроить на датчике движения.
Более продвинутая схема подразумевает диммирование освещения. Вопреки расхожему мнению, состоящему в том, что диммировать можно только лампы накаливания, современные технологии позволяют диммировать любые лампы. Старый метод реостатного диммирования, когда на контактах просто понижается напряжение, уже не используется в современных системах. Вместо этого для двухконтактных ламп применяется диммирование со сдвигом или отсечкой фазы. Такой метод срабатывает в том числе с галогенными, энергоэкономичными и светодиодными лампами. Технологически новые лампы на светодиодах требуют иного подхода, но привязанность людей к стандартным люстрам и торшерам, оснащённым двухконтактными цоколями, заставляет производителей адаптироваться и реализовывать в лампах с двухконтактами механизмами изменения интенсивности света в зависимости от сдвига или отсечки фазы. Важно также учитывать, что светодиодные лампы и светильники должны диммироваться по определённому стандарту и в зависимости от диммируемой светодиодной лампы должен подбираться диммер. Не стоит забывать, что светодиодами управлять сложнее, чем галогенными или лампами накаливания.
DALI и другие технологии диммирования
Самые современные светодиодные светильники могут менять интенсивность свечения за счёт цифрового управления. Для этого используются не 2, а 4контактные цоколи, когда два контакта обеспечивают подачу напряжения, а другие два являются управляющими. Контроль яркости освещения в данном случае осуществляется путём подачи команды на электронный модуль светильника.

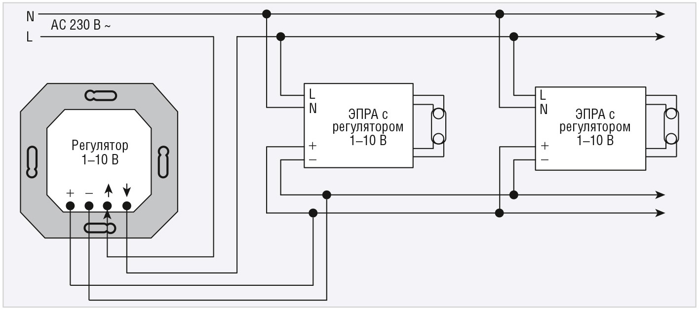
Одна из простейших схем управления – использование схемы 1–10 В (см. рис. 1). Например, если на управляющий контакт подаётся 10 В, лампочка светится с максимальной яркостью. При 5 В на входе происходит затемнение на 50%, а 1 В означает, что свет должен быть на уровне 10%. Надо сказать, что 10вольтовая схема управления яркостью света используется достаточно часто, особенно если речь идёт о несложных и недорогих системах освещения.
Более гибкие возможности для управления светом предоставляет такая система, как DALI. DALI представляет собой более доступное и популярное решение для домашних и офисных задач. В частности, светодиодные лампы с использованием DALI могут менять яркость очень плавно. За счёт управления свечением светодиодов с высокой частотой (вплоть до 4–8 кГц) можно обеспечить выбор уровня освещения с точностью до долей процентов: в некоторые промежутки времени светодиод просто не будет гореть, причём совершенно незаметно для человеческого глаза, который не распознаёт мерцание на частоте выше 60 Гц.
KNX как основа для управления светом
Впрочем, какая бы схема контроля освещения не использовалась, для оснащения всего дома или квартиры системой управления светом удобнее всего оказываются стандартизированные решения. Самым ярким примером такой технологии является KNX (см. рис. 2).

Чтобы подключить источники света к единой системе управления, достаточно наличия двухжильной проводки в доме (её роль может выполнять даже пожарная сигнализация, хотя официально рекомендуется использовать сертифицированный KNXкабель). Для управления каждым светильником устанавливается реле, а его включение происходит при помощи цифровой кнопки или диммера. Наличие блока управления позволяет запрограммировать каждый выключатель на работу с определённой лампой или группой ламп, а также создать общие правила включения/выключения или диммирования света (см. рис. 3).

Преимущество шины KNX заключается в том, что в ассоциацию KNX входит более 500 компаний – профессиональных производителей средств освещения, климатических решений и других электронных систем. Таким образом, стандарт KNX позволяет устанавливать систему управления светом, обогревом, охлаждением и энергоснабжением любых объектов дома или в офисе, не привязываясь к решениям одного производителя.
Специальные расширения для системы KNX позволяют использовать в качестве пульта управления светом разнообразные проводные и беспроводные выключатели, а также смартфоны и планшеты, если на них установлено фирменное приложение одного из производителей электроники, совместимой с KNX. Более того, схемы управления светом могут быть настроены специалистами при установке оборудования, а использование разнообразных датчиков: освещённости, движения, присутствия, температуры – позволяет сделать регулировку света адаптивной, подстраиваться к условиям окружающей среды.
Сценарии работы с освещением
В данном материале мы не будем говорить о музыкальных возможностях DMX или о настройке кондиционирования в офисах для каждого рабочего места, хотя это также возможно сделать на базе KNX, а сфокусируемся на управлении светом и энергоснабжением в бытовых условиях – в частных квартирах и домах.
Точное диммирование света вместе с датчиком освещённости позволяет подбирать оптимальную яркость ламп в соответствии с уличным светом. Например, освещение в детской комнате может постепенно увеличиваться по мере того, как солнце уходит за горизонт, чтобы обеспечить оптимальную освещённость для здоровья глаз.
Для управления освещением на улице можно использовать различные пульты управления – от беспроводных модулей до смартфонов и планшетов. Также уличный свет, подключённый к шине KNX, можно включать или выключать автоматически, когда заходит солнце.
Свет в холле или на лестнице может включаться и выключаться из разных точек. Для этого можно использовать проводные и беспроводные выключатели – главное, что люди, попадая в холл, могут включить или выключить освещение с той стороны, с которой им удобно.
Впрочем, нельзя забывать о такой полезной функции, как фоновое освещение. Для него совершенно необязательно устанавливать дополнительные светильники. Вместо этого эффект диммирования позволяет не выключать свет полностью, оставив 10–15% яркости. Такой вариант прекрасно подходит для гостиной или кухни, когда при входе человека свет включается в фоновом режиме, а при нажатии на выключатель разгорается полностью.
Наконец, через шину KNX можно управлять и силовыми установками, например системой отопления или кондиционирования. С кондиционером всё просто: если вы выберете модель, которая совместима с внешними модулями управления, то устройство можно будет встроить в систему «умного дома» и включать его на полную мощность только тогда, когда в комнатах есть ктото из членов семьи. Интересный вариант для загородного дома – включение кондиционера дистанционно, через смартфон. За два часа до приезда летом можно включить охлаждение, а зимой – обогрев.
Самый большой экономический эффект управление энергоснабжением даёт в применении к системам отопления. Сегодня всё чаще используется тёплый пол, подключённый к датчику присутствия. Например, когда человек находится в ванной, пол нагревается до +32°С, а когда ванная пуста – только до +25°С. Это позволяет быстро достичь нужной температуры, но при этом экономить электроэнергию. Управлять можно и централизованным отоплением, если поставить на батареи электронные клапаны. При наличии термостата с помощью центральной шины можно автоматически варьировать поток горячей воды через батарею согласно заданной программе и с учётом необходимой температуры в помещении.
Решение на перспективу
Способов применить систему управления электроэнергией существует очень много, и каждый может придумать наиболее подходящую схему именно для его дома. Но какой бы сценарий управления светом ни был выбран изначально, использование стандартной шины KNX позволит в любой момент подключить дополнительные устройства, интегрировать вашу систему с «умным домом» или дополнить её новыми датчиками. В любом случае, выбирая стандартизированное решение, вы не окажетесь в будущем заложником определённой технологии или продуктов одного вендора. И это большой плюс, учитывая, как много новых интересных решений появляется на рынке каждый год.
Если вам понравился материал, кликните значок — вы поможете нам узнать, каким статьям и новостям следует отдавать предпочтение. Если вы хотите обсудить материал —не стесняйтесь оставлять свои комментарии : возможно, они будут полезны другим нашим читателям!

