Твердотельные реле
Использование полупроводников привело к появлению нового класса релейной техники – твердотельным реле (ТТР). Если в электромеханических реле для размыкания (замыкания) цепи использовался механический контакт, то в новом классе устройств эту функцию взяли на себя транзисторы и тиристоры (симисторы). Это позволило преодолеть существенные недостатки электромеханических реле: дребезг контактов, возникновение дугового разряда при переключении, большое время переключения и низкую надёжность. Помимо этого, управляющая электронная схема снабдила реле «интеллектом»: способностью определять момент перехода коммутируемого сигнала через ноль, выдавать сигнал состояния и тому подобное. И всё это при небольших габаритных размерах, хорошей защите от механических воздействий и длительном сроке службы. Применение электронных схем также позволило заменить электромагнитную развязку оптоэлектронной, что дало возможность повысить быстродействие и помехоустойчивость ТТР.
Способы коммутации переменного тока
Указанные преимущества позволили оптимизировать способы применения реле в различной силовой аппаратуре. Как правило, при коммутации активной нагрузки используется режим переключения при переходе напряжения через ноль. Это позволяет существенно повысить надёжность и помехозащищённость реле. Однако данный режим не является универсальным. Так, возможность включения реле при максимальном (амплитудном) значении коммутируемого сигнала позволяет использовать ТТР для оптимизации переключения индуктивной нагрузки. Этот процесс отличается от коммутации активной нагрузки тем, что в момент подачи сигнала в электрической цепи начинается процесс перехода в стационарный режим, при котором среднее значение тока за период равно нулю.
В этом случае в цепи на время переходного процесса, длительность которого зависит от индуктивности и сопротивления цепи (постоянной времени t = L/R), появляется постоянная составляющая электрического тока, так как цепь работает с подмагничиванием. При этом самым нежелательным моментом переключения становится переход напряжения фазы через ноль, когда ток подмагничивания имеет максимальное значение. Такой режим может привести к насыщению сердечника индуктивной нагрузки (трансформатора, автотрансформатора, обмотки контактора и тому подобного) и, как результат, к резкому уменьшению индуктивности и росту тока (см. рис. 1).

Этого можно избежать, если включать реле при максимальном амплитудном (Um) значении переменного напряжения (см. рис. 2), что достигается сдвигом фазы тока относительно напряжения на 90°.

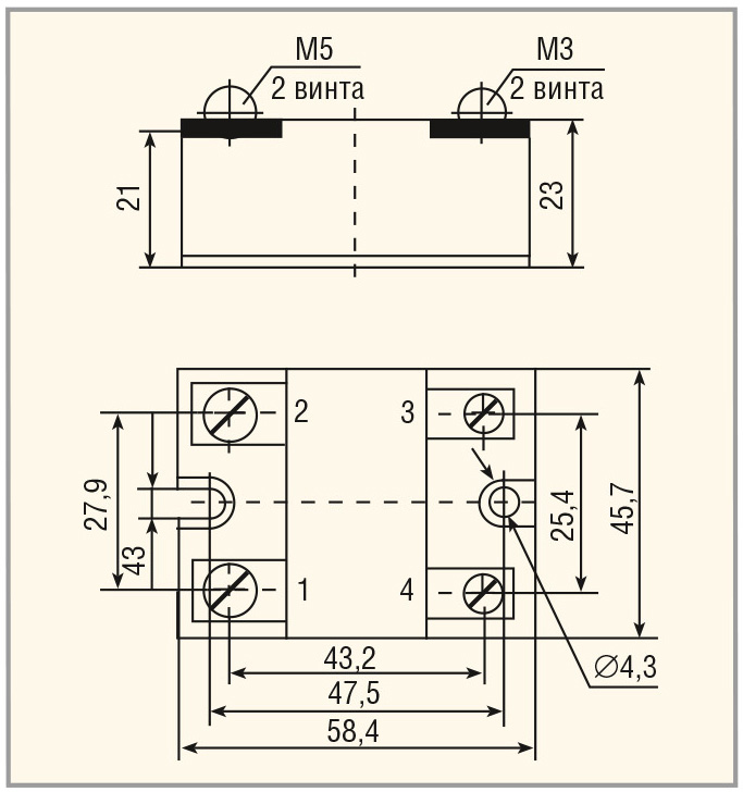
Полупроводниковое реле РПТ-90
Полупроводниковое оптоэлектронное однофазное реле переменного тока РПТ-90 (см. рис. 3) с включением при максимальном амплитудном значении переменного напряжения выпускается фирмой ЗАО «Протон-Импульс» (г. Орёл). Реле выполнено в монолитном корпусе с габаритами 58,4 × 45,7 × 23 мм.

Реле предназначено для подключения активной и активно-индуктивной нагрузки (трансформатор, автотрансформатор, электромагнитный контактор и так далее) к сети переменного тока частотой f = 50…60 Гц и напряжением Uд = 100…400 В. В качестве управляющего может быть использовано переменное напряжение от 7 до 27 В. Схема включения реле РПТ-90 приведена на рисунке 4.

Этот универсальный прибор имеет климатическую защиту IP 54 и позволяет коммутировать ток до 63 А в активной и индуктивной нагрузке. Технические характеристики реле представлены в таблице.

Помимо перечисленных достоинств, ТТР обладает повышенной надёжностью и большим сроком службы.
Если вам понравился материал, кликните значок — вы поможете нам узнать, каким статьям и новостям следует отдавать предпочтение. Если вы хотите обсудить материал —не стесняйтесь оставлять свои комментарии : возможно, они будут полезны другим нашим читателям!

