Снабберы
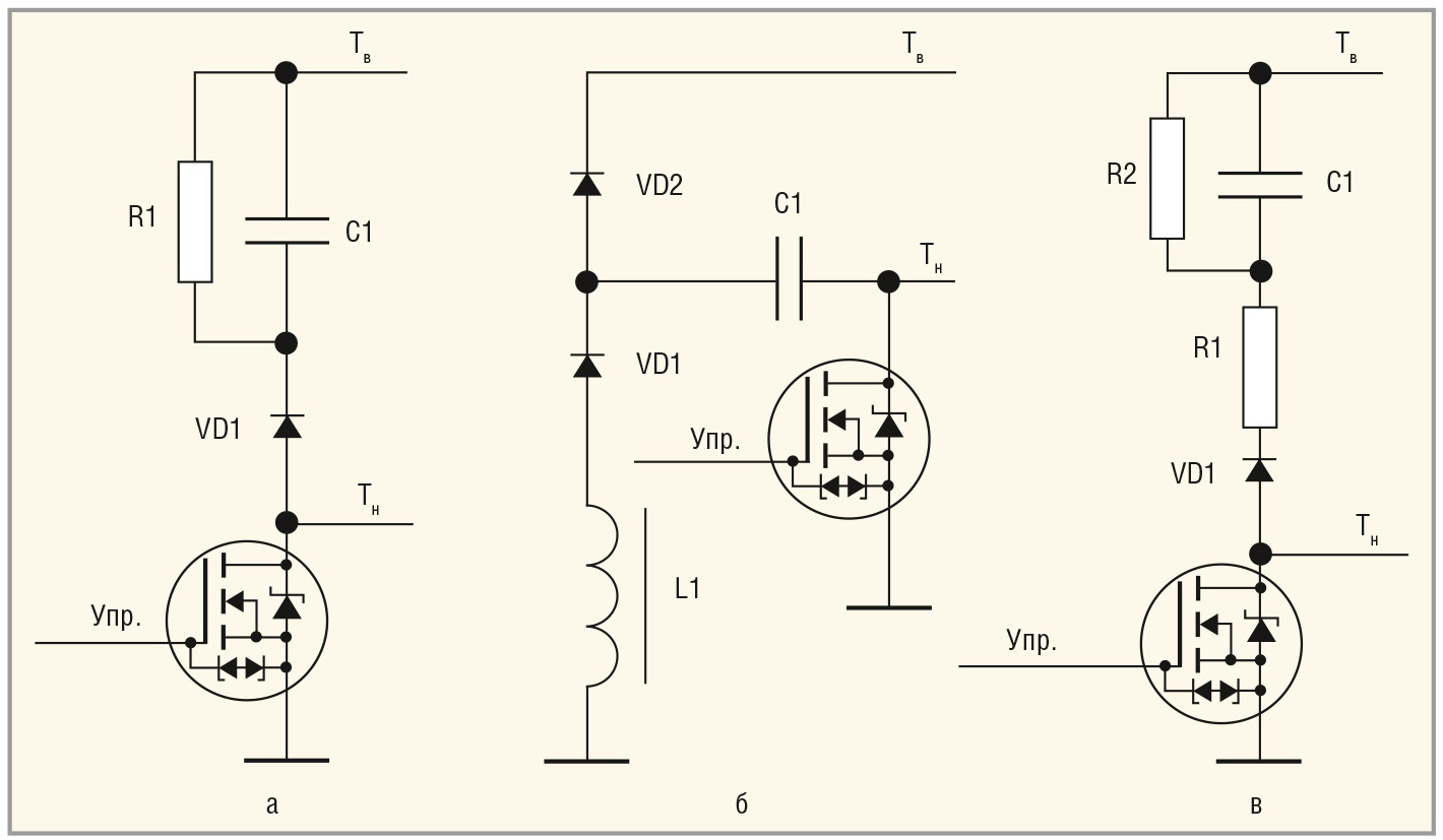
Эксперименты с транзисторами проводились при использовании демпфирующих цепочек, установленных со стороны стока транзисторов, поскольку без них транзистор мгновенно выйдет из строя как от перегрузки по напряжению, так и от перегрузки по току. Классический снаббер (см. рис. 13а) представляет собой цепочку, состоящую из высоковольтного сверхбыстрого (Super Fast) диода VD1, подключённого к стоку транзистора. К этому диоду подключена цепь R1C1. При этом сток транзистора подключается к крайнему выводу полуобмотки трансформатора (Тн), а RC-цепочка – к напряжению питания (Тв).

Назначение снаббера – погасить высокочастотные колебания тока и напряжения, возникающие при выключении транзистора. Дело в том, что паразитные ёмкости, сосредоточенные вокруг транзистора, и так называемая индуктивность рассеяния обмотки трансформатора образуют резонансный контур, в котором циркулируют высокочастотные колебания с частотой до нескольких десятков МГц. Хотя эти колебания постепенно затухают, время их затухания довольно велико и сравнимо с длительностью импульса ШИМ. Амплитуда первых колебаний может достигать двойного напряжения питания, что мгновенно выведет транзистор из строя.
Снабберная цепочка гасит эти колебания как по амплитуде, так и по времени, принимая энергию колебаний на себя и рассеивая её в виде тепла. При этом резистор (например, R1 на рисунке 13а), естественно, нагревается. Мощность рассеяния резистора при напряжении питания в 300 В может достигать нескольких ватт. Номинал резистора R1 составляет от 10 до 30 кОм, поэтому его мощность должна равняться 10 Вт и более (с двойным запасом). Ёмкость конденсатора C1, как правило, составляет от нескольких нанофарад до десятков нанофарад. Эффективность простых снабберов невысока. Причиной тому большое рассеяние энергии.
Второй тип снабберов – не диссипативный. Их пример приведён на рисунке 13б. В снаббер включена дополнительная катушка индуктивности L1, которая при выключении транзистора принимает энергию. Другими словами, ток, протекающий через полуобмотку трансформатора, после выключения транзистора перенаправляется в катушку L1, а затем возвращается обратно (то есть в источник питания) с помощью двух сверхбыстрых диодов VD1, VD2 и конденсатора C1. Эффективность подобного снаббера чуть выше, чем предыдущего (см. рис. 13а), однако отсутствие резисторов приводит к тому, что от большого тока, постоянно циркулирующего через диоды, последние сильно нагреваются и требуют дополнительного охлаждения.
Эксперименты автора со снабберами, представленными на рисунках 13а и 13б, показали, что их применение в двухтактной схеме связано с сильным нагревом резисторов и диодов, что снижает общую эффективность ИИП. Вероятно, поэтому двухтактная схема, несмотря на все свои достоинства, применяется только в тех случаях, когда напряжение питания не превышает 150 В. Если же напряжение питания составляет 300 В, чаще используется так называемая полумостовая схема, где на транзисторы подаётся половинное напряжение питания, то есть 150 В.
Проблему со снабберами в двухтактной схеме с использованием напряжения питания 300 В удалось решить, используя рекомендации Ларри Мерса (Larry Meares) [7]. В схему на рисунке 13а между диодом и RC-цепочкой был добавлен ещё один резистор – R1 (см. рис. 13в). В исходном снаббере (см. рис. 13а) использовался сверхбыстрый диод MUR160 с максимальным током в 1А, обратным напряжением 600 В и временем восстановления 75 нс. Номинал резистора составлял 27 кОм, а ёмкость конденсатора – 100 нФ. В снаббере на рисунке 13в номинал резистора (R2) составил 100 кОм, а ёмкость конденсатора – 2,7 нФ, и был использован выпрямительный диод общего назначения 1N4007, аналогичный по току и напряжению MUR160, но с временем восстановления 2,5 мкс. Номинал дополнительного резистора R1 – 68 Ом. В работе Мерса [7] сообщалось, что эффективность модифицированного снаббера выше.
При сравнении снабберов, показанных на рисунках 13а и 13в (с параметрами, приведёнными в работе Ларри Мерса [7]), видно, что номинал резистора R2 увеличился почти в четыре раза, а номинал конденсатора уменьшился в 37 раз по сравнению с исходными. Это означает, что нагрев резистора R2 должен уменьшиться в четыре раза. Кроме того, следует ожидать снижения нагрева диода, так как общее сопротивление цепочки R2C1 увеличилось (импеданс конденсатора возрос в 37 раз). В экспериментах, когда к плате транзисторов был подключён трансформатор, в «классической» схеме, изображённой на рисунке 13а, с параметрами R1 = 10 кОм, C1 = 10 нФ и сверхбыстрым диодом HER508, резистор и диод грелись неимоверно, амплитуда импульса выброса не превышала 200 В (над напряжением питания) при длительности около 500 нс. Установка медленного диода 5А10, резисторов и конденсаторов с рекомендуемыми Мерсом [7] параметрами (R1 = 68 Ом, R2 = 100 кОм, C1 = 2,7 нФ) привела к полному отсутствию нагрева резистора R2 и диода (резистор R1 был тёплым). Но главное – длительность выброса уменьшилась до 150…180 нс, а транзисторы перестали греться.
Последующие эксперименты показали, что номинал резистора R2 можно увеличить до 200…300 кОм, ёмкость конденсатора снизить до 1,5 нФ, а номинал резистора R1 уменьшить до 60 Ом. В этом случае амплитуда выброса уменьшилась до 170 В, а его длительность в нижней части – до 75 нс. При частоте в 60 кГц максимальная длительность импульса ШИМ составляет около 7 мкс, что почти в 100 раз превышает длительность импульса выброса. Поэтому в энергетическом отношении этот импульс выброса занимает ничтожную часть импульса ШИМ.
Для ограничения максимальной амплитуды импульса выброса в ИИП часто используют так называемые супрессоры. Если такая амплитуда составляет, например, 200 В, то, установив супрессор с рабочим напряжением немного больше 100 В (например, в 120…150 В), можно действительно ограничить эту амплитуду до значения в 100 В. Однако эксперименты с супрессорами показали, что длительность импульса выброса возрастает приблизительно на порядок – до 750…800 нс, то есть составляет до 10% от максимальной длительности импульса ШИМ. Таким образом, применение супрессора, снижая амплитуду импульса выброса в два раза, растягивает его по длительности на порядок. Подсчитав площадь исходного импульса (200 В × 75 нс = 15 В × мкс) и площадь импульса при наличии супрессора (100 В × 800 нс = 80 В × мкс), можно сделать вывод, что эта площадь, то есть энергия, увеличивается более чем в 5 раз. Эта дополнительная энергия рассеивается как транзистором, так и супрессором, что приводит к их нагреву. Кроме того, сама форма импульса выброса из почти треугольной превращается в трапецеидальную, что в несколько раз ухудшает шумовые характеристики выходного напряжения ИИП. Поэтому от использования супрессоров в снаббере автор статьи отказался.
Следует отметить, что малая длительность выброса (75 нс) является препятствием для его прохождения через трансформатор с достаточно большой индуктивностью, поскольку для коротких импульсов трансформатор представляет собой объект большого индуктивного сопротивления. Кроме того, материал феррита, из которого изготовлен сердечник трансформатора (N87, N97), способен работать до частот, не превышающих 100 кГц. Частота, эквивалентная длительности 75 нс, составляет 13 МГц. Практика показала, что эти импульсы (хотя заметно меньшей амплитуды) всё-таки проходят через трансформатор (вероятно, через его паразитную ёмкость). Поэтому на выходных обмотках трансформатора установлены небольшие снабберы.
Для снижения нагрева резистора R1 = 60 Ом в каждое плечо установлены четыре резистора по 240 Ом (общим сопротивлением в 60 Ом) и мощностью 2 Вт каждый. В таком виде снаббер используется в рабочей схеме платы транзисторов (см. часть 1 статьи, рис. 10). Работа снаббера (по электрическим характеристикам) в этом, втором, варианте не изменилась, но нагрев двух резисторов C2–29В (в каждом плече) немного снизился. Такой вариант снаббера также был разведён на другой плате (см. далее). Вместо диодов 5А10 можно использовать диоды 6А10 (с током в 6А) и 10А10 (10А).
Резисторы R3 и R4 (см. рис. 10) ограничивают ток затворов транзисторов, R1 и R2 служат для надёжного запирания транзисторов, диоды VD1 и VD2 защищают затворы транзисторов и сам контроллер от высоковольтных выбросов напряжения. Конденсатор C1 является своего рода энергетическим резервуаром. Трансформатор тока ТР1 – измерительный. Он намотан на ферритовом кольце R6,3 × 3,8 × 2,5 (размером R × r × h = 6,3 × 3,8 × 2,5 мм, марки B64290-P37-X87) из материала N87. Первичная обмотка содержит один виток провода МС16-13 (или МГТФ) сечением 0,2 мм2, вторичная – 100 витков ПЭПШО 0,08 (можно использовать провод ПЭЛШО 0,1). Поверх вторичной обмотки кольцо обматывается двумя слоями фторопластовой ленты толщиной 0,05 мм, затем через кольцо пропускается виток токоизмерительного провода.

На рисунке 14 приведены два варианта разводки (транзисторы, расположенные под платой транзисторов на радиаторах, условно показаны серым цветом), а на рисунке 15 – фотографии изготовленных плат.

Плата устанавливается на игольчатый радиатор (И230) с площадью поверхности 135 см2 и мощностью рассеивания 7 Вт с помощью четырёх стоек. Сам радиатор крепится ко дну корпуса двумя карболитовыми уголками (см. рис. 15а). Транзисторы устанавливаются на теплопроводящую пасту. Их выводы, защищённые трубками из ПВХ, соединяются с платой короткими отрезками провода МГТФ сечением 0,1–0,12 мм2.
Высокочастотный трансформатор
Хотя формулы, по которым можно найти требуемые параметры трансформатора, хорошо известны, основной компромисс при выборе, например, числа витков первичной обмотки трансформатора, W, от которого зависит индуктивность L, пропорциональная квадрату числа витков L ~ W2, заключается в следующем.
С одной стороны, чем больше индуктивность первичной обмотки трансформатора L, тем больше амплитуда импульса выброса, пропорциональная индуктивности и производной по току Aimp. ~ L Ч di / dt. Большая индуктивность L первичной обмотки может увеличить амплитуду выброса до неприемлемого значения и вызвать повреждение высоковольтных транзисторов из-за перенапряжений.
С другой стороны, недостаточная индуктивность первичной обмотки может привести к значительному увеличению магнитной индукции В, которая обратно пропорциональна числу витков B ~ 1/W. При недостаточном числе витков магнитная индукция B может возрасти так, что это приведёт к началу насыщения сердечника магнитопровода (когда B > Bmax), нарушению нормальной работы трансформатора и, как результат, к увеличению тока через транзисторы, их перегреву и выходу из строя.
Поэтому найденные расчётным путём параметры трансформатора требуют экспериментальной проверки, что и было сделано с четырьмя трансформаторами, параметры которых указаны в таблице 2. Измерялась температура как самих трансформаторов, так и теплоотвода транзисторов. Кроме того, осциллографом наблюдалась амплитуда выброса относительно напряжения питания. Эксперимент проводился при отсутствии нагрузки и при максимальном токе нагрузки, составляющем 10 А.

Магнитопровод трансформатора представляет собой кольцо с размерами D × d × h, где D – внешний диаметр кольца, d – внутренний диаметр, h – высота кольца. Число, стоящее после марки провода МС16-13 или МГТФ, – это сечение провода в мм2. Число, стоящее после марки провода ПЭТВ-2 (0,5 × 10), означает, что вторичная обмотка наматывается параллельно сразу десятью проводами диаметром 0,5 мм каждый. Кольца № 1, № 3 и № 4 выпускаются компанией Epcos, кольцо № 2 – компанией TDK. Магнитные проницаемости µ всех колец – немного больше 2000 (точное значение µ указано в справочном листке на каждое кольцо).
Эксперимент показал следующее. Трансформаторы № 1 и № 2 испытывают еле заметный нагрев, а трансформаторы № 3 и № 4 остаются абсолютно холодными при токе 10 А. При отсутствии нагрузки все трансформаторы холодные. Радиаторы платы транзисторов, независимо от типа трансформатора, в отсутствие нагрузки нагреваются немного больше (приблизительно до 30°C), чем при токе 10 А (25°C). Амплитуда выброса при использовании трансформаторов № 1 и № 2 составляла около 170 В, при использовании трансформаторов № 3 и № 4 – около 180 В, хотя индуктивность трансформаторов № 3 и № 4 (18,5 мГн) больше индуктивности трансформаторов № 1 и № 2 (13,5 мГн) почти на треть.
Параметры трансформаторов № 1 и № 2, за исключением размеров, практически одинаковы (см. таб. 2). Эффективная площадь сечения кольца у них также одинаковая (77 мм2). Магнитопровод трансформатора № 1 немного выше, но имеет чуть меньший диаметр. Интерес к сравнению этих трансформаторов состоял в том, что кольцо трансформатора № 2 имеет невероятно низкую стоимость – около 10 руб. за штуку, из-за этого их продают в количестве не менее 11 штук. Это кольцо не имеет внешнего покрытия, поэтому его заострённые кромки перед намоткой необходимо скруглить, а затем обмотать кольцо двумя слоями фторопластовой ленты толщиной 0,5 мм. Магнитопровод трансформатора № 1, как и магнитопроводы трансформаторов № 3 и № 4, имеет достаточно прочное диэлектрическое покрытие. Его стоимость составляет около 70 руб. за штуку. Трансформатор № 4 имеет самые большие габариты из всех четырёх трансформаторов и самую большую стоимость – около 120 руб. за штуку. Интерес к этому трансформатору состоял в проверке его работы при токе 15 и 20 А. Для ИИП был выбран трансформатор № 3, так как, во-первых, он практически не нагревается, во-вторых, имеет приемлемые габариты и стоимость около 80 руб. за штуку.
Технология намотки трансформаторов состоит в следующем. Вначале параллельно наматываются две первичные обмотки. После этого конец первой обмотки соединяется с началом второй. Это и есть средняя точка. К этой точке припаивается провод чуть большего диаметра, а на место спайки надевается трубка из ПВХ. Далее на все три провода надевается экранирующая оплётка, а на неё – изолирующая трубка из ПВХ. После этого кольцо обматывается одним слоем фторопластовой ленты толщиной 0,05 мм. Затем в разные стороны наматываются две полуобмотки питания контроллера, их концы спаиваются вместе и припаиваются к экрану. Противоположные концы обмоток помещаются внутрь экрана, на который надевается трубка. После этого всё кольцо, в том числе и обмотка питания, обматывается ещё одним слоем фторопластовой ленты толщиной 0,1 мм (или двумя слоями ленты толщиной 0,05 мм).
Перед намоткой двух вторичных полуобмоток их концы спаиваются вместе, к ним припаивается «земляной» провод, а на место спайки надевается трубка из ПВХ. Далее наматывается одна из вторичных полуобмоток, и кольцо обматывается одним слоем фторопластовой ленты. После этого в обратную сторону наматывается вторая полуобмотка. Поскольку количество витков вторичных обмоток мало¢ (5 или 7), вторую полуобмотку желательно поместить между витками первой. Затем всё кольцо ещё раз обматывается фторопластовой лентой. Трансформатор готов.
С платой транзисторов и платой контроллера трансформатор соединяется экранированными кабелями, экран которых подключается к «земле» платы транзисторов и платы контроллера, соответственно. Трансформатор устанавливается на стеклотекстолитовой пластине с отверстиями, через которые пропускаются два конца вторичных полуобмоток с надетыми на них фторопластовыми трубками. Эти два конца впоследствии припаиваются к соответствующим контактам платы диодов. Трансформатор крепится к пластине одним винтом М4 (см. рис. 16а). На шляпку винта приклеивается небольшой кусок фторопластовой ленты толщиной 0,5 мм (см. рис. 16б). Стеклотекстолитовая пластина закрепляется на дне корпуса двумя карболитовыми уголками. Медное покрытие пластины заземляется небольшим отрезком провода (см. рис. 16а).

Плата ВЧ-выпрямителя (см. рис. 10) состоит из четырёх диодов STPS40L40CT (VD1-VD4) в корпусе ТО-220. Схема выпрямления организована в виде двух полумостов со средней точкой: полумост VD1, VD2 предназначен для получения положительного напряжения (+25 В), полумост VD3, VD4 – для отрицательного (–25 В). В каждом корпусе находится два диода с максимальным обратным напряжением 40 В и максимальным током 20 А. Катоды диодов соединены внутри корпуса, а аноды соединяются навесным монтажом. Диоды установлены на теплоотводе через керамические прокладки и соединяются с платой отрезками провода МГТФ 0,2. На места спайки проводов с выводами диодов надеваются трубки. Параллельно каждому из диодов подключены конденсаторы (C3–C6), подавляющие ВЧ-помехи. Снабберы R1C1 и R2C2 снижают высокочастотные пульсации напряжения. На той же плате находятся элементы R3, C7 и VD5, предназначенные для подачи напряжения питания на реле, расположенное на плате сетевого выпрямителя (см. часть 1 статьи, рис. 2). При включении сетевого напряжения и после того, как начнёт работать трансформатор, напряжение питания с контактов A1–A2 платы ВЧ-выпрямителя подаётся на соответствующие контакты реле, последнее закорачивает резистор R1 (см. рис. 2), подавая на ИИП полноценное питание. В этом состоянии реле находится на протяжении всего времени работы ИИП.

Разводка платы ВЧ-выпрямителя показана на рисунке 17. Сама плата крепится к радиатору (О111-60) на четырёх пластмассовых стойках (см. рис. 18), а радиатор – ко дну корпуса двумя винтами с теплоизолирующими фторопластовыми шайбами.

На плате можно увидеть два штырька, к которым припаиваются концы вторичных полуобмоток трансформатора (см. рис. 16б). При таком способе монтажа минимизируется длина проводников от вторичной обмотки трансформатора до платы ВЧ-выпрямителя, что снижает уровень пульсаций выходного напряжения ИИП.
В заключительной третьей части статьи будут рассмотрены высокочастотный LC-фильтр, предварительный и линейные стабилизаторы, а также компоновка и внешний вид ИИП.
Литература
- Мачинский В., Штильман В. Сглаживающие фильтры на транзисторах. Радио. 1965. № 4.
- Жучков В., Зубков О., Радутный И. Блок питания УМЗЧ. Радио. 1987. № 1.
- Кузьминов А. Метод фоторепродуцирования для изготовления фотошаблона печатных плат в домашних условиях. Технологии в электронной промышленности. 2010. № 5–7.
- Кузьминов А. Изготовление устройств на печатных платах с высоким разрешением в домашних условиях. Технологии в электронной промышленности. 2010. № 8–10.
- Кузьминов А. Мощный стабилизатор двухполярного напряжения для УМЗЧ. Радио, № 5, 2012
- Кузьминов А. Использование мощных полевых транзисторов и операционных усилителей в прецизионных регуляторах и стабилизаторах напряжения. Современная электроника. 2012. № 7.
- Meares Larry. Designing R2CD Snubbers Using Standard Recovery Diodes. Intusoft. www.intusoft.com. 2013.
- Уильямс Д. Минимизация прохождения помех от импульсного стабилизатора напряжения через линейный стабилизатор. Компоненты и технологии. 2007. № 2.
Если вам понравился материал, кликните значок — вы поможете нам узнать, каким статьям и новостям следует отдавать предпочтение. Если вы хотите обсудить материал —не стесняйтесь оставлять свои комментарии : возможно, они будут полезны другим нашим читателям!

