Фильтр по тематике

Импульсный ИП со стабилизированным выходом и низким уровнем пульсаций. Часть 3

В статье описан сетевой импульсный источник питания со стабилизированным выходным напряжением ±20 В / 10 А и относительно низким уровнем пульсаций.

20.06.2015 1303 0
Импульсный ИП со стабилизированным выходом и низким уровнем пульсаций. Часть 3

Высокочастотный LC-фильтр и предварительный стабилизатор

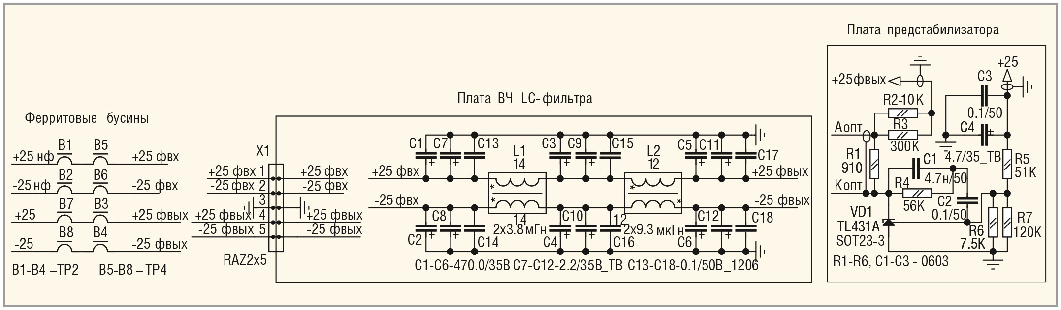
Оба выпрямленных напряжения – положительное (+25 нф) и отрицательное (–25 нф) – с платы ВЧ-выпрямителя поступают на высокочастотный пассивный LC-фильтр (см. рис. 19). В этом фильтре используются два двухобмоточных дросселя L1 и L2, предназначенных для подавления соответственно дифференциальной и синфазной составляющих пульсаций выпрямленного напряжения.

В дросселе L1 обмотки включены встречно. Следовательно, постоянные составляющие двух магнитных потоков, направленных навстречу друг к другу, взаимно уничтожаются, в результате чего подавляются дифференциальные составляющие пульсаций. Взаимоуничтожение магнитных потоков препятствует входу в насыщение сердечника магнитопровода даже при максимальном токе, что позволяет применять для магнитопровода материал (CF199) с максимально возможной магнитной проницаемостью (µ = 10 000). Расчёт такого дросселя не требуется, и ограничениями являются только максимальная частота работы материала сердечника (до 100 кГц), его габаритные размеры, число витков и диаметр обмоточных проводов, которые также определяют габариты дросселя. Дроссель L1 намотан на кольце Т2010 Cosmo Ferrites (D × d × h = 20 × 10 × 10 мм). Каждая из обмоток содержит 14 витков провода ПЭТВ-2 диаметром 1,2 мм и имеет индуктивность 3,8 мГн.

В дросселе L2 обмотки включены согласно. В этом случае подавляются синфазные составляющие пульсаций выпрямленного напряжения. В связи с тем, что магнитные потоки двух обмоток складываются, необходим несложный расчёт числа их витков, при котором материал сердечника не войдёт в насыщение при максимальном токе. Материал, используемый в подобных дросселях, должен иметь максимально возможную индукцию насыщения. Если раньше использовались материалы с Bmax = 0,4…0,5 Тл (альсифер, пермаллой), то в настоящее время для подобных целей применяются порошковые материалы с Bmax = 1,1 Тл (например, Cool Mµ) и даже 1,5 Тл (High Flux) производства компании Magnetics. Кольца из этих материалов доступны и недороги.

Дроссель L2 намотан на кольце размерами D × d × h = 26,9 × 14,7 × 11,2 мм из материала Cool Mµ с магнитной проницаемостью µ = 60 (марка сердечника 77894А7) двойным проводом ПЭТВ-2 диаметром 1,0 мм (каждая обмотка наматывается двойным проводом). Число витков каждой обмотки – 12. На рисунке 19 начало каждой обмотки отмечено звёздочкой (*). Индуктивность каждой из обмоток составляет 9,3 мкГн. При максимальном токе 10 А, протекающем по каждой из обмоток (встречно) и создающем магнитный поток, соответствующий току в 20 А, магнитная индукция составляет 0,99 Тл, что на 10% меньше максимально возможной магнитной индукции (1,1 Тл), при которой сердечник войдёт в насыщение. Максимальная частота работы материала Cool Mµ с магнитной проницаемостью µ = 60 составляет 900 кГц.

Конденсаторы C1–C6 – электролитические алюминиевые, C7–C12 – электролитические танталовые, предназначенные для поверхностного монтажа (размер B). Конденсаторы C13–C18 – керамические для поверхностного монтажа (размер 1206).

Следует отметить, что LC-фильтр предназначен для подавления сигналов в диапазоне частот до 100 кГц. На сигналы низких частот (например, сетевой частоты 50 Гц) и высоких частот (единицы и десятки МГц), которые возникают при переключении транзисторов, этот фильтр влияния не оказывает. Эффективным способом подавления пульсаций в радиочастотном диапазоне является использование специальных ферритовых бусин [8].

Ферритовая бусина представляет собой цилиндр с отверстием для провода, расположенным по его оси. Материал, из которого изготавливают бусины, имеет очень низкую магнитную проницаемость (µ = 5…10), по­этому бусина добавляет очень малую индуктивность (единицы и десятки нГн). Диаметр цилиндра – от единиц до нескольких десятков миллиметров. Существуют бусины с двумя отверстиями (их называют трансфлюксорами), четырьмя и даже с бóльшим количеством отверстий, а также бусины для поверхностного монтажа.

В описываемом ИИП используются бусины диаметром 6 мм (B1–B4) с двумя отверстиями и четыре бусины диаметром 12 мм (B5–B8) с четырьмя отверстиями (см. рис. 19). Через эти бусины пропускаются провода, идущие от ВЧ-выпрямителя (+25 нф и –25 нф) к LC-фильтру, и провода, идущие от LC-фильтра к линейным стабилизаторам (+25 и –25). Кроме того, на провод с выходными напряжениями ИИП также надеты бусины, но большего размера. Несмотря на свою простоту, малый размер и достаточно низкую стоимость, ферритовые бусины могут на порядок и более снизить уровень радиочастотных пульсаций [8]. Об этом необходимо помнить при конструировании ИИП.

Разводка платы высокочастотного LC-фильтра приведена на рисунке 20. Плата крепится ко дну корпуса двумя карболитовыми уголками через крепёжные отверстия КО1 и КО2 (см. рис. 21). Дроссель L2 установлен на плате горизонтально и крепится к ней винтом, а дроссель L1, ввиду малого диаметра, установлен вертикально и крепится к плате изолированным металлическим хомутом. Пластина из карболита с двумя рядами по 5 лепестковых контактов (X1) крепится к плате фильтра с помощью двух металлических стоек (см. рис. 21).

Плата предварительного стабилизатора (см. рис. 19) – устройство с оптроном и параллельным стабилизатором на микросхеме TL431 (КР142ЕН19А). Оно используется практически во всех ИИП обычно в паре с оптроном марки PC817 в корпусе DIP. Работает устройство очень просто. При увеличении тока нагрузки ИИП выходное напряжение падает, что приводит к уменьшению тока через параллельный стабилизатор TL431 (Vd1 на рис. 19). Это приводит к уменьшению тока через светодиод оптрона PC3H7 (ОПТ1 на рис. 10), расположенного на плате контроллера. В результате уменьшается ток фототранзистора оптрона и растёт напряжение на нём, что приводит к увеличению длительности импульсов ШИМ, и, в свою очередь, к росту выходного напряжения, которое восстанавливается примерно до первоначального значения.

Плата предварительного стабилизатора соединяется с платой контроллера экранированным кабелем, по которому на анод светодиода оптрона подаётся сигнал Аопт, а на катод – сигнал Копт (см. рис. 19). Сигнал Копт соединяется с экраном, на который надета изолирующая трубка. Сигнал Аопт передаётся по проводу (МГТФ 0,05), идущему внутри экрана. Резисторы R2 и R3 ограничивают ток через оптрон и VD1, резистор R1 определяет начальный ток VD1, когда ток через оптрон отсутствует. Соотношение резисторов R5 и R6||R7 определяет выходное напряжение предварительного стабилизатора, составляющее около 20,5 В. Цепочка R4C1C2 определяет время реакции стабилизатора на изменение выходного напряжения. Конденсаторы C3 и C4 снижают уровень помех в сигнале, который подаётся на вход (Ref) VD1.

Несмотря на простоту схемы предварительного стабилизатора, точный расчёт номиналов резисторов на основе справочных данных невозможен, так как параметры активных элементов имеют достаточно большой разброс. Например, передаточная функция оптрона PC3H7, то есть соотношение тока светодиода и выходного тока фототранзистора (Current Transfer Ratio – CTR), нормируется в диапазоне 20…400%. Кроме того, достаточно высокий коэффициент усиления тока в ответ на изменение напряжения на выводе Ref параллельного стабилизатора (в нём применяется операционный усилитель) может привести к возникновению паразитных колебаний. Ко всему прочему, не известен закон, по которому изменяется длительность импульсов ШИМ в зависимости от тока светодиода оптрона, а также зависимость выходного напряжения от длительности импульсов ШИМ.

По этой причине была измерена зависимость длительности импульсов ШИМ-контроллера от тока через светодиод оптрона PC3H7. Для этого к стабилизированному источнику питания +5 В последовательно со светодиодом оптрона был подключён переменный резистор, вращая движок которого можно было регулировать ток через светодиод. Ток через светодиод и напряжение на светодиоде измерялись двумя мультиметрами. К выводам драйверов контроллера OUT1(5) и OUT2(6) был подключён осциллограф для наблюдения за длительностью импульса ШИМ. Второй стабилизированный источник питания +12 В для питания контроллера был подключён к одному из диодов VD2 (см. рис. 10). Частота ШИМ составляла 60 кГц, а максимальная длительность импульсов – около 7 мкс. Были сняты показания тока через каждую микросекунду плюс одно измерение при 0,5 мкс, а показания напряжения – в двух крайних точках: при длительности импульса в 1 мкс и 7 мкс. Установленная зависимость всё прояснила (см. табл. 3).

На основе упрощённой схемы предварительного стабилизатора (см. рис. 22) был произведён расчёт и найдены предварительные номиналы резисторов. Выходное напряжение Uвых = 20,5 В, опорное напряжение на входе Ref параллельного стабилизатора TL431, равное URef = 2,5 В, минимальные паспортные значения тока и напряжения TL431, при которых он работает в штатном режиме (Iмин = 1 мА, Uмин = 2,5 В мА), известны. Паспортное напряжение на светодиоде PC3H7 при отсутствии тока составляет UДмах.0 = 0,9 В в диапазоне температур 25…50°C. Измеренное максимальное падение напряжения на светодиоде оптрона при максимальном токе 0,75 мА равно UДоптр.макс = 1,1 В (см. таб. 3).

Исходя из схемы, изображённой на рисунке 22, можно найти значение напряжения на входе Ref стабилизатора TL431: URef = Uвых × R4 / (R3 + R4). Задав, например, R3 = 51 кОм, можно найти значение R4 из уравнения 2,5 В = 20,5 В × R4 / (51 кОм + R4). Значение R4 = 2,5 В × 51 кОм / (20,5 – 2,5 В) В = 7,08 кОм, или 7,5 кОм (из ряда Е24). Выбрав из этого же ряда резистор 120 кОм и подсоединив его параллельно резистору 7,5 кОм, можно получить близкое к расчётному значение 7,5 кОм||120 кОм = 7,059 кОм (R6 и R7 по схеме на рисунке 19, соответственно).

Резистор R1 (см. рис. 22) должен обеспечить минимальный рабочий ток TL431 Iмин = 1 мА при падении напряжения на светодиоде UДмах.0 = 0,9 В и отсутствии тока, то есть R1 = 0,9В / 1 мА ≈ 910 Ом. Номинал резистора R2 (см. рис. 22) можно найти из следующих соображений. Максимальный ток через резистор R1 (IR1макс) будет равен максимальному падению напряжения на светодиоде оптрона при максимальном токе IДмакс.= 0,75 мА (UДоптр.макс), делённом на R1, то есть IR1макс = UДоптр.макс / R1 = 1,1 В / 910 Ом = 1,2 мА. Максимальный ток через резистор R2 (IR2макс) равен сумме максимального тока через светодиод оптрона (IДмакс.= 0,75 мА) и максимального тока через резистор R1, то есть IR2макс = IДмакс + IR1макс = 0,75 мА + 1,2 мА = 1,95 мА.

Минимальное значение напряжения на резисторе R2 (UR2мин) будет равно разности между выходным напряжением (Uвых = 20,5 В) и минимальным напряжением (Uмин = 2,5 В) на стабилизаторе TL431, при котором он ещё работает в штатном режиме, то есть UR2мин = Uвых – Uмин.= 20,5 В – 2,5 В = 18 В. Зная ток через R2 (IR2макс = 1,95 мА) и напряжение на нём (UR2мин = 18 В), можно определить примерный номинал резистора R2 = UR2мин / IR2макс = 18 В / 1,95 мА = 9,23 кОм.

Сопротивление резистора R2 определяет своего рода коэффициент усиления тока TL431. Дело в том, что эта ИС содержит ОУ с большим коэффициентом усиления. Поэтому даже незначительное отклонение напряжения, поданного на его вход Ref, приводит к резкому изменению выходного тока. Этот ток проходит через R2 и, естественно, им ограничивается. От сопротивления R2 зависит рост тока при изменении напряжения на входе Ref, то есть, регулируя R2, можно изменять чувствительность ШИМ к изменению напряжения на входе Ref. Если этот коэффициент усиления слишком большой, то незначительное увеличение напряжения на входе Ref может привести к полному исчезновению импульсов ШИМ. С другой стороны, при малом коэффициенте усиления изменение напряжения на входе Ref будет слабо влиять на длительность импульсов, что не позволит обеспечить требуемый коэффициент стабилизации.

Чтобы выбрать оптимальный коэффициент усиления (то есть сопротивление R2), необходимо собрать схему (см. рис. 23) и экспериментально установить сопротивление R2 таким, чтобы регулирование длительности импульсов осуществлялось при изменении напряжения питания в диапазоне от минимального 20,5 В до максимального 22,5…23 В. Для этого на лабораторном ИП установим значение напряжения питания стабилизатора 20,5 В, а движок резистора R* сместим вправо (в соответствии со схемой на рисунке 23), то есть «закоротим» его. В этом случае значение R2 будет равно 8,2 кОм, а длительность импульсов будет максимальной. Увеличим напряжение питания на 0,1 В, то есть до 20,6 В. В этом случае длительность импульсов будет очень короткой или они вообще пропадут. Это означает, что коэффициент усиления очень высок. Восстановим напряжение до 20,5 В и сместим движок резистора R* влево, например, на треть. Ещё раз увеличим напряжение на 0,1 В до 20,6 В. В этом случае длительность импульсов незначительно уменьшится, а при увеличении напряжения на 1 В длительность уменьшится приблизительно в два раза. И только при увеличении напряжения до 25…26 В длительность импульсов станет совсем короткой (0,2…0,5 мкс.). Это означает, что коэффициент усиления мал.

При установке сопротивления R* таким образом, что общее сопротивление (R* + 8,2) кОм будет равно ранее рассчитанному значению R2 = 9,23 кОм, максимальное значение напряжения питания, при котором ещё будут наблюдаться импульсы, окажется выше необходимых 23 В. Путём подобных экспериментов можно найти оптимальное значение R2 = 9,6…9,7 кОм, при котором регулирование длительности импульсов осуществляется в требуемом диапазоне напряжения питания 20,5…22,5 В. Сопротивление 9,67 кОм образуют два параллельно соединённых резистора 10 кОм и 300 кОм. На плате предварительного стабилизатора (см. рис. 19) именно такие номиналы и установлены (R2 = 10 ком, R3 = 300 кОм).

Как показали измерения напряжения на выходе LC-фильтра, в зависимости от тока нагрузки оно изменяется следующим образом. При отсутствии нагрузки напряжение равно приблизительно 22,5…23 В, при токе нагрузки в диапазоне от 2 А до 7,5…8 А напряжение равно 20,54 В и от нагрузки мало меняется. При токе нагрузки в 10 А напряжение равно 20,3 В.

Технология подбора сопротивления R2 приводится для того, чтобы при использовании оптронов другого типа, или при другом выходном напряжении ИИП, можно было правильно настроить плату предварительного стабилизатора. При использовании указанного на схеме оптрона и при выходном напряжении ИИП 20 В подбора не требуется, и правильно собранная плата предварительного стабилизатора работает сразу.

Цепочки R4, C1, C2 (см. рис. 19) препятствуют самовозбуждению параллельного стабилизатора TL431 и снижают уровень ВЧ-помех, проникающих на его вход Ref. Их схема и номиналы рекомендованы для контроллера LM5033 изготовителем, как и цепь R9C10 на плате контроллера (см. рис. 10), которая снижает уровень ВЧ-пульсаций в выходном напряжении оптрона.

Плата предварительного стабилизатора подключается к двум напряжениям, обозначенным как +25 фвых и +25 (см. рис. 19). Это два конца одного провода питания, который соединяет выходное напряжение LC-фильтра со входом линейного стабилизатора положительного напряжения. На этот провод надеты две ферритовые бусины, подавляющие радиочастотные помехи. Таким образом, вход предварительного стабилизатора, обозначенный как +25, который формирует опорное напряжение для TL431, имеет более низкий уровень помех, чем вход, обозначенный как +25 фвых, через который проходит ток светодиода оптрона. Такое подключение предварительного стабилизатора – распространённая практика. Кроме того, именно так подключена обратная связь в оценочной плате для контроллера LM5033.

По существу, предварительный стабилизатор, входы которого подключены к выходному напряжению ШИМ, а выход – через оптрон ко входу Comp контроллера, реализует петлю отрицательной обратной связи (ООС). Теоретически рассчитать все параметры такой ООС достаточно сложно, так как на них влияет много факторов. Технология оценки параметров с элементами экспериментального подбора, приведённая ранее, даёт оптимальный результат.

Разводка платы предварительного стабилизатора очень проста (см. рис. 24), а размер платы уникально мал – 10 × 13 мм. Танталовый конденсатор C4 (см. рис. 19) установлен на стороне, противоположной стороне размещения дорожек (см. рис. 25б). Сама плата не имеет крепёжных отверстий и приклеена к внутренней боковой поверхности корпуса отрезком двухсторонней пористой ленты.

Линейные стабилизаторы

Выходные напряжения положительной и отрицательной полярности, поступающие на входы линейных стабилизаторов, зависят от тока нагрузки: при малом токе (или вообще без нагрузки) эти напряжения имеют наибольшие значения ±(22,5…23) В. В диапазоне от 2 до 7,5 А выходные напряжения равны приблизительно ±20,5 В и слабо зависят от тока нагрузки. В диапазоне от 7,5 до 10 А эти напряжения постепенно снижаются с ±20,5 В до ±20,3 В. Назначение линейных стабилизаторов – стабилизировать напряжения на уровне ±20 В во всём диапазоне тока нагрузки.

Для минимизации нагрева стабилизаторов разность между входными и выходными напряжениями не должна превышать 0,5 В при токах нагрузки от 2 до 7,5 А и 0,3 В при токе нагрузки в 10 А. Стандартные интегральные стабилизаторы здесь не подходят, так как, во-первых, при таких токах нагрузки имеют падение напряжения между входом и выходом, значительно превышающее 0,5 В, во-вторых, – медленную и неточную встроенную защиту от превышения тока, а в-третьих, интегральные стабилизаторы, рассчитанные на токи в 10 А и более, стоят более 1000 руб. за штуку.

Параметры стабилизаторов [6], построенных на основе мощных полевых транзисторов и ОУ, обеспечивают падение напряжения между входом и выходом не более 0,1 В при токе нагрузки в 10 А. Изменение выходного напряжения стабилизаторов, в зависимости от тока нагрузки, не превышает 0,01 В на каждый ампер тока. Стабилизаторы не имеют встроенной защиты от превышения тока, поскольку эту функцию эффективно выполняет контроллер ИИП. Кроме того, стоимость ОУ и полевых транзисторов в сумме не превышает 100 руб. Пульсация выходных напряжений стабилизаторов составляет всего несколько милливольт при токе нагрузки 10 А и более. К сожалению, стабилизаторы пропускают радиочастотные составляющие пульсаций.

Если взглянуть на схемы стабилизаторов (см. рис. 26), можно заметить не­обычное включение полевых транзисторов: входное напряжение подаётся на исток транзистора, а выходное снимается со стока. Хотя идея такого включения транзисторов не нова [5], совместное применение ОУ и мощных полевых транзисторов в линейных стабилизаторах встречается редко. При таком включении (см. рис. 26) стандартный полевой p-канальный транзистор будет работать в штатном режиме при питании отрицательным напряжением, поскольку напряжение на стоке более отрицательно, чем на истоке, так как выходное напряжение всегда ниже входного. При увеличении тока нагрузки, когда напряжение на стоке транзистора упадёт, для его восстановления необходимо приоткрыть транзистор, а для этого следует подать на его затвор напряжение более отрицательное, чем напряжение истока, то есть ниже входного напряжения на 4…6 В. Это напряжение очень просто получить из входного или выходного напряжения. Чтобы снизить выходное напряжение до номинального, надо увеличить напряжение на затворе. Если выходным напряжением управлять с помощью ОУ, то на инвертирующий вход необходимо подать опорное напряжение, а на неинвертирующий – напряжение с делителя выходного напряжения. Именно так устроен стабилизатор положительного напряжения (см. рис. 26б). Напряжение с делителя выходного напряжения R4, R5, R6 подаётся на неинвертирующий (+) вход ОУ (7), опорное напряжение – на его инвертирующий (–) вход (8), а выход ОУ (1) соединён с затвором транзистора Т1 (через резистор R7). Стабилизатор отрицательного напряжения на n-канальном полевом транзисторе (см. рис. 26а) работает аналогичным образом.




Платы стабилизаторов реализованы (см. рис. 27–30) с использованием компонентов для поверхностного монтажа, кроме микросхем ОУ в DIP-корпусе и большого танталового конденсатора C3 размера D, расположенных на стороне (см. рис. 28б и рис. 30б), противоположной стороне расположения дорожек (см. рис. 28а и рис. 30а). Благодаря использованию миниатюрных компонентов удалось скомпоновать стабилизатор на плате размером 15 × 16 мм. Это позволило минимизировать длину проводников, что исключило паразитную генерацию, иногда проявляющуюся в подобных стабилизаторах [6]. Малые габариты и небольшой вес плат позволили отказаться от крепёжных отверстий: платы держатся на выводах транзисторов, а сами транзисторы закреплены на теплоотводах винтами через керамические прокладки с дополнительным слоем теплопроводящей пасты (см. рис. 31).

На рисунке 31 можно заметить два керамических проволочных резистора, которые определяют минимальный ток ИИП каждой полярности (это Rф– и Rф+, показанные на схеме на рисунке 26), два плёночных и два электролитических конденсатора (C–п, C+п и C–э, C–э соответственно) и два светодиода с токоограничительными резисторами (VD_З, VD_К, Rи_З, Rи_К). Светодиоды припаяны к двум проводам, которые позволяют вставить их в отверстия верхней крышки корпуса ИИП, закрытые прозрачными пластмассовыми заглушками. Красный (К) светодиод индицирует наличие положительного выходного напряжения, зелёный (З) – отрицательного. Все эти компоненты припаяны к лепесткам выходного разъёма (X1 на рисунке 26в) навесным способом, а сам разъём из карболита закреплён на радиаторах двумя винтами. К этому же разъёму припаяны провода с входными напряжениями стабилизаторов (+25 и –25, на рисунке 26в), на которые надеты по две ферритовые бусины, и кабель с выходными напряжениями, на который надета резиновая втулка (см. рис. 32а, слева). Радиаторы крепятся ко дну корпуса ИИП винтами на двух карболитовых уголках. Марка теплоотводов – HS-117-50 (43 × 50 × 20 мм).

Благодаря хорошим параметрам, вышеописанные стабилизаторы с успехом могут быть использованы не только в ИИП, но и в БП с обычным сетевым трансформатором. Выходной ток стабилизаторов может значительно превышать ток 10 А. Максимальный паспортный ток n-канальных транзисторов IRF3205 и IRF1405 составляет 75 А. P-канальные транзисторы также отличаются большими токами: IRF4905 (74 A), STP80PF55 (80 A). Поэтому стабилизаторы на их основе могут работать с токами, значительно превышающими 10 А. Выходное напряжение также не ограничивается ±20 В. Хотя упомянутые транзисторы и могут эксплуатироваться при максимальном напряжении в 55 В, использованные ОУ могут работать при напряжении только 30 В (абсолютный максимум составляет 40 В), что является ограничением для вышеописанных стабилизаторов. Однако существуют ОУ с более высоким напряжением питания, на основе которых могут быть построены высоковольтные стабилизаторы с низким падением напряжения и сверхмалым уровнем пульсации выходного напряжения.

Компоновка, внешний вид и результаты испытаний ИИП

Корпус для ИИП PL 20-8(91), произведённый фирмой SANHE, имеет размеры 178 × 108 × 69 мм (см. рис. 32). Его особенность – наличие большого количества вентиляционных отверстий, расположенных на всех поверхностях, что способствует конвективному охлаждению теплоотводов. Однако если отбираемая мощность превышает 150 Вт, ИИП будет перегреваться. При установке теплоотводов вне корпуса, мощность, отдаваемая ИИП в нагрузку, может быть значительно выше. Второй вариант – применение принудительного охлаждения с помощью вентилятора. В любом случае, при соответствующем охлаждении, ИИП способен отдавать мощность до 400 Вт в течение длительного времени.

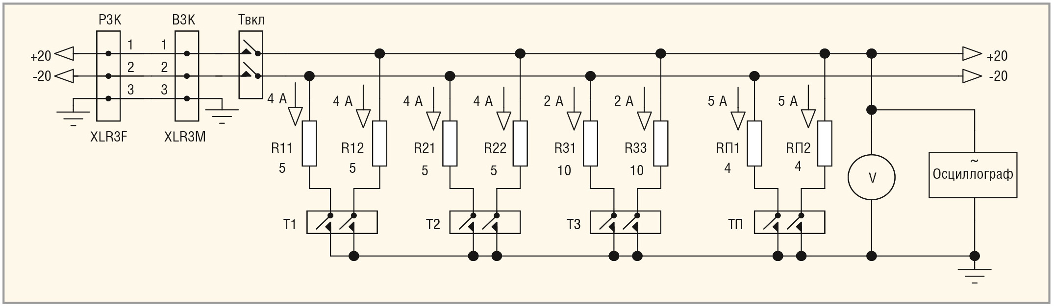
Испытания ИИП проводились по схеме, приведённой на рисунке 33. С помощью резисторов R11–R33 мощностью 75 Вт и переключателей T1–T3 можно установить следующие выходные токи: 2 А (включён только тумблер Т3), 4 A (T1 или Т2), 6 А (Т1 и Т3 или Т2 и Т3), 8 А (Т1 и Т2) и 10 А (Т1, Т2 и Т3). Резисторы RП1 и RП2 мощностью 50 Вт предназначены для имитации перегрузки по току. Если включены все тумблеры Т1–Т3, то при включении тумблера ТП выходной ток возрастёт до 15 А, что при напряжении ± 20 В соответствует мощности 600 Вт. В этом случае срабатывает защита, и контроллер переходит в режим мягкого запуска с периодом повторения 0,3…0,5 с.

Цифровой вольтметр (V) позволяет контролировать выходное напряжение, а по осциллографу, вход которого должен быть закрытым (~), наблюдается размах пульсаций. Испытания ИИП показали, что все свои функции он выполняет в полном объёме.

Описанный в статье ИИП создавался как альтернатива БП с обычным сетевым трансформатором. Единственным преимуществом БП без преобразования перед ИИП является почти на порядок меньший размах пульсаций выходного напряжения.

При изготовлении печатных плат описанного ИИП автор использовал упрощённую процедуру получения фотошаблона в отличие от [3]: печатаем его любым лазерным принтером непосредственно из программы Layout 6.0 на универсальной прозрачной плёнке LOMOND (марка 0710421), предназначенной для лазерных и струйных принтеров, на стороне лазерной печати, затем для увеличения плотности тонера помещаем его на полчаса в атмосферу дихлорэтана. Уточнено время экспонирования стеклотекстолита фирмы Bungard с нанесённым фоторезистором по сравнению с [4]: 4 минуты под УФ-лампой ULTRA VITALUX 300 Вт с расстояния 40 см. Уточнена концентрация раствора для проявления: в пустую бутылку из-под «Крота» наливается одна полная жидкости крышка от этой же бутылки и разбавляется доверху водой. Температура проявления +25…+30°C, время – 5–7 минут.

Заключение

Применение современных электронных компонентов, в том числе микросхемы контроллера LM5033, быстродействующих высоковольт­ных полевых транзисторов в ВЧ-пре­образователе, кольцевых сердечников из магнитомягких материалов с низким уровнем потерь и порошковых материалов с высокой магнитной индукцией насыщения (Bmax = 1,1 Тл) в выходном помехоподавляющем дросселе, активного фильтра выпрямленного сетевого напряжения на мощном полевом транзисторе, R2CD снаббера в ВЧ-преобразователе, линейных стабилизаторов на базе ИОУ и мощных полевых транзисторов позволило сконструировать достаточно компактное и надёжное устройство с пассивным охлаждением.

Без изменения схемы описанный ИИП способен работать при трёхкратном увеличении мощности (с 400 Вт до 1,2 кВт) и более. Для увеличения выходной мощности требуется только изменить номиналы некоторых компонентов, применить радиаторы с большей площадью (или принудительное охлаждение с помощью вентилятора), а также использовать сердечники трансформаторов и фильтров большего размера.

Если требования к стабильности и уровню пульсаций выходных напряжений не очень высокие (например, в зарядных устройствах автомобильных аккумуляторов), то ИИП можно значительно упростить. В этом случае можно исключить активный транзисторный фильтр сетевого напряжения и линейные стабилизаторы, а вместо LC-фильтра использовать конденсаторы небольшой ёмкости. На выходную мощность ИИП это не повлияет.

Литература

  1. Мачинский В., Штильман В. Сглаживающие фильтры на транзисторах. Радио. 1965. № 4.
  2. Жучков В., Зубков О., Радутный И. Блок питания УМЗЧ. Радио. 1987. № 1.
  3. Кузьминов А. Метод фоторепродуцирования для изготовления фотошаблона печатных плат в домашних условиях. Технологии в электронной промышленности. 2010. № 5–7.
  4. Кузьминов А. Изготовление устройств на печатных платах с высоким разрешением в домашних условиях. Технологии в электронной промышленности. 2010. № 8–10.
  5. Кузьминов А. Мощный стабилизатор двухполярного напряжения для УМЗЧ. Радио, № 5, 2012
  6. Кузьминов А. Использование мощных полевых транзисторов и операционных усилителей в прецизионных регуляторах и стабилизаторах напряжения. Современная электроника. 2012. № 7.
  7. Meares Larry. Designing R2CD Snubbers Using Standard Recovery Diodes. Intusoft. www.intusoft.com. 2013.
  8. Уильямс Д. Минимизация прохождения помех от импульсного стабилизатора напряжения через линейный стабилизатор. Компоненты и технологии. 2007. № 2.

Если вам понравился материал, кликните значок — вы поможете нам узнать, каким статьям и новостям следует отдавать предпочтение. Если вы хотите обсудить материал —не стесняйтесь оставлять свои комментарии : возможно, они будут полезны другим нашим читателям!

20.06.2015 1303 0
Комментарии
Рекомендуем
К 130-летию со дня рождения великого советского физика Игоря Евгеньевича Тамма. Часть 4. История возникновения  концепции поляритонов

К 130-летию со дня рождения великого советского физика Игоря Евгеньевича Тамма. Часть 4. История возникновения концепции поляритонов

В прошлом году в журнале «Современная электроника» были опубликованы три статьи, посвящённые юбилею выдающегося российского физика-теоретика Игоря Евгеньевича Тамма (СОЭЛ № 7–9, 2025). В частности, были описаны современные быстродействующие электрооптические модуляторы, поверхностные состояния Тамма, запрещённые фотонные зоны и фотонные кристаллы. В этих статьях умышленно не затрагивались темы поляритонов, оптических состояний Тамма (ОСТ) и плазмон-поляритонов Тамма (ППТ). Поскольку ключевой вклад в раннюю разработку этих явлений в основном принадлежит российским учёным, целесообразно посвятить их открытию более подробные отдельные статьи. Ниже рассмотрены два основных типа гибридных фотонных частиц: экситон-поляритоны и фонон-поляритоны.  
24.04.2026 СЭ №4/2026 99 0
Телевизор с электронно-лучевой трубкой: разработки С.И. Катаева и их значение

Телевизор с электронно-лучевой трубкой: разработки С.И. Катаева и их значение

«…Наступит время… когда миллионы таких приборов, таких "электрических глаз" будут всесторонне обслуживать общественную и частную жизнь, науку, технику и промышленность…» Б. Розинг Семён Исидорович Катаев (1904–1991 гг.), советский учёный и изобретатель в области телевидения, доктор технических наук, профессор, заслуженный деятель науки и техники – незаслуженно обделён вниманием популяризаторами истории электроники и телевидения в нашей стране. Тем не менее И.С. Катаев внёс значительный вклад в развитие инженерной мысли в СССР при разработке и усовершенствовании электронно-лучевых трубок (ЭЛТ), ставших на многие годы ключевой технологией, лежащей в основе экранов телевизоров и оборудования различного назначения. Катаев дополнил изобретение Зворыкина и по праву может считаться ещё одним «отцом» отечественного телевидения. В найденных документах роль Катаева прослеживается чётко, и в статье мы хотим это показать.
23.04.2026 СЭ №4/2026 108 0
Электронные системы диагностики, стимуляции и воздействия на человека на примере BAMH и управления –  на примере AE-Skin

Электронные системы диагностики, стимуляции и воздействия на человека на примере BAMH и управления – на примере AE-Skin

Путь будущих разработок в области современной электроники пролегает от визуального отображения окружающего пространства до тактильного. В этой связи представляют интерес система Bioinspired Adaptable Multiplanar mechano-vibrotactile Haptic (BAMH) – пневматически активируемый роботизированный электронный комплекс с интерфейсом из мягкого материала и система AE-Skin, обеспечивающая интерфейс между кожей человека и физическими поверхностями. Принцип её действия достаточно известен и заложен в управлении интерактивными экранами. В первой части статьи рассматриваются особенности новых разработок в области медицинской электроники и перспективы тактильного воздействия на кожу человека для лечения и изменения настроения. Во второй части представлен подробный разбор AE-Skin и примеры её совершенствования во всех сферах жизни человека: от управления посредством электронных тактильных датчиков миниатюрной формы до устройств на основе новых технологий, воспринимающих движения руками без прикосновения и без применения пироэлектрических детекторов, как управляющие сигналы для РЭА.
17.04.2026 СЭ №4/2026 152 0

ООО «ИнСАТ»  ИНН 7734682230  erid = 2SDnjeHksEz
ООО «ИнСАТ»  ИНН 7734682230  erid = 2SDnjddDXPx
  Подписывайтесь на наш канал в Telegram и читайте новости раньше всех! Подписаться