Фильтр по тематике

Российские DC/DC-преобразователи от НПП «Арбелос» для ответственных применений

В статье проводится исследование электрических параметров герметичного DC/DC-преобразователя, выполненного по толстоплёночной технологии российской компанией НПП «Арбелос», с целью подтверждения заявленных основных рабочих характеристик.

20.06.2015 795 0
Российские DC/DC-преобразователи от НПП «Арбелос» для ответственных применений

Прошедший 2014 г., бесспорно, войдёт в историю современной России не только как год радости, единения, спортивных успехов, но и как год потрясений, разочарований и, конечно, «дикого» импортозамещения. Отдельным результатам этого нового веяния и будет посвящена данная статья, а точнее – новым продуктам российского производителя, впервые представившего свои герметичные DC/DC-преобразователи серии АЭ27-30 на выставке «Силовая Электроника 2014».

И прежде чем углубиться в описание вышеуказанных изделий, хотелось бы немного остановиться на их разработчике – компании ООО НПП «Арбелос», которая была зарегистрирована совсем недавно, но при этом уже готова предложить российским компаниям свою продукцию.

Образование НПП «Арбелос» явилось вполне логичным шагом со стороны группы разработчиков силовой электроники из Дубны и специалистов в области ВЧ/СВЧ-аппаратуры из Зеленограда, поскольку за годы профессиональной деятельности ими был сформирован научно-технический задел для создания российских аналогов импортной продукции. В сложившихся условиях, когда многие отечественные предприятия массово отказываются от применения изделий, произведённых в государствах, поддержавших санкции против РФ, для молодой компании открылись большие возможности, которыми непременно стоило воспользоваться. Например, в отличие от уже давно присутствующих на рынке крупных холдингов, производящих DC/DC-преобразователи, небольшие компании могут быстро подстраиваться под текущие потребности российских клиентов.

Однако бодрый старт не является показателем надёжности, ведь многие молодые компании часто вводят своих потенциальных клиентов в заблуждение, предлагая «сырой» продукт или даже импортный, но под видом российского. Поэтому попробуем разобраться, что представляют собой DC/DC-преобразователи серии АЭ27-30 (см. табл. 1), проведя исследование электрических параметров и, самое главное, рассмотрев технологию производства на примере конкретного изделия – АЭ27-30-1-2-1.

Внешний вид

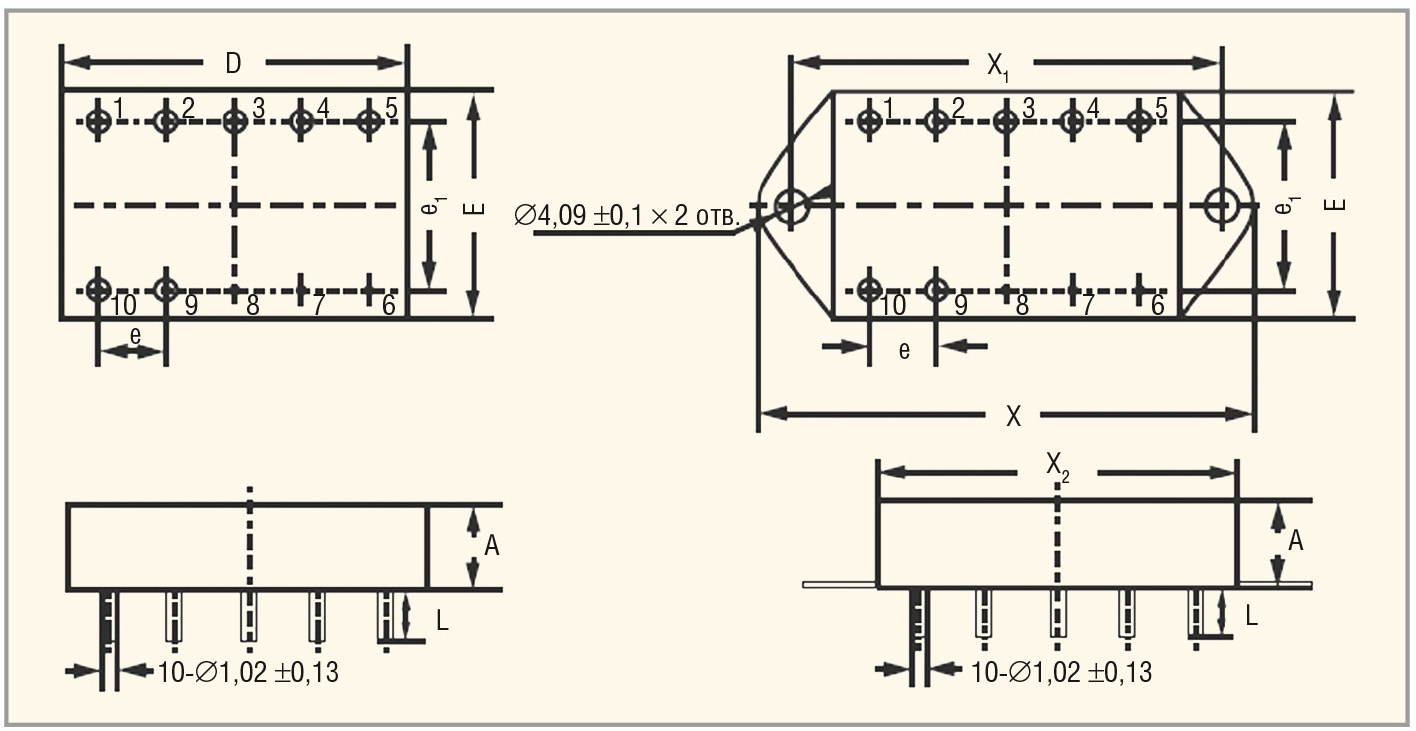
АЭ27-30-1-2-1 (далее изделие) выполнено в никелированном металлическом корпусе, нижняя часть которого представляет собой металлостеклянный спай с десятью жёсткими, вертикально расположенными контактами диаметром 1,02 ± 0,13 мм и длиной 6,34 ± 0,26 мм [1]. Изолированные от корпуса контакты имеют гальваническое покрытие Au, а приваренные к корпусу – Ni. Изделие имеет лазерную маркировку, которая содержит информацию о дате производства, полное наименование, логотип производителя и штрих-код серийного номера, по которому, после официального запроса, можно получить полную информацию о результатах испытаний конкретного DC/DC-преобразователя (см. рис. 1). 


Габаритные размеры составляют не более 54 × 29 × 10,2 мм для рассматриваемого изделия при весе не более 52 г. Остальные изделия серии АЭ27-30 могут иметь отличные от АЭ27-30-1-2-1 габариты и вес (см. рис. 2 и табл. 2).

При герметизации корпусов DC/DC-преобразователей серии АЭ27-30 используется высокоточная лазерная сварка [1], обеспечивающая хорошие показатели надёжности. По завершении операций лазерной сварки все изделия проходят 100-процентный выходной контроль на наличие течей, который состоит из двух стадий (на искателе больших течей и гелиевом искателе малых течей), что существенно снижает вероятность брака.

Электрические характеристики

Для всей серии АЭ27-30 номинальное входное напряжение составляет 27 В. При этом заявленный диапазон достаточно широк – от 16 до 40 В. В ходе проверки испытуемого изделия рабочий диапазон входного напряжения при нагрузке 28 Вт составил 14–42 В. Верхнюю границу существенно увеличивать в ходе исследования не представлялось возможным, поскольку у изделия отсутствует защита по превышению величины входного напряжения, что подразумевает применение EMI-фильтра при подключении к нестабильной линии питания. В свою очередь, нижняя граница диапазона для испытаний была расширена с учётом того, что максимальный заявленный входной ток составляет 1,6 А (выходное напряжение при всех измерениях равнялось 4,95…5,05 В). В нашем случае испытание проводилось при входном токе 2 А, что на 20% выше заявленного. В ходе тестирования изделие обеспечило требуемые технические характеристики и сохранило работоспособность.

Включение изделия может производиться непосредственно при подаче питающего напряжения или с задержкой, для чего необходимо использовать функцию дистанционного включения, схемотехнически реализованную по схеме «открытый коллектор». При отсутствии внешних конденсаторов наибольший интерес в изучении возможностей нового продукта представляет первый вариант. При тестовом включении на импульсную нагрузку 22 Вт на вход изделия было подано номинальное напряжение 27 В. В результате было установлено, что порог включения составляет около 10 В (см. рис. 3а). Аналогичные данные были подтверждены на двух дополнительных образцах. Время включения не превысило 0,45 мс (см. рис. 3б). При снижении нагрузки динамические характеристики изделия улучшились: при выходной мощности 5 Вт время включения составило 0,38 мс (см. рис. 3в).

На протяжении всего эксперимента пульсации входного тока при различных нагрузках не превышали 50 мА.

Изделие имеет встроенную защиту от короткого замыкания на выходе с автоматическим восстановлением. Время восстановления не превышает 5 мс. При этом изделие не имеет защиты от перегрева и перегрузки, что является существенным недостатком и требует применения дополнительных схемных решений.


При мгновенном изменении нагрузки на изделие, питающееся от источника 27 В ± 5%, в большинстве случаев наблюдается просадка выходного напряжения (в ходе тестирования внешние конденсаторы не применялись, а температура корпуса изделия составляла не более 27°С). Так, при мгновенном изменении нагрузки с 1 А до 4,5 А просадка напряжения составила 800 мВ на время 100 мкс (см. рис. 4). В свою очередь, при мгновенном подключении нагрузки 4,5 А на изделие, работающее в режиме «холостого хода», наблюдался провал до 1,28 В длительностью 288 мкс (см. рис. 5), а при подключении нагрузки 1 А снижение составило 640 мВ на время 164 мкс (см. рис. 6). В случае периодического плавного изменения нагрузки на изделие с 1 А до 4,5 А наблюдались колебания выходного напряжения с амплитудой 1,36 В (см. рис. 7). Всё указанное свидетельствует о необходимости обязательного использования внешних конденсаторов по выходу.


Частота преобразования изделия лежит в диапазоне от 400 до 600 кГц (скважность 40…60%) с возможностью внешней синхронизации (амплитуда от 0,8 до 4,5 В), использование которой поможет в случае параллельной работы нескольких DC/DC-преобразователей и упростит создание EMI-фильтров.

У рассматриваемого изделия сопротивление изоляции вход-выход составляет не менее 100 МОм (при DC 500 В), а напряжение пробоя (вход-выход, вход-корпус, выход-корпус) не менее DC 500 В [1], что было подтверждено в ходе тестирования.

Условия эксплуатации и конструктивные особенности

DC/DC-преобразователи серии АЭ27-30 сохраняют работоспособность без снижения выходной мощности в диапазоне температур от –60 до +125°С [1]. Однако при нагреве наблюдается снижение КПД. Так, при температуре корпуса изделия не более 27°С, входном напряжении 27 В ± 5% и нагрузке 22 Вт его средняя величина составила 76%, при 92°С – 74%. Минимальное значение КПД для рассматриваемого изделия составляет 73% при пониженном входном напряжении. С целью снижения негативного воздействия повышенной температуры (при нагреве корпуса более 85°С) рекомендуется использовать медный радиатор площадью не менее 80 см2, или обеспечить отвод тепла иными способами.

Для компенсации потерь на кабеле нагрузки в изделии реализована схема автоматической подстройки выходного напряжения. Тем не менее, не рекомендуется устанавливать DC/DC-преобразователь на значительном расстоянии от конечной нагрузки.

Во время эксплуатации изделия, из-за использования металлостеклянного спая в конструкции корпуса, следует большое внимание уделять вопросам вибрационного воздействия. Для минимизации последствий механического воздействия изделие должно быть жёстко закреплено на печатной плате, устойчивой к деформациям типа изгиб и кручение. Если корпус изделия не имеет фланцев, то его обязательно следует фиксировать клеем, например, ВК-9 с добавлением алюминиевой пудры, поскольку даже незначительные колебания контактов могут привести к повреждению стеклянного изолятора и, как следствие, разгерметизации.

При монтаже допускается нагрев выводных контактов до температуры не более 300°С длительностью до 10 с. Это позволяет использовать не только свинцовые припои, но и среднетемпературные бессвинцовые, например, A30C5 по ГОСТ Р 55492-2013, который имеет лучшие показатели по устойчивости к термоциклированию в сравнении с Sn/Pb-группой [2].

Изделие выполнено в стальном корпусе из тонкой стали 10 (по ГОСТ 1050-2013) холодного проката, герметизированном крышкой из железоникелевого сплава с содержанием никеля 42% [1]. Корпус имеет гальваническое никелированное покрытие, повышающее антикоррозионные свойства, но при использовании в условиях соляного тумана изделие рекомендуется покрывать защитным лаком, например, проверенным временем УР-231, или HumiSeal 1A33 [3].

История разработки и производство АЭ27-30

Разработка серии АЭ27-30 началась в первой половине 2013 г. как личная инициатива отдельных разработчиков, объединившихся через год в НПП «Арбелос». Сама же идея создания гибридных DC/DC-преобразователей зародилась ещё раньше.

Как ни странно, в России много производителей герметизированных источников питания для применения в ответственных приложениях, но крайне мало тех, кто разрабатывает и производит герметичные источники, несмотря на растущий на них спрос со стороны производителей космической и авиационной аппаратуры. Именно по этой причине были разработаны одноканальные DC/DC-преобразователи с выходной мощностью 30 Вт. Однако для того чтобы изготовить опытные образцы, необходимо достаточно сложное оборудование и высококвалифицированный персонал. И то и другое в начале 2014 г. в России было очень сложно найти. Российские компании, не специализирующиеся на толстоплёночной технологии, предлагали свои услуги по изготовлению опытных образцов. Отечественные же производители, имеющие опыт в этой сфере, были загружены заказами на год вперёд и более. Тем не менее, решение было найдено. На выставке Semicon Russia 2014 были достигнуты договорённости о выпуске опытной партии АЭ27-30-1-2-1 компанией из Юго-Восточной Азии, оказывающей услуги контрактного производства. И уже в ноябре 2014 г. были получены первые изделия, качество изготовления которых соответствовало уровню ведущих мировых производителей, что было подтверждено испытаниями в России.

В начале 2015 г. на базе НПП «Арбелос» при участии российских инвесторов была создана испытательная лаборатория, специализирующаяся на тестировании герметичных DC/DC-преобразователей. Это позволило обеспечить серийную поставку российским заказчикам изделий серии АЭ27-30 в категории качества «ОТК». В настоящий момент при производстве используются импортные электронные компоненты, которые стоят значительно дешевле российских и имеют небольшие сроки поставки, что важно при заказе небольших партий. Однако в планах компании на 2015 г. обозначена их частичная замена отечественными. В первую очередь замена коснётся резисторов, конденсаторов и моточных изделий. А к концу 2016 г. НПП «Арбелос» планирует запуск на собственном производстве в Зеленограде разрабатываемой сейчас новой серии DC/DC-преобразователей с выходной мощностью 30 Вт, в которой доля отечественной элементной базы составит не менее 85%.

Заключение

В ходе небольшого исследования герметичного DC/DC-преобразователя серии АЭ27-30 от компании НПП «Арбелос» были полностью подтверждены его основные характеристики, указанные в техническом описании. Никаких отклонений в ходе работы выявлено не было. Подводя итоги, можно утверждать, что специалистами НПП «Арбелос» был разработан хороший продукт, но при этом не обладающий какими-то выдающимися показателями. Тем не менее, сам факт появления герметичного DC/DC-преобразователя российской разработки является знаковым. А далеко идущие планы коллектива НПП «Арбелос» заслуживают повышенного внимания к этой молодой, но стремительно развивающейся компании.

Литература

  1. Техническое описание серии АЭ27-30 НПП «Арбелос».
  2. Исламгазина Ляля. Особенности сборки силовых модулей в условиях перехода к бессвинцовым технологиям. Компоненты и технологии. 2006. № 9.
  3. Стахуров Алексей. Старый конь борозды не портит? Соперник ли УР-231 современным влагозащитным материалам? Технологии в электронной промышленности. 2006. № 3.

Если вам понравился материал, кликните значок — вы поможете нам узнать, каким статьям и новостям следует отдавать предпочтение. Если вы хотите обсудить материал —не стесняйтесь оставлять свои комментарии : возможно, они будут полезны другим нашим читателям!

20.06.2015 795 0
Комментарии
Рекомендуем
К 130-летию со дня рождения великого советского физика Игоря Евгеньевича Тамма. Часть 4. История возникновения  концепции поляритонов

К 130-летию со дня рождения великого советского физика Игоря Евгеньевича Тамма. Часть 4. История возникновения концепции поляритонов

В прошлом году в журнале «Современная электроника» были опубликованы три статьи, посвящённые юбилею выдающегося российского физика-теоретика Игоря Евгеньевича Тамма (СОЭЛ № 7–9, 2025). В частности, были описаны современные быстродействующие электрооптические модуляторы, поверхностные состояния Тамма, запрещённые фотонные зоны и фотонные кристаллы. В этих статьях умышленно не затрагивались темы поляритонов, оптических состояний Тамма (ОСТ) и плазмон-поляритонов Тамма (ППТ). Поскольку ключевой вклад в раннюю разработку этих явлений в основном принадлежит российским учёным, целесообразно посвятить их открытию более подробные отдельные статьи. Ниже рассмотрены два основных типа гибридных фотонных частиц: экситон-поляритоны и фонон-поляритоны.  
24.04.2026 СЭ №4/2026 99 0
Телевизор с электронно-лучевой трубкой: разработки С.И. Катаева и их значение

Телевизор с электронно-лучевой трубкой: разработки С.И. Катаева и их значение

«…Наступит время… когда миллионы таких приборов, таких "электрических глаз" будут всесторонне обслуживать общественную и частную жизнь, науку, технику и промышленность…» Б. Розинг Семён Исидорович Катаев (1904–1991 гг.), советский учёный и изобретатель в области телевидения, доктор технических наук, профессор, заслуженный деятель науки и техники – незаслуженно обделён вниманием популяризаторами истории электроники и телевидения в нашей стране. Тем не менее И.С. Катаев внёс значительный вклад в развитие инженерной мысли в СССР при разработке и усовершенствовании электронно-лучевых трубок (ЭЛТ), ставших на многие годы ключевой технологией, лежащей в основе экранов телевизоров и оборудования различного назначения. Катаев дополнил изобретение Зворыкина и по праву может считаться ещё одним «отцом» отечественного телевидения. В найденных документах роль Катаева прослеживается чётко, и в статье мы хотим это показать.
23.04.2026 СЭ №4/2026 108 0
Электронные системы диагностики, стимуляции и воздействия на человека на примере BAMH и управления –  на примере AE-Skin

Электронные системы диагностики, стимуляции и воздействия на человека на примере BAMH и управления – на примере AE-Skin

Путь будущих разработок в области современной электроники пролегает от визуального отображения окружающего пространства до тактильного. В этой связи представляют интерес система Bioinspired Adaptable Multiplanar mechano-vibrotactile Haptic (BAMH) – пневматически активируемый роботизированный электронный комплекс с интерфейсом из мягкого материала и система AE-Skin, обеспечивающая интерфейс между кожей человека и физическими поверхностями. Принцип её действия достаточно известен и заложен в управлении интерактивными экранами. В первой части статьи рассматриваются особенности новых разработок в области медицинской электроники и перспективы тактильного воздействия на кожу человека для лечения и изменения настроения. Во второй части представлен подробный разбор AE-Skin и примеры её совершенствования во всех сферах жизни человека: от управления посредством электронных тактильных датчиков миниатюрной формы до устройств на основе новых технологий, воспринимающих движения руками без прикосновения и без применения пироэлектрических детекторов, как управляющие сигналы для РЭА.
17.04.2026 СЭ №4/2026 152 0

ООО «ИнСАТ»  ИНН 7734682230  erid = 2SDnjeHksEz
ООО «ИнСАТ»  ИНН 7734682230  erid = 2SDnjddDXPx
  Подписывайтесь на наш канал в Telegram и читайте новости раньше всех! Подписаться