Введение
В 1949 г. профессор Дэниэл Э. Нобл организовал исследовательскую лабораторию Motorola в г. Феникс (Аризона). Деятельность Нобла в области электроники, продолжавшаяся более 50 лет, началась в 1923 г. в колледже Сторс (ныне университет штата Коннектикут), где он получил степень бакалавра в области радиотехники. Нобл также вёл научную работу в Гарвардском университете и Массачусетском технологическом институте. Среди многих заслуг Нобла можно выделить его работы в области систем с частотной модуляцией, а также создание в лаборатории нового для того времени направления исследований – твердотельной электроники (solid-state electronics). В результате в 1955 г. были изготовлены мощные германиевые транзисторы, которые нашли широкое применение в автомобильных радиоприёмниках. В ознаменование заслуг Нобла ИИЭР в 2000 г. учредил награду (медаль, сертификат и премия) IEEE Daniel E. Noble Award (см. рис. 1); с 2012 г. – премию IEEE Daniel E. Noble Award по новым технологиям [1].

В полупроводниковом отделении компании Motorola был разработан один из первых микропроцессоров. Проект был начат в 1971 г. группой из 20 молодых инженеров в подразделении компании в г. Меса (Аризона). Идеологом группы стал Том Беннет, имевший опыт разработки первого электронного калькулятора на МОП ИС. Первый 8-разрядный микропроцессор МС6800 был представлен в 1974 г., его структура приведена на рисунке 2.

Прибор работал с тактовой частотой до 2 МГц, был выполнен в корпусе DIP-40 по 6-мкм технологии и обрабатывал 78 команд. Кроме компании Motorola, МС6800 выпускали Fairchild, Thomson и AMI (American Microelectronics Inc). Для этого МП был разработан ряд периферийных микросхем МС68хх, в том числе ПЗУ, ОЗУ, таймеры и интерфейсы. Архитектура МС6800 лежит в основе современных микроконтроллеров Freescale 68HC08, 68HC11 и 68HC12.
Изделия компании Freescale
Компания Freescale Semiconductor в 2004 г. выделилась из корпорации Motorola Inc. В настоящее время Freescale является одним из лидеров в области производства полупроводниковых компонентов для встраиваемых систем, потребительской электроники, автомобильного, телекоммуникационного и промышленного оборудования. Компания занимает лидирующие позиции по поставкам микроконтроллеров для автомобильной электроники, акселерометров (датчиков для подушек безопасности), процессоров для сетевых устройств и электронных книг. Компания выпускает микропроцессоры с архитектурами DragonBall, ColdFire, PowerPC, Qorlq, а также ЦПОС на платформе StarCore [2].
В каталоге Freescale 2013 г. представлена широкая номенклатура полупроводниковых приборов и микросхем в 6 категориях: микроконтроллеры, микропроцессоры, микросхемы управления питанием, ЦПОС, датчики и радиочастотные приборы. В категории аналоговых ИС представлен новый класс приборов – микросхемы активации питания (Power Actuation) [3]. Приборы этого класса предназначены для управления электроприводами (Load drive/control) и способны не только управлять различными нагрузками, но и обеспечивать их защиту и выполнять диагностику неисправностей с передачей информации через специальные интерфейсы.
В качестве нагрузок могут использоваться не только двигатели, но и, например, светодиоды. Номенклатура аналоговых ИС содержит:
- ключи коммутации на землю (Low Side Switches), 10 типов ИС (от 2 до 14 исполнений каждого типа);
- ключи коммутации на питание (High Side Switches), 14 типов (от 3 до 34 исполнений);
- драйверы с полумостами и конфигурируемые ключи (H-Bridges/Configurable Switches), 15 типов (от 2 до16 исполнений);
- драйверы затворов мощных полевых транзисторов (Pre-Drivers), 8 типов (от 2 до 6 исполнений);
- драйверы светодиодов, 2 типа (4 и 10 исполнений);
- полумостовые драйверы шаговых двигателей – MM908E626 (2 исполнения);
- драйверы электрозапалов (Squib Drivers) – MC33797 (4 исполнения);
- ИС управления трансмиссией и режимами двигателей автомобилей (Powertrain/Engine Control), 18 типов (от 1 до 6 исполнений).
В некоторых микросхемах активации питания со встроенными микроконтроллерами реализован физический уровень интерфейса LIN (стандарт SAE J2602), предназначенный для объединения в сеть автомобильных подсистем и узлов. Стандарт промышленной шины LIN (Local Interconnect Network) был разработан консорциумом автопроизводителей и полупроводниковых компаний, таких как Audi, BMW, Daimler Chrysler, Mercedes-Benz, Motorola, Volcano Communication Technologies, Vokswagen, Volvo и др. Он предназначен для обмена данными на небольших расстояниях через однопроводную сеть в так называемом «человеческом» временно¢м диапазоне (сотни миллисекунд).
Шина LIN была разработана в качестве дополнения к высоконадёжным шинам СAN и FlexRay. Она базируется на технологии UART/SCI и гарантирует скорость передачи данных до 20 Кбит/с. Применение шины LIN позволяет реализовать управление, диагностику и обслуживание узлов автомобиля в рамках одной мультиплексной системы, а также резко уменьшить количество соединительных проводов. Важным свойством шины LIN является возможность самосинхронизации без использования генераторов на приёмной стороне, что делает её интерфейс экономически выгодным.
Обычно сеть LIN состоит из одного ведущего и нескольких ведомых узлов. В задачу первого входит принятие решений о том, когда и какие данные должны быть переданы; ведомые узлы отвечают на запросы ведущего. Данные по сети передаются в виде кадров, состоящих из заголовка (Header), формируемого ведущим узлом, и ответа ведомого узла (Response). Процесс обмена данными всегда инициирует ведущий узел.

Вариант размещения электронных узлов в автомобиле показан на рисунке 3. Синим цветом обозначены элементы сети LIN, жёлтым – сети FlexRay, коричневым – сети CAN. К типовым узлам автомобиля, подключённым к сети LIN, относятся следующие (номера в звёздочках на рис. 3): 1 – рулевая колонка: блок круиз-контроля, стеклоочистители, фонари поворотов, блок управления климатом, радиоприёмник; 2 – крыша: датчик дождя, датчик света, блок управления освещением, сдвижной люк; 3 – двигатель/кондиционер: датчики, сервисные двигатели, панель управления климатом; 4 – двери/сиденья: зеркала, приборная панель, стеклоподъёмники, дверные замки, двигатели кресел, датчики занятости сидений, панель управления сиденьями.
Классификационные параметры микросхем активации питания, включённые в каталог Freescale 2013 г., приведены в таблице. В графе «Семейство/Тип микросхемы» в скобках указано число исполнений или типов микросхем в семействе.

Примечания: HSS – ключ коммутации на питание, LIN Phy (Local Interconnector Network Physical Layer) – физический уровень шины LIN, EC Glass Driver – схема управления электрохромными зеркалами заднего вида, ГПЗ – генератор подкачки заряда (Charge Pump), ШД – шаговый двигатель, ДВС – двигатель внутреннего сгорания.
В группу ИС активации питания со встроенными микроконтроллерами входят 5 приборов семейства ММ908Е62х, некоторые исполнения которых предназначены для эксплуатации в жёстких условиях. Все ИС содержат 8-разрядное ядро, флэш-память 16 Кбайт и ОЗУ 512 байт. В микросхемы интегрированы интерфейсы LIN, ESCI и SPI. Основные области применения микросхем: транспортная электроника, робототехника, локальные проводные сети, электроприводы, управление лампами и светодиодами.
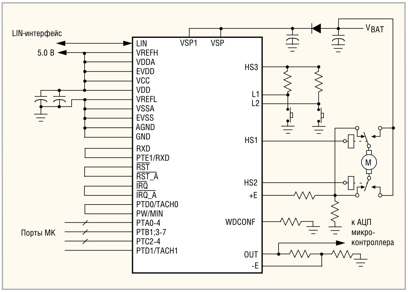
Микросхема MM908E621 содержит счетверённый полумост и встроенный ключ коммутации на питание, микроконтроллер НС08 и интерфейс LIN. В микроконтроллер НС08 входят процессорное ядро M68HC908EY16, флэш-память для таймера, интерфейсы ESCI (Enhanced Serial Communications Interface) и SPI, 10-разрядный АЦП и встроенный тактовый генератор ICG (Internal Clock Generator).

Аналоговый блок содержит 4 полумоста, 3 ключа с функциями диагностики, вход для датчиков Холла, аналоговые входы, стабилизатор напряжения, сторожевой таймер и физический уровень интерфейса локальных сетей LIN. Упрощённая схема включения ИС приведена на рисунке 4, блок-схема – на рисунке 5.

К микросхеме можно подключить 3 двигателя постоянного тока (функции реверса, регулировки скорости вращения, диагностики обрывов и КЗ), 3 резистивных нагрузки (лампы, реле и т.п.) с определением состояния и диагностикой обрывов и КЗ. Основные параметры микросхем:
- два 16-разрядных 2-канальных таймера;
- автономный сторожевой таймер и мониторинг микроконтроллера;
- вход пробуждения (Wake-up) и вход для 3-проводных датчиков Холла;
- номинальный диапазон напряжения питания 9…16 В, расширенный – 7,5…20 В;
- ток потребления при Uпит = 12 В составляет 25 мА в рабочем режиме, 40 мкА в режиме останова и 12 мкА в спящем режиме;
- выходное напряжение стабилизатора VDD составляет 4,75…5,25 В, выходной ток до 150 мА;
- параметры ключей HS1: сопротивление сток-исток в открытом состоянии Rds on = 185 мОм (при токе 1 А, Тj = +25°C), пороговый ток выключения при перегрузке (Over-current Shutdown) 6…9 А, частота переключения до 25 кГц;
- параметры ключей на питание HS2, HS3: Rds on = 440 мОм (1 А), порог выключения 3,6…5,6 А, частота переключения до 25 кГц;
- параметры полумостов НВ1, НВ2: Rds on = 750 мОм (1 А), порог выключения 1…1,5 А, частота переключения до 25 кГц;
- параметры полумостов НВ3, НВ4: Rds on = 275 мОм (1 А), порог выключения 4,8…7,2 А, частота переключения до 25 кГц;
- параметры коммутируемого выхода HVDD: U = 4,75…5,25 В, порог выключения 25…50 мА (типовое значение 35 мА).
Внешнее напряжение питания поступает на все 8 выводов VSUP1–VSUP8 микросхемы (см. рис. 6), соединённые с различными узлами аналогового блока.

При работе в автомобильных приложениях выходное напряжение стабилизатора +5 В с вывода 42 (VDD) обычно подаётся на вывод питания микроконтроллера 47 (EVDD) через внешний проводник, зашунтированный конденсаторами фильтра (см. рис. 4). Земляные выводы аналогового блока и микропроцессора VSS/EVSS также соединяются внешними проводниками. Возможна подача напряжения питания на микроконтроллер от отдельного источника +5 В.
Микросхемы MM908E622 отличаются от предыдущих только наличием схемы управления электрохромными зеркалами заднего вида автомобилей (EC glass mirrors). Электрохромное зеркало является разновидностью противоослепляющих зеркал и состоит из двух слоёв стекла, между которыми находится слой жидких кристаллов. При пропускании тока через слой ЖК меняется коэффициент отражения зеркала, что позволяет уменьшить эффект ослепления водителя. Схема включения ИС отличается от приведённых на рисунках 4 и 6 наличием дополнительных выводов 22, 23 (EC/ECR), не используемых в микросхемах MM908T621. Параметры схемы управления электрохромными зеркалами: Rds on – 1 Ом (вывод ECR, ток 0,1 А); 0,4 Ом (вывод ЕС), порог выключения 0,6…1 А, детектируемое сопротивление обрыва нагрузки – 10 кОм, регулируемое выходное напряжение 0,18…1,4 В, разрешающая способность ЦАП – 6 разрядов (в диапазоне 0…1,4 В).
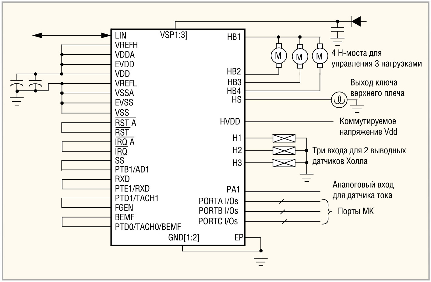
Микросхемы MM908E624 отличаются упрощённым аналоговым блоком, в состав которого входят три ключа на питание, стабилизатор с малым падением напряжения, физический уровень интерфейса LIN, входы для подключения датчиков выходного тока нагрузки и датчиков Холла. Микросхемы предназначены для драйверов индуктивных нагрузок, в том числе, приводов стеклоподъёмников и люков на крыше автомобилей, вентиляторов и т.п. Микросхемы выпускаются в стандартном исполнении MM908E624ACPEW и в исполнении с расширенным (–40…+125°С) диапазоном рабочих температур MM90E624AYPEW. Упрощённая схема включения ИС приведена на рисунке 7.

Основные параметры аналогового блока ИС:
- напряжение питания 5,5…18 В (полная работоспособность сохраняется при увеличении напряжения до 27 В при температуре кристалла не более +125°С);
- ток потребления при Uпит = 13,5 В составляет 20 мА в рабочем режиме, 60 мкА в режиме останова и 35 мкА в спящем режиме;
- выходное напряжение стабилизатора VDD (вывод 33) 4,75…5,25 В (при Iвых = 2…50 мА), падение напряжения 0,1 В;
- параметры ключей на питание Н1, Н2: Rds on = 2 Ом (при Iвых = 150 мА), порог выключения 300…600 мА;
- параметры ключа на питание Н3: Rds on не более 7 Ом (при Iвых = 50 мА), порог выключения 60…200 мА.
Напряжение питания подаётся на выводы VSUP1 (стабилизатор, внутренняя логика, трансивер интерфейса LIN) и VSUP2 (ключи на питание). Напряжение питания +5 В для микроконтроллера и АЦП (выводы EVDD, VDDA, VREFH, VCC) подаётся с выхода встроенного стабилизатора напряжения (VDD). Выводами встроенного ОУ для датчиков тока нагрузки являются E+, E– (неинвертирующий и инвертирующий входы), OUT – выход, VCC – напряжение питания +5 В. Вход PWMIN предназначен для непосредственной подачи сигнала ШИМ на ключи Н1 и Н2 (при соединении этого вывода с VDD оба ключа замкнуты на питание).
Микросхемы MM908E625 отличаются от MM908E621 меньшим числом ключей коммутации на питание и наличием дополнительных входов для датчиков Холла. Упрощённая схема включения ИС приведена на рисунке 8.

Функционально микросхемы оптимизированы для применения в драйверах привода зеркал, дверных замков и осветительных приборов (Light-leveling). Основные параметры микросхем:
- напряжение питания 8…18 В;
- ток потребления при Uпит = 12 В составляет 20 мА в рабочем режиме и не более 60 мкА в режиме останова;
- выходное напряжение стабилизатора VDD (вывод 38) 4,75…5,25 В (при Iвых = 60 мА);
- параметры ключа на питание HS: Rds on = 600 мОм (при Iвых = 1 А), порог выключения 4…7,5 А;
- параметры полумостов НВ1–НВ4: Rds on не более 500 мОм (1 А), порог выключения 2,8…7,5 А; пять режимов ограничения выходного тока Icl1–Icl5 в диапазоне 55…740 мА.
Напряжение питания подаётся на выводы VSUP1–VSUP3, напряжение с выхода стабилизатора +5 В (VDD) поступает на МК и АЦП (EVDD, VDDA), а также на ключ коммутируемого выходного напряжения HVDD, которое можно использовать для питания внешних устройств, в том числе датчиков Холла.
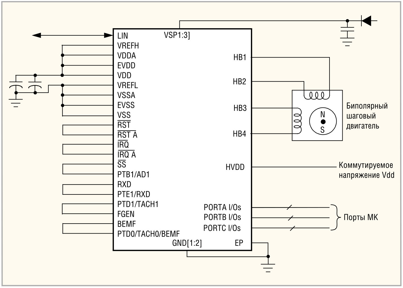
Микросхемы MM908E626 содержат по 4 полумостовых выхода и предназначены для драйверов биполярных шаговых двигателей, в том числе автомобильных (климат-контроль, управление световыми приборами). Микросхемы могут эксплуатироваться при высоких (до +115°С) температурах окружающей среды. Упрощённая схема включения ИС приведена на рисунке 9.

Параметры полумостов НВ1–НВ4: Rds on не более 500 мОм, порог выключения 2,5…7,5 А; пять режимов ограничения выходного тока Icl1–Icl5 в диапазоне 55…740 мА.
Рассмотренные выше микросхемы выполнены по «интеллектуальной» технологии SMARTMOS [4], позволяющей объединить в одном корпусе быстродействующую логику КМОП, высокоточные аналоговые схемы и высоковольтные силовые ключи НDTMOS. В микросхемах, выполненных по этой технологии, предусмотрены различные меры повышения надёжности, в том числе защита от перегрузки по току с автоматическим восстановлением работоспособности, а также диагностика отказов и выдача сигналов о текущем состоянии ключевых узлов.
Литература
- www.ieee.org/about/awards/noble.html.
- www.freescale.com/webapp/sps/site/homepage.jsp?code=COMPANY_INFO_HOME&tid=FSH.
- www.freescale.com/webapp/sps/site/taxonomy.jsp?code=PWRACTUATION&tid=prodlib.
- www.freescale.com/webapp/sps/site/overview.jsp?code=TM_SMARTMOS.
© СТА-ПРЕСС
Если вам понравился материал, кликните значок — вы поможете нам узнать, каким статьям и новостям следует отдавать предпочтение. Если вы хотите обсудить материал —не стесняйтесь оставлять свои комментарии : возможно, они будут полезны другим нашим читателям!

