Введение
Бесконтактные выключатели (или переключатели) переменного тока повышенной мощности (1…2 кВт и более) используются в промышленной автоматике и бытовой технике. Одной из многих областей их применения являются терморегуляторы и термостаты. Как правило, в последних используются различные слаботочные (30…40 мА) термовыключатели (ртутные термоконтакторы, электроконтактные термометры и т.п.), которые отличаются высокой точностью измерения температуры (до 0,1°C и выше). Помимо ртутных, существуют слаботочные термовыключатели других типов, например, биметаллические, которые имеют невысокую точность. Все термовыключатели по принципу действия можно условно разделить на замыкаемые (ртутные) и размыкаемые (биметаллические) при определённой температуре.
Устройства, коммутирующие относительно большую мощность (до 2 кВт), в которых используются электроконтактные термометры, имеют достаточно сложную электрическую схему, и поэтому довольно до¢роги (до нескольких тыс. руб.). Кроме того, в таких устройствах контакты термометра часто находятся под напряжением сети, что во многих случаях недопустимо по соображениям безопасности.
Поэтому возникла потребность изготовить простой и недорогой бесконтактный выключатель переменного тока мощностью 2 кВт с использованием электроконтактного термометра в качестве термовыключателя. Устройство должно обеспечивать надёжную гальваническую изоляцию контактов термовыключателя от сетевого напряжения и работать в интервале температур как минимум от –25 до +25°C.
Анализ электрических схем мощных бесконтактных выключателей, опубликованных в сети Интернет, показал, что самые простые из них реализованы на тиристорных или симисторных переключателях переменного тока. Включить и выключить тиристор или симистор можно слаботочным 2-контактным выключателем: при его замыкании прибор включается, при размыкании – выключается. Отметим, что такая логика управления не совпадает с функционированием ртутных термовыключателей. Кроме того, необходимо выбрать оптимальный тип тиристора или симистора для коммутации мощности 2 кВт и обеспечить отвод тепла от силовых элементов.
Схемы мощных тиристорных переключателей переменного тока
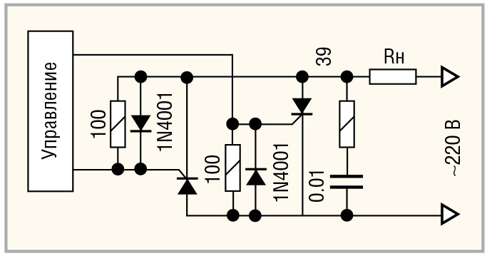
В качестве отправной точки была использована известная схема переключателя переменного тока (ТППТ, см. рис. 1) [1], в которой тиристоры включены встречно-параллельно.

В этой схеме в первом полупериоде переменного напряжения ток управления, отпирающий один тиристор, является током утечки в управляющей цепи другого (запертого) тиристора; во втором полупериоде функции тиристоров меняются местами. Схема действительно проста, но имеет два существенных недостатка: увеличенные потери за счёт протекания обратных токов через управляющие электроды (УЭ) тиристоров и несимметричное их включение из-за значительных управляющих токов [1].
Несмотря на указанные недостатки схемы рис. 1, она широко используется до сих пор. Для улучшения условий работы тиристоров в схему вводят дополнительные элементы (см. рис. 2).

Например, в [7] рекомендуют устанавливать резисторы небольшого номинала (100…400 Ом), соединяющие катоды тиристоров с УЭ, в [9] – вместо таких резисторов устанавливать диоды, в [8] и [10] – и диоды, и резисторы. При индуктивном характере нагрузки в [7, 8, 10] рекомендуют демпфирующую RC-цепь, включённую параллельно тиристорам.
Однако эти дополнения усложняют конструкцию устройства и снижают его надежность. Автор пробовал устанавливать и резисторы, и диоды, показанные на рисунке 2, однако существенного положительного эффекта не получил. Например, если используются нагревательный элемент мощностью 2 кВт и вентилятор для его обдува (индуктивная нагрузка) мощностью в 20 Вт (1% от нагрузки), то устанавливать демпфирующую RC-цепь нецелесообразно.
Действительно важно (и опасно) то, что управляющие электроды тиристоров (и контакты выключателя ВК1, см. рис. 1) находятся под сетевым напряжением.
В [2] приведена схема гальванической развязки выключателя ВК1 (см. рис. 1) от сетевого напряжения с помощью разделительного трансформатора. В этой схеме УЭ обоих тиристоров (КУ202Н) подключены к первичной обмотке трансформатора, рассчитанной на сетевое напряжение 220 В, а выключатель ВК1 – к вторичной обмотке на 9…36 В. При замыкании контактов ВК1 эквивалентное сопротивление первичной обмотки уменьшается, что создаёт ток, достаточный для открытия одного из тиристоров.
Подобная схема гальванической развязки имеет существенные недостатки. Во-первых, в зависимости от мощности тиристора требуется использовать разделительный трансформатор определённой мощности, с заданной индуктивностью первичной обмотки. Во многих случаях трансформаторы одной и той же мощности имеют разную индуктивность первичной обмотки, от которой зависит ток, подаваемый на УЭ тиристора. Если индуктивность мала, тиристор либо полностью, либо частично открыт даже при разомкнутых контактах выключателя. Если индуктивность велика, то тиристор либо вообще не открывается, либо открывается частично. Во-вторых, при температуре –25°C отпирающий ток управления любого тиристора в два раза и более превышает ток управления при температуре +25°C. Поэтому, если даже подобрать трансформатор, идеально открывающий и закрывающий тиристор при температуре +25°C, то при температуре –25°C такой трансформатор работать уже не будет (либо тиристор будет открываться частично, в результате чего выходное напряжение устройства будет занижено).
Кроме того, в зависимости от мощности тиристора (и, соответственно, от значения отпирающего тока) ток во вторичной обмотке трансформатора превышает 30 мА. Например, при использовании тиристора Т122-25-10 вместе с идеально подобранным трансформатором (вторичная обмотка на 18 В/0,5 А, размеры кольца d × h =
= 5 × 3 см), с замкнутыми контактами выключателя измеренное действующее значение тока во вторичной обмотке трансформатора составило около 60 мА, что в два раза превышает максимальный ток электроконтактного термометра (см. выше). При большей мощности тиристора ток вторичной обмотки трансформатора, естественно, увеличится. Немаловажно, что габариты, вес и стоимость разделительного трансформатора достаточно высоки. Поэтому от использования схемы с гальванической развязкой, основанной на индуктивном принципе [2], пришлось отказаться.
В гальванических развязках, помимо индуктивного, может использоваться и ёмкостный принцип. Автору приходилось сталкиваться с гальваническими развязками [4, 5], предназначенными для гальванической изоляции цифровых сигналов (такие ИС часто называют цифровыми изоляторами). При одних и тех же габаритах цифровые изоляторы ISO7220M, реализованные на ёмкостном принципе, несколько дешевле цифровых изоляторов ADUM1200B, основанных на индуктивном принципе. Кроме того, у ёмкостных изоляторов значительно выше пропускная способность (150 Мбод у ISO7220 против 25 Мбод у ADUM1200B) и больше пробивное напряжение.

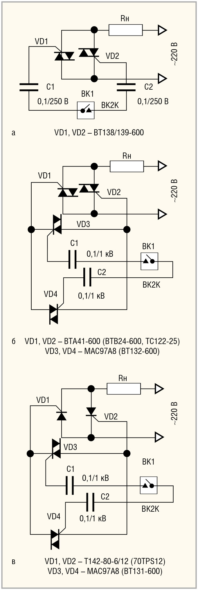
Как оказалось, в применении к тиристорному выключателю, ёмкостная гальваническая развязка из двух конденсаторов C1 и C2 (см. рис. 3) имеет некоторые преимущества перед индуктивной. Во-первых, если использовать керамические конденсаторы для поверхностного монтажа с максимальным пробивным напряжением 250 В, то их типоразмер может быть 1206 (3,2 × 1,6 × 1,25 мм), т.е. совсем небольшим, а стоимость этих конденсаторов не превышает 3 руб. за штуку. Конденсаторы на более высокое пробивное напряжение 1 кВ также имеют небольшие габариты (типоразмер 2220; 5,7 × 5 × 2 мм) и стоят не более 25 руб. Во-вторых, при использовании тиристоров/симисторов относительно небольшой мощности с отпирающим током 10…40 мА, в качестве выключателя ВК1 (см. рис. 3) возможно использовать электроконтактный термометр. Например, у симистора BT138-600 (12 А, 600 В) отпирающий ток составляет всего 10 мА, у симистора BT139-600 (16 A, 600 В) – 40 мА.
При отрицательных температурах (например, при –25°C), когда отпирающий ток маломощного тиристора/симистора превышает 40 мА, и уже нельзя использовать контактный термометр, схему можно дополнить каскадом на двух маломощных симисторах (например, MAC97A8 или BT131-600 – 1 A, 600 В, отпирающий ток 4…10 мА) в корпусе ТО92 (стоимость не более 5 руб.). Аналогичным образом можно использовать прибор с отпирающим током 50…150 мА (см. рис. 3б, в). Даже если применить тиристор Т142-80-12 (80 А, 1200 В, отпирающий ток 150 мА при +25° и 350 мА при –50°C), одноамперный симистор MAC97A8 справится с его включением (см. рис. 3в). Разумеется, и в схеме рис. 3в контактный термометр будет работать без превышения тока.
Если тиристорный или симисторный выключатель коммутирует нагрузку мощностью 2 кВт при напряжении 220 В, ток коммутации составит 2000 Вт/220 В ≈ 9 А. Такой ток способен пропускать даже симистор BT138-600 (IMAX = 12 А) и тем более симистор BT139-600 (IMAX = 16 А), а если учесть, что в схеме работает пара приборов (см. рис. 3), то ток, приходящийся на каждый симистор/тиристор, будет в два раза меньше. Так зачем использовать более мощные и дорогие тиристоры/симисторы, например, BTA41-600 (IMAX = 40 А) (см. рис. 3б), или 70TPS12 (IMAX = 70 А), Т142-80-12 (IMAX = 80 А) (см. рис. 3в)?
Дело в том, что приведённые выше значения IMAX для тиристоров – это максимально допустимый средний ток в открытом состоянии. Однако существует ещё один параметр – средний ток в открытом состоянии, который для тиристора Т142-80-12 (с IMAX = 80 А), судя по справочному листку, составляет 27 А (т.е. всего в 3 раза больше 9 А), что необходимо учитывать, если речь идёт о высокой надёжности. Наиболее жёсткий режим работы устройства возникает при его включении в сеть с уже присоединённой нагрузкой. При этом независимо от того, замкнуты контакты выключателя ВК1 или нет, в устройстве в первый момент возникают импульсные токи, в несколько раз превышающие ток установившегося режима.
Для проверки безотказной работы устройства при включении в сеть автор нагрузил его двумя кварцево-галогеновыми лампами КГ220-1000 мощностью 1000 Вт, с сопротивлением в холодном состоянии 3 Ом, т.е. суммарное сопротивление нагрузки составило 1,5 Ом. При этом пусковой ток в установившемся режиме – до прогрева нитей ламп – составлял 220 В/1,5 Ом = 146,7 А. Лампы включались на время не менее 10 секунд, чтобы устройство полностью прошло фазу включения. В таком режиме были проверены все силовые приборы, установленные на радиаторе площадью 125 см2 (см. рис. 3). В результате проверки один из симисторов BT138-600 вышел из строя, поскольку в его описании указан максимальный ударный ток 95 А.
Стоимость устройства в основном складывается из стоимости мощных тиристоров/симисторов и радиаторов для их охлаждения. Стоимость последних напрямую зависит от их размера и может достигать многих сотен и даже тыс. руб. В то же время стоимость симисторов и тиристоров намного меньше (симистор BT138-600 – 15 руб., BT139-600 – 22 руб., BTA-41-600 – 65 руб.; тиристор 70TPS12 – чуть более 100 руб.). Размер радиатора определяет его способность рассеивать тепло, которое тиристор/симистор способен отвести от кристалла через корпус. Например, тепловое сопротивление симистора BT139-600 составляет 1,2°C/Вт, тиристора 70TPS12 – 0,27°C/Вт, тиристора Т142-80 – 0,2°C/Вт. Это означает, что при выделении тепла мощностью в 1 Вт прибор BT139-600 нагреется на 1,2°C, а 70TPS12 – только на 0,27°C (и это тепло должно быть отведено радиатором).
Выделение тепла зависит главным образом от падения напряжения на открытом приборе при определённом токе и температуре. Например, падение напряжения на симисторе BT139-600 при токе в 10 А и температуре +25°C составляет чуть более 1,25 В, т.е. он будет выделять мощность 1,25 В × 10 А =
= 12,5 Вт. При том же токе у тиристора 70TPS12 падение напряжения составляет около 1 В, и он будет выделять мощность 10 Вт. В общем случае чем мощнее тиристор, тем меньше он выделяет тепла и тем меньшего размера требуется радиатор для его охлаждения.
Что лучше: использовать дешёвый маломощный тиристор и большой (дорогой) радиатор или, наоборот, мощный дорогой тиристор и небольшой (недорогой) радиатор? Учитывая, что стоимость самых мощных тиристоров, упомянутых в статье, составляет не более 100 руб., можно поставить вопрос иначе: какова максимальная мощность устройства, если в нём используется один и тот же радиатор, например, с площадью поверхности в 125 см2 (по цене около 50 руб.) и различные тиристоры/симисторы?
Для ответа на этот вопрос автор поставил следующий эксперимент. В качестве нагрузки устройства была использована печка с вентилятором и режимами работы 1 кВт и 2 кВт. По очереди на радиаторах были установлены (разумеется, с использованием термопасты) все симисторы/тиристоры, указанные на схемах. Устройство включалось на 10 минут, выключалось (от сети) и рукой проверялась температура радиаторов. Оказалось, что мощность 2 кВт при безопасном нагреве способны коммутировать только тиристоры 70TPS12 и Т-142-80-12. Первый нагревался приблизительно до температуры тела, а второй был чуть тёплым, поскольку нагрев радиатора ощущался только тыльной стороной руки (см. рис. 3в). При мощности 1 кВт симисторы BTB24-600 нагрелись до температур приблизительно 36–37°C, а симисторы BTA41-600 и ТС-122-25-10 были чуть тёплыми (см. рис. 3б). При мощности 500 Вт симистор BT138-600 нагрелся до 36–37°C, а симистор BT139-600 был слегка тёплым. На рисунке 3а указана мощность 500 Вт, т.е. две печки, включённые в режиме 1 кВт, были соединены последовательно.
Эксперимент показал, что в устройстве, способном коммутировать нагрузку мощностью 2 кВт, целесообразно использовать тиристоры Т-142-80-12, установленные на двух радиаторах площадью 125 см2. В этом случае устройство – достаточно надёжное, недорогое и нагревается до безопасной температуры.
Гальванически изолированный тиристорный переключатель, управляемый ртутным электроконтактным термометром
В приведённых на рисунках 1 и 3 схемах для включения тиристоров или симисторов используется слаботочный выключатель ВК1. При его замыкании тиристоры включаются, и в нагрузку подаётся сетевое напряжение. В электроконтактных термометрах при повышении температуры ртуть расширяется, поднимается вверх и касается контакта в виде тонкой проволоки, вставленной в канал. В этом случае нагревательный элемент следует выключить, т.е. снять сетевое напряжение, а при размыкании контакта – включить снова. Для такой логики управления описанные выше схемы не годятся.
Для решения подобных задач с одновременной гальванической изоляцией контактов применяют оптосимисторы, включённые по схеме на рисунке 4.

Предположим, контакт ВК1 разомкнут, и через светодиод оптосимистора течёт ток Iвкл. В этом случае симистор также включён, и в нагрузку передаётся сетевое напряжение. При замыкании контакта ВК1 последний шунтирует светодиод, и симистор выключается. Поскольку светодиод и оптосимистор гальванически изолированы, контакт ВК1 развязан от сети.
Для формирования Iвкл можно использовать напряжение вторичной обмотки обычного сетевого трансформатора. Однако этот способ обладает двумя недостатками. Во-первых, вспомогательный сетевой трансформатор имеет достаточно большие габариты, вес и, главное, стоимость. Во-вторых, стандартные сетевые трансформаторы не обеспечивают хорошую изоляцию между обмотками (напряжение изоляции, как правило, не превышает 100 В). Решение было найдено в [6] (см. рис. 5).

Здесь для включения оптрона, реагирующего на переменное напряжение и имеющего транзисторный выход, применена известная схема бестрансформаторного блока питания с гасящим конденсатором [3]. Основное отличие схемы на рисунке 5 от стандартной схемы такого блока питания – использование не одного, а двух конденсаторов, обеспечивающих гальваническую изоляцию устройства от сетевого напряжения (см. рис. 3).
К сожалению, оптосимисторы с двумя противоположно направленными светодиодами, как показано на рисунке 5, не выпускаются. Однако, если выпрямить переменное напряжение, погашенное двумя конденсаторами, простейшим мостовым выпрямителем, сгладить его конденсатором и подать на светодиод оптосимистора, то последний можно использовать по схеме на рисунке 5. В рабочей схеме устройства (см. рис. 6) в качестве элементов, понижающих сетевое напряжение, используются конденсаторы C1 и C2, в качестве выпрямителя – мост MB6S (M1), сглаживающего конденсатора – C3.

Два мощных тиристора Т-142-80-12 (VD1 и VD2) обеспечивают работу устройства с нагрузкой 2 кВт. Контактный термометр подключён к выводам 1 и 2 оптосимистора (DA1) и условно обозначен как двухконтактный выключатель ВК1. Резисторы R1 и R2 ограничивают ток заряда конденсаторов C1 и C2 при включении устройства в сеть. Для индикации работы устройства использованы две неоновых лампы: NE-2W белого свечения (HL1) и NE-2Y жёлтого свечения (HL2) с токоограничительными резисторами R4 и R5, соответственно. Лампа HL1 индицирует включение нагрузки, лампа HL2 – наличие сетевого напряжения 220 В.
В качестве оптосимистора применена доступная и недорогая (17 руб. за штуку) микросхема MOC3063 (DA1). Минимальный ток светодиода, при котором открывается симистор, составляет 5 мА. Особенностью ИС является то, что оптосимистор открывается (и закрывается) строго в моменты перехода переменного напряжения, поданного на его выходы (выводы 6 и 4), через нулевое значение (Zero Crossing Circuit). Это необходимо для эффективного снижения сетевых помех при включении тиристоров VD1 и VD2.
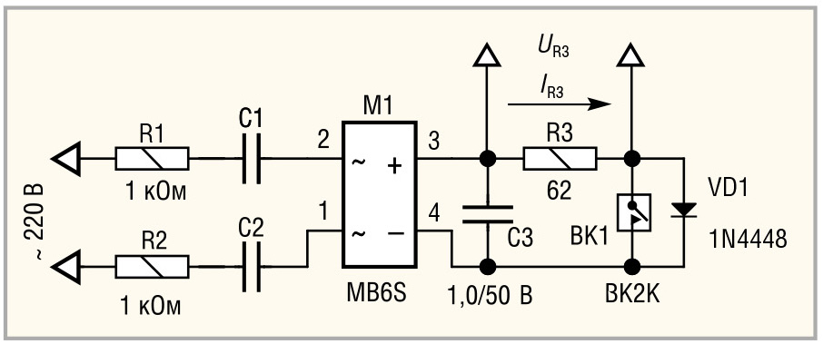
Скажем несколько слов о бестрансформаторном блоке питания (БП), состоящем из гасящих конденсаторов C1, C2, выпрямителя М1 и сглаживающего конденсатора C3 (см. рис. 6). Свойства такого БП не совсем обычны [3].
Во-первых, такой БП совершенно недопустимо включать без нагрузки, т.к. в этом случае напряжение на выходе выпрямительного моста может достичь максимального значения выпрямленного напряжения питания (т.е. 310 В!), от которого конденсатор C3, рассчитанный на 50 В, может мгновенно выйти из строя. Во-вторых, такой БП походит больше на источник тока, чем на источник напряжения, т.к. выходное сопротивление БП очень велико и определяется ёмкостью конденсаторов C1 и C2. А это, в свою очередь, означает, что ток, проходящий через R3 и светодиод оптосимистора при разомкнутом выключателе ВК1 или, если выключатель замкнут, – через R3 и выключатель, практически не зависит от нагрузки. Например, если измерить напряжение на R3, UR3 (или ток через R3, т.к. ток IR3 = UR3/R3), то при тех параметрах схемы, которые указаны на рисунке 6 при разомкнутом выключателе UR3 = 0,488 В, а при замкнутом UR3 = 0,487 В. Это свидетельствует о том, что изменение сопротивления нагрузки практически не приводит к изменению тока в ней (т.е. так, как это происходит, если к нагрузке подключён источник тока). Это очень ценное свойство, о котором будет сказано чуть позже. В-третьих, такой БП не боится короткого замыкания (см. рис. 7), т.к. в этом случае напряжение падает на двух конденсаторах C1 и C2, и выходная мощность становится равна нулю.

Отметим, что точный расчёт такого БП затруднён в связи со многими неизвестными факторами, приближённый же расчёт может дать погрешность до 100% и более, поэтому его целесообразно использовать, чтобы грубо оценить хотя бы порядок номиналов ёмкостей C1 и C2.
Для такой грубой оценки номиналов конденсаторов гальванической развязки рассмотрим замкнутую цепь из двух конденсаторов C1 и C2 одинаковой ёмкости, подключённых к сетевому напряжению, и определим ёмкости конденсаторов при конкретном значении тока короткого замыкания IC1C2 (см. рис. 7). Пусть действующее значение тока IC1C2 равно 0,01 А, значение напряжения U равно 220 В, а XC – общее ёмкостное сопротивление конденсаторов C1 и C2 на частоте 50 Гц. Тогда XC = U/IC1C2 = 220 В/0,01 А = 22 000 Ом. Учитывая, что XC = 1/wC = 1/2pfC, где C – общая ёмкость конденсаторов, f = 50 Гц, получим: C = 1/(wXC) = 1/(2p × 50 × 22000) Ф = 0,000000145 Ф = 0,145 мкФ. Поскольку конденсаторы соединены последовательно и равны, ёмкость каждого из них должна составлять 0,29 мкФ. Для более точной оценки надо учитывать падение напряжения на двух резисторах R1 и R2 (см. рис. 6), которое при токе 0,01 А составит 20 В. Кроме того, необходимо учесть потери в выпрямителе и разброс номиналов керамических конденсаторов (достигающий 80%), а также тот факт, что выходное напряжение выпрямителя достигает амплитудного значения входного.

Поскольку учесть все эти факторы затруднительно, то следует определить номиналы конденсаторов C1 и C2 опытным путём. Для этого автор использовал схему (см. рис. 8) с токоизмерительным резистором небольшого номинала в 62 Ом (R3), постоянное напряжение UR3 на котором измерялось обычным цифровым мультиметром, а ток IR3 [A] определялся как UR3 [В]/62 Oм. Вместо оптосимистора был установлен диод 1N4448. При ёмкости конденсаторов по 0,3 мкФ ток составил 8 мА, что достаточно для отпирания оптосимистора и почти совпадает с грубой оценкой. Поэтому в рабочей схеме были установлены конденсаторы 0,33 мкФ/250 В (см. рис. 6), а объём блока питания гальванической развязки не превысил 1 см3. Попробуйте отыскать сетевой блок питания с такими габаритами!
Как уже упоминалось, одно из свойств применённого бестрансформаторного БП с гасящими конденсаторами – возможность его использования в качестве источника тока. Для аналоговых измерений, как известно, часто используется так называемый токовый интерфейс промышленного стандарта 0–5 мА или 4–20 мА. Длина линии с таким токовым интерфейсом может достигать десятков и даже сотен метров без потери точности. Поскольку значение тока на R3 (см. рис. 6) составляет около 8 мА, т.е. находится в пределах промышленного стандарта 4–20 мА, то контактный термометр (контакты ВК1) может быть удалён от силовой части устройства на значительное расстояние, что часто бывает более чем необходимо для обеспечения защиты от опасности поражения электрическим током.
Конструкция выключателя
Устройство смонтировано в карболитовом корпусе. Вся схема (см. рис. 6) собрана навесным монтажом (см. рис. 9а).
Мощные тиристоры (VD1, VD2) установлены на двух радиаторах, которые прикреплены к двум пластинам из стеклотекстолита толщиной 4 мм. Это обеспечивает надёжную изоляцию радиаторов, находящихся под сетевым напряжением, от корпуса и между собой. На верхней поверхности корпуса (см. рис. 9б) установлены две розетки европейского типа для подключения нагрузки. Силовой провод припаян к пластинам розеток, служащим контактами для вилок. Неоновые лампы закреплены в оправках для светодиодов диаметром 3 и 5 мм на верхней поверхности корпуса розеток.
Все слаботочные соединения выполнены проводом МГТФ сечения 0,2 мм2. На рисунке 9 видно, что нижняя и верхняя части корпуса имеют вентиляционные отверстия, необходимые для охлаждения тиристоров. Стоимость покупных комплектующих изделий, как видно из таблицы, не превышает 400 руб.
Заключение
Приведённые в статье схемы тиристорных и симисторных выключателей переменного тока имеют следующие особенности:
- простоту, которая определяет их высокую надёжность, низкую стоимость и малые габариты;
- гальваническую изоляцию управляющих контактов от сетевого напряжения, обеспечивающую безопасность в условиях высокой влажности;
- использование простого гальванически изолированного бестрансформаторного источника питания с гасящими конденсаторами для включения оптосимистора по сравнению с обычным сетевым трансформатором существенно уменьшает размер устройства и снижает его стоимость, а также повышает степень гальванической изоляции;
- особенность схемы позволяет разместить электроконтактный термометр на значительном удалении от силовой части устройства, что обеспечивает дополнительную защиту от поражения электрическим током;
- управляющий оптосимистор, оснащённый схемой определения перехода сетевого напряжения через ноль, существенно понижает уровень сетевых помех при коммутации;
- электроконтактный термометр повышает до 0,1°C точность определения температуры, при которой происходит включение и выключение нагрузки.
В процессе эксплуатации устройство продемонстрировало безотказную работу с нагрузкой мощностью 2 кВт и слабый саморазогрев.
Литература
- Бруфман С.С., Трофимов Н.А. Тиристорные переключатели переменного тока. Энергия. 1969.
- Ладыка. А. Безопасное управление тиристорами. Радио. №2. 2005.
- Дорофеев М. Бестрансформаторный блок питания с гасящим конденсатором. Радио. №1. 1995.
- Кузьминов А. Применение ИС цифровых изоляторов ADUM7441 и ADUM3473 для гальванической развязки интерфейса RS232. Современная электроника. №9. 2011.
- Кузьминов А. Преобразователь интерфейсов USB-SPI с гальванической развязкой. Современная электроника. №1–2. 2012.
- Application Note AN-3003. Applications of Random Phase Crossing Triac Drivers. www.fairchildsemi.com.
- Application Note AN-3004. Applications of Zero Voltage Crossing Optically Isolated Triac Drivers. www.fairchildsemi.com.
- Application Note AN-3008. RC Snubber Networks for Thyristor Power Control and Transient Suppression. www.fairchildsemi.com.
- AND8030/D. Series, Inverse-Parallel and Turn-Off Connections for SCR Thyristor Devices. http://onsemi.com.
- Thyristor Device Data. TRIACs, SCRs, Surge Suppressors, and Triggers. DL137/D. Rev.7, May 2000. http://onsemi.com.
© СТА-ПРЕСС
Если вам понравился материал, кликните значок — вы поможете нам узнать, каким статьям и новостям следует отдавать предпочтение. Если вы хотите обсудить материал —не стесняйтесь оставлять свои комментарии : возможно, они будут полезны другим нашим читателям!

