Компания Monolithic Power Systems (MPS) – один из мировых лидеров среди разработчиков и производителей высокоэффективных компонентов аналоговой и силовой электроники на базе BiMOS- и DMOS-технологий. Направление деятельности компании охватывает выпуск DC/DC-преобразователей различного применения, линейных стабилизаторов, усилителей класса D, драйверов зарядных устройств, интегральных микросхем для решений по передаче питания через сети Ethernet (Power Over Ethernet) и супервизоров питания. Одним из ключевых направлений компании является разработка и производство микросхем для питания мощных светодиодных источников света – светодиодных драйверов.
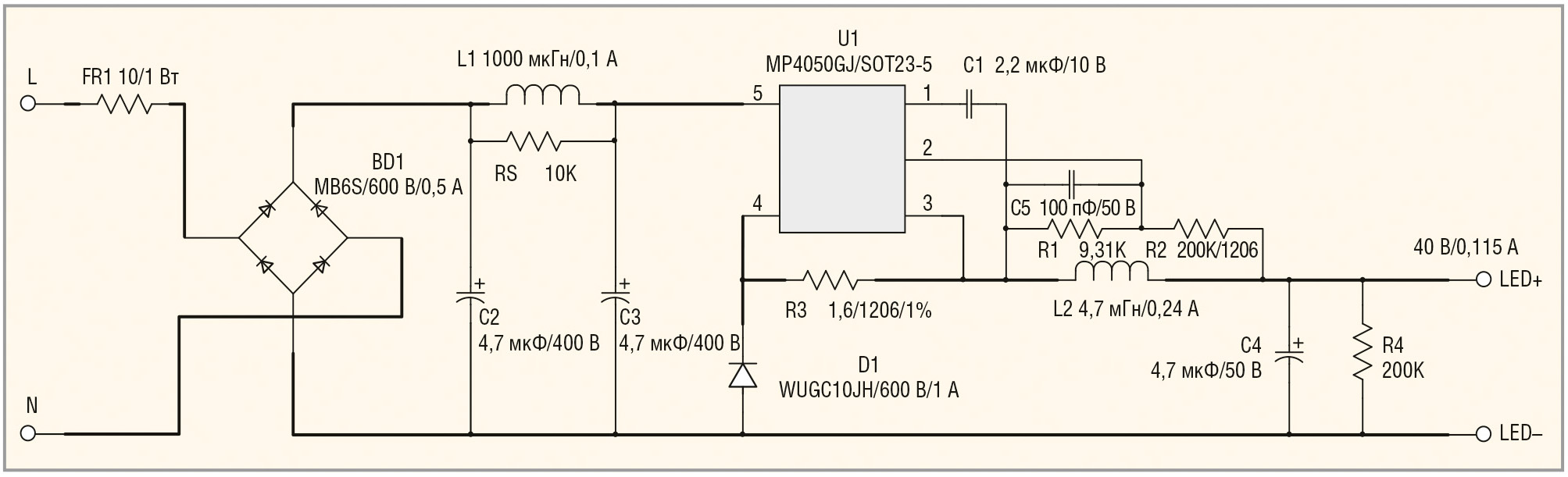
Обладая высокой эффективностью, светодиодные источники света мощностью 6 Вт могут с успехом заменить наиболее популярные традиционные 40-Вт лампы накаливания и галогенные лампы мощностью 25 Вт. Для такой замены необходимо обеспечить электрическую и габаритную совместимость с традиционными источниками света. С этой целью компания MPS разработала и вывела на рынок светодиодного освещения микросхему MP4050, представляющую собой высокоэффективный светодиодный драйвер с максимальной выходной мощностью 7 Вт без гальванической развязки [1]. Встроенный в драйвер мощный высоковольтный ключ и высокая степень интеграции микросхемы MP4050 позволяют использовать минимальное количество дополнительных компонентов (см. рис. 1). Высокоэффективная работа светодиодного драйвера возможна от сети переменного тока в диапазоне напряжений 85…265 B.

Работа схемы начинается с подачи напряжения сети переменного тока на выпрямительный мост BD1 и далее через цепочку фильтра нижних частот C2, L1, R5 и C3, выполняющего роль пассивного корректора коэффициента мощности, поступает на вывод 5 (DRAIN) микросхемы MP4050GJ. Внутренний высоковольтный стабилизатор напряжения, вход которого подключён к выводу 5 (DRAIN), питает внутренние цепи микросхемы. Работа стабилизатора осуществляется совместно с внешним конденсатором C1, подсоединённым к выводу 1 (VCC). Преобразователь начинает работу как только напряжение на конденсаторе С1, поступающее через внутренний высоковольтный стабилизатор, достигает значения 4,65 B. Затем высоковольтный стабилизатор отключится до тех пор, пока напряжение на конденсаторе C1, вследствие разряда, не упадёт ниже значения 4,4 B. Работа преобразователя прекращается, когда напряжение на выводе VCC падает ниже значения 3,27 B.
В случае возникновения нештатных ситуаций, таких как перегрев корпуса микросхемы, короткое замыкание или обрыв в цепи светодиодов, сработает внутренняя схема защиты, которая отключит режим преобразования. Вследствие контролируемого разряда конденсатора C1 током 18 мкА, напряжение на нём будет снижаться до значения 2,37 B, затем преобразователь попытается возобновить свою работу.
Контроль постоянного тока в цепи светодиодов осуществляется с помощью последовательно включённого в цепь светодиодов резистора R3. Падение напряжения на резисторе R3 с помощью интегрированного в микросхему компаратора сравнивается с источником опорного напряжения UFB, чей уровень равен 0,194 B. Для точной стабилизации тока на светодиодах во всей области рабочих температур рекомендуется выбирать резистор R3 с точностью не хуже ±1% и температурным коэффициентом сопротивления ±400 ppm/°C. Средний и пиковый токи на светодиодах можно рассчитать с помощью следующих формул:

Для предотвращения перехода работы преобразователя в слышимую область частот (20 кГц и ниже), преобразователь драйвера имеет ограничение минимальной частоты. При достижении нижней границы частоты преобразования, равной 22 кГц, внутренний регулятор снижает пиковое значение тока на светодиоде, не допуская тем самым дальнейшего снижения частоты. Если значение индуктивности L2 преобразователя большое и значение частоты невозможно вернуть в рабочую область, то режим прерывистого тока на индуктивности преобразователя (DCM) сменится на режим непрерывного тока (CCM).
Важным элементом защиты светодиодного драйвера является предотвращение выхода его из строя вследствие перегрева. Для этого предусмотрено защитное отключение преобразования в случае нагрева корпуса микросхемы до температуры 150°C. Работа преобразователя возобновляется при охлаждении корпуса до 90°C и ниже.
Вторым по важности элементом защиты светодиодного драйвера является цепь защиты от короткого замыкания. При коротком замыкании в цепи светодиодов напряжение на выводе 2 (PRO) упадёт ниже порогового уровня UUVP = 0,39 B, в этом случае срабатывает цепь защиты от короткого замыкания, и работа светодиодного драйвера прекращается. Драйвер попытается возобновить свою работу, как только напряжение на конденсаторе C1 в цепи питания микросхемы (вывод 1, VCC) упадёт ниже 4,4 B.
Цепь резисторов R1 и R2 служит для ограничения бесконтрольного роста напряжения в выходной цепи драйвера и препятствует выходу его из строя в случае обрыва в цепи светодиодов. Номинал резистора R2 выбирается в соответствии с рассеиваемой на нём мощностью. Рекомендуется использовать резистор с сопротивлением более 100 кОм и корпусом с типоразмером 1206. Конденсатор С5, подключённый параллельно резистору R1, призван сглаживать всплески напряжений и шумов переходных процессов, возникающих при переключении силового ключа импульсного преобразователя. Максимальное выходное напряжение Uогр светодиодного драйвера можно рассчитать по формуле:

где UD – падение напряжения на диоде D1.
В выходной цепи для сглаживания тока на светодиодах и пульсаций напряжений на дросселе необходимо использовать электролитический конденсатор С4 с рекомендованной рабочей температурой до 105°C. Резистор R4, присоединённый параллельно к выходному электролитическому конденсатору С4, необходим для корректной регулировки выходного напряжения в случае отсутствия нагрузки драйвера или обрыва в цепи светодиодов. Для эффективной работы и повышения КПД светодиодного драйвера диод D1 должен быть быстродействующим, со временем восстановления менее 70 нс.
Импульсный преобразователь светодиодного драйвера представляет собой нелинейную нагрузку. Для того чтобы избежать возникновения шумов и паразитных гармоник при его работе, которые могут негативно повлиять и на работу других устройств, подключённых к единой сети переменного тока, во входной цепи следует установить корректор коэффициента мощности [2]. Цепочка C2, C3, L1 представляет собой пассивный корректор коэффициента мощности с коэффициентом коррекции 0,5 при условии входного напряжения 230 B. Резистор R5, подключённый параллельно дросселю L1, необходим для уменьшения помех на средних частотах.

На рисунке 2 представлен типовой дизайн печатаной платы светодиодного драйвера, построенного с использованием микросхемы MP4050GJ. Используется односторонняя печатная плата с небольшим количеством внешних компонентов. Компактные размеры и характерный дизайн печатной платы позволяют использовать драйвер для питания мощных светодиодов в корпусе с цоколем E27 [3].
Заключение
Использование микросхемы MP4050 от компании MPS в светодиодном драйвере позволит создавать компактное устройство для питания мощных светодиодов от сети переменного тока без гальванической развязки. Для надёжной работы в микросхему интегрирована защита от перегрева, перегрузки по току, короткого замыкания или обрыва в цепи светодиодов. Высокая степень интеграции микросхемы не требует большого количества внешних компонентов и делает возможным изготовление компактных драйверов с низкой себестоимостью под стандартный цоколь E27 для замены ламп накаливания.
Литература
- MP4050 Non-Isolated, High Brightness, LED Driver. Rev.1.0., 2014 MPS. www.Mono-lithicPower.com.
- ГОСТ Р 55705-2013. Приборы осветительные со светодиодными источниками света. Общие технические условия.
- EV4050-J-00A Off-line Non-isolated LED Driver Evaluation Board. Rev.1.0. 2014 MPS. www.MonolithicPower.com.
© СТА-ПРЕСС
Если вам понравился материал, кликните значок — вы поможете нам узнать, каким статьям и новостям следует отдавать предпочтение. Если вы хотите обсудить материал —не стесняйтесь оставлять свои комментарии : возможно, они будут полезны другим нашим читателям!

