Введение
Для передачи данных по силовым электрическим сетям в настоящее время используется множество технологий с общим названием PLC (Power Line Communication). Можно выделить две основных разновидности сетей PLC: узкополосные, предназначенные для обмена данными между устройствами, и широкополосные – для передачи данных, звука и видео внутри корпоративных и внутридомовых сетей.
Несмотря на кажущуюся простоту организации связи по проводам электрической сети – подключился к розетке и работай – практическое воплощение надёжных каналов связи сталкивается с рядом трудностей. Неэкранированные, разделённые трансформаторами электросети с многочисленными источниками помех, создаваемых разнообразными потребителями электроэнергии, являются наихудшей средой для надёжной передачи сигналов. Низкое качество внутридомовой разводки, которая часто выполнена алюминиевым проводом, обладающим более высоким, по сравнению с медным, сопротивлением, также создаёт проблемы. Кроме того, длинные линии электропередачи доступны для бесконтактного считывания передаваемой информации. Поэтому при организации PLC-каналов связи используются помехоустойчивые виды модуляции и шифрование данных.
Технологии построения PLC
На сегодняшний день сосуществуют несколько технологий PLC и стандартов, их регламентирующих. Большой вклад в разработку технологий передачи данных по силовым линиям и разработку стандартов вносят электротехнические и электронные компании, часто объединяющиеся в различные альянсы, проекты и консорциумы. Из наиболее известных объединений можно упомянуть HomePlug, Open Meter, PRIME, ECHONET, UPA, HD-PLC и G3 PLC.
Альянс HomePlug Powerline был образован в 2000 году Texas Instruments, Cisco, Compaq, Intel, Intellon, Motorola и другими компаниями, заинтересованными в развитии PLC-технологий. Одной из основных задач альянса была разработка единой системы открытых спецификаций для PLC. В число постоянных участников альянса входят представители более чем 20 компаний, в том числе Qualcomm, Renesas, Yitran, STM, D-Link, Huaway, Maxim, Sony и Sumitomo. Первым стандартом, разработанным альянсом, был HomePlug 1.0, прототипом которого стала спецификация Intellon PowerPacket компании Intellon на основе технологии OFDM, используемой в цифровом телевещании.
В 2005 году альянс разработал стандарт HomePlug AV для передачи данных с пиковой скоростью передачи до 150 Мбит/с, использующий до 1155 поднесущих в диапазоне частот 2…28 МГц.
Cтандарт низкоскоростной передачи данных HomePlug C&C (HomePlug Command and Control V1.0) был предложен в 2007 году и основан на узкополосной технологии компании Yitran. В 2012 году была представлена версия HomePlug AV2, полностью совместимая с HomePlug AV и IEEE 1901 и ориентированная на передачу видеосигналов высокой чёткости в домашних сетях с использованием дополнительного диапазона частот 30…86 МГц и модуляции 4096-QAM [1].
В состав альянса Open Meter входят европейские компании, организации и университеты, в том числе университет Карлсруэ (Германия), союз потребителей DLMS User Association (Швейцария), компании ELSTER, ENEL, EDF, ENDESA, Landis +Gyr, STMicroelectronics и другие. Координацию работы альянса осуществляет испанская компания IBERDOLA. Проект Open Meter [2], который финансировался Европейской комиссией, ориентирован на разработку пакета открытых стандартов для автоматизированных систем контроля и управления энергоресурсами (АСКУЭ), поддерживает действующую серию PLC-стандартов IEC 61334, IEC 62056 DLMS/COSEM, EN 13757 и согласован с европейскими органами стандартизации CEN, CENELEC и ETSI.
Альянс PRIME, в состав которого входят компании Atmel, STM, IBERDOLA, Siemens, GE, Texas Instruments, NXP, Renesas, Siemens, Envery Inc. и другие, сосредоточил усилия на разработке открытых стандартов и спецификаций для узкополосных систем PLC со скоростью передачи данных 128 Кбит/с (с 2012 года – до 980 Кбит/с) для интеллектуальных сетей Smart Grid на основе OFDM [3].
Консорциум ECHONET был основан в 1997 году с целью развития технологий домашних сетей, предназначенных для удалённого управления бытовыми приборами, и повышения надёжности, безопасности и эффективности их использования в гармонии с окружающей средой. В консорциум входят ведущие японские электронные компании: Hitachi, Panasonic, Sharp, Mitsubishi, Toshiba, NEC, NTT, Sanyo и другие. Консорциум разработал спецификации Power Line A и Power Line B для организации связи через силовые сети с помощью технологии модуляции DSSS (Direct-Sequence Spread Spectrum), описанной в стандарте IEEE 802.11. При её использовании в диапазоне частот 10…450 кГц достижима скорость передачи в 9600 Кбит/с (Power Line A). В спецификациях Power Line B передача данных осуществляется с использованием нескольких несущих и модуляции DQPSK (Differential Quaternary Phase-Shift Keying). В настоящее время действуют открытые спецификации консорциума ECHONET Lite Specification, Version 1.00/1.01, Version 3.21/2.11, разработанные в 2011 и 2012 годах [4].
Международные стандарты
Спецификации, разработанные объединениями компаний, нельзя считать полноценными общепризнанными стандартами, так как они направлены на удовлетворение коммерческих интересов крупных производителей микросхем и сетевого оборудования. К числу относительно независимых и влиятельных организаций, разрабатывающих международные стандарты, относятся ИИЭР (IEEE) и МСЭ (ITU).
В 2005 году ИИЭР образовал рабочую группу для разработки стандарта Broadband PowerLine, объединившего несовместимые и конкурирующие отраслевые стандарты передачи данных через силовые электросети. Группа рассмотрела спецификации HomePlug, ECHONET и UPA, в результате чего был разработан первый проект стандарта IEEE P1901, одобренный на собрании рабочей группы в 2009 году в Токио. Документом предусматривается совместное использование модуляции FFT OFDM (стандарт HomePlug AV) и Wavelet OFDM (стандарт альянса HD-PLC). В 2012 году вступила в действие редакция проекта стандарта IEEE P1901.2 для узкополосных (до 500 кГц) PLC-сетей со скоростью передачи данных до 500 Кбит/с [5].
В 2008 году секцией телекоммуникаций МСЭ (ITU-T) был принят международный стандарт высокоскоростной передачи данных по линиям электропередач, телефонным и коаксиальным кабелем ITU-TG.9960 (G.hn), направленный на унификацию технологий проводных сетей передачи данных. Наблюдать за совместимостью сетей на базе стандарта G.9960 уполномочена некоммерческая организация Home Grid Forum, одним из членов которой является производитель компонентов и решений для PLC – испанская компания DS2. C 2012 года действует третья редакция стандарта ITU-T G.9960, Edition 3.0, регламентирующего широкополосную передачу данных по силовым и телефонным линиям, коаксиальным и оптическим кабелям внутридомовых сетей [6].
Для передачи данных по электрическим сетям используются ДВ, СВ и КВ диапазоны частот, однако в интеллектуальных сетях Smart Grid надёжная передача данных на большие расстояния возможна на частотах до нескольких сотен килогерц. На рисунке 1 показано распределение частот для сетей Smart Grid, регламентируемое федеральной комиссией по связи США (FCC) и Европейским комитетом электротехнической стандартизации (СENELEC).

Использование систем передачи данных по электрическим сетям в России регламентируется стандартом ГОСТ Р513.3.8 в диапазоне частот до 525 кГц.
В конце 2011 года компанией Maxim Integrated Products был организован альянс G3-PLC, целью которого стала выработка общепринятого стандарта широкополосной передачи данных по линиям электропередач для сетей Smart Grid. В состав альянса входят 12 компаний – членов правления (EDF, STM, TI, Cisco, Landis & Gyr и др.) и 18 ассоциированных участников (Atmel, Yitran, Freescale, Renesas, Panasonic и др). Одноимённые технология и протокол G3-PLC, протестированные рядом энергосбытовых компаний, были адаптированы к требованиям ряда международных стандартов (ITU, IEEE, CENELEC) и реализованы многими изготовителями оборудования. Технология G3-PLC основана на OFDM и обеспечивает надёжную передачу данных в диапазоне 10…490 кГц со скоростью до 300 Кбит/с на большие расстояния и в разветвлённых электрических сетях [7].
Несмотря на отсутствие единого общепринятого стандарта передачи данных по электрическим сетям, PLC-технологии успешно развиваются и получают распространение во многих странах мира, что подтверждается растущим числом производителей компонентов, модемов и оборудования для Smart Grid и домашних широкополосных сетей. К числу известных разработчиков и производителей специализированных микросхем для PLC-приложений относятся компании Yitran и Maxim.
Микросхемы и модули
компании Yitran
Компания Yitran (Израиль), основанная в 1996 году и сертифицированная по стандартам ISO 9001:2000/2008, не имеет собственных производственных мощностей, однако является ведущим поставщиком технологий и компонентов для PLC-приложений: автоматизированных систем съёма показаний счётчиков энергопотребления (АМR); систем управления потреблением электроэнергии (AMM), автоматизации зданий, управления освещением, вентиляцией и кондиционированием (HVAC).
Компания разрабатывает технологии и решения для физических (PHY), канальных (DLL/МАС) и сетевых уровней PLC-сетей, а также модемы и компоненты для систем передачи данных на основе модуляции DCSK, удовлетворяющей требованиям стандарта IEEE 802.11. Партнёрами и клиентами Yitran являются компании Endesa, Hitachi, Kansai, LG, Panasonic, Renesas и другие. Несколько больших проектов компании в области АММ/AMR успешно реализуются в России, Восточной Европе, Китае, Западной Европе, Южной Африке, Индии и Турции; в системах автоматизации зданий в США и Южной Корее. Технологии компании недавно были выбраны для построения PLC-сетей в Украине, Белоруссии, Казахстане и Армении.
В каталоге компании Yitran 2013 года представлены специализированные микросхемы IT700, IT800D, IT900, модули IT700, беспроводные ВЧ-решения Y-NET+, ZigBee+ и отладочные комплекты Y-Net Evaluation Package, а также программатор IT700 Flash Programmer [8].
Специализированная микросхема типа система-на-кристалле (СнК) IT700 включает физический уровень (PHY), канальный уровень (DLL, Data Link Layer) и сетевой протокол (Y-Net). Физический уровень оптимизирован для применения на электрических линиях низкого и среднего напряжения и обладает высокой устойчивостью к замираниям сигнала, шумам и помехам, частотным искажениям и изменениям импеданса нагрузки.
Основные области применения микросхемы, рекомендованные производителем: интеллектуальные сети (AMM/AMR); управление питанием – «умные дома» и автоматизация зданий, управление бытовой техникой; системы безопасности и условного доступа; мониторинг окружающей среды (температура, уровень освещённости и др.); управление уличным освещением и информационно-рекламными системами Signage. Микросхема выполнена в корпусе QFN56 размерами 7ґ7ґ0,9 мм, её структурная схема приведена на рисунке 2, а типовая схема включения – на рисунке 3.


Особенности микросхемы:
- соответствие стандартам FCC, ARIB и EN50065-1-CENELEC;
- запатентованная модуляция DCSK (US Patent 6064695);
- микроконтроллер 8051 с флэш-памятью 256 Кбайт;
- версия открытой архитектуры, позволяющая программировать коды приложений вместе с коммуникационным стеком;
- напряжение питания 3,3 В (ток потребления не более 500 мА);
- промышленный диапазон рабочих температур –40…85°С;
- мощные средства коррекции ошибок (CRC-8, CRC-16) и адаптивное детектирование пакетов;
- поддержка до 1023 перекрывающихся сетей и 2047 узлов в сети;
- автоматическое управление скоростью передачи данных, распределением адресов узлов и формирование логистики сетей;
- защита информации на основе 128-разрядного шифрования AES и 32-битной аутентификации;
- скорости передачи данных: 7,5 Кбит/с (стандартный режим, SM), 2,5/5 Кбит/с (режим повышенной надёжности, RM), 0,625/1,25 Кбит/с (особо надёжный режим, ERM).
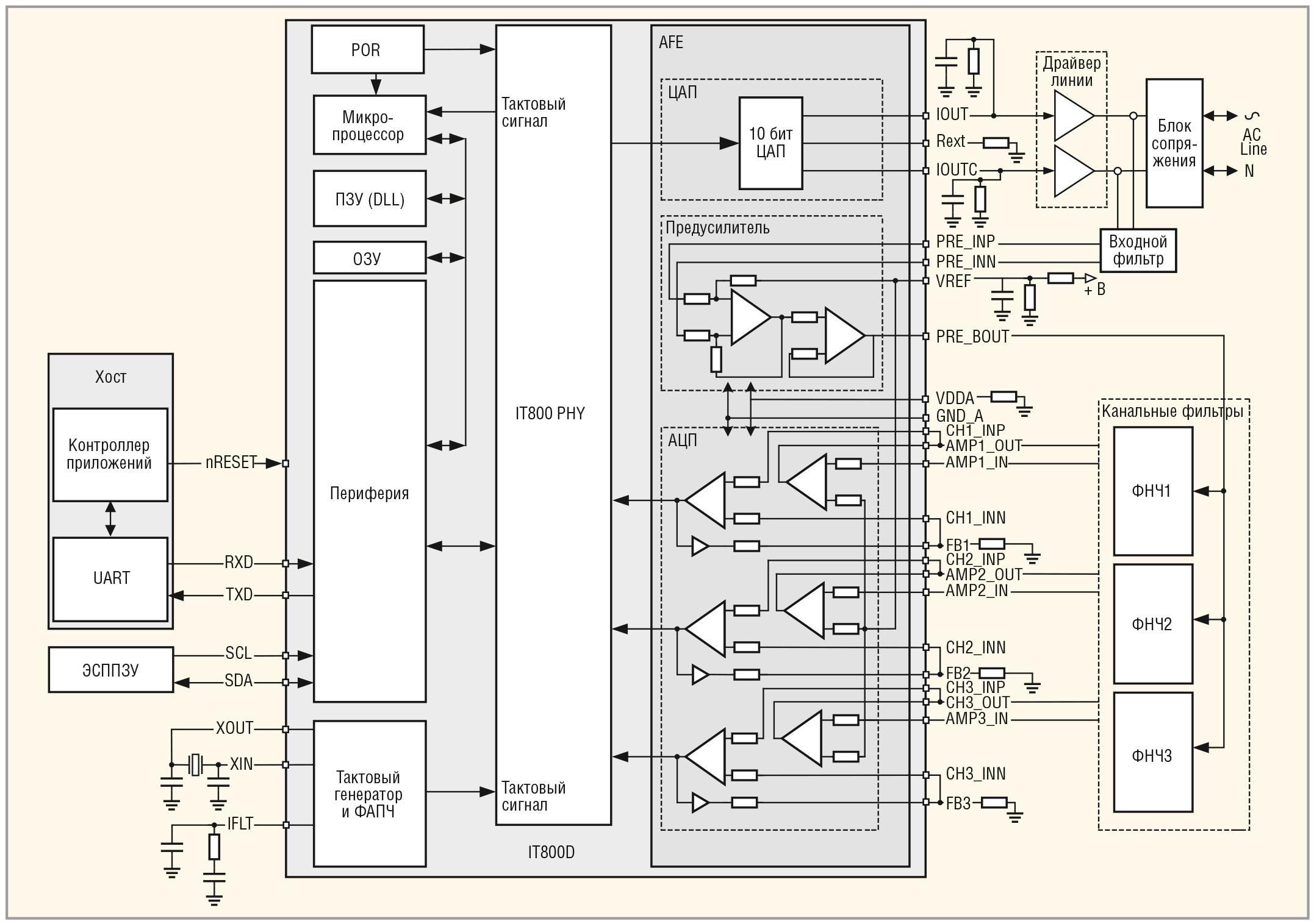
Специализированная СнК IT800D для PLC-модемов выполнена в корпусе LQFP64 размерами 10×10×1,4 мм и отличается от IT700 построением физического и канального уровней и аналогового интерфейса (Analog Front-end). Структурная схема IT800D приведена на рисунке 4; функциональные возможности и параметры, а также области применения в основном совпадают с IT700.

Пример построения канала передачи данных по электрическим сетям на основе СнК IT800D для управления бытовыми приборами показан на рисунке 5.

В состав канала входят схемы исполнительных устройств конкретных приборов (Application Circuitry); хост-микроконтроллер приложений общего назначения с интерфейсом UART, управляющий исполнительными устройствами приборов «умного дома»; СнК IT800D с ЭСППЗУ для сохранения параметров канального уровня; аналоговый интерфейс и блок сопряжения (Line Coupler) для подключения к сети переменного тока; источник питания для СнК, входного блока и устройств управления приложениями.
Для отработки PLC-решений заказчикам предлагается отладочная плата STK2 (Development Tools), внешний вид которой показан на рисунке 6.

В состав платы входит подключаемый модуль (IT800 PIM), состоящий из СнК IT800D, элементов аналогового и сетевого интерфейсов, стабилизатор напряжения 3,3 В и ЭСППЗУ. На плате предусмотрены разъём USB и коаксиальный разъём для связи с персональным компьютером (по заказу).
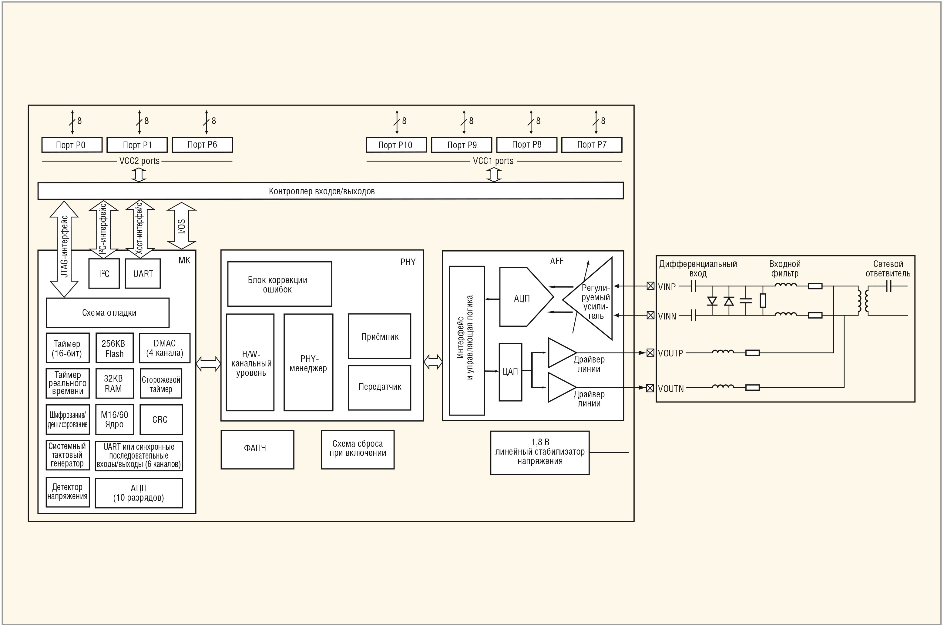
Система-на-кристалле для PLC-модемов нового поколения IT900 (см. рис. 7) выполнена в корпусе HTQFP100, обеспечивает в 60 раз большую скорость передачи данных по сравнению с IT700 и IT800 и поддерживает верхний уровень протоколов IPv4, IPv6 и SE 1.0, SE2.0.

Микросхемы могут быть использованы в системах автоматизации зданий, в том числе для управления отоплением и вентиляцией, системами безопасности и условного доступа, освещения, дистанционной диагностики и в других приложениях. В интеллектуальных сетях Smart Grid новые СнК можно использовать для автоматического считывания показаний счётчиков и управления питанием (AMM/AMR), для обнаружения несанкционированных подключений, управления солнечными батареями и т.п.
Особенностями физического уровня микросхемы являются применение модуляции DCSK Turbo с уплотнением спектра и адаптивного корректора (DFE, Decision Feedback Equalizer). Канальный уровень (MAC Layer) СнК использует сетевой протокол CSMA/MA с передачей приоритетов (Transmission Priority) и задержкой механизма управления (Delay Control Mechanism), межсетевые и корпоративные службы Unicast и Broadcast, канал верхнего уровня (Upper Layer Channel) и мониторинг пакетов (Packet Monitoring); дополнительную комплексную защиту (Optional Security Suite, IEEE OP802.15).
Структурная схема и типовое включение СнК IT900 показаны на рисунке 8.

Особенности и параметры микросхемы:
- диапазоны рабочих частот FCC/ARIB (100…500 кГц), CENELEC A (9…95 кГц), CENELEC B (95…125 кГц);
- скорость передачи данных 1,25…500 Кбит/с (FCC/ARIB), 0,625…150 Кбит/с (CENELEC A), 0,625…75 Кбит/с (CENELEC B);
- исправление ошибок кодами упреждающей коррекции (Forward short-block soft decoding error correction code) и CRC-16;
- чувствительность приёмника менее 1 мВ (пиковая);
- динамический диапазон более 95 дБ, подавление соседнего канала 60 дБ;
- 24 входа/выхода общего назначения;
- интерфейсы UART, SPI, I2C, JTAG и специализированный аналого-цифровой;
- до 1023 логических сетей и до 2047 узлов в сети, длина линий до 2 км;
- напряжение питания 3,3 В, мощность потребления в режиме приёма 80 мВт.
Компания также выпускает подключаемый (съёмный) модуль IT900 PIM (см. рис. 9) и стартовый отладочный набор STK4 (Starter Kit) (см. рис. 10), состоящий из сетевого координатора (см. рис. 11), пяти модемов (RS, Remote Station) и компакт-диска с программным обеспечением и техническими характеристиками.



Микросхемы компании Maxim
Компания Maxim выпускает широкую номенклатуру ИС для PLC-сетей, выполненных по технологии G3-PLCTM. СнК для интеллектуальных сетей фирмы получили заслуженное признание в Европе: интеллектуальная технологическая платформа компании награждена Европейским дипломом «Интеллектуальная технология измерений 2012 года».
В каталоге фирмы на февраль 2013 года представлены 29 типов СнК для систем учёта потребления энергоресурсов, 8 типов СнК для систем управления питанием и 5 типов ИС для сетевой инфраструктуры [9]. В конце 2012 года компания представила СнК четвёртого поколения 71M6541DT/FT, 71M6542FT для однофазных счётчиков электроэнергии в домашних, корпоративных и промышленных приборах. В микросхемы интегрированы 8051-совместимые ядра микропроцессоров с низким потреблением энергии и температурной компенсацией, флэш-память и драйвер ЖКИ; другие особенности и параметры микросхем:
- точность измерения 0,1% в диапазоне токов 2000:1;
- соответствие требованиям стандартов IEC 62053/ANSI C1220 (с превышением);
- два входа датчиков тока с возможностью дифференциального подключения;
- программируемые выходы Wh/VARh;
- объём флэш/оперативной памяти 32 Кб/3 Кб (71M6541DT), 64 Кб/5 Кб (71M6541FT/42FT);
- независимое 32-разрядное вычислительное ядро;
- защищённое программное обеспечение (Flash Security);
- высокое быстродействие при пониженном напряжении (Brownout Mode);
- аппаратный сторожевой таймер;
- интерфейсы I2C, MICROWIRE®EPROM, SPI и UART (два);
- промышленный диапазон рабочих температур;
- корпуса LQFP64 (71M6541DT/FT), 100LQFP (71M6542FT).
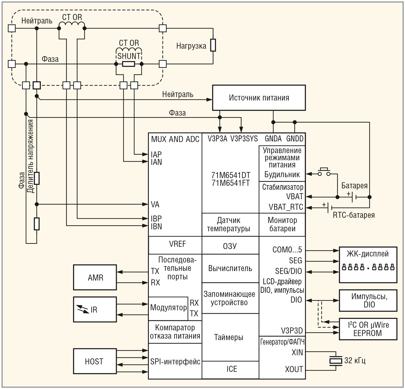
Типовая схема включения СнК четвёртого поколения в однофазную сеть переменного тока приведена на рисунке 12.

Литература
- www.homeplug.org/tech/av2/.
- www.openmeter.com/.
- www.prime-alliance.org/.
- www.echonet.gr.jp/english/spec/index.htm.
- http://standards.ieee.org/news/2012/p19012_baallot.html">p19012_baallot.html.
- www.itu.int/rec/T-REC-G.9960-201112-I/en.
- http://46.4.23.203/.
- www.yitran.com/index.aspx?id=3351.
- www.maximintegrated.com/products/powerline/g3-plc/.
© СТА-ПРЕСС
Если вам понравился материал, кликните значок — вы поможете нам узнать, каким статьям и новостям следует отдавать предпочтение. Если вы хотите обсудить материал —не стесняйтесь оставлять свои комментарии : возможно, они будут полезны другим нашим читателям!

