Территориально-распределенная автоматизированная система учета и контроля электропотребления (АСКЭП) предназначена для сбора, хранения и отображения информации об электропотреблении на промышленных предприятиях. Система АСКЭП позволяет вести расчет потребления электроэнергии, строить графики потребляемой мощности за произвольные интервалы времени, контролировать превышение лимита мощности.
Архитектура системы имеет иерархическую трехуровневую территориально-распределенную структуру, включающую посты наблюдения, пульт управления и автоматизированное рабочее место (АРМ) диспетчера энергосистемы предприятия. Структурная схема системы АСКЭП показана на рис. 1.

Нижний уровень представляет собой практически автономный пост наблюдения, установленный на объекте контроля. Связь со вторым уровнем — пультом управления — осуществляется по коммутируемой телефонной линии через модем.
Контроллер поста наблюдения выполнен на технических средствах MicroPC фирмы Octagon Systems: процессор Intel 80386 SX, встроенный модем и плата дискретного ввода-вывода. Для отображения информации предусмотрен 16-символьный дисплей и 4-кнопочная клавиатура. Программное обеспечение написано на языке Си.
Пост наблюдения контролирует расход активной и реактивной электронергии (до 100 точек), положение коммутационных аппаратов (секционные разъединители, масляные выключатели), состояние датчиков охранной сигнализации и блоков питания аппаратуры. Состояние системы фиксируется с интервалом от 3 до 30 минут с точной привязкой ко времени, при этом адаптивный алгоритм увеличивает длительность интервала при постоянной мощности и уменьшает при ее изменениях.
По запросу от контроллера пульта управления, представляющего собой второй уровень системы, а также инициативно при возникновении внештатной ситуации на посту наблюдения (скачок потребления мощности, изменение положения коммутационного аппарата, срабатывание датчика охранной сигнализации, нарушение питания) информация передается на второй уровень. Между сеансами связи данные сохраняются в энергонезависимой памяти. При отсутствии связи по телефонному каналу пост наблюдения накапливает предысторию в течение примерно 2 суток (время определяется размером энергонезависимой памяти). Далее контролируется потребление электроэнергии без привязки ко времени. При восстановлении связи функционирование системы возобновляется в обычном режиме.
Контроллер пульта управления также выполнен на базе MicroPC с процессором Intel 80386 SX и со встроенным модемом. Программное обеспечение написано на языке Си.
Пульт управления опрашивает посты наблюдения с заданным временным интервалом или по команде, поступившей от АРМ. Период опроса устанавливается дежурным персоналом (по умолчанию 30 минут). Пульт управления сохраняет принятую информацию, ведет протоколы связи и передает данные в АРМ диспетчера по последовательному каналу RS-232. Между сеансами связи данные также сохраняются в энергонезависимой памяти. При отсутствии связи c АРМ диспетчера опрос постов наблюдения продолжается в течение примерно 12 часов (время определяется размером энергонезависимой памяти и объемом передаваемых постами данных). Далее опрос постов прекращается до установления связи с АРМ. После восстановления связи функционирование системы возобновляется.
АРМ диспетчера является третьим уровнем системы. Он реализован на IBM РС совместимом компьютере. Программное обеспечение АРМ включает в себя подсистему оперативного контроля состояния постов наблюдения и подсистему учета потребления электроэнергии.
Подсистема оперативного контроля разработана при помощи графической системы TRACE MODE версии 4.10. База каналов содержит около 750 каналов, использующих до 16 типов условных внешних устройств. Схемы объектов располагаются более чем на 30 виртуальных экранах. Монитор реального времени TRACE MODE принимает информацию от пульта управления через резидентный драйвер, обслуживающий прием и передачу данных по последовательному каналу.
Через главное меню системы диспетчер может перейти к монитору архива, к подсистеме учета электроэнергии или в меню любого поста наблюдения. Пример меню поста наблюдения приведен на рис. 2.

В меню поста наблюдения отображаются параметры связи по коммутируемой телефонной линии (период опроса, время последнего сеанса связи и его результат, время снятия данных на посту наблюдения), а также общее состояние объекта контроля: световая сигнализация указывает на изменение положения коммутационных аппаратов, срабатывание датчиков охранной сигнализации, нарушение питания. Для получения более подробной информации можно перейти на соответствующий виртуальный экран.
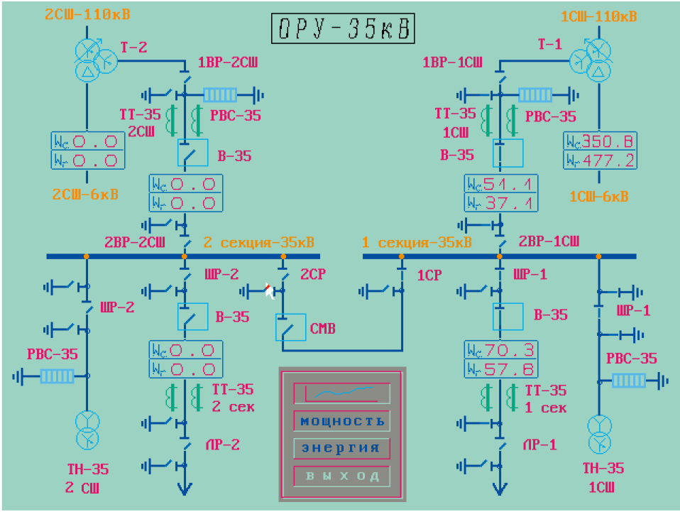
Электрические схемы объектов можно просмотреть иерархически: от сетевой подстанции до конкретных потребителей. Пример изображения электрической схемы дан на рис. 3.

На электрических схемах показаны текущие значения активной и реактивной мощности по потребителям, активной и реактивной энергии, потребленной с начала месяца, положение коммутационных аппаратов, линии протекания тока. Графики мощности (рис. 4) позволяют контролировать превышение лимита мощности, заданного диспетчером. При превышении лимита включается звуковой сигнал, привлекающий внимание персонала.

Система контролирует факты несанкционированного доступа в помещения объектов контроля. На планах охраняемых объектов отображаются состояния охранных датчиков. Пример изображения плана объекта представлен на рис. 5. Если объект поставлен на охрану, то при срабатывании датчика включается звуковой сигнал, происходит переход на план соответствующего объекта, где прерывистым свечением индицируется сработавший датчик.

Техническое состояние контроллеров постов наблюдения представлено на мнемосхеме (рис. 6), где отображается наличие или отсутствие выходного напряжения в каждом канале блоков питания контроллера.

Программное обеспечение верхнего уровня предоставляет диспетчеру возможность вести оперативный контроль за состоянием системы, а также при помощи монитора архива просмотреть предысторию контролируемых параметров за прошедшие сутки.
Все значения потребляемой электроэнергии, мощности, лимита мощности фиксируются в отчете событий и используются подсистемой учета электроэнергии для ведения баз данных. Подсистема учета электроэнергии написана на языке Clipper версии 5.01. СУБД позволяет вести расчет потребленной электроэнергии и строить графики мощности за указанный период времени для группы потребителей. Программа предоставляет оператору удобные средства для просмотра базы данных, гибкой настройки групп потребителей, вывода графиков на печать.
Территориально-распределенная автоматизированная система учета и контроля электропотребления внедрена на предприятии «Кровля» (г. Учалы, Башкортостан). Эксплуатация системы в течение года показала высокую надежность и эффективность всех технических и программных средств системы, а также ее полное соответствие техническому заданию. Гибкая архитектура системы позволяет при необходимости добавлять новые объекты контроля.
Реализованный специалистами АО «Интех» подход к построению территориально-распределенных систем сбора и обработки информации может быть использован в самых различных областях промышленности. Применение программного обеспечения, созданного для технических средств MicroPC, а также графического пакета Trace Mode позволяет осуществлять эффективную разработку таких систем в сжатые сроки. ●
Л.Г. Капитанова — ведущий инженер, Б.Б. Туганов — начальник отдела АО «Интех»,
В.М. Сатаров — главный энергетик АП «Кровля»
© СТА-ПРЕСС, 2025
Архитектура системы имеет иерархическую трехуровневую территориально-распределенную структуру, включающую посты наблюдения, пульт управления и автоматизированное рабочее место (АРМ) диспетчера энергосистемы предприятия. Структурная схема системы АСКЭП показана на рис. 1.

Нижний уровень представляет собой практически автономный пост наблюдения, установленный на объекте контроля. Связь со вторым уровнем — пультом управления — осуществляется по коммутируемой телефонной линии через модем.
Контроллер поста наблюдения выполнен на технических средствах MicroPC фирмы Octagon Systems: процессор Intel 80386 SX, встроенный модем и плата дискретного ввода-вывода. Для отображения информации предусмотрен 16-символьный дисплей и 4-кнопочная клавиатура. Программное обеспечение написано на языке Си.
Пост наблюдения контролирует расход активной и реактивной электронергии (до 100 точек), положение коммутационных аппаратов (секционные разъединители, масляные выключатели), состояние датчиков охранной сигнализации и блоков питания аппаратуры. Состояние системы фиксируется с интервалом от 3 до 30 минут с точной привязкой ко времени, при этом адаптивный алгоритм увеличивает длительность интервала при постоянной мощности и уменьшает при ее изменениях.
По запросу от контроллера пульта управления, представляющего собой второй уровень системы, а также инициативно при возникновении внештатной ситуации на посту наблюдения (скачок потребления мощности, изменение положения коммутационного аппарата, срабатывание датчика охранной сигнализации, нарушение питания) информация передается на второй уровень. Между сеансами связи данные сохраняются в энергонезависимой памяти. При отсутствии связи по телефонному каналу пост наблюдения накапливает предысторию в течение примерно 2 суток (время определяется размером энергонезависимой памяти). Далее контролируется потребление электроэнергии без привязки ко времени. При восстановлении связи функционирование системы возобновляется в обычном режиме.
Контроллер пульта управления также выполнен на базе MicroPC с процессором Intel 80386 SX и со встроенным модемом. Программное обеспечение написано на языке Си.
Пульт управления опрашивает посты наблюдения с заданным временным интервалом или по команде, поступившей от АРМ. Период опроса устанавливается дежурным персоналом (по умолчанию 30 минут). Пульт управления сохраняет принятую информацию, ведет протоколы связи и передает данные в АРМ диспетчера по последовательному каналу RS-232. Между сеансами связи данные также сохраняются в энергонезависимой памяти. При отсутствии связи c АРМ диспетчера опрос постов наблюдения продолжается в течение примерно 12 часов (время определяется размером энергонезависимой памяти и объемом передаваемых постами данных). Далее опрос постов прекращается до установления связи с АРМ. После восстановления связи функционирование системы возобновляется.
АРМ диспетчера является третьим уровнем системы. Он реализован на IBM РС совместимом компьютере. Программное обеспечение АРМ включает в себя подсистему оперативного контроля состояния постов наблюдения и подсистему учета потребления электроэнергии.
Подсистема оперативного контроля разработана при помощи графической системы TRACE MODE версии 4.10. База каналов содержит около 750 каналов, использующих до 16 типов условных внешних устройств. Схемы объектов располагаются более чем на 30 виртуальных экранах. Монитор реального времени TRACE MODE принимает информацию от пульта управления через резидентный драйвер, обслуживающий прием и передачу данных по последовательному каналу.
Через главное меню системы диспетчер может перейти к монитору архива, к подсистеме учета электроэнергии или в меню любого поста наблюдения. Пример меню поста наблюдения приведен на рис. 2.

В меню поста наблюдения отображаются параметры связи по коммутируемой телефонной линии (период опроса, время последнего сеанса связи и его результат, время снятия данных на посту наблюдения), а также общее состояние объекта контроля: световая сигнализация указывает на изменение положения коммутационных аппаратов, срабатывание датчиков охранной сигнализации, нарушение питания. Для получения более подробной информации можно перейти на соответствующий виртуальный экран.
Электрические схемы объектов можно просмотреть иерархически: от сетевой подстанции до конкретных потребителей. Пример изображения электрической схемы дан на рис. 3.

На электрических схемах показаны текущие значения активной и реактивной мощности по потребителям, активной и реактивной энергии, потребленной с начала месяца, положение коммутационных аппаратов, линии протекания тока. Графики мощности (рис. 4) позволяют контролировать превышение лимита мощности, заданного диспетчером. При превышении лимита включается звуковой сигнал, привлекающий внимание персонала.

Система контролирует факты несанкционированного доступа в помещения объектов контроля. На планах охраняемых объектов отображаются состояния охранных датчиков. Пример изображения плана объекта представлен на рис. 5. Если объект поставлен на охрану, то при срабатывании датчика включается звуковой сигнал, происходит переход на план соответствующего объекта, где прерывистым свечением индицируется сработавший датчик.

Техническое состояние контроллеров постов наблюдения представлено на мнемосхеме (рис. 6), где отображается наличие или отсутствие выходного напряжения в каждом канале блоков питания контроллера.

Программное обеспечение верхнего уровня предоставляет диспетчеру возможность вести оперативный контроль за состоянием системы, а также при помощи монитора архива просмотреть предысторию контролируемых параметров за прошедшие сутки.
Все значения потребляемой электроэнергии, мощности, лимита мощности фиксируются в отчете событий и используются подсистемой учета электроэнергии для ведения баз данных. Подсистема учета электроэнергии написана на языке Clipper версии 5.01. СУБД позволяет вести расчет потребленной электроэнергии и строить графики мощности за указанный период времени для группы потребителей. Программа предоставляет оператору удобные средства для просмотра базы данных, гибкой настройки групп потребителей, вывода графиков на печать.
Территориально-распределенная автоматизированная система учета и контроля электропотребления внедрена на предприятии «Кровля» (г. Учалы, Башкортостан). Эксплуатация системы в течение года показала высокую надежность и эффективность всех технических и программных средств системы, а также ее полное соответствие техническому заданию. Гибкая архитектура системы позволяет при необходимости добавлять новые объекты контроля.
Реализованный специалистами АО «Интех» подход к построению территориально-распределенных систем сбора и обработки информации может быть использован в самых различных областях промышленности. Применение программного обеспечения, созданного для технических средств MicroPC, а также графического пакета Trace Mode позволяет осуществлять эффективную разработку таких систем в сжатые сроки. ●
Л.Г. Капитанова — ведущий инженер, Б.Б. Туганов — начальник отдела АО «Интех»,
В.М. Сатаров — главный энергетик АП «Кровля»
© СТА-ПРЕСС, 2025
Если вам понравился материал, кликните значок — вы поможете нам узнать, каким статьям и новостям следует отдавать предпочтение. Если вы хотите обсудить материал —не стесняйтесь оставлять свои комментарии : возможно, они будут полезны другим нашим читателям!

