Введение
Современные широкополосные синтезаторы частот и генераторы характеризуются следующими основными параметрами: уровнем фазовых шумов и побочных спектральных составляющих (ПСС) и скоростью перестройки по частоте. К синтезатору, используемому в лабораторных исследованиях, предъявляются особенно жёсткие требования в части уровня фазового шума и чистоты спектра сигнала. По этой причине в высококачественных СВЧ-синтезаторах используют феррорезонансные генераторы на железо-иттриевых гранатах (ЖИГ), которые в совокупности с параметрами сигнала, полученного умножением частоты опорного кварцевого генератора, обеспечивают исключительно высокую спектральную чистоту выходного сигнала. Однако из-за физических ограничений скорость перестройки ЖИГ-генератора по частоте невысокая.
Для снижения уровня фазовых шумов применяется синхронизация высокочастотного генератора (реализованного, например, на диэлектрическом или лейкосапфировом резонаторе) высокостабильным сигналом, а широкий диапазон частот обеспечивает гибридный синтез [1, 2]. В пересчёте на 10 ГГц, уровень фазовых шумов лучших СВЧ-генераторов составляет от –120 до –135 дБн/Гц на отстройке 10 кГц (иногда указывают 20 кГц), а время перестройки обычно составляет десятки или сотни миллисекунд. В таких изделиях, как правило, используется самая передовая и совершенная элементная база, нередко разработанная самим производителем.
Недостатком приборов с рекордными характеристиками является очень высокая цена, которая обусловлена сложностью разработки, уникальностью компонентов и использованием патентованных технических решений. Например, один из лучших генераторов компании Keysight Technologies – N5183B – продаётся в США в базовой комплектации по цене $25 825 [3]. При заказе прибора, дооснащённого функцией уменьшения фазовых шумов UNY, цена увеличивается на $12 396. Оснащённый всеми функциями, но без дополнительных принадлежностей, прибор будет стоить около $90 тыс. Следует отметить, что приобретение генератора с расширенными функциями в России затруднительно из-за экспортных ограничений со стороны Бюро промышленности и безопасности США.
Другой класс синтезаторов – малогабаритные приборы (программно-управляемые модули), которым свойственна высокая скорость перестройки по частоте за счёт использования генераторов, управляемых напряжением (ГУН). Такие синтезаторы реализуют широкий рабочий диапазон частот (с верхней границей до 20 ГГц), имеют достаточно низкие для большинства приложений уровни фазовых шумов и ПСС и, что очень важно, значительно меньшую стоимость. Эти приборы предназначены для встраивания в комплексы измерительного оборудования, например, для тестирования и отладки промышленной продукции. Недостатками малогабаритных синтезаторов являются упрощённая регулировка мощности выходного сигнала (либо её отсутствие), компромиссные технологии модуляции, недостаточная фильтрация гармоник, узкий диапазон ослабления сигнала и некоторые другие.
Качественные малогабаритные синтезаторы частот реализуют уровень фазовых шумов в пересчёте на 10 ГГц от –100 до –125 дБн/Гц на отстройке 10 кГц, а время перестройки частоты составляет десятки или сотни микросекунд. По сравнению с приборами, реализованными с использованием ЖИГ-генераторов, синтезаторы с ГУН характеризуются более высоким уровнем фазовых шумов на отстройке 1…10 МГц.
Отечественный синтезатор частот UNO-10M
В классе малогабаритных приборов продукция отечественных разработчиков представлена не очень широко и, в целом, уступает по характеристикам лучшим зарубежным аналогам. Одним из малошумящих малогабаритных синтезаторов частот, производимых серийно и сопоставимых по характеристикам с зарубежными конкурентами, является UNO-10M – новый прибор российской компании Адвантех [4], который реализует диапазон выходных частот от 100 кГц до 12 ГГц с шагом 0,001 Гц (см. рис. 1).

Синтезатор частот UNO-10M выполнен по многокольцевой схеме со смещением частоты в тракте обратной связи ФАПЧ. В традиционных, однокольцевых, схемах снижение уровня фазовых шумов обеспечивается высокой частотой сравнения, благодаря которой уменьшается коэффициент передачи в петле ФАПЧ. Тем не менее, за счёт шума, вносимого частотно-фазовым детектором (ЧФД), достигнуть уровня фазового шума менее –(125…130) дБн/Гц на отстройке 10 кГц от несущей 1 ГГц в таких схемах затруднительно. Однако в многокольцевых схемах можно получить уровни фазовых шумов в полосе ФАПЧ на 10–30 дБ ниже за счёт меньшего вклада шумов ЧФД.
Основным источником фазовых шумов в многокольцевых схемах является опорный генератор. Следует отметить, что умножение частоты малошумящего генератора с малыми потерями является нетривиальной задачей и также определяет итоговые спектральные характеристики. В синтезаторе UNO-10M полоса фильтра ФАПЧ расширена по сравнению с приборами предыдущего поколения и составляет около 2 МГц. Это позволило достичь высокого быстродействия и уменьшить уровень фазового шума, который составляет в среднем –140 дБн/Гц на отстройке 20 кГц от частоты 1 ГГц (см. рис. 2).

Уровни на остальных несущих в области отстроек от 1 кГц до 1 МГц можно приблизительно оценить по формуле [5, 6]:
L(fout) = L0(f0) + 20lg(fout),
где fout – выходная частота, ГГц; L0(f0) – уровень фазового шума на несущей частоте 1 ГГц.
В таблице 1 представлены паспортные уровни фазовых шумов коммерчески доступных моделей синтезаторов и генераторов как зарубежного, так и отечественного производства. Ранжирование продукции от более шумящих к менее шумящим приборам (сверху вниз) сделано с учётом характеристик на более высоких частотах.

Рабочий диапазон частот синтезатора UNO-10М составляет от 100 кГц до 12 ГГц, но может быть расширен до 12,8 ГГц. Также планируется выпуск модели с аналогичными характеристиками и рабочим диапазоном от 100 кГц до 20 ГГц. Благодаря высокочастотным ГУН с октавной перестройкой (базовые диапазоны от 6 до 12 ГГц и от 10 до 20 ГГц соответственно), обеспечивается отсутствие субгармоник в спектре сигнала. Более низкие частоты выходного сигнала формируются делителями частоты (до частоты 100 МГц), что позволяет уменьшить абсолютные значения уровней фазовых шумов. Спектр выходного сигнала UNO-10М для частоты 10 ГГц показан на рисунке 3.

Использование современной микросхемы цифрового вычислительного синтезатора (ЦВС) позволило реализовать шаг перестройки по частоте 0,001 Гц во всём диапазоне частот. Выход ЦВС подключён к отдельному низкочастотному разъёму. Это даёт возможность перекрыть рабочий диапазон частот от 100 кГц до 100 МГц, сохраняя фазовый шум на уровне шума хорошего кварцевого генератора (от –155 до –160 дБн/Гц на отстройке 20 кГц). Обычно в генераторах используется схема формирования низкочастотного сигнала с помощью переноса спектра вниз с помощью смесителя, что увеличивает уровень фазового шума. В этом случае он обычно составляет от –130 до –135 дБн/Гц на отстройке 20 кГц.
Стабильный опорный сигнал формируется высококачественным, термостатированным кварцевым генератором с частотой 100 МГц. За счёт программного управления можно откалибровать частоту с высокой точностью и скомпенсировать влияние старения. Внутренний опорный сигнал выведен на отдельный разъём для синхронизации с другими устройствами (на частоте 10 или 100 МГц). Предусмотрена возможность синхронизации синтезатора внешним сигналом с частотой от 1 до 250 МГц и шагом 1 МГц.
Новый синтезатор обладает высокой скоростью перестройки, что требуется в большинстве практических задач. При шаге 10 МГц и меньше в базовом диапазоне 6…12 ГГц время захвата ФАПЧ составляет менее 1 мкс. Для шага по частоте 1 ГГц в том же диапазоне время увеличивается до 35 мкс. В широком диапазоне перестройки, например, при переходе с 6 до 12 ГГц или, наоборот, с 12 до 6 ГГц, время увеличивается примерно до 120 мкс. Эти показатели приведены с запасом и без учёта задержки на программную обработку и загрузку данных. В задачах сканирования процесс управления частотой можно настроить так, чтобы данные загружались в течение времени перестройки частоты, а запуск нового процесса осуществлялся после считывания логического сигнала LOCK_DETECT (контроль захвата). Таким образом, можно перестраивать частоту синтезатора с минимально возможной задержкой.

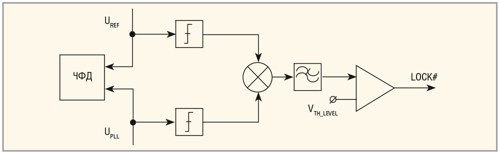
Контроль установки требуемой частоты обеспечивается специально разработанной схемой детектирования захвата (Lock Detect), подключённой к соответствующим точкам синтезатора. Упрощённый вариант этой схемы приведён на рисунке 4. Детектор отслеживает как захват по частоте, так и захват по фазе, и может работать на высоких частотах сравнения (до 2 ГГц). Его преимущество заключается в слабой зависимости от амплитуды входного сигнала за счёт ограничителей, благодаря чему сигнал на выходе фильтра нижних частот (ФНЧ) в основном определяется разностью фаз сигналов UREF и UPLL.


Осциллограммы на рисунках 5а и 6а иллюстрируют процесс перестройки частоты с 6 до 12 ГГц и обратно. Начало и конец процесса перестройки показаны в увеличенном масштабе, на рис. 5б, 5в и 6б, 6в соответственно. На рисунках отображены: процесс изменения управляющего напряжения на оконечном ГУН (обозначен VVCO), индикация захвата частоты цифровым сигналом LOCK_DETECT (LOCK), изменение напряжения на выходе ФНЧ в схеме детектирования захвата (VDET) и сигнал запуска перестройки (TRIG). В начале перестройки частоты (интервал A–B) напряжение на выходе ФНЧ изменяется в целом равномерно, и после прохождения сигналом VDET порогового уровня напряжения меняется состояние LOCK_DETECT. Требуемая частота устанавливается за интервал A–C, затем ФАПЧ начинает подстраивать фазу ГУН. В момент времени D точность установленной фазы составит около 45°, а напряжение на выходе ФНЧ снова пересекает пороговый уровень компаратора, что приведёт к переходу сигнала LOCK_DETECT в лог. 1.

Чтобы проверить результаты измерений процессов перестройки, была проведена аналоговая демодуляция частоты с помощью анализатора сигналов Rohde & Schwarz FSV. На рисунках 7а-в приведены результаты измерения при переключениях с 6010 на 6011 МГц (см. рис. 7а), с 7,4 ГГц на 7,6 ГГц (см. рис. 7б), с 7 на 8 ГГц (см. рис. 7в) и обратно. Измеренное таким способом время перестройки частоты с 7 до 8 ГГц и обратно составляет 18 и 28 мкс соответственно. Полное время перестройки, т.е. интервал времени A–D для перестройки с 7 до 8 ГГц и обратно, составляет 22 и 32,5 мкс соответственно, что обусловлено добавлением времени захвата по фазе, которое не определяется частотным демодулятором. Характеристики быстродействия синтезатора UNO-10М сведены в таблицу 2.

Следует отметить, что синтезатор UNO-10М обладает следующим преимуществом: при перестройке частоты отсутствует проблема ложного захвата, для устранения которой обычно требуется предварительная установка частоты, например, с помощью ЦАП. Именно поэтому быстродействие UNO-10М в основном определяется скоростью систем ФАПЧ. Таким образом, синтезатор будет превосходным решением для задач, в которых важна быстрая перестройка с малым шагом по частоте.
Максимальная выходная мощность нового синтезатора до 8 ГГц составляет не менее +17 дБм, а на 12 ГГц достигает +15 дБм. Можно ослабить сигнал на 25 дБ, чего вполне достаточно для большинства приложений. Шаг регулировки мощности составляет 0,5 дБ.
Система управления синтезатором UNO-10M реализована не на основе встроенного микроконтроллера, а на ПЛИС, что позволило обеспечить:
- максимально высокую скорость расчёта содержимого регистров управления, которая будет зависеть только от пользовательских аппаратно-программных возможностей;
- минимальную задержку при перестройке частоты. Фактически, задержка определяется максимальной частотой 20 МГц последовательной шины управления SPI и скоростью ФАПЧ.
Синтезатор UNO-10М позиционируется как качественный гетеродин, работающий в составе аппаратуры заказчика. Вследствие этого приоритетным параметром является качество выходного сигнала при умеренных габаритных размерах и цене. Менее значимые функции, такие как фильтрация гармоник, большое ослабление выходного сигнала, реализация типов модуляции, были максимально упрощены. Следует учитывать, что смесители, как правило, не требовательны к уровню гармоник сигнала гетеродина, поскольку работают в ключевом режиме [7].
Для сравнения с новым прибором были выбраны три зарубежных синтезатора, конкурирующие по техническим и эксплуатационным характеристикам (см. таблицу 3). Отметим, что цены зарубежных аналогов приведены для базовых комплектаций, продаваемых на территории США. При завозе оборудования в Россию его стоимость увеличивается.

Примечания:
1) Ориентировочная стоимость на территории США, полученная из открытых источников либо по запросу.
2) Базовая функциональность.
3) В пересчёте по валютному курсу в декабре 2014 г.
Производителем синтезатора UNO-10M была выбрана собственная рыночная политика, которая, в отличие от традиционной западной модели, устанавливает единственную цену за полнофункциональный прибор. Напомним, что базовая конфигурация зарубежного аналога имеет приемлемую стоимость, однако за полнофункциональный прибор придётся заплатить существенно больше. В итоге аналогичный синтезатор будет стоить значительно дороже.
Заключение
Совокупность технических характеристик и относительно низкая стоимость делают новый отечественный синтезатор UNO-10M достойным импортозамещающим изделием в классе быстрых, встраиваемых широкополосных СВЧ-синтезаторов со спектральной чистотой инструментального класса.Литература
- Crook D. Hybrid Synthesizer Tutorial. Microwave Journal. February. 2003.
- Beltchicov S., Dzisiak A., Guletskiy I. A Low Phase Noise Octave-Band Synthesizer Using an X-Band Frequency Reference. Microwave Journal. May. 2014.
- www.keysight.com/en/pd-2347794-pn-N5183B/mxg-x-series-microwave-analog-signal-generator?cc=US&am....
- www.advantex.ru.
- Chenakin A. Frequency Synthesizers: Concept to Product. Artech House. Norwood. MA. 2011.
- Banerjee D. PLL Performance, Simulation, and Design. National Semiconductor. 2006.
- www.radio-electronics.com/info/rf-tech-nology-design/mixers/double-balanced-mixer-tutorial.php.
Если вам понравился материал, кликните значок — вы поможете нам узнать, каким статьям и новостям следует отдавать предпочтение. Если вы хотите обсудить материал —не стесняйтесь оставлять свои комментарии : возможно, они будут полезны другим нашим читателям!

